Скачать Типовой проект 901-5-23/70 Альбом I. Архитектурно-строительная, технологическая, электротехническая части и автоматикаДата актуализации: 10.08.2017 Типовой проект 901-5-23/70
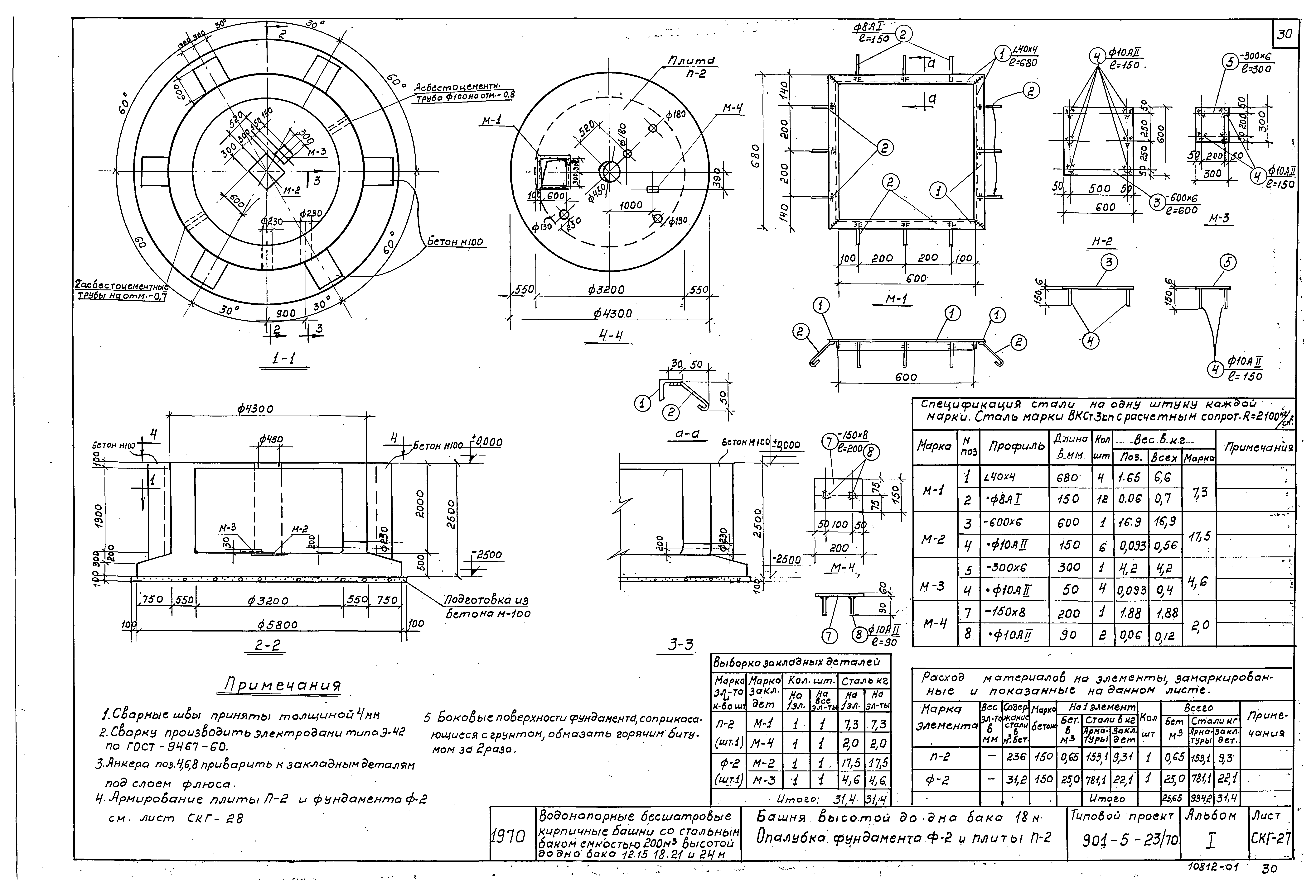
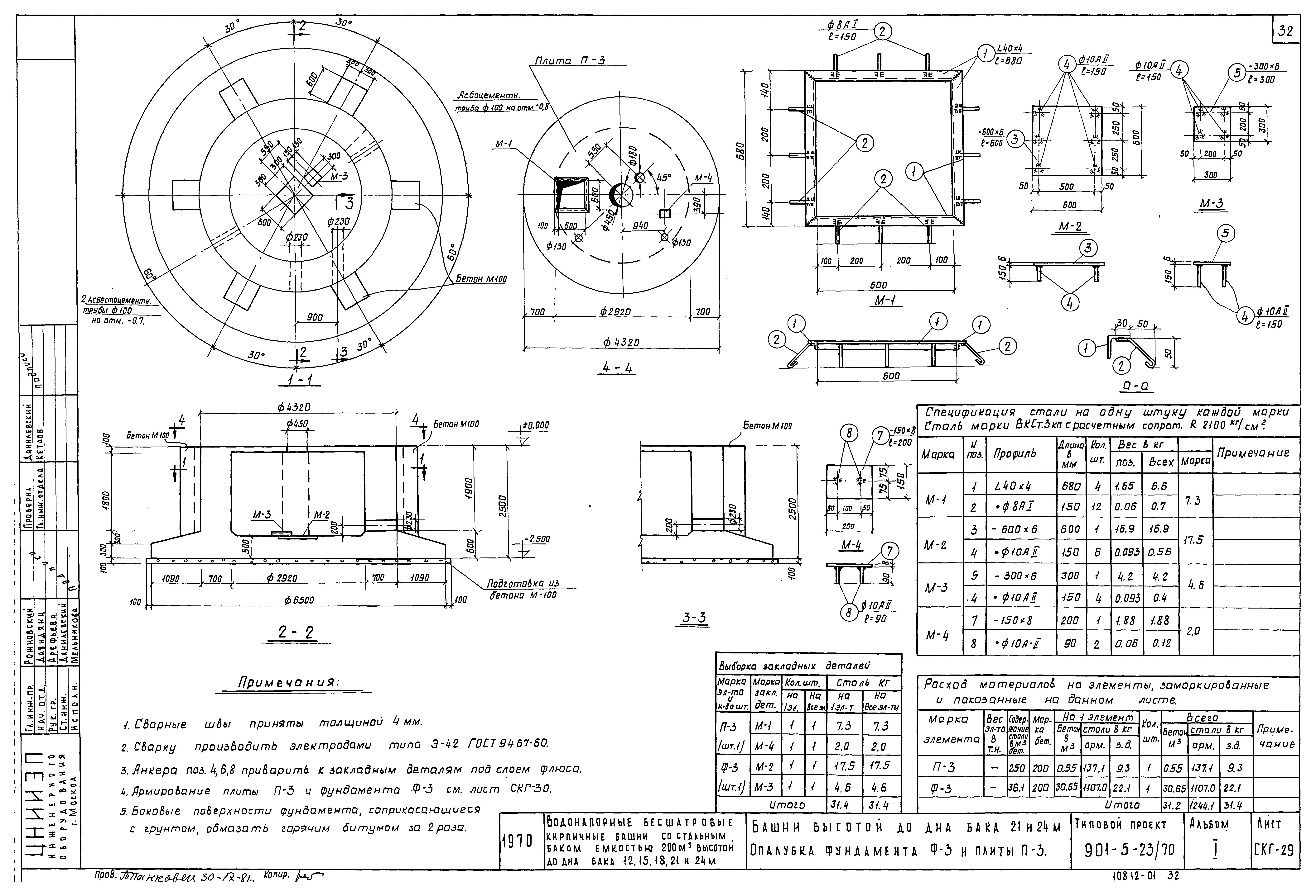
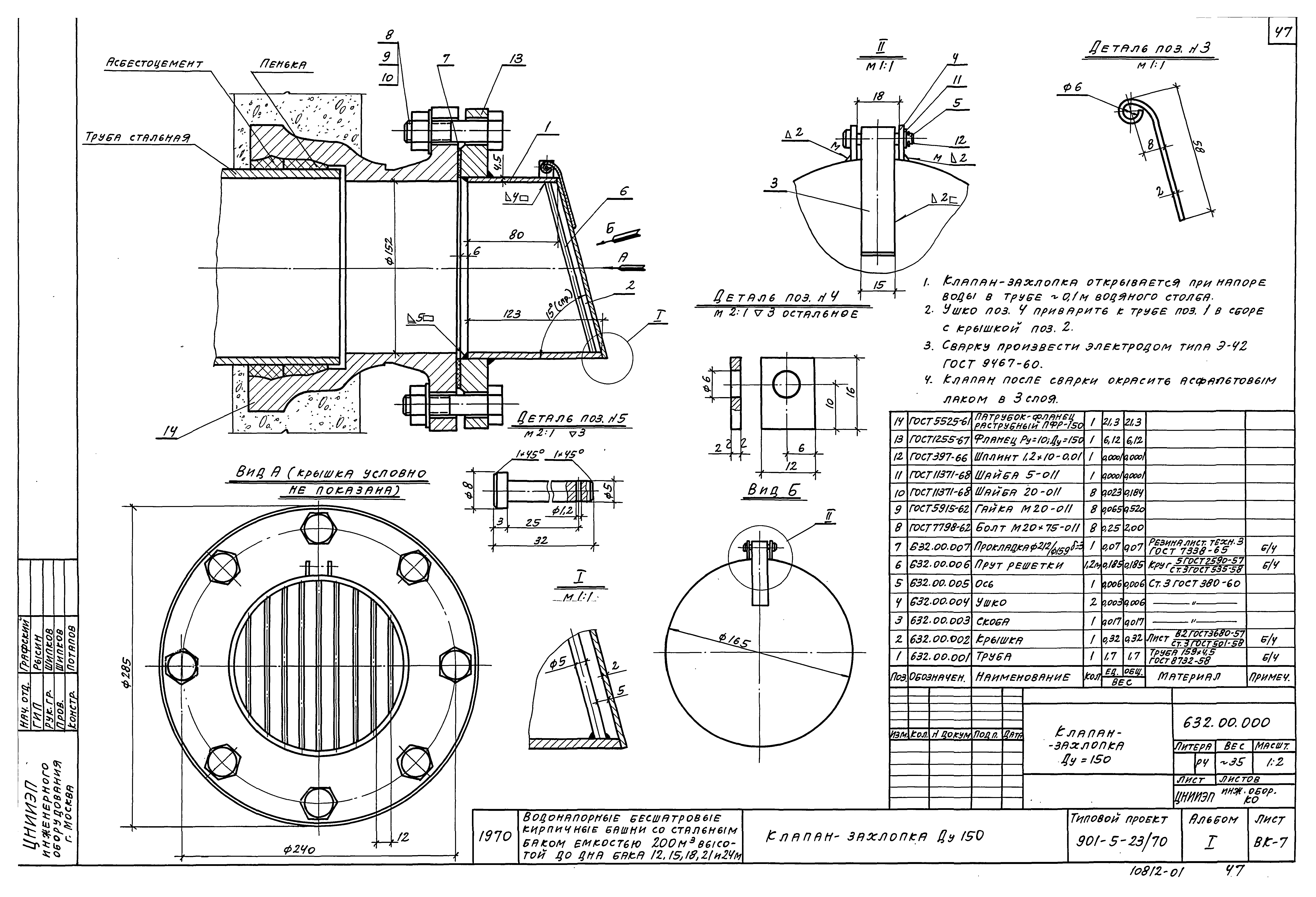
Альбом I. Архитектурно-строительная, технологическая, электротехническая части и автоматикаОбозначение: | Типовой проект 901-5-23/70 | Обозначение англ: | 901-5-23/70 | Статус: | действует | Название рус.: | Альбом I. Архитектурно-строительная, технологическая, электротехническая части и автоматика | Дата добавления в базу: | 01.10.2014 | Дата актуализации: | 05.05.2017 | Оглавление: | Содержание альбома Архитектурно-строительная часть Пояснительная записка Расчетные схемы и величины нагрузок Башни высотой до дна бака 12 и 15 м. Заглавный лист. Выборки материалов Башни высотой до дна бака 12 и 15 м. Планы, разрезы, узлы Башня высотой до дна бака 18 м. Заглавный лист. Выборки материалов Башня высотой до дна бака 18 м. Планы, разрезы, узлы Башня высотой до дна бака 21 м. Заглавный лист. Выборки материалов Башня высотой до дна бака 21 м. Планы, разрезы, узлы Башня высотой до дна бака 24 м. Заглавный лист. Выборки материалов Башня высотой до дна бака 24 м. Планы, разрезы, узлы Узлы 2 - 12 Фасады. Архитектурные детали Детали утепления Стальной бак емкостью 200 куб. м Лестницы Л-1, Л-2 Лестница Л-3 Лестница Л-4. Деталь перил Лестницы Л-5, Л-6 Площадка ПЛ-1 Площадки ПЛ-2 и ПЛ-3. Люк Оголовок ствола. Перемычки БП-1 и БП-2. Закладные детали ЗД-1, ЗД-2 Башни высотой до дна бака 12 и 15 м. Опалубка фундамента Ф-1 и плиты П-1 Башни высотой до дна бака 12 и 15 м. Армирование фундамента Ф-1 и плиты П-1 Башня высотой до дна бака 18 м. Опалубка фундамента Ф-2 и плиты П-2 Башня высотой до дна бака 18 м. Армирование фундамента Ф-2 и плиты П-2 Башни высотой до дна бака 21 и 24 м. Опалубка фундамента Ф-3 и плиты П-3 Башни высотой до дна бака 21 и 24 м. Армирование фундамента Ф-3 и плиты П-3 Производство работ Пояснительная записка План стройплощадки Схемы производства земляных и бетонных работ Схема сварки металлического бака в трубчатых подмостях Схема возведения кладки ствола и бетонирования оголовка. Ведомость объемов работ Схема монтажа бака спаренными кранами Схема монтажа бака на стволе Технологическая часть Пояснительная записка Общий вид технологического оборудования башен высотой 12, 15 м и монтажная схема Общий вид технологического оборудования башен высотой 18, 21, 24 м и монтажная схема Детали вывода труб из башни Детали крепления труб в стволе для башен высотой 12, 15 м Детали крепления труб в стволе для башен высотой 18, 21, 24 м Клапан-захлопка Чертежи основного комплекта марки АВ Пояснительная записка. Кабельный журнал Заказная спецификация электроаппаратуры Заказная спецификация щитов и пультов Заказная спецификация кабелей и проводов. Заказная спецификация основных монтажных материалов и изделий Схема питания электрооборудования. Электрообогрев напорно-разводящего стояка. Схема принципиальная электрическая Измерение уровня в баке водонапорной башни. Схема принципиальная электрическая Задвижка. Схема принципиальная электрическая Схема внешних соединений электрооборудования Электрические проводки. Электрическое освещение. Молниезащита Шкаф автоматики. Общий вид. Схема монтажная Электрообогрев напорно-разводящего стояка Датчик уровня с электрообогревом. Элементная схема датчика уровня с электрообогревом. Общий вид Датчик уровня с электрообогревом. Детали Пример установки датчиков уровней с электрообогревом | Разработан: | ЦНИИЭП иженерного оборудования
| Утверждён: | 24.11.1967 Госкомитет ГСиА Госстроя СССР (180)
| Расположен в: |
| Заменяет собой: | |
                                                            
|