Скачать Типовые материалы для проектирования 407-03-562.90 Альбом 1. Пояснительная записка. Электротехнические чертежиДата актуализации: 10.08.2017 Типовые материалы для проектирования 407-03-562.90
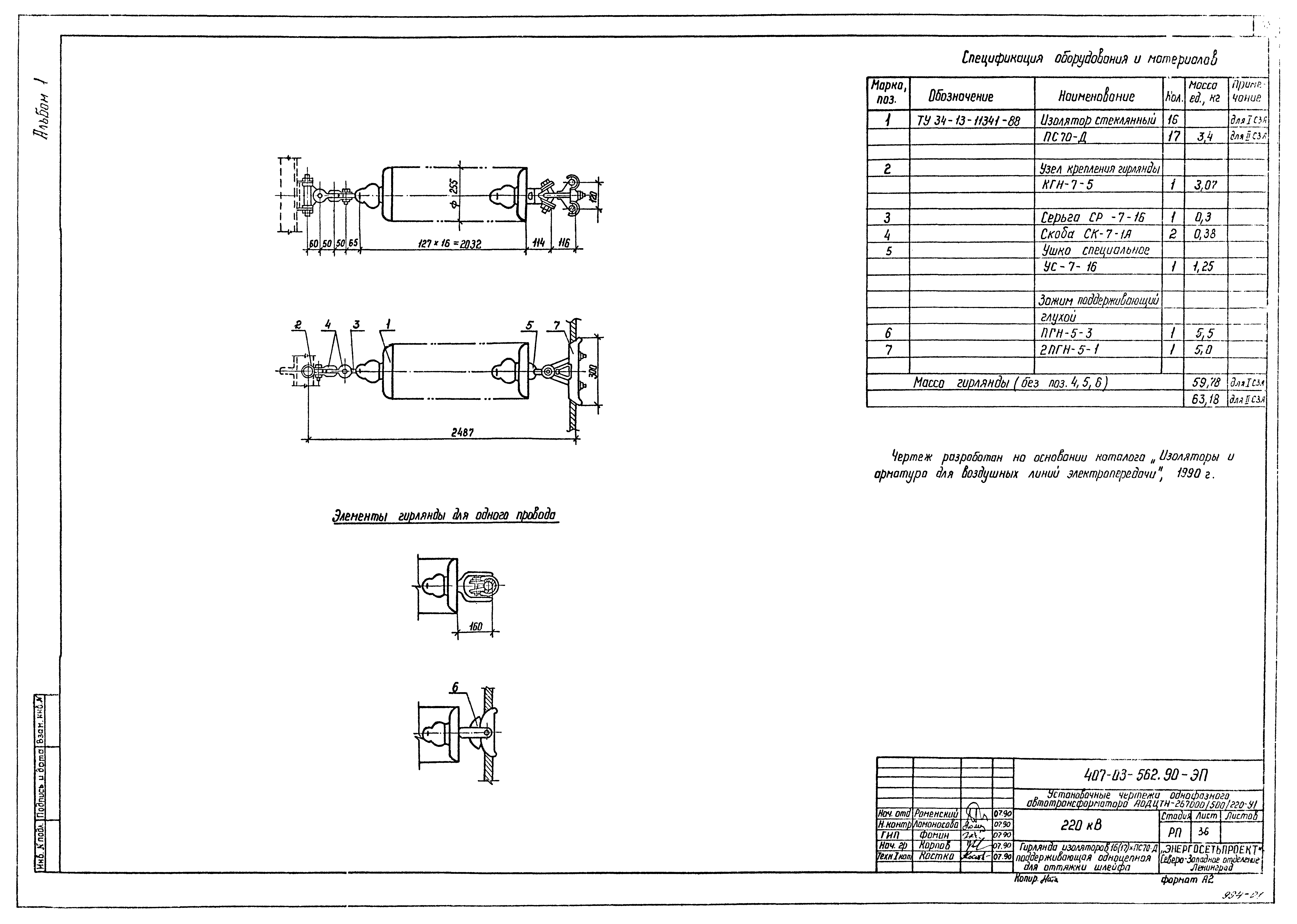
Альбом 1. Пояснительная записка. Электротехнические чертежиОбозначение: | Типовые материалы для проектирования 407-03-562.90 | Обозначение англ: | 407-03-562.90 | Статус: | cправочные материалы, мп, тпр | Название рус.: | Альбом 1. Пояснительная записка. Электротехнические чертежи | Дата добавления в базу: | 01.10.2014 | Дата актуализации: | 05.05.2017 | Дата введения: | 20.07.1990 | Оглавление: | Пояснительная записка ЭП Электротехнические чертежи. "Установочные чертежи однофазного автотрансформатора АОДЦТН-267000/500/220-У1" Установка одной фазы автотрансформатора в маслоприемнике Установка трехфазной группы. Вариант без огнезащитных перегородок между фазами. План, разрез А-А Установка трехфазной группы. Вариант с огнезащитными перегородками между фазами. План, разрез А-А Спецификация оборудования и материалов к листам ЭП-1, 2, 3 Установка трехфазной группы с подключением резервной фазы при помощи перемычек. Вариант без огнезащитных перегородок между фазами. План, разрез А-А Установка трехфазной группы с подключением резервной фазы при помощи перемычек. Вариант с огнезащитными перегородками между фазами. План, разрез А-А Установка трехфазной группы с подключением резервной фазы при помощи перемычек. Вариант без огнезащитных перегородок между фазами. Вид Б Установка трехфазной группы с подключением резервной фазы при помощи перемычек. Вариант с огнезащитными перегородками между фазами. Вид Б Спецификация оборудования и материалов к листам ЭП-5, 6, 7, 8 Установка трехфазной группы с резервной фазой. Вариант без огнезащитных перегородок между фазами. План, разрез А-А Установка трехфазной группы с резервной фазой. Вариант с огнезащитными перегородками между фазами. План, разрез А-А Установка трехфазной группы с резервной фазой. Вариант без огнезащитных перегородок между фазами. Вид Б Установка трехфазной группы с резервной фазой. Вариант с огнезащитными перегородками между фазами. Вид Б Спецификация оборудования и материалов к листам ЭП-11, 12, 13, 14 Установка трехфазной группы с подключением резервной фазы при помощи перемычек. Пример выполнения ошиновки НН на одностоечных опорах. План и разрез А-А Установка трехфазной группы с подключением резервной фазы при помощи перемычек. Пример выполнения ошиновки НН на одностоечных опорах. Разрезы Б-Б, Д-Д Установка трехфазной группы. Шинный мост 10 кВ на стороне НН. Схема Установка трехфазных групп с дополнительной фазой. Примеры компоновки и подключения Установка опорных изоляторов С4-195-IУХЛ, ОНШ-35-20-1 Установка опорных изоляторов ИОС-10-2000У1, ОНШ-10-20 Установка разрядника РВС-35, изоляторов ОНШ-35-20-1, С4-195-IУХЛ и шкафов ШАОТ на опорах О-500-4 Установка разрядника РВО-10, изоляторов ИОС-10-2000У1, ОНШ-10-20УХЛ1 и шкафа ШАОТ на опоре О-500-2 Узел установки автотрансформатора без кареток. План и разрез А-А Подвод к автотрансформатору силовых и контрольных кабелей Узел шкафа трансформатора напряжением 6 - 10 кВ Пример размещения демонтируемого оборудования Рекомендации по выполнению узлов заземления трансформаторов (примеры) 500 кВ. Гирлянда изоляторов 31(33)хПС70-Д натяжная одноцепная для трех проводов АС-500/27 500 кВ. Гирлянда изоляторов 31(33)хПС70-Д натяжная одноцепная для трех проводов АС-500/64 500 кВ. Гирлянда изоляторов 31(33)хПС70-Д натяжная одноцепная для двух проводов ПА-500 500 кВ. Гирлянда изоляторов 31(33)хПС70-Д натяжная одноцепная для одного провода ПА-640 500 кВ. Гирлянда изоляторов 31(33)хПС70-Д поддерживающая одноцепная для оттяжки шлейфа 220 кВ. Гирлянда изоляторов 16(17)хПС70-Д натяжная одноцепная для одного провода сечением 240 кв. мм и более 220 кВ. Гирлянда изоляторов 16(17)хПС70-Д натяжная одноцепная для двух проводов сечением 240 кв. мм и более 220 кВ. Гирлянда изоляторов 16(17)хПС70-Д поддерживающая одноцепная для оттяжки шлейфа 35 кВ. Гирлянда изоляторов 4хПС70-Д натяжная одноцепная для одного провода 35 кВ. Гирлянда изоляторов 4хПС70-Д натяжная одноцепная для двух проводов 35 кВ. Гирлянда изоляторов 4хПС70-Д натяжная одноцепная для трех проводов 10 кВ. Гирлянда изоляторов 2хПС70-Д натяжная одноцепная для одного провода 10 кВ. Гирлянда изоляторов 2хПС70-Д натяжная одноцепная для двух проводов 10 кВ. Гирлянда изоляторов 2хПС70-Д натяжная одноцепная для трех проводов ЭП.И Электротехнические изделия Изделие М1…М6 Скоба С-1 Скоба С-2 Скоба С-3 Планка опорная П-1 Планка опорная П-2 Планка опорная П-3 Планка опорная П-4 | Разработан: | Северо-западное отделение института Энергосетьпроект
| Утверждён: | 20.07.1990 Минэнерго СССР (USSR Minenergo 42)
| Расположен в: |
|
                                        
|