Скачать Типовые проектные решения 820-4-045.92 Альбом 2. Конструкции железобетонныеДата актуализации: 10.08.2017 Типовые проектные решения 820-4-045.92
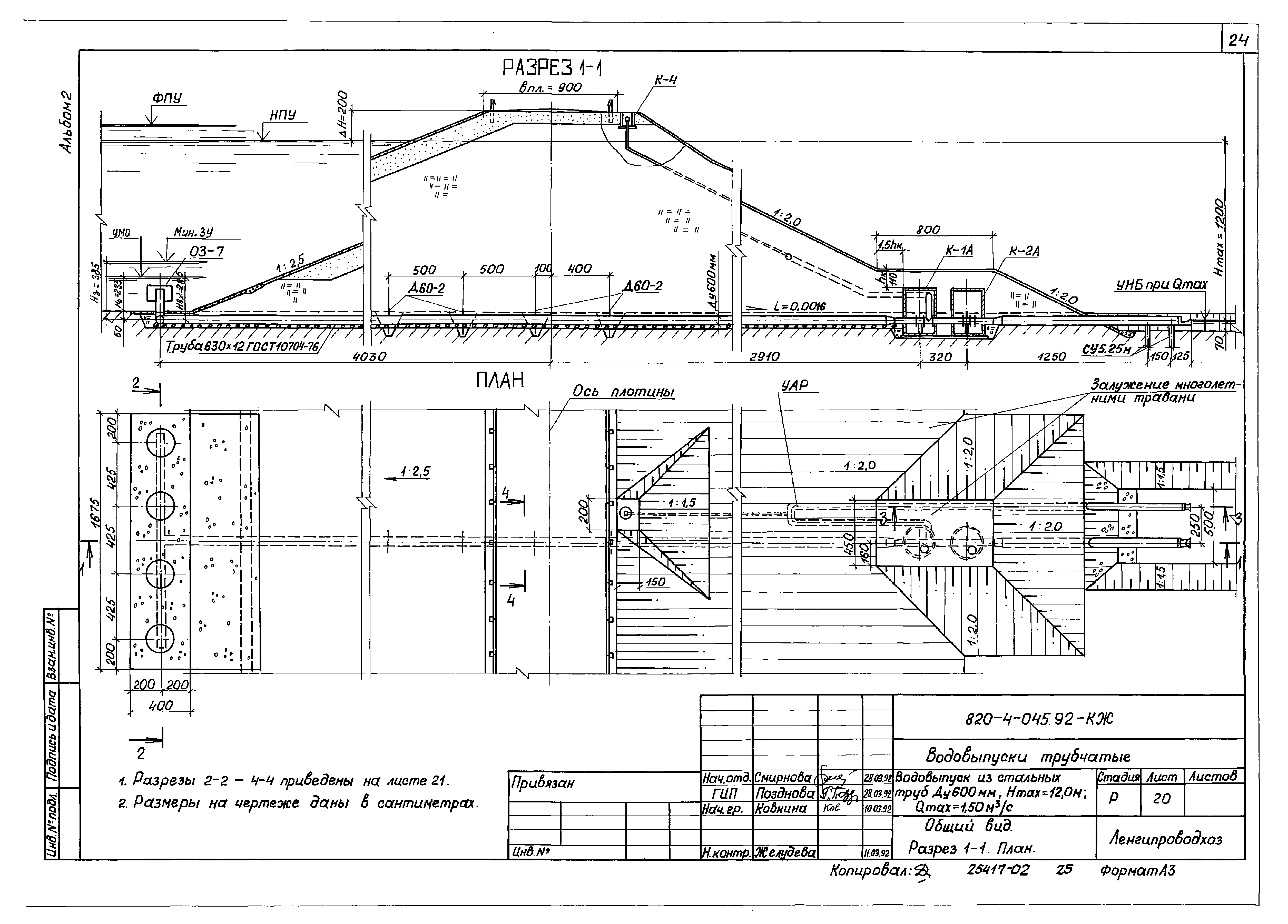
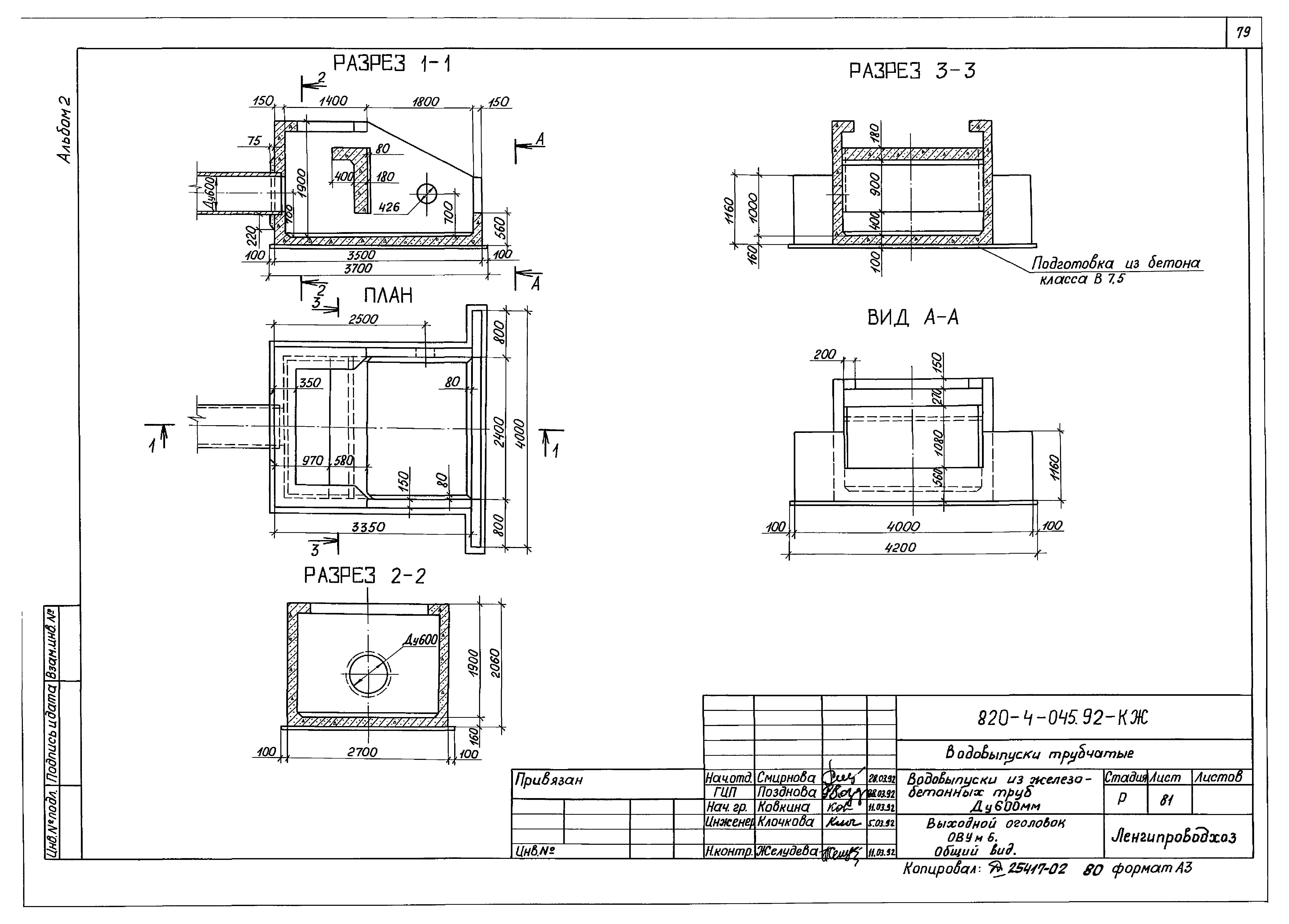
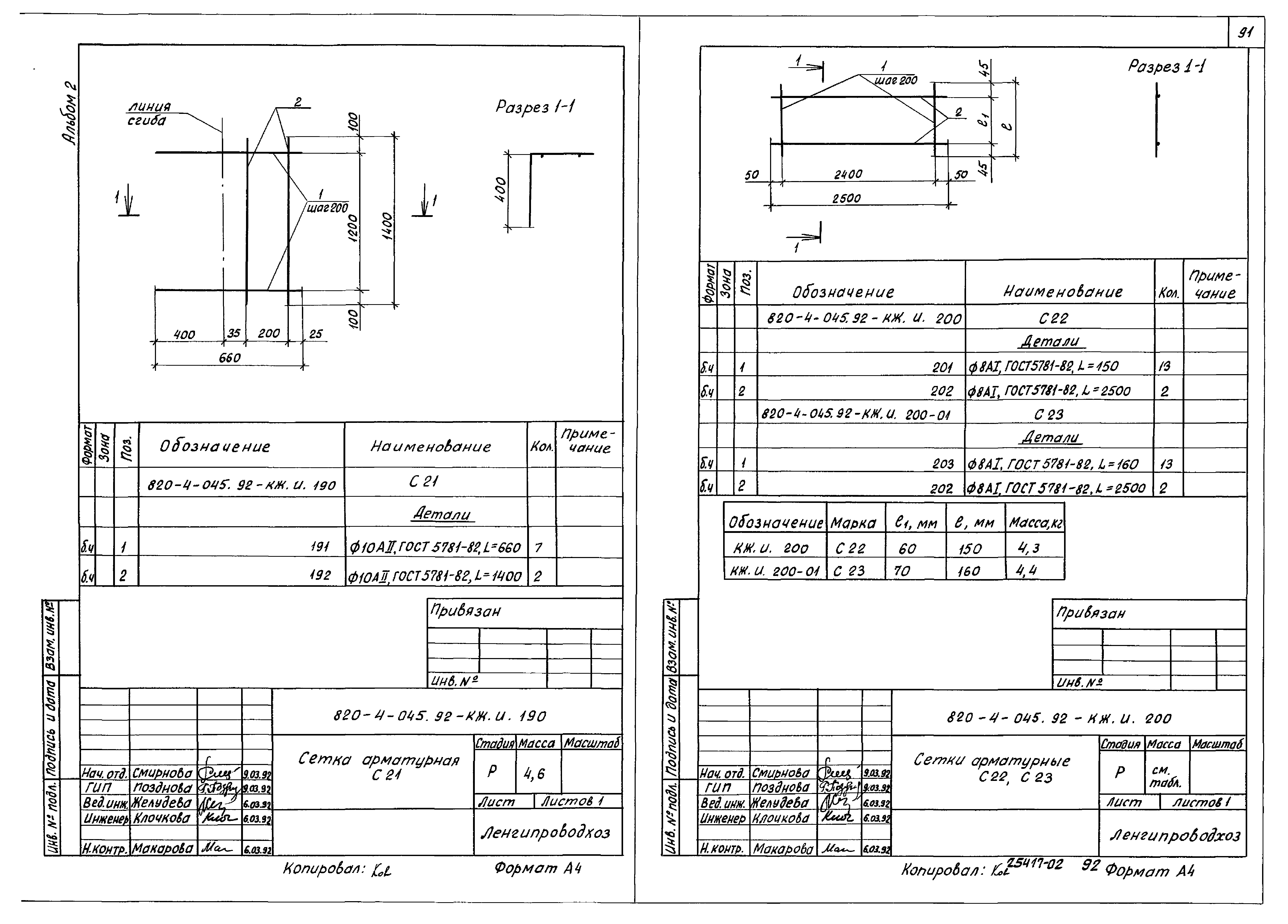
Альбом 2. Конструкции железобетонныеОбозначение: | Типовые проектные решения 820-4-045.92 | Обозначение англ: | 820-4-045.92 | Статус: | cправочные материалы, мп, тпр | Название рус.: | Альбом 2. Конструкции железобетонные | Дата добавления в базу: | 01.10.2014 | Дата актуализации: | 05.05.2017 | Дата введения: | 01.09.1992 | Оглавление: | Общие данные Водовыпуск из железобетонных труб Ду500 мм; Hmax = 5,0 м; Qmax = 0,85 куб. м/с. Общий вид. Разрез 1-1. План Водовыпуск из железобетонных труб Ду500 мм; Hmax = 8,0 м; Qmax = 1,00 куб. м/с. Общий вид. Разрез 1-1. План Водовыпуск из железобетонных труб Ду500 мм; Hmax = 12,0 м; Qmax = 1,10 куб. м/с. Общий вид. Разрез 1-1. План Водовыпуск из железобетонных труб Ду500 мм; Hmax = 5,0…12,0 м. Общий вид. Разрезы 2-2 - 5-5 Водовыпуск из железобетонных труб Ду600 мм; Hmax = 5,0 м; Qmax = 1,20 куб. м/с. Общий вид. Разрез 1-1. План Водовыпуск из железобетонных труб Ду600 мм; Hmax = 8,0 м; Qmax = 1,40 куб. м/с. Общий вид. Разрез 1-1. План Водовыпуск из железобетонных труб Ду600 мм; Hmax = 12,0 м; Qmax = 1,60 куб. м/с. Общий вид. Разрез 1-1. План Водовыпуск из железобетонных труб Ду600 мм; Hmax = 5,0…12,0 м. Общий вид. Разрезы 2-2 - 5-5 Водовыпуск из стальных труб Ду300 мм; Hmax = 5,0 м; Qmax = 0,25 куб. м/с. Общий вид. Разрез 1-1. План Водовыпуск из стальных труб Ду300 мм; Hmax = 8,0 м; Qmax = 0,30 куб. м/с. Общий вид. Разрез 1-1. План Водовыпуск из стальных труб Ду300 мм; Hmax = 12,0 м; Qmax = 0,35 куб. м/с. Общий вид. Разрез 1-1. План Водовыпуск из стальных труб Ду300 мм; Hmax = 5,0…12,0 м. Общий вид. Разрезы 2-2 - 3-3. Фрагмент 1 Водовыпуск из стальных труб Ду400 мм; Hmax = 5,0 м; Qmax = 0,45 куб. м/с. Общий вид. Разрез 1-1. План Водовыпуск из стальных труб Ду400 мм; Hmax = 8,0 м; Qmax = 0,55 куб. м/с. Общий вид. Разрез 1-1. План Водовыпуск из стальных труб Ду400 мм; Hmax = 12,0 м; Qmax = 0,60 куб. м/с. Общий вид. Разрез 1-1. План Водовыпуск из стальных труб Ду400 мм; Hmax = 5,0…12,0 м. Общий вид. Разрезы 2-2 - 3-3. Фрагмент 1 Водовыпуск из стальных труб Ду600 мм; Hmax = 8,0 м; Qmax = 1,30 куб. м/с. Общий вид. Разрез 1-1. План Водовыпуск из стальных труб Ду600 мм; Hmax = 12,0 м; Qmax = 1,50 куб. м/с. Общий вид. Разрез 1-1. План Водовыпуск из стальных труб Ду600 мм; Hmax = 8,0…12,0 м. Общий вид. Разрезы 2-2 - 3-3 Водовыпуск из железобетонных труб Ду500 - 600 мм. Входные оголовки ОРм5, ОРм6. Общий вид Водовыпуск из железобетонных труб Ду500 - 600 мм. Входные оголовки ОРм5, ОРм6. Узлы Водовыпуск из железобетонных труб Ду500 мм. Входной оголовок ОРм5. Спецификация Водовыпуск из железобетонных труб Ду600 мм. Входной оголовок ОРм6. Спецификация Водовыпуск из железобетонных труб Ду500 мм. Входной оголовок ОРм5. Схема армирования Водовыпуск из железобетонных труб Ду600 мм. Входной оголовок ОРм6. Схема армирования Водовыпуск из железобетонных труб Ду500 мм. Диафрагмы. Фундаменты под трубопровод. Общие виды Водовыпуск из железобетонных труб Ду500 мм. Фундамент под трубопровод ОБм5. Схема армирования Водовыпуск из железобетонных труб Ду500 мм. Диафрагма Дм5-1. Схема армирования Водовыпуск из железобетонных труб Ду500 мм. Диафрагма Дм5-2. Схема армирования Водовыпуск из железобетонных труб Ду600 мм. Диафрагмы. Фундаменты под трубопровод. Общие виды Водовыпуск из железобетонных труб Ду600 мм. Фундамент под трубопровод ОБм6. Схема армирования Водовыпуск из железобетонных труб Ду600 мм. Диафрагма Дм6-1. Схема армирования Водовыпуск из железобетонных труб Ду600 мм. Диафрагма Дм6-2. Схема армирования Водовыпуски из железобетонных труб Ду500 и 600 мм. Детали конструкций трубопровода из железобетонных труб Водовыпуски из железобетонных труб Ду500 и 600 мм. Выходные оголовки. Общие виды Водовыпуск из железобетонных труб Ду500 мм. Выходной оголовок ОВм5. Схема армирования Водовыпуск из железобетонных труб Ду600 мм. Выходной оголовок ОВм6. Схема армирования Водовыпуск из стальных труб Ду300, 400 и 600 мм. Входные оголовки ОР3, ОР4, ОР6. Общий вид Водовыпуск из стальных труб Ду300, 400 и 600 мм. Входные оголовки ОР3, ОР4, ОР6. Узлы Водовыпуски из стальных труб Ду300 и 400 мм. Входные оголовки ОР3 и ОР4. Схема армирования Водовыпуск из стальных труб Ду600 мм. Входной оголовок ОР6. Схема армирования Зонтичные оголовки 03-1, 03-2. Сборочный чертеж Зонтичные оголовки 03-3, 03-4. Сборочный чертеж Зонтичный оголовок 03-4. Спецификация Зонтичный оголовок 03-5. Спецификация Зонтичный оголовок 03-5. Сборочный чертеж Зонтичный оголовок 03-6. Сборочный чертеж Зонтичный оголовок 03-7. Спецификация Зонтичный оголовок 03-8. Спецификация Зонтичный оголовок 03-7. Сборочный чертеж Зонтичный оголовок 03-8. Сборочный чертеж Водовыпуски из стальных труб Ду300 и 400 мм. Диафрагмы. Общие виды Водовыпуски из стальных труб Ду600 мм. Диафрагмы. Общие виды Водовыпуски Ду500 и 600 мм. Колодцы К-1, К-1А, К-2, К-2А. Спецификация Водовыпуски Ду500 и 600 мм. Колодцы К-1, К-1А, К-2, К-2А. Общий вид. План. Узлы 2 - 4 Водовыпуски Ду500 и 600 мм. Колодцы К-1, К-1А, К-2, К-2А. Общий вид. Разрез 1-1. Узел 1 Водовыпуски Ду500 и 600 мм. Колодцы К-1, К-1А, К-2, К-2А. Общий вид. Разрезы 2-2 - 6-6 Водовыпуски из стальных труб Ду300 и 400 мм. Колодцы К-3, К-3А. Спецификация Водовыпуски из стальных труб Ду300 и 400 мм. Колодцы К-3, К-3А. Общий вид. Разрез 1-1. План Водовыпуски из стальных труб Ду300 и 400 мм. Колодцы К-3, К-3А. Общий вид. Разрезы 2-2 - 4-4. Узлы Колодец К-4. Общий вид Водовыпуски из стальных труб Ду600 мм. Выходной оголовок. Спецификация Водовыпуски из стальных труб Ду600 мм. Выходной оголовок с опорой из железобетонных свай. Общий вид. Вариант 1 Водовыпуски из стальных труб Ду600 мм. Выходной оголовок с опорой из стальной трубы. Общий вид. Вариант 2 Водовыпуски из стальных труб Ду300 мм. Выходной оголовок. Спецификация Водовыпуски из стальных труб Ду400 мм. Выходной оголовок. Спецификация Водовыпуски из стальных труб Ду300 мм. Выходной оголовок. Общий вид Водовыпуски из стальных труб Ду400 мм. Выходной оголовок. Общий вид Зимняя ветвь трубопровода при Нз1 > 2,0 м. Спецификация Зимняя ветвь трубопровода при Нз1 = < 2,0 м. Спецификация Зимняя ветвь трубопровода при Нз1 = < 2,0 м Зимняя ветвь трубопровода при Нз1 > 2,0 м Водовыпуски из железобетонных труб Ду500 и 600 мм. Концевой участок водовыпуска с выходным оголовком ОВУм5 Водовыпуски из железобетонных труб Ду500 и 600 мм. Выходной оголовок ОВУм5. Спецификация Водовыпуски из железобетонных труб Ду500 мм. Выходной оголовок ОВУм5. Общий вид Водовыпуски из железобетонных труб Ду500 мм. Выходной оголовок ОВУм5. Схема армирования. Разрезы 1-1 - 3-3 Водовыпуски из железобетонных труб Ду500 мм. Выходной оголовок ОВУм5. Схема армирования. Разрезы 4-4 - 9-9 Водовыпуски из железобетонных труб Ду600 мм. Выходной оголовок ОВУм6. Спецификация Водовыпуски из железобетонных труб Ду600 мм. Выходной оголовок ОВУм6. Общий вид Водовыпуски из железобетонных труб Ду600 мм. Выходной оголовок ОВУм6. Схема армирования. Разрезы 1-1 - 3-3 Водовыпуски из железобетонных труб Ду600 мм. Выходной оголовок ОВУм6. Схема армирования. Разрезы 4-4 - 9-9 Сетка арматурная С1 Сетки арматурные С2, С3 Сетка арматурная С4 Сетка арматурная С5 Сетка арматурная С6 Сетка арматурная С7 Сетки арматурные С8, С8Н Сетки арматурные С9, С9Н Сетки арматурные С10, С11 Сетка арматурная С12 Сетка арматурная С13 Сетка арматурная С14 Сетка арматурная С15 Сетка арматурная С16 Сетка арматурная С17 Сетка арматурная С18 Сетка арматурная С19 Сетка арматурная С20 Сетка арматурная С21 Сетки арматурные С22, С23 Сетка арматурная С24 Сетка арматурная С25 Сетка арматурная С26 Сетка арматурная С27 Сетка арматурная С28 Сетка арматурная С29 Сетка арматурная С30 Сетка арматурная С31 Сетка арматурная С32 Сетка арматурная С33 Сетки арматурные С34, С35 Изделие закладное М1 Изделие закладное М2 Изделие закладное М3 | Разработан: | Ленгипроводхоз
| Утверждён: | 28.04.1992 Союзводпроект (873)
| Расположен в: |
|
                                                                                                 
|