Информационная система
«Ёшкин Кот»

Скачать базу одним архивом
Скачать обновления
История создания базы
Карта сайта

Скачать Типовой проект 708-76.93 Альбом 3. Электротехническая часть. Силовое электрооборудование. Силовое электрооборудование технологической аспирации. Электроосвещение. Связь и сигнализация

Дата актуализации: 10.08.2017

Типовой проект 708-76.93

Альбом 3. Электротехническая часть. Силовое электрооборудование. Силовое электрооборудование технологической аспирации. Электроосвещение. Связь и сигнализация

Обозначение: Типовой проект 708-76.93
Обозначение англ: 708-76.93
Статус:не определен законодательством
Название рус.:Альбом 3. Электротехническая часть. Силовое электрооборудование. Силовое электрооборудование технологической аспирации. Электроосвещение. Связь и сигнализация
Дата добавления в базу:01.10.2014
Дата актуализации:05.05.2017
Дата введения:06.12.1993
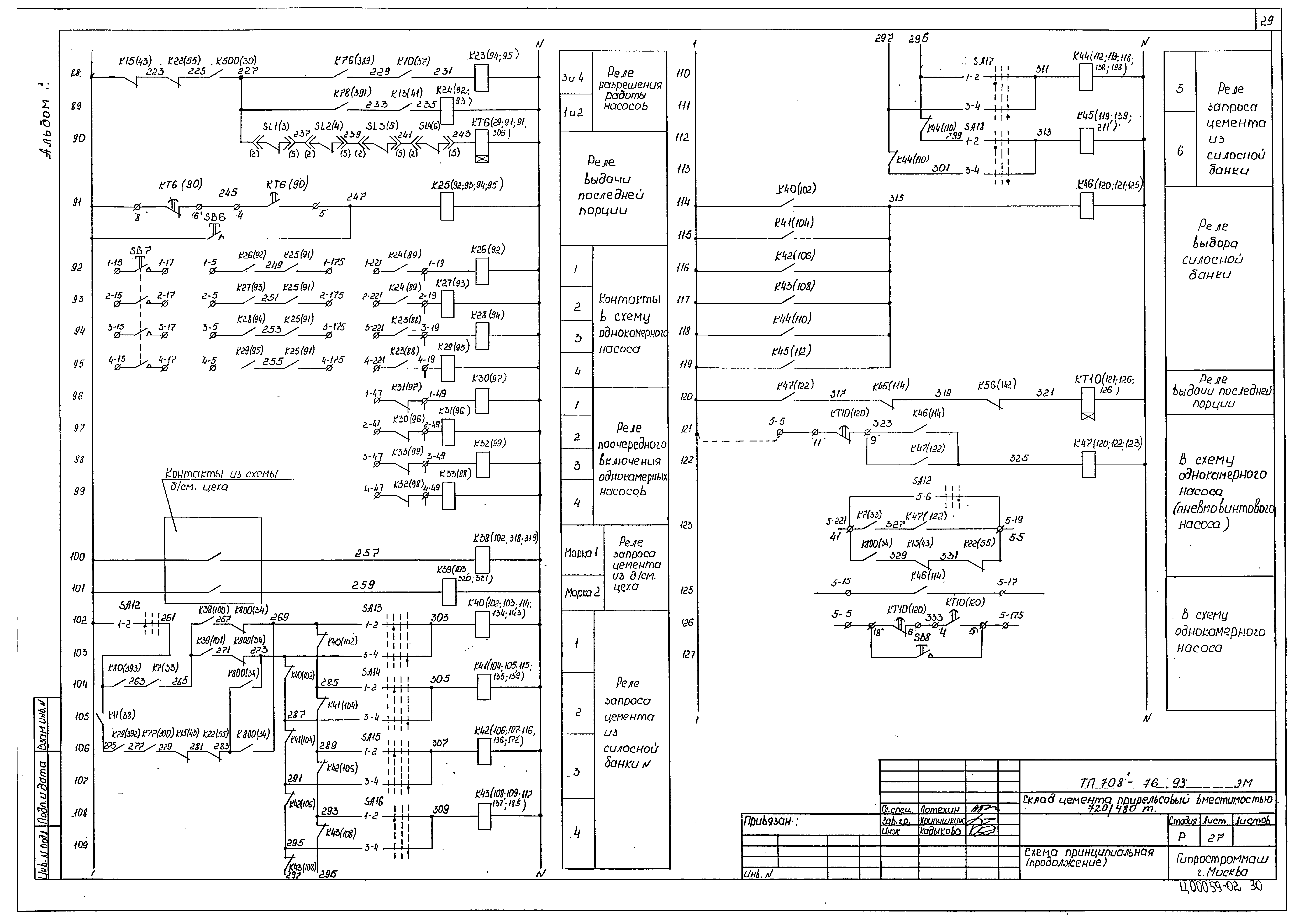
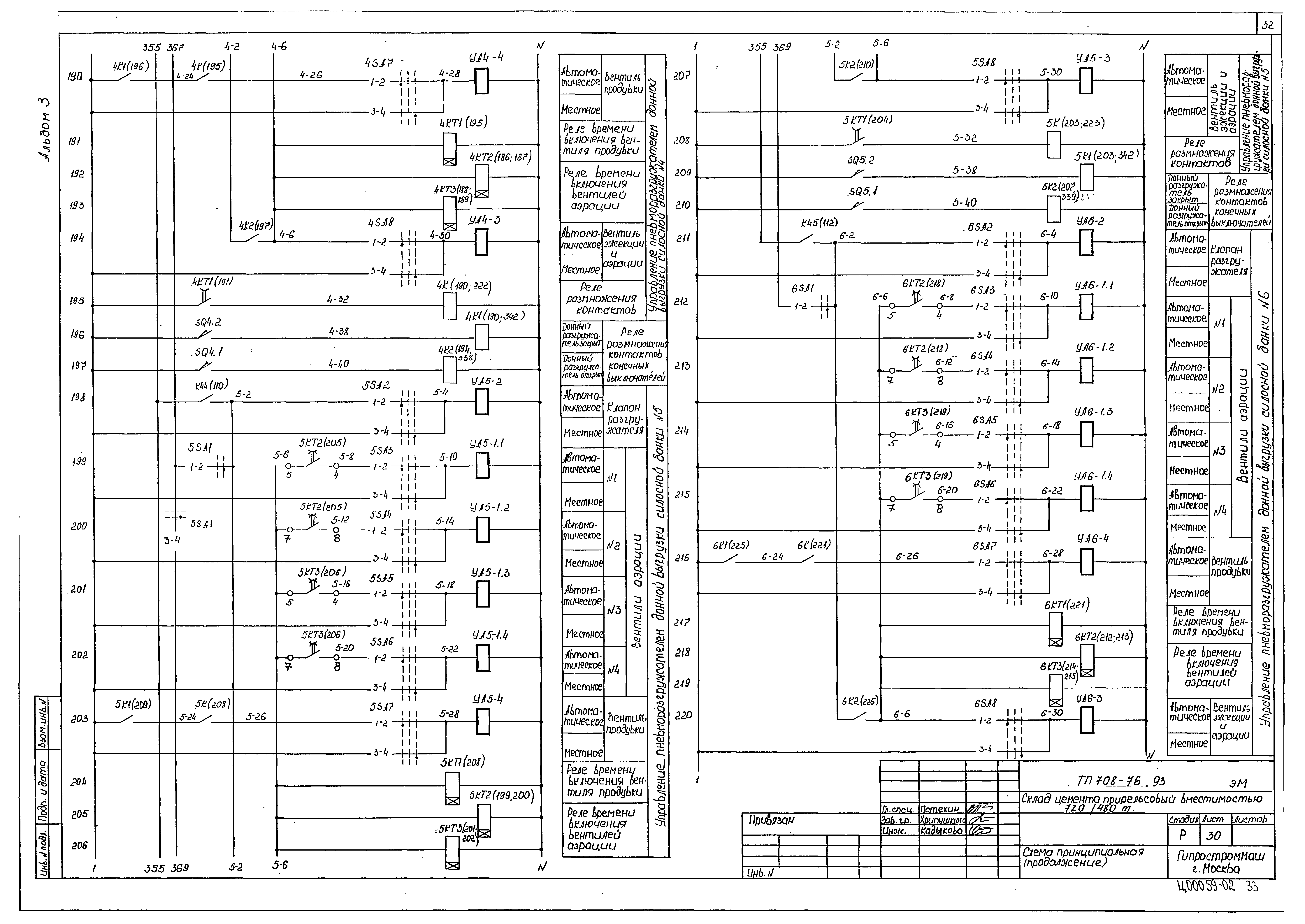
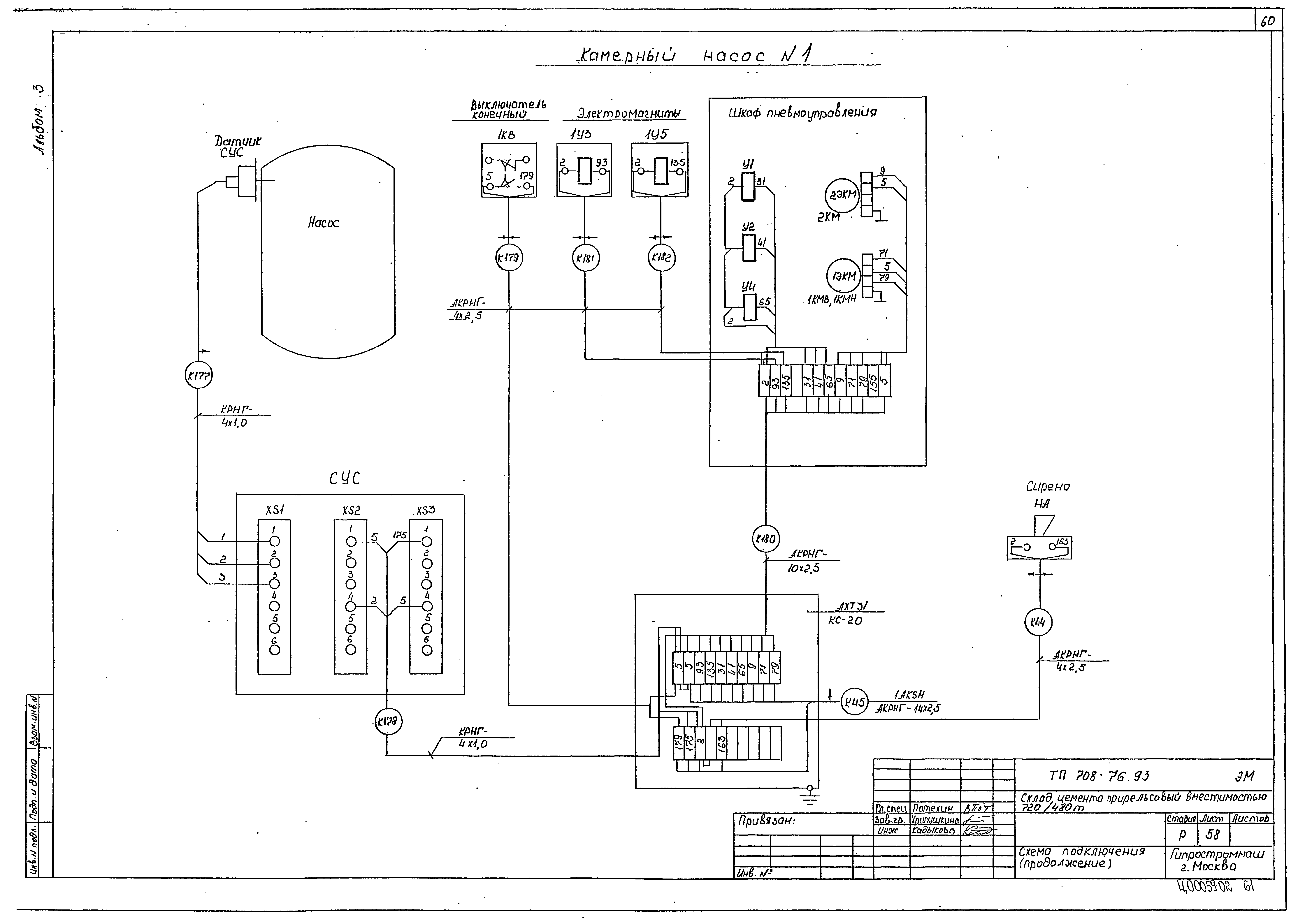
Оглавление:Содержание альбома
Силовое электрооборудование
   Общие данные
   Схема принципиальная распределительной сети
   Схема технологическая
   Схема принципиальная
   Насос камерный пневматический ТА-23Б. Схема электрическая принципиальная
   Схема принципиальная управления лебедкой
   Схема принципиальная сигнализации отклонения давления в сети
   Схема принципиальная управления пневмовинтовым насосом
   Схема подключения
   Кабельный журнал
   План расположения
   Заземление электрооборудования
   Ведомость объемов электромонтажных и строительных работ и задание МЭЗ
Силовое электрооборудование технологической аспирации
   Общие данные. Схема принципиальная
   Схема подключения
   Кабельный журнал и план расположения
   Ведомости на электрооборудование, кабельные изделия и материалы
Связь и сигнализация
   Общие данные. Устройства связи и сигнализации. Скелетные схемы
   Планы на отм. 0.000 и отм. 3.500
Электроосвещение
   Общие данные
   Планы сети электроосвещения
   Конструкция и установка светильников с лампой накаливания
   Коробка с выключателем и коробка со штепсельной розеткой
   Ведомости электрооборудования, кабельных изделий и материалов
Разработан: Гипростроммаш
Проектный институт №2
Утверждён:30.11.1993 Главпроект Госстроя России (9-3-1/254)
Расположен в:Техническая документация Строительство Справочные документы Типовые строительные конструкции, изделия и узлы Общероссийский строительный каталог Промышленные предприятия, здания и сооружения Предприятия, здания и сооружения складские Склады строительных материалов и изделий
Типовой проект 708-76.93Типовой проект 708-76.93Типовой проект 708-76.93Типовой проект 708-76.93Типовой проект 708-76.93Типовой проект 708-76.93Типовой проект 708-76.93Типовой проект 708-76.93Типовой проект 708-76.93Типовой проект 708-76.93Типовой проект 708-76.93Типовой проект 708-76.93Типовой проект 708-76.93Типовой проект 708-76.93Типовой проект 708-76.93Типовой проект 708-76.93Типовой проект 708-76.93Типовой проект 708-76.93Типовой проект 708-76.93Типовой проект 708-76.93Типовой проект 708-76.93Типовой проект 708-76.93Типовой проект 708-76.93Типовой проект 708-76.93Типовой проект 708-76.93Типовой проект 708-76.93Типовой проект 708-76.93Типовой проект 708-76.93Типовой проект 708-76.93Типовой проект 708-76.93Типовой проект 708-76.93Типовой проект 708-76.93Типовой проект 708-76.93Типовой проект 708-76.93Типовой проект 708-76.93Типовой проект 708-76.93Типовой проект 708-76.93Типовой проект 708-76.93Типовой проект 708-76.93Типовой проект 708-76.93Типовой проект 708-76.93Типовой проект 708-76.93Типовой проект 708-76.93Типовой проект 708-76.93Типовой проект 708-76.93Типовой проект 708-76.93Типовой проект 708-76.93Типовой проект 708-76.93Типовой проект 708-76.93Типовой проект 708-76.93Типовой проект 708-76.93Типовой проект 708-76.93Типовой проект 708-76.93Типовой проект 708-76.93Типовой проект 708-76.93Типовой проект 708-76.93Типовой проект 708-76.93Типовой проект 708-76.93Типовой проект 708-76.93Типовой проект 708-76.93Типовой проект 708-76.93Типовой проект 708-76.93Типовой проект 708-76.93Типовой проект 708-76.93Типовой проект 708-76.93Типовой проект 708-76.93Типовой проект 708-76.93Типовой проект 708-76.93Типовой проект 708-76.93Типовой проект 708-76.93Типовой проект 708-76.93Типовой проект 708-76.93Типовой проект 708-76.93Типовой проект 708-76.93Типовой проект 708-76.93Типовой проект 708-76.93Типовой проект 708-76.93Типовой проект 708-76.93Типовой проект 708-76.93Типовой проект 708-76.93Типовой проект 708-76.93Типовой проект 708-76.93Типовой проект 708-76.93Типовой проект 708-76.93Типовой проект 708-76.93Типовой проект 708-76.93Типовой проект 708-76.93Типовой проект 708-76.93Типовой проект 708-76.93Типовой проект 708-76.93Типовой проект 708-76.93Типовой проект 708-76.93Типовой проект 708-76.93Типовой проект 708-76.93

© 2013 Ёшкин Кот :-) Карта сайта