Скачать Типовые проектные решения 704-3-055.93 Альбом III. Строительные изделияДата актуализации: 10.08.2017 Типовые проектные решения 704-3-055.93
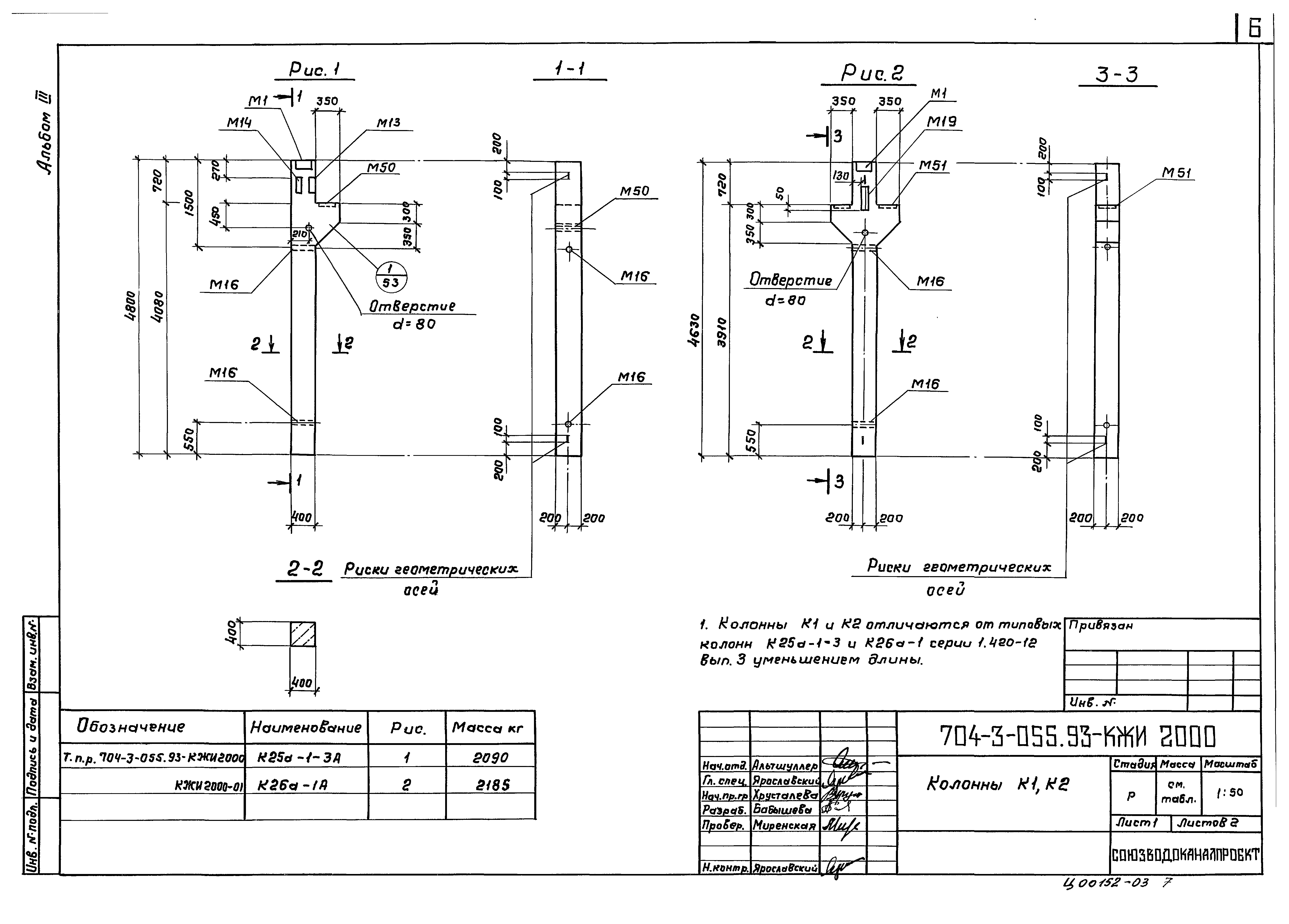
Альбом III. Строительные изделияОбозначение: | Типовые проектные решения 704-3-055.93 | Обозначение англ: | 704-3-055.93 | Статус: | cправочные материалы, мп, тпр | Название рус.: | Альбом III. Строительные изделия | Дата добавления в базу: | 01.10.2014 | Дата актуализации: | 05.05.2017 | Дата введения: | 28.12.1993 | Оглавление: | Содержание альбома Технические требования Каркас КР1 Каркас КР2 Сетки С1, С2, С3 Колонна К1, К2. Опалубочный чертеж Колонна К1, К2. Арматурный чертеж Пространственный каркас ПК1-3А Пространственный каркас ПК-3А Каркас плоский КР3 Каркас плоский КР4 Ригель Б8-1 Ригель Б9-2А Стеновая панель ПС1 Стеновая панель ПС2 Стеновая панель ПС3 Стеновая панель ПС4 Плита перекрытия ПН15А Опорное кольцо КО6А Закладные изделия МН1, МН2 Закладное изделие МН3 | Разработан: | ГПИ Союзводоканалпроект
| Утверждён: | 16.12.1993 Госстрой России (Russian Federation Gosstroy 9-3-3/288)
| Расположен в: |
|
              
|