Информационная система
«Ёшкин Кот»

Скачать базу одним архивом
Скачать обновления
История создания базы
Карта сайта

Скачать Типовые материалы для проектирования 407-03-474.87 Альбом 2. Схемы электрические принципиальные

Дата актуализации: 10.08.2017

Типовые материалы для проектирования 407-03-474.87

Альбом 2. Схемы электрические принципиальные

Обозначение: Типовые материалы для проектирования 407-03-474.87
Обозначение англ: 407-03-474.87
Статус:cправочные материалы, мп, тпр
Название рус.:Альбом 2. Схемы электрические принципиальные
Дата добавления в базу:01.10.2014
Дата актуализации:05.05.2017
Дата введения:10.05.1988
Оглавление:Общие данные
Двухмашинная схема и ее расчетная схема замещения
Трехмашинная схема и ее расчетная схема замещения
Выбор характеристик срабатывания реагирующих органов фиксации перегрузки межсистемной связи
Виды фазовых траекторий при различных аварийных возмущениях
Структурная схема шкафа автоматики типа ЩДЭ-2601
Принципиальная схема шкафа автоматики типа ЩДЭ-2601
Структурная схема блока моделирования. Электрическая схема входных цепей реле максимального напряжения
Структурная схема датчика разности фаз, датчика измерения частоты
Структурная схема блока контроля исправности датчика разности фаз (блоки К-201 и А-603)
Структурная схема измерительной части устройства фиксации перегрузки
Структурная схема логической части устройства фиксации перегрузки межсистемной связи в 2-х машинной схеме
Устройство фиксации перегрузки межсистемной связи. Вариант 1. Структурная схема
Устройство фиксации перегрузки межсистемной связи. Вариант 1. Цепи логики
Устройство фиксации перегрузки межсистемной связи. Вариант 1. Выходные цепи
Устройство фиксации перегрузки межсистемной связи. Вариант 2. Структурная схема
Устройство фиксации перегрузки межсистемной связи. Вариант 2. Измерительные цепи шкафа ЩДЭ-2601
Устройство фиксации перегрузки межсистемной связи. Вариант 2. Цепи питания
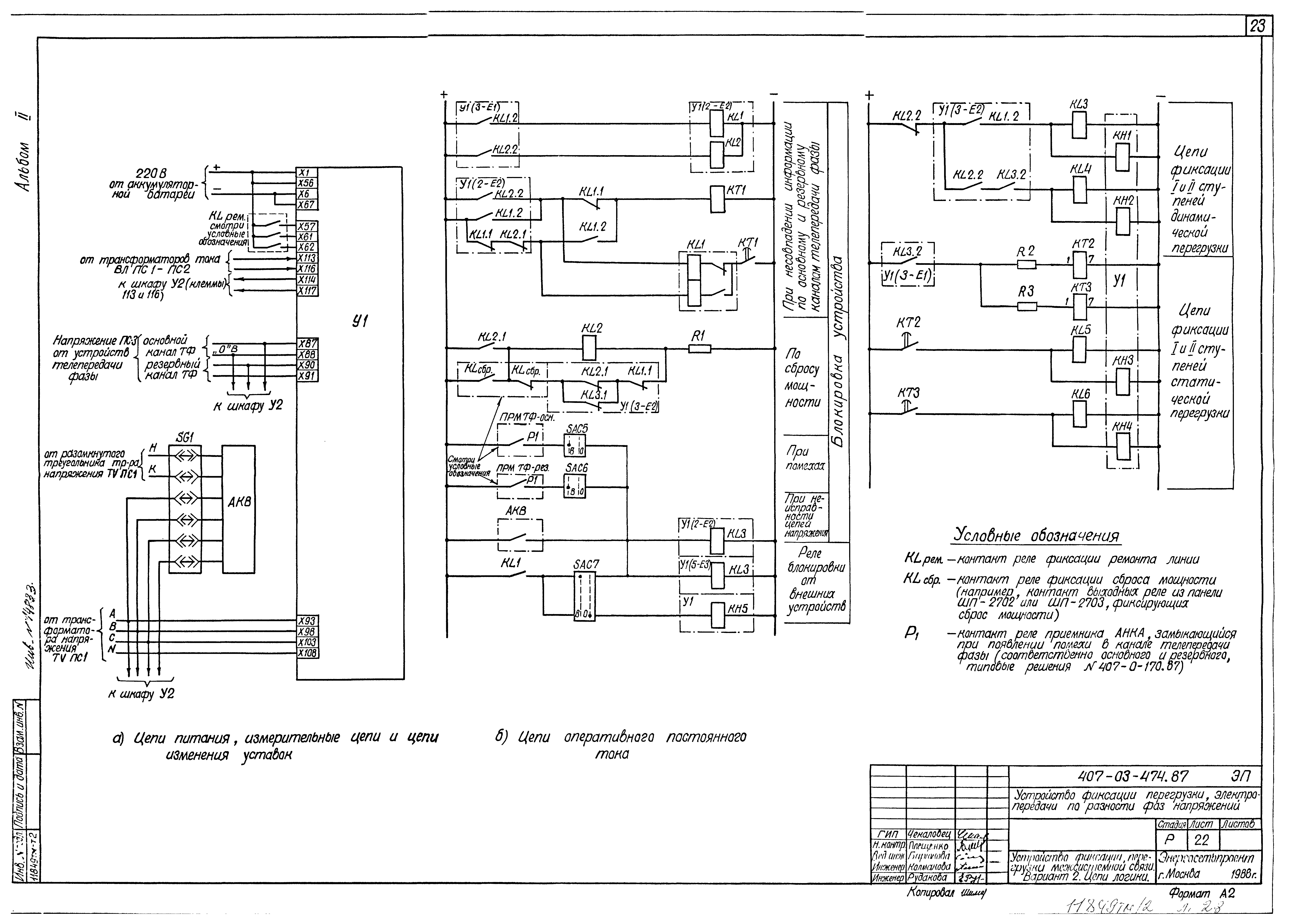
Устройство фиксации перегрузки межсистемной связи. Вариант 2. Цепи логики
Устройство фиксации перегрузки межсистемной связи. Вариант 2. Выходные цепи
Фасад шкафа ЩДЭ-2601
Разработан: Энергосетьпроект
Утверждён:10.05.1988 Минэнерго СССР (USSR Minenergo 3)
Расположен в:Техническая документация Строительство Справочные документы Типовые строительные конструкции, изделия и узлы Общероссийский строительный каталог Промышленные предприятия, здания и сооружения Предприятия, здания и сооружения промышленности и электроэнергетики Электроэнергетика Схемы электрические для подстанций и линий электропередачи
Типовые материалы для проектирования 407-03-474.87Типовые материалы для проектирования 407-03-474.87Типовые материалы для проектирования 407-03-474.87Типовые материалы для проектирования 407-03-474.87Типовые материалы для проектирования 407-03-474.87Типовые материалы для проектирования 407-03-474.87Типовые материалы для проектирования 407-03-474.87Типовые материалы для проектирования 407-03-474.87Типовые материалы для проектирования 407-03-474.87Типовые материалы для проектирования 407-03-474.87Типовые материалы для проектирования 407-03-474.87Типовые материалы для проектирования 407-03-474.87Типовые материалы для проектирования 407-03-474.87Типовые материалы для проектирования 407-03-474.87Типовые материалы для проектирования 407-03-474.87Типовые материалы для проектирования 407-03-474.87Типовые материалы для проектирования 407-03-474.87Типовые материалы для проектирования 407-03-474.87Типовые материалы для проектирования 407-03-474.87Типовые материалы для проектирования 407-03-474.87Типовые материалы для проектирования 407-03-474.87Типовые материалы для проектирования 407-03-474.87Типовые материалы для проектирования 407-03-474.87Типовые материалы для проектирования 407-03-474.87Типовые материалы для проектирования 407-03-474.87Типовые материалы для проектирования 407-03-474.87

© 2013 Ёшкин Кот :-) Карта сайта