Информационная система
«Ёшкин Кот»

Скачать базу одним архивом
Скачать обновления
История создания базы
Карта сайта

Скачать Типовой проект 902-3-90.90 Альбом 3. Конструкции железобетонные (из ТП 902-3-89.90)

Дата актуализации: 10.08.2017

Типовой проект 902-3-90.90

Альбом 3. Конструкции железобетонные (из ТП 902-3-89.90)

Обозначение: Типовой проект 902-3-90.90
Обозначение англ: 902-3-90.90
Статус:не определен законодательством
Название рус.:Альбом 3. Конструкции железобетонные (из ТП 902-3-89.90)
Дата добавления в базу:01.10.2014
Дата актуализации:05.05.2017
Дата введения:09.10.1990
Оглавление:Общие данные
Аэротенки А1 - А15. Разрез 1-1
Отстойники От1 - От3. Разрез 1-1
Отстойники От5 - От8. Разрезы
Контактные резервуары Кр1 - Кр5. Камера переключения Кп1. Приемная камера Пк1
Спецификация элементов к сооружениям
Детали крепления эжектора, трубопроводов. Деталь заделки трубопровода в патрубок
Детали установки технологического трубопровода, крепление струенаправляющего щита и решетки в аэротенке
Детали крепления кругового лотка, плавающей загрузки, эжектора
Схема расположения подводящих лотков для производительности 25, 50, 100 куб. м/сутки
Схема расположения подводящих лотков для производительности 25, 50, 100 куб. м/сутки. Разрезы
Схема расположения подводящих лотков для производительности 12 куб. м/сутки
Схема расположения подводящих лотков для производительности 12 куб. м/сутки. Разрезы
Монолитные лотки Л1 и Л2. Опалубочный чертеж. Разрезы
Монолитные лотки Л1 и Л2. Армирование. Разрезы
Монолитные лотки Л1 и Л2. Спецификации
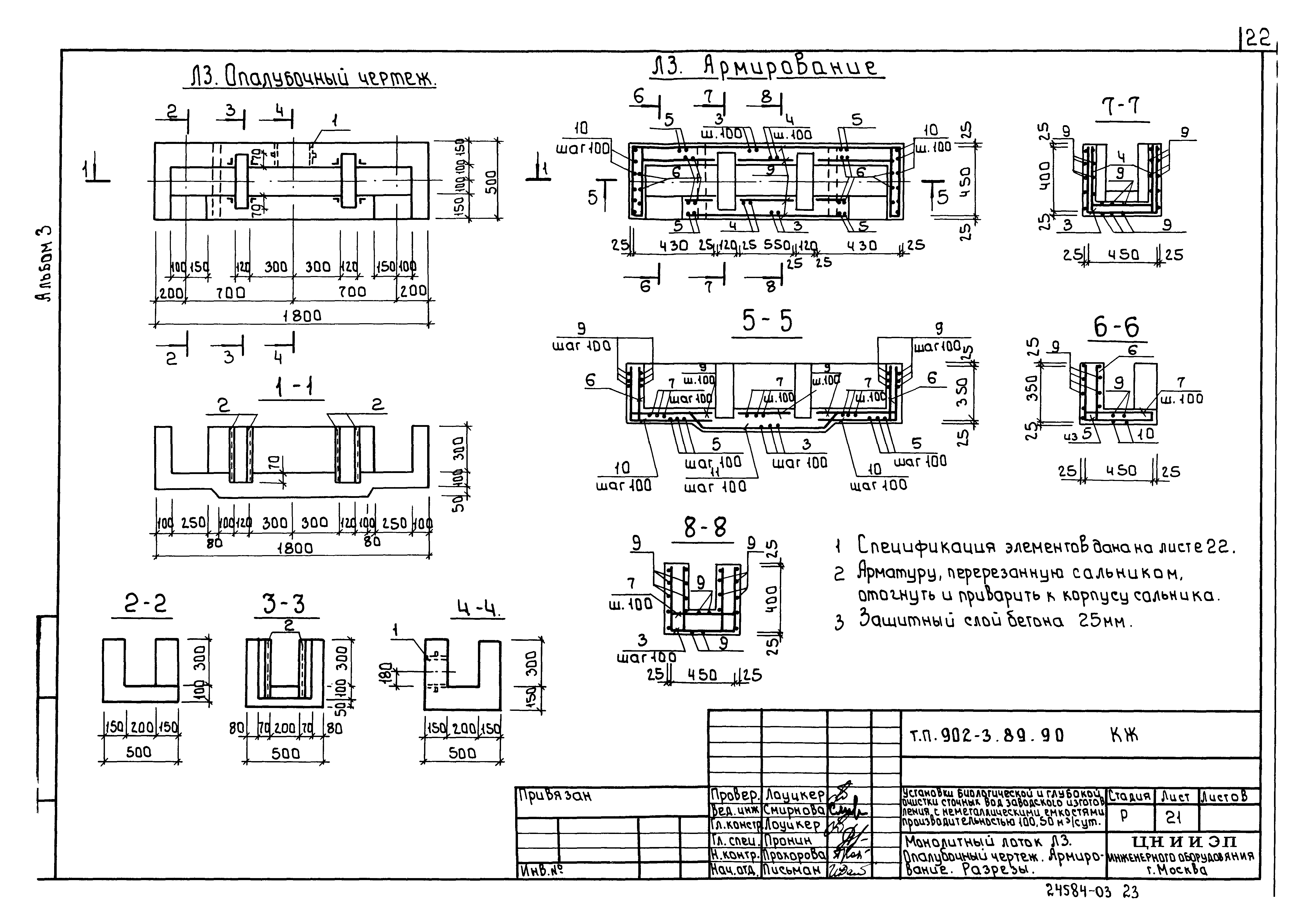
Монолитный лоток Л3. Опалубочный чертеж. Армирование. Разрезы
Монолитный лоток Л3. Спецификации
Блок-контейнер для насосов. План. Разрезы
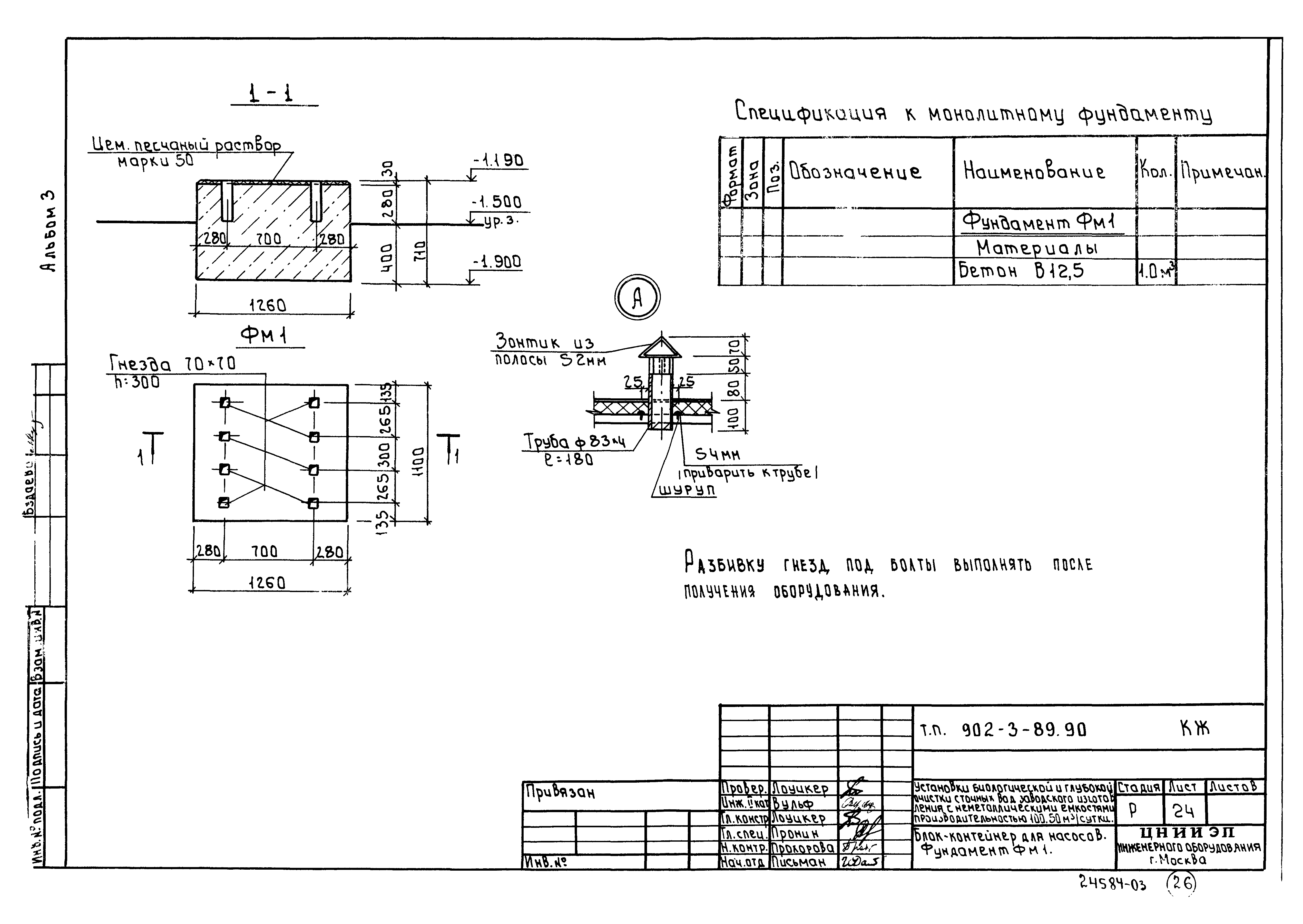
Блок-контейнер для насосов. Фундамент Фм1
Разработан: ЦНИИЭП иженерного оборудования
Утверждён:09.10.1990 Госкомархитектура (167)
Издан: АПП ЦИТП (1991 г. )
Расположен в:Техническая документация Строительство Справочные документы Типовые строительные конструкции, изделия и узлы Общероссийский строительный каталог Промышленные предприятия, здания и сооружения Здания и сооружения санитарно-технические Канализация Сооружения биологической (биохимической) очистки Станции биологической очистки сточных вод
Заменяет собой:
Типовой проект 902-3-90.90Типовой проект 902-3-90.90Типовой проект 902-3-90.90Типовой проект 902-3-90.90Типовой проект 902-3-90.90Типовой проект 902-3-90.90Типовой проект 902-3-90.90Типовой проект 902-3-90.90Типовой проект 902-3-90.90Типовой проект 902-3-90.90Типовой проект 902-3-90.90Типовой проект 902-3-90.90Типовой проект 902-3-90.90Типовой проект 902-3-90.90Типовой проект 902-3-90.90Типовой проект 902-3-90.90Типовой проект 902-3-90.90Типовой проект 902-3-90.90Типовой проект 902-3-90.90Типовой проект 902-3-90.90Типовой проект 902-3-90.90Типовой проект 902-3-90.90Типовой проект 902-3-90.90Типовой проект 902-3-90.90Типовой проект 902-3-90.90Типовой проект 902-3-90.90Типовой проект 902-3-90.90

© 2013 Ёшкин Кот :-) Карта сайта