Информационная система
«Ёшкин Кот»

Скачать базу одним архивом
Скачать обновления
История создания базы
Карта сайта

Скачать Типовой проект 503-1-67.87 Альбом IV. Силовое электрооборудование. Электрическое освещение. Автоматизация производства. Связь и сигнализация

Дата актуализации: 10.08.2017

Типовой проект 503-1-67.87

Альбом IV. Силовое электрооборудование. Электрическое освещение. Автоматизация производства. Связь и сигнализация

Обозначение: Типовой проект 503-1-67.87
Обозначение англ: 503-1-67.87
Статус:не определен законодательством
Название рус.:Альбом IV. Силовое электрооборудование. Электрическое освещение. Автоматизация производства. Связь и сигнализация
Дата добавления в базу:01.10.2014
Дата актуализации:05.05.2017
Дата введения:17.08.1987
Оглавление:Содержание альбома
Силовое электрооборудование
   Общие данные
   Питающая сеть 380/220 В. Принципиальная схема
   Распределительная сеть 380/220 В. Принципиальная схема
   План расположения подстанции, заземления и зануления
   Планы расположения электрооборудования и прокладки питающей и распределительной сетей на отм. 0.000; 3.600; 4.800 и кровле
   План расположения электрооборудования и прокладки распределительной сети на отм. 0.000
   План расположения электрооборудования и прокладки распределительной сети на отм. 0.000; 3.000
   Планы заземления и зануления на отм. 0.000; 3.600; 4.800
   Планы зануления на отм. 0.000; 3.000
   Схема расположения молниезащиты. План прокладки троллейных линий
   Опросный лист для заказа КТП-250-6-10/0,4-113П-80У3, Y/Yн-11 Армэлектрозавода
Электрическое освещение
   Общие данные
   План расположения электрического оборудования и прокладки электрических сетей на отм. 0.000
   Принципиальная схема питающей сети. План расположения электрического оборудования и прокладки электрических сетей смотровой канавы СК-1. Фрагмент 1
   Планы расположения электрического оборудования и прокладки электрических сетей на отм. 0.000; 3.600 и 4.800, смотровой канавы СК-2. Фрагмент 2
   Планы расположения электрического оборудования и прокладки электрических сетей на отм. 0.000 и 3.000
   Установка светильника с лампой ДРИ на подвесе под перекрытием
Автоматизация производства
   Общие данные
   Приточные системы П1…П3; П6…П8; П10, П11. Схемы автоматизации
   Приточные системы П4, П5, П9. Схема автоматизации
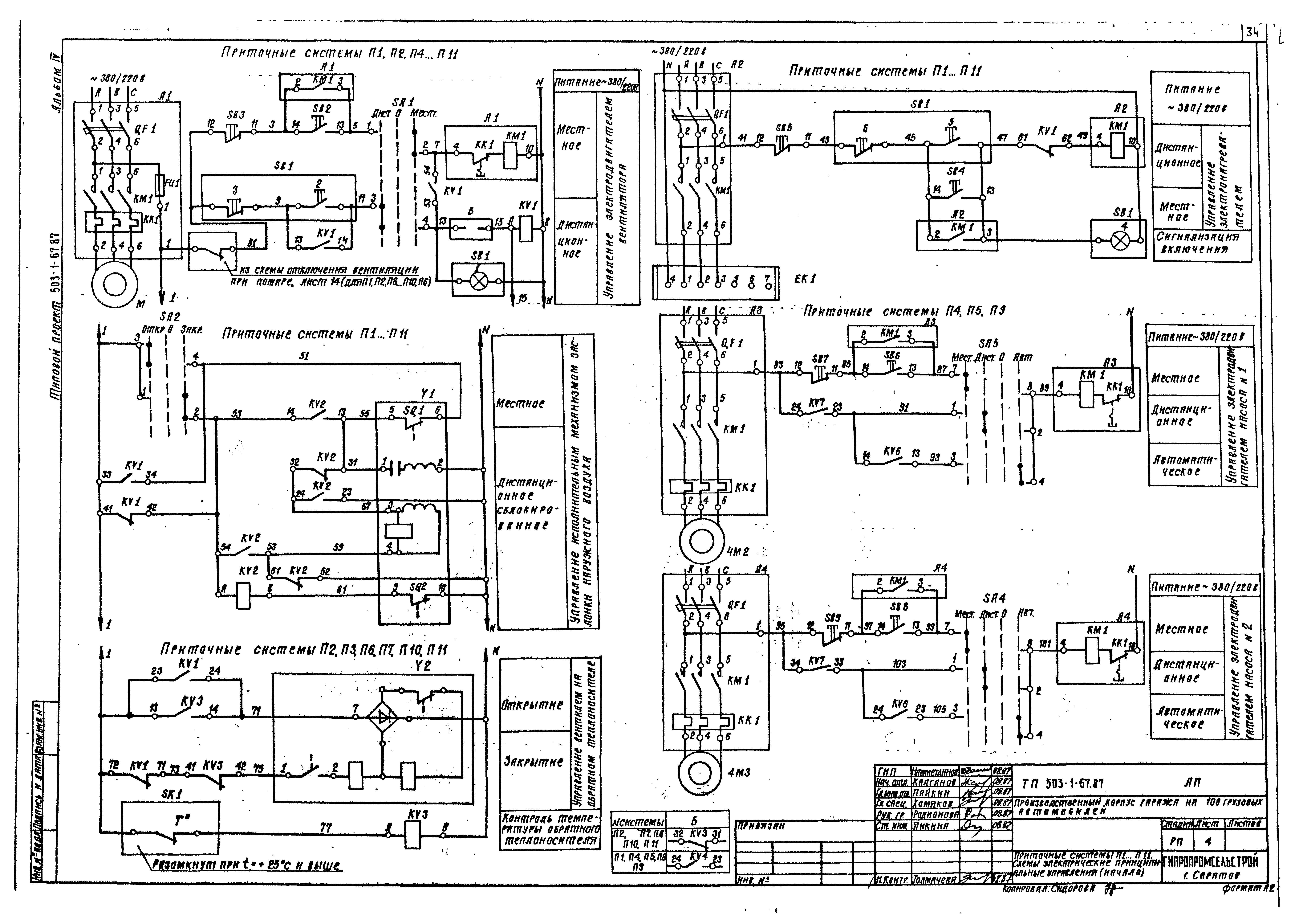
   Приточные системы П1…П11. Схемы электрические принципиальные управления
   Приточные системы П1, П4, П5, П8, П9. Схема электрическая принципиальная регулирования
   Приточные системы П1…П11. Схемы соединений внешних проводок
   Вытяжная система В5. Приводы 23, 95. Схемы электрическая принципиальная управления, подключения
   Вытяжная система В8. Схемы электрическая принципиальная управления, подключения
   Отключение вентиляции при пожаре. Схемы электрическая принципиальная, соединений внешних проводок
   Конвейер ОТ-5537, уч. 10, поз. 4. Привод 77. Схемы электрическая принципиальная управления, подключения
   Планы расположения
Связь и сигнализация
   Общие данные
   Спецификация
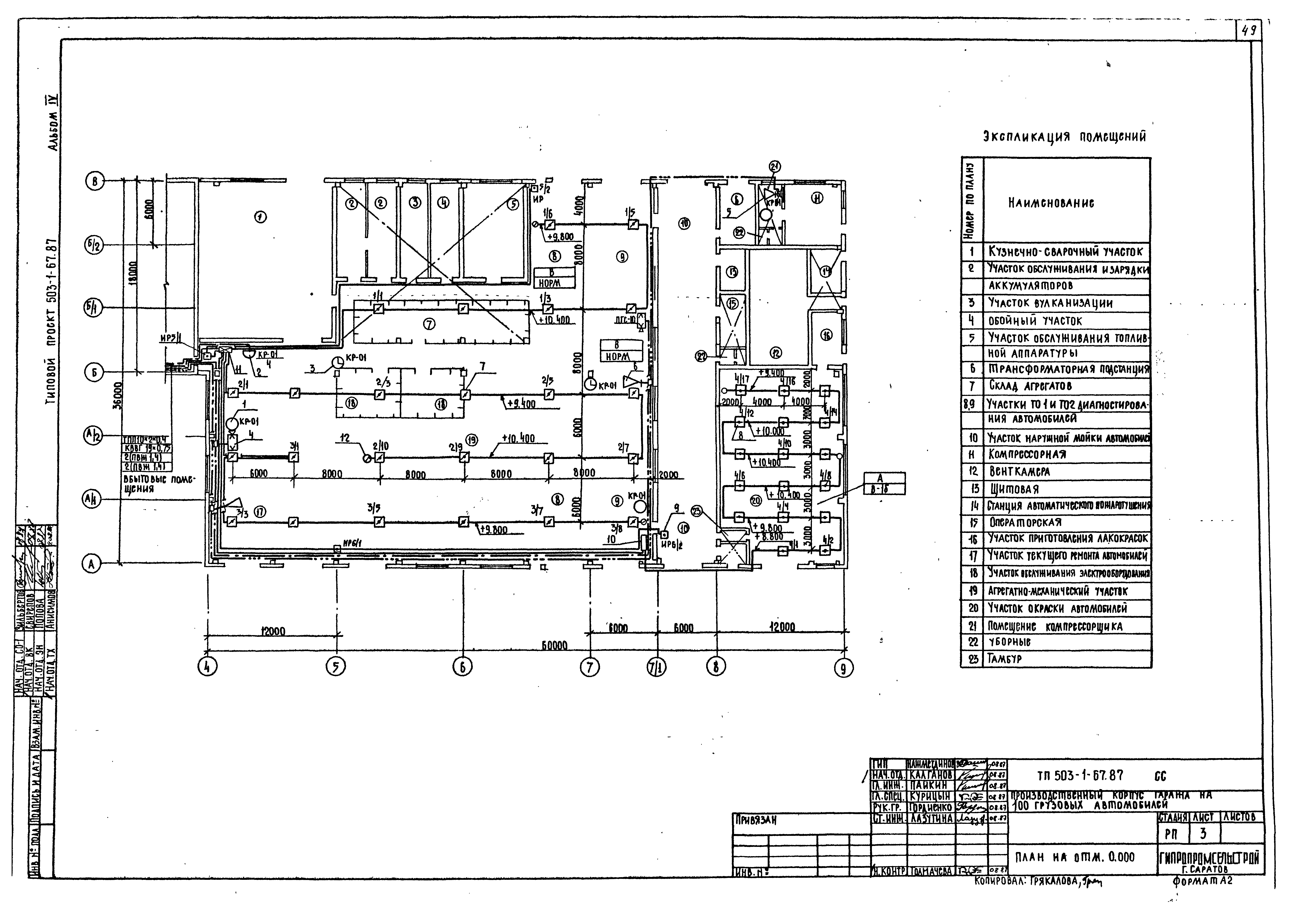
   План на отм. 0.000
   Схема подключения
   Планы на отм. 0.000 и 3.000
Разработан: Гипропромсельстрой
Утверждён:17.08.1987 Гипропромсельстрой (356)
Расположен в:Техническая документация Строительство Справочные документы Типовые строительные конструкции, изделия и узлы Общероссийский строительный каталог Промышленные предприятия, здания и сооружения Предприятия, здания и сооружения транспорта Транспорт автомобильный Предприятия автотранспортные, гаражи и стоянки для грузовых автомобилей и механизмов
Типовой проект 503-1-67.87Типовой проект 503-1-67.87Типовой проект 503-1-67.87Типовой проект 503-1-67.87Типовой проект 503-1-67.87Типовой проект 503-1-67.87Типовой проект 503-1-67.87Типовой проект 503-1-67.87Типовой проект 503-1-67.87Типовой проект 503-1-67.87Типовой проект 503-1-67.87Типовой проект 503-1-67.87Типовой проект 503-1-67.87Типовой проект 503-1-67.87Типовой проект 503-1-67.87Типовой проект 503-1-67.87Типовой проект 503-1-67.87Типовой проект 503-1-67.87Типовой проект 503-1-67.87Типовой проект 503-1-67.87Типовой проект 503-1-67.87Типовой проект 503-1-67.87Типовой проект 503-1-67.87Типовой проект 503-1-67.87Типовой проект 503-1-67.87Типовой проект 503-1-67.87Типовой проект 503-1-67.87Типовой проект 503-1-67.87Типовой проект 503-1-67.87Типовой проект 503-1-67.87Типовой проект 503-1-67.87Типовой проект 503-1-67.87Типовой проект 503-1-67.87Типовой проект 503-1-67.87Типовой проект 503-1-67.87Типовой проект 503-1-67.87Типовой проект 503-1-67.87Типовой проект 503-1-67.87Типовой проект 503-1-67.87Типовой проект 503-1-67.87Типовой проект 503-1-67.87Типовой проект 503-1-67.87Типовой проект 503-1-67.87Типовой проект 503-1-67.87Типовой проект 503-1-67.87Типовой проект 503-1-67.87Типовой проект 503-1-67.87Типовой проект 503-1-67.87Типовой проект 503-1-67.87Типовой проект 503-1-67.87Типовой проект 503-1-67.87Типовой проект 503-1-67.87Типовой проект 503-1-67.87

© 2013 Ёшкин Кот :-) Карта сайта