Скачать ЕНВиР Часть 16 Электрические и воздуходувные станции, котельные, коммуникации и сооружения электроснабжения и теплоснабжения. Раздел 2. ЭлектротехническийДата актуализации: 10.08.2017 ЕНВиР Часть 16
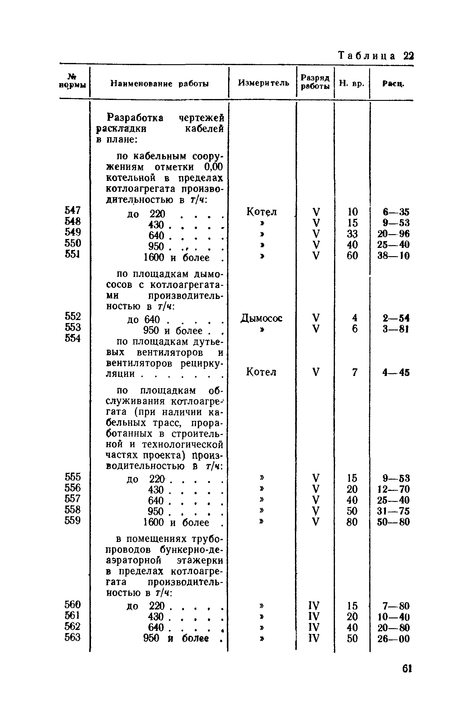
Электрические и воздуходувные станции, котельные, коммуникации и сооружения электроснабжения и теплоснабжения. Раздел 2. ЭлектротехническийОбозначение: | ЕНВиР Часть 16 | Обозначение англ: | Часть 16 | Статус: | заменен | Название рус.: | Электрические и воздуходувные станции, котельные, коммуникации и сооружения электроснабжения и теплоснабжения. Раздел 2. Электротехнический | Дата добавления в базу: | 01.10.2014 | Дата актуализации: | 05.05.2017 | Дата введения: | 30.11.1978 | Область применения: | Документом предусматриваются нормы времени и расценки на сдельно оплачиваемые работы по проектированию электрических и воздуходувных станций, котельных, коммуникаций и сооружений электроснабжения и теплоснабжения. | Оглавление: | Технические условия А. Схемы первичной и вторичной коммутации, задания заводам и задания на выполнение других частей проекта, конструктивные чертежи и раскладка кабелей по станциям и подстанциям Главные схемы электрических соединений электростанций и подстанций Схемы электрических соединений собственных нужд электростанций Принципиальные схемы вторичных соединений, автоматики и блокировки Принципиальные схемы теплотехнического контроля, автоматического регулирования дистанционного управления и защит Полные схемы вторичных соединений Монтажные схемы Задания заводам на изготовление комплектных электротехнических устройств Компоновка электротехнического оборудования электростанций и разработка строительных заданий на помещения, полы и фундаменты под оборудование (без кабельных сооружений) Шинные мосты, комплектные шинопроводы и гибкие связи Кабельные журналы и раскладка кабелей Схемы кабельных и трубных соединений Трассы кабельных и трубных соединений Строительные задания на кабельные сооружения Расстановка конструкций для прокладки кабелей и разводки воздухопроводов сжатого воздуха Открытые и закрытые распределительные устройства и установка трансформаторов и автотрансформаторов Установка синхронных компенсаторов Защитное заземление и грозозащита Задания на выполнение других частей проекта Автоматическое регулирование частоты и активной мощности (САУРЧМ) или напряжения и реактивной мощности (САРНМ) для блоков 800 Мвт и выше Релейная защита элементов электростанций Спецификации и составление объемов работ для смет Разные работы Б. Релейная защита и автоматика сетей, релейная защита подстанций Релейная защита и автоматика сетей напряжением 3 - 500 кВ Релейная защита подстанций с высшим напряжением 3 - 500 кВ Расчеты и поясняющие схемы В. Расчеты устойчивости системы Подготовительные расчеты для работы на модели сетей переменного тока Расчеты устойчивости энергосистем на модели сетей переменного тока Аналитические расчеты устойчивости и электрических режимов энергосистем Г. Экспериментальные лабораторные проверки аппаратов, реле и комплектных устройств, схем релейной защиты, автоматики, телемеханики, моделирования на машинах непрерывного действия, КИП и вторичных схем соединений Испытания аппаратов Испытания реле, приборов и автоматических устройств Испытании комплектных устройств, схем релейной защиты и схем моделирования на МНД, автоматики, телемеханики, КИП и вторичных схем соединений Отдельные измерения, снятие и настройка характеристик Д. Расчет аппаратов и реле Перечень проектных организаций, принимавших участие в разработке раздела 2 "Электротехнический" части 16 ЕНВиР | Разработан: | Энергосетьпроект Минэнерго СССР Теплоэлектропроект
| Утверждён: | Госстрой СССР (Государственный комитет Совета Министров СССР по делам строительства) (USSR Gosstroy ) ВЦСПС (VTsSPS ) Государственный комитет Совета Министров СССР по вопросам труда и заработной платы
| Издан: | Издательство литературы по строительству (1973 г. )
| Расположен в: |
| Список изменений: | | Чем заменён: | | Нормативные ссылки: | |
                                                                                                                                                             
Текстовое изменение опечатка
|