Информационная система
«Ёшкин Кот»

Скачать базу одним архивом
Скачать обновления
История создания базы
Карта сайта

Скачать Типовой проект 704-1-54 Альбом IV. Оборудование резервуара с понтоном для нефти и бензина

Дата актуализации: 10.08.2017

Типовой проект 704-1-54

Альбом IV. Оборудование резервуара с понтоном для нефти и бензина

Обозначение: Типовой проект 704-1-54
Обозначение англ: 704-1-54
Статус:действует
Название рус.:Альбом IV. Оборудование резервуара с понтоном для нефти и бензина
Дата добавления в базу:01.10.2014
Дата актуализации:05.05.2017
Оглавление:Содержание альбома
Пояснительная записка
Общий вид оборудования резервуара
Спецификация
Установка приемо-раздаточного патрубка Ду200. Узел "А"
Установка приемо-раздаточного патрубка Ду250. Узел "А"
Установка приемо-раздаточного патрубка Ду300. Узел "А"
Установка огневого предохранителя ОП-200
Установка огневого предохранителя ОП-250
Установка винтовых мешалок
Подогревательная система и система предотвращения выпадения осадков
Общий вид "размывающей головки"
Опора скользящая под трубу Ду200
Опора скользящая под трубу Ду250
Опора скользящая под трубу Ду300
Подогреватель секционный ПС-1
Опора под секционный подогреватель. Опора для трубопроводов
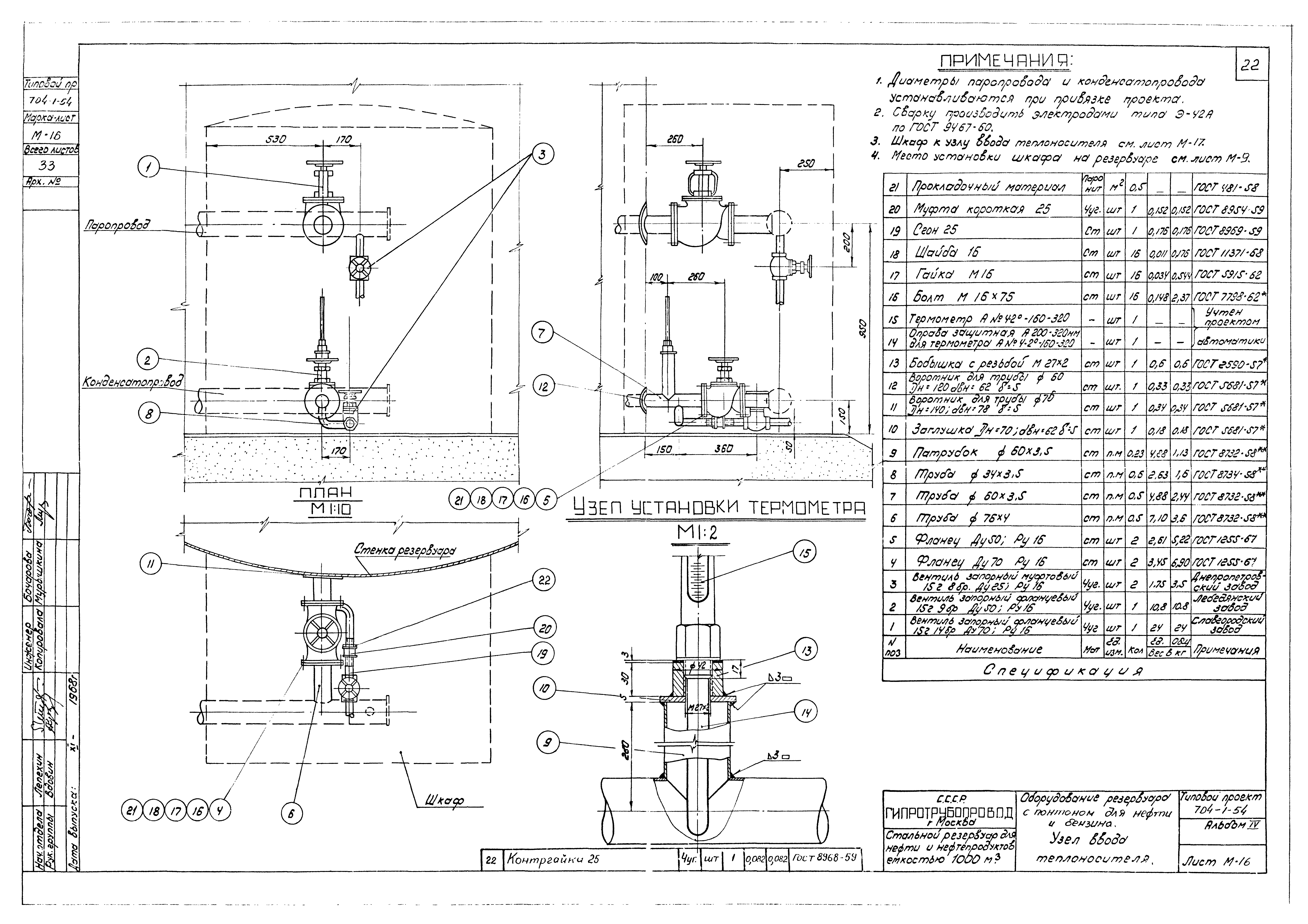
Узел ввода теплоносителя
Шкаф к паровому узлу секционных подогревателей. Общий вид
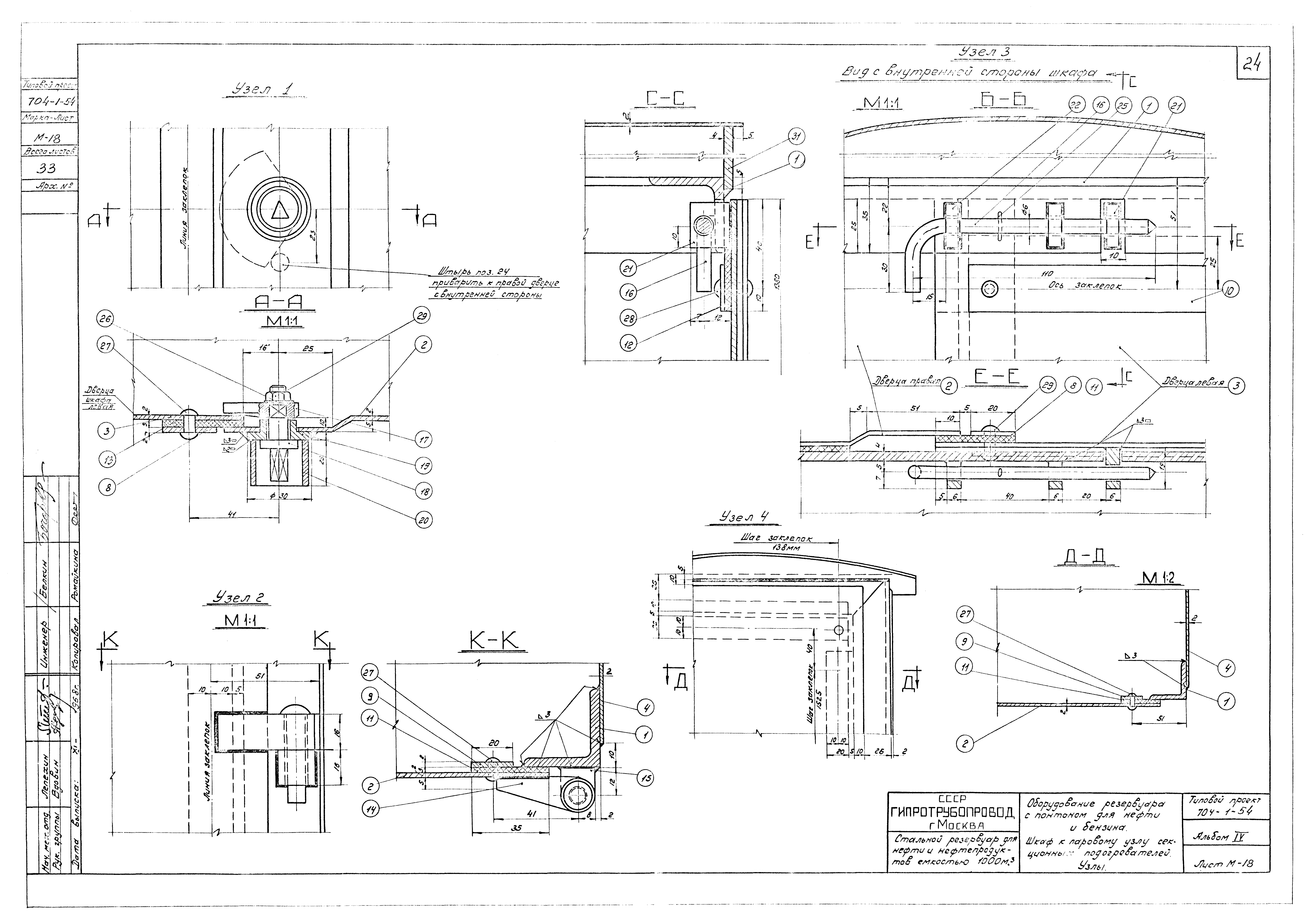
Шкаф к паровому узлу секционных подогревателей. Узлы
Шкаф к паровому узлу секционных подогревателей. Детали
Принципиальная схема автоматизации для резервуара с подогревом
Принципиальная схема автоматизации для резервуара без подогрева
Установка указателя уровня УДУ-5
Установка пробоотборника ПСР-7
Грозозащита и защита от статического электричества. Общий вид
Грозозащита и защита от статического электричества. Детали
Разработан: ЦНИИпроектстальконструкция
Утверждён:25.12.1969 ЦНИИпроектстальконструкция (TsNIIprojectstalkonstruktsiya 221)
Расположен в:Техническая документация Строительство Справочные документы Типовые строительные конструкции, изделия и узлы Общероссийский строительный каталог Промышленные предприятия, здания и сооружения Предприятия, здания и сооружения складские Резервуары и склады для нефти и нефтепродуктов Резервуары стальные для нефти и нефтепродуктов
Типовой проект 704-1-54Типовой проект 704-1-54Типовой проект 704-1-54Типовой проект 704-1-54Типовой проект 704-1-54Типовой проект 704-1-54Типовой проект 704-1-54Типовой проект 704-1-54Типовой проект 704-1-54Типовой проект 704-1-54Типовой проект 704-1-54Типовой проект 704-1-54Типовой проект 704-1-54Типовой проект 704-1-54Типовой проект 704-1-54Типовой проект 704-1-54Типовой проект 704-1-54Типовой проект 704-1-54Типовой проект 704-1-54Типовой проект 704-1-54Типовой проект 704-1-54Типовой проект 704-1-54Типовой проект 704-1-54Типовой проект 704-1-54Типовой проект 704-1-54Типовой проект 704-1-54Типовой проект 704-1-54Типовой проект 704-1-54Типовой проект 704-1-54Типовой проект 704-1-54Типовой проект 704-1-54Типовой проект 704-1-54Типовой проект 704-1-54Типовой проект 704-1-54

© 2013 Ёшкин Кот :-) Карта сайта