Информационная система
«Ёшкин Кот»

Скачать базу одним архивом
Скачать обновления
История создания базы
Карта сайта

Скачать Типовой проект А-IV-600-476.90 Альбом 8. Автоматическая установка водяного пожаротушения и пожарной сигнализации

Дата актуализации: 10.08.2017

Типовой проект А-IV-600-476.90

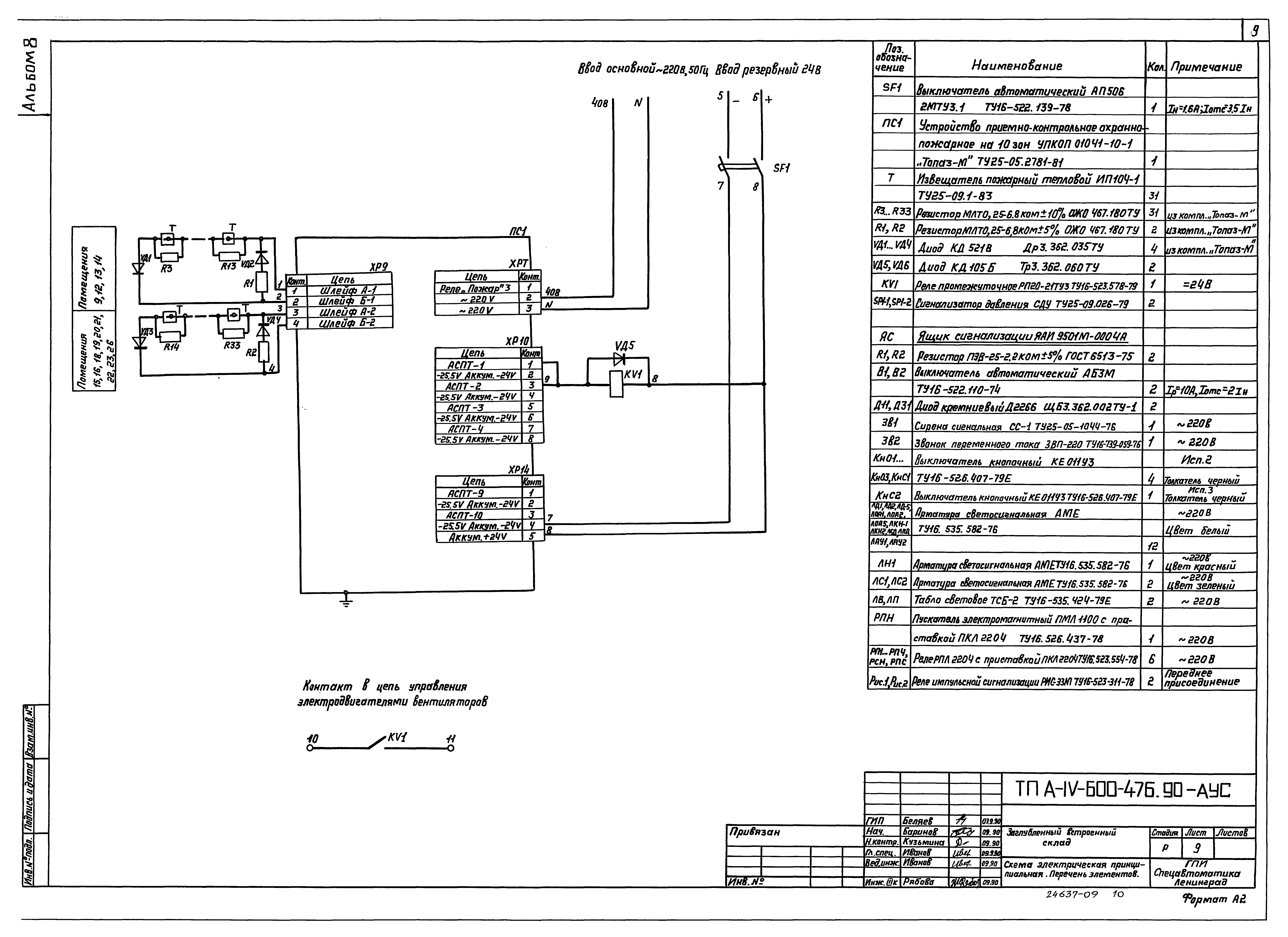
Альбом 8. Автоматическая установка водяного пожаротушения и пожарной сигнализации

Обозначение: Типовой проект А-IV-600-476.90
Обозначение англ: А-IV-600-476.90
Статус:не определен законодательством
Название рус.:Альбом 8. Автоматическая установка водяного пожаротушения и пожарной сигнализации
Дата добавления в базу:01.10.2014
Дата актуализации:05.05.2017
Дата введения:24.08.1990
Оглавление:Содержание альбома
Общие данные
Планы. Схемы. Помещение узла управления
План. Разрез 1-1. Разводка трубопроводов
Подвеска для крепления труб Дн45, 65 к плитам перекрытия
Опора под колено Дн159
Опора для крепления труб
Схема электрическая принципиальная. Перечень элементов
Схема электрическая принципиальная
Схема электрическая соединений
Размещение электрооборудования и кабельные прокладки в помещении дежурного
План сооружения на отм. - 4.750
Разработан: Гипрокоммундортранс
Утверждён:17.08.1990 НГО СССР (62)
Расположен в:Техническая документация Строительство Справочные документы Типовые строительные конструкции, изделия и узлы Общероссийский строительный каталог Защитные сооружения гражданской обороны Типовые проекты защитных сооружений гражданской обороны для объектов промышленности, электроэнергетики, транспорта, связи и складского хозяйства Встроенные помещения, приспособленные под убежища Убежища межотраслевого назначения
Типовой проект А-IV-600-476.90Типовой проект А-IV-600-476.90Типовой проект А-IV-600-476.90Типовой проект А-IV-600-476.90Типовой проект А-IV-600-476.90Типовой проект А-IV-600-476.90Типовой проект А-IV-600-476.90Типовой проект А-IV-600-476.90Типовой проект А-IV-600-476.90Типовой проект А-IV-600-476.90Типовой проект А-IV-600-476.90Типовой проект А-IV-600-476.90Типовой проект А-IV-600-476.90Типовой проект А-IV-600-476.90

© 2013 Ёшкин Кот :-) Карта сайта