Информационная система
«Ёшкин Кот»

Скачать базу одним архивом
Скачать обновления
История создания базы
Карта сайта

Скачать Типовой проект 903-1-198 Альбом 11.2. Котельная. Сочленения исполнительных механизмов с регулирующими органами (вариант установки котлов КВ-ГМ-100 и ДЕ-25-14ГМ)

Дата актуализации: 10.08.2017

Типовой проект 903-1-198

Альбом 11.2. Котельная. Сочленения исполнительных механизмов с регулирующими органами (вариант установки котлов КВ-ГМ-100 и ДЕ-25-14ГМ)

Обозначение: Типовой проект 903-1-198
Обозначение англ: 903-1-198
Статус:действует
Название рус.:Альбом 11.2. Котельная. Сочленения исполнительных механизмов с регулирующими органами (вариант установки котлов КВ-ГМ-100 и ДЕ-25-14ГМ)
Дата добавления в базу:01.10.2014
Дата актуализации:05.05.2017
Оглавление:Содержание альбома
96.118.34.00.000 Сочленение механизма МЭО-1600/63 с дымососом ДН-22х2
96.118.34.00.000К2 Сочленение механизма МЭО-1600/63 с дымососом ДН-22х2. Схема кинематическая
96.118.34.02.000 Штанга
96.118.34.02.000СБ Штанга. Сборочный чертеж
96.118.34.00.000СБ Сочленение механизма МЭО-1600/63 с дымососом ДН-22х2. Сборочный чертеж
96.118.34.01.000 Опора
96.118.34.01.000СБ Опора. Сборочный чертеж
96.118.34.02.001 Бобышка
96.118.34.02.002 Винт
96.118.34.02.003 Втулка
96.118.34.02.004 Ушко
96.118.35.00.000 Сочленение механизма МЭО-630/63 с направляющим аппаратом вентилятора ВДН-18
96.118.35.00.001 Рычаг
96.118.35.00.000К2 Сочленение механизма МЭО-630/63 с направляющим аппаратом вентилятора ВДН-18. Схема кинематическая
96.118.35.00.000СБ Сочленение механизма МЭО-630/63 с направляющим аппаратом вентилятора ВДН-18. Сборочный чертеж
96.118.35.01.000 Коромысло
96.118.35.02.000 Кронштейн
96.118.35.01.000СБ Коромысло. Сборочный чертеж
96.118.35.01.001 Ступица
96.118.35.01.002 Угольник
96.118.35.01.003 Труба
96.118.35.01.004 Ушко
96.118.35.02.000СБ Кронштейн. Сборочный чертеж
96.118.35.02.001 Ось
96.118.35.02.002 Щека
96.118.36.00.000 Сочленение механизма МЭО-250/25-0,25 с клапаном регулирующим Т-33б
96.118.36.00.000К2 Сочленение механизма МЭО-250/25-0,25 с клапаном регулирующим Т-33б. Схема кинематическая
96.118.36.00.000СБ Сочленение механизма МЭО-250/25-0,25 с клапаном регулирующим Т-33б. Сборочный чертеж
96.118.36.01.000 Опора
96.118.50.00.001 Ось
96.118.36.01.000СБ Опора. Сборочный чертеж
96.118.36.02.000 Штанга
96.118.36.02.000СБ Штанга. Сборочный чертеж
96.118.37.00.000 Установка механизма МЭО-100/25-025 на клапане 25с48НЖ Ду200 Ру64
96.118.37.00.000СБ Установка механизма МЭО-100/25-025 на клапане 25с48НЖ Ду200 Ру64. Сборочный чертеж
96.118.37.00.001 Вал-шестерня
96.118.37.00.002 Винт
96.118.37.00.003 Втулка
96.118.37.00.004 Втулка
96.118.37.00.005 Втулка
96.118.37.00.006 Втулка резьбовая
96.118.37.00.007 Гайка фиксатора
96.118.37.00.008 Крышка
96.118.37.00.009 Пружина
96.118.37.00.011 Рейка
96.118.37.00.010 Пружина
96.118.37.00.012 Рукоятка фиксатора
96.118.37.00.013 Стакан
96.118.37.00.014 Указатель
96.118.37.00.015 Упор
96.118.37.00.016 Фиксатор
96.118.37.00.017 Шкала
96.118.37.01.000 Колпак
96.118.37.01.000СБ Колпак. Сборочный чертеж
96.118.37.02.000 Стойка
96.118.37.02.100 Опора
96.118.37.02.000СБ Стойка. Сборочный чертеж
96.118.37.02.001 Стакан
96.118.37.02.100СБ Опора. Сборочный чертеж
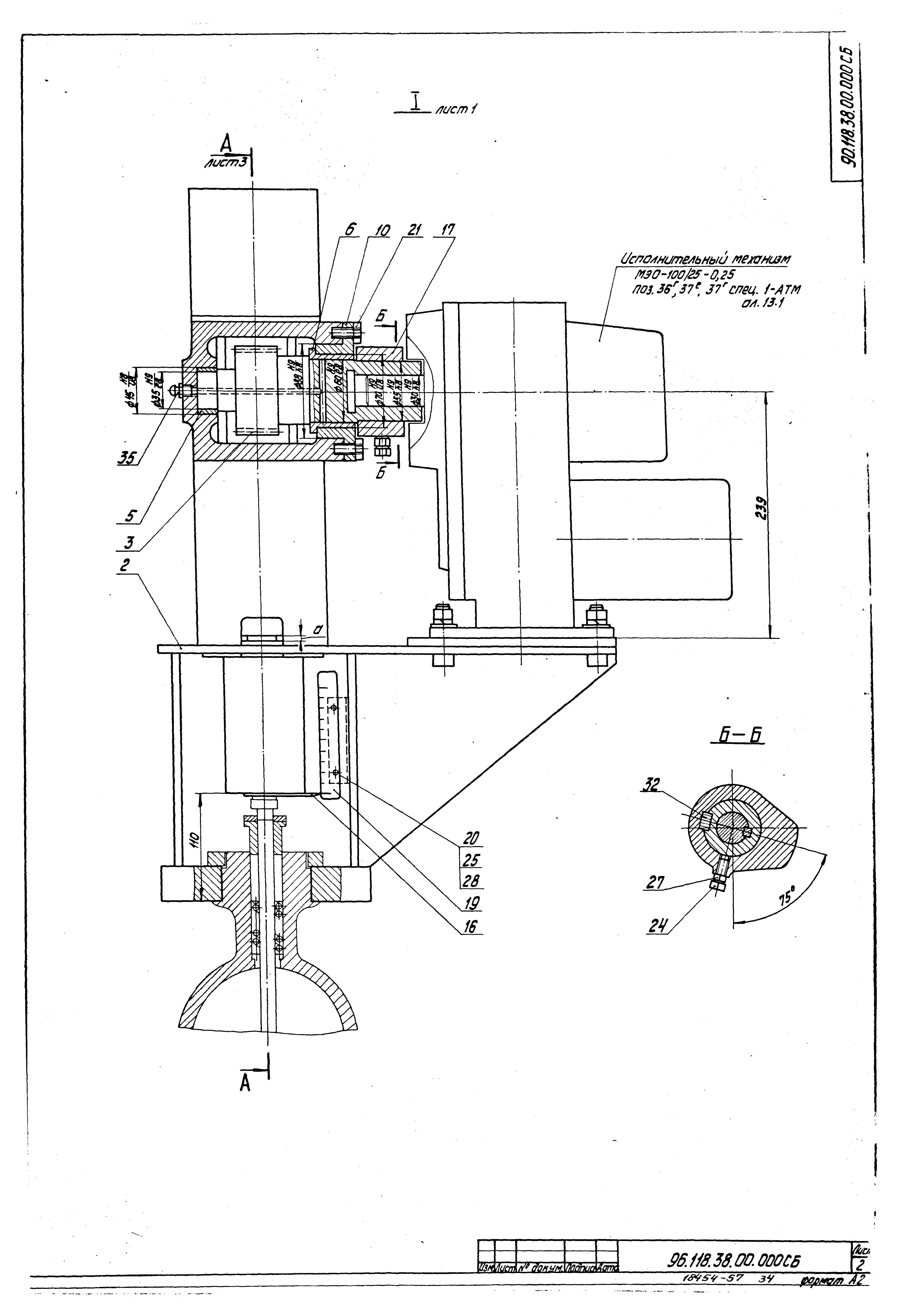
96.118.38.00.000 Установка механизма МЭО-100/25-0,25 на клапане 25С48НЖ Ду150 Ру64
96.118.38.00.000К2 Установка механизма МЭО-100/25-0,25 на клапане 25С48НЖ Ду150 Ру64. Схема кинематическая
96.118.38.00.001 Втулка резьбовая
96.118.38.00.000СБ Установка механизма МЭО-100/25-0,25 на клапане 25С48НЖ Ду150 Ру64. Сборочный чертеж
96.118.38.01.000 Стойка
96.118.38.01.100 Опора
96.118.38.01.101 Плита
96.118.38.01.102 Фланец
96.118.38.01.000СБ Стойка. Сборочный чертеж
96.118.38.01.100СБ Опора. Сборочный чертеж
96.118.39.00.000 Сочленение механизма МЭО-100/25 с заслонкой дроссельной ЗД-300 Ду-300
96.118.39.00.000К2 Сочленение механизма МЭО-100/25 с заслонкой дроссельной ЗД-300 Ду-300. Схема кинематическая
96.118.39.00.000СБ Сочленение механизма МЭО-100/25 с заслонкой дроссельной ЗД-300 Ду-300. Сборочный чертеж
96.118.39.01.000 Рычаг
96.118.39.01.002 Бобышка
96.118.39.01.000СБ Рычаг. Сборочный чертеж
96.118.40.00.000 Сочленение механизма МЭО-250/25-0,25 с клапаном регулирующим поворотным 6с-8-4
96.118.40.00.000К2 Сочленение механизма МЭО-250/25-0,25 с клапаном регулирующим поворотным 6с-8-4. Схема кинематическая
96.118.40.00.000СБ Сочленение механизма МЭО-250/25-0,25 с клапаном регулирующим поворотным 6с-8-4. Сборочный чертеж
96.118.40.01.000 Опора
96.118.40.01.000СБ Опора. Сборочный чертеж
96.118.41.00.000 Сочленение механизма МЭО-250/25-0,25 с клапаном регулирующим поворотным 6с-9-3
96.118.41.00.000К2 Сочленение механизма МЭО-250/25-0,25 с клапаном регулирующим поворотным 6с-9-3. Схема кинематическая
96.118.41.00.000СБ Сочленение механизма МЭО-250/25-0,25 с клапаном регулирующим поворотным 6с-9-3. Сборочный чертеж
96.118.42.00.000 Сочленение механизма МЭО-250/25-0,25 с клапаном регулирующим поворотным 6с-8-4
96.118.42.00.000К2 Сочленение механизма МЭО-250/25-0,25 с клапаном регулирующим поворотным 6с-8-4. Схема кинематическая
96.118.42.00.000СБ Сочленение механизма МЭО-250/25-0,25 с клапаном регулирующим поворотным 6с-8-4. Сборочный чертеж
96.118.43.00.000 Сочленение механизма МЭО-250/25-0,25 с клапаном регулирующим поворотным Т-34б
96.118.43.00.000К2 Сочленение механизма МЭО-250/25-0,25 с клапаном регулирующим поворотным Т-34б. Схема кинематическая
96.118.43.00.000СБ Сочленение механизма МЭО-250/25-0,25 с клапаном регулирующим поворотным Т-34б. Сборочный чертеж
96.118.53.00.000 Сочленение механизма МЭО-100/25-0,25 с направляющим аппаратом вентилятора ВДН-11,2
96.118.53.00.000К2 Сочленение механизма МЭО-100/25-0,25 с направляющим аппаратом вентилятора ВДН-11,2. Схема кинематическая
96.118.53.00.000СБ Сочленение механизма МЭО-100/25-0,25 с направляющим аппаратом вентилятора ВДН-11,2. Сборочный чертеж
96.118.54.00.000 Сочленение механизма МЭО-100/63 с направляющим аппаратом дымососа ДН-12,5
96.118.54.00.000К2 Сочленение механизма МЭО-100/63 с направляющим аппаратом дымососа ДН-12,5. Схема кинематическая
96.118.54.00.000СБ Сочленение механизма МЭО-100/63 с направляющим аппаратом дымососа ДН-12,5. Сборочный чертеж
96.118.55.00.000 Сочленение механизма МЭО-100/25-0,25 с заслонкой ЗД-150 и клапаном 9с-3-3-1
96.118.55.00.001 Ось
96.118.55.00.000К2 Сочленение механизма МЭО-100/25-0,25 с заслонкой ЗД-150 и клапаном 9с-3-3-1. Схема кинематическая
96.118.55.00.000СБ Сочленение механизма МЭО-100/25-0,25 с заслонкой ЗД-150 и клапаном 9с-3-3-1. Сборочный чертеж
96.118.56.00.000 Сочленение механизма МЭО-100/25-0,25 с клапаном регулирующим 9с-4-2
96.118.56.00.000К2 Сочленение механизма МЭО-100/25-0,25 с клапаном регулирующим 9с-4-2. Схема кинематическая
96.118.56.00.000СБ Сочленение механизма МЭО-100/25-0,25 с клапаном регулирующим 9с-4-2. Сборочный чертеж
96.118.57.00.000 Сочленение механизма МЭО-250/25-0,25 с клапаном регулирующим 6с-9-2
96.118.57.00.000К2 Сочленение механизма МЭО-250/25-0,25 с клапаном регулирующим 6с-9-2. Схема кинематическая
96.118.57.00.000СБ Сочленение механизма МЭО-250/25-0,25 с клапаном регулирующим 6с-9-2. Сборочный чертеж
96.118.58.00.000 Сочленение механизма МЭО-250/25-0,25 с клапаном регулирующим поворотным 6с-9-1
96.118.58.00.000К2 Сочленение механизма МЭО-250/25-0,25 с клапаном регулирующим поворотным 6с-9-1. Схема кинематическая
96.118.58.00.000СБ Сочленение механизма МЭО-250/25-0,25 с клапаном регулирующим поворотным 6с-9-1. Сборочный чертеж
96.118.59.00.000 Сочленение механизма МЭО-250/25-0,25 с клапаном регулирующим поворотным 6с-8-1
96.118.59.00.000К2 Сочленение механизма МЭО-250/25-0,25 с клапаном регулирующим поворотным 6с-8-1. Схема кинематическая
96.118.59.00.000СБ Сочленение механизма МЭО-250/25-0,25 с клапаном регулирующим поворотным 6с-8-1. Сборочный чертеж
96.118.60.00.000 Сочленение механизма МЭО-100/25 с клапаном регулирующим ОРП-50
96.118.60.01.101 Ось
96.118.60.00.000СБ Сочленение механизма МЭО-100/25 с клапаном регулирующим ОРП-50. Сборочный чертеж
96.118.60.00.000К2 Сочленение механизма МЭО-100/25 с клапаном регулирующим ОРП-50. Схема кинематическая
96.118.60.01.000 Рычаг
96.118.60.01.100 Планка с осями
96.118.60.01.000СБ Рычаг. Сборочный чертеж
96.118.60.01.100СБ Планка с осями. Сборочный чертеж
96.118.60.01.001 Планка
96.118.61.00.000 Установка электромагнита МИС-4100 на клапане предохранительном запорном типа ПКН и ПКВ Ду200
96.118.53.00.001 Рычаг
96.118.61.00.001 Втулка
96.118.61.00.002 Гайка специальная
96.118.61.00.000СБ Установка электромагнита МИС-4100 на клапане предохранительном запорном типа ПКН и ПКВ Ду200. Сборочный чертеж
96.118.61.00.003 Пластина
96.118.61.00.004 Серьга
96.118.61.00.005 Скоба
96.118.61.00.006 Шток
Разработан: Латгипропром
Утверждён:14.05.1982 Латгипропром (101А)
Расположен в:Техническая документация Строительство Справочные документы Типовые строительные конструкции, изделия и узлы Общероссийский строительный каталог Промышленные предприятия, здания и сооружения Здания и сооружения санитарно-технические Теплоснабжение Котельные установки Открытые системы теплоснабжения Топливо - газ и мазут
Типовой проект 903-1-198Типовой проект 903-1-198Типовой проект 903-1-198Типовой проект 903-1-198Типовой проект 903-1-198Типовой проект 903-1-198Типовой проект 903-1-198Типовой проект 903-1-198Типовой проект 903-1-198Типовой проект 903-1-198Типовой проект 903-1-198Типовой проект 903-1-198Типовой проект 903-1-198Типовой проект 903-1-198Типовой проект 903-1-198Типовой проект 903-1-198Типовой проект 903-1-198Типовой проект 903-1-198Типовой проект 903-1-198Типовой проект 903-1-198Типовой проект 903-1-198Типовой проект 903-1-198Типовой проект 903-1-198Типовой проект 903-1-198Типовой проект 903-1-198Типовой проект 903-1-198Типовой проект 903-1-198Типовой проект 903-1-198Типовой проект 903-1-198Типовой проект 903-1-198Типовой проект 903-1-198Типовой проект 903-1-198Типовой проект 903-1-198Типовой проект 903-1-198Типовой проект 903-1-198Типовой проект 903-1-198Типовой проект 903-1-198Типовой проект 903-1-198Типовой проект 903-1-198Типовой проект 903-1-198Типовой проект 903-1-198Типовой проект 903-1-198Типовой проект 903-1-198Типовой проект 903-1-198Типовой проект 903-1-198Типовой проект 903-1-198Типовой проект 903-1-198Типовой проект 903-1-198Типовой проект 903-1-198Типовой проект 903-1-198Типовой проект 903-1-198Типовой проект 903-1-198Типовой проект 903-1-198Типовой проект 903-1-198Типовой проект 903-1-198Типовой проект 903-1-198Типовой проект 903-1-198Типовой проект 903-1-198Типовой проект 903-1-198Типовой проект 903-1-198Типовой проект 903-1-198Типовой проект 903-1-198Типовой проект 903-1-198Типовой проект 903-1-198

© 2013 Ёшкин Кот :-) Карта сайта