Информационная система
«Ёшкин Кот»

Скачать базу одним архивом
Скачать обновления
История создания базы
Карта сайта

Скачать Типовой проект 903-1-198 Альбом 4.4. Водоподготовительная установка. Вспомогательное оборудование (вариант установки котлов КВ-ГМ-100 и ДЕ-25-14ГМ)

Дата актуализации: 10.08.2017

Типовой проект 903-1-198

Альбом 4.4. Водоподготовительная установка. Вспомогательное оборудование (вариант установки котлов КВ-ГМ-100 и ДЕ-25-14ГМ)

Обозначение: Типовой проект 903-1-198
Обозначение англ: 903-1-198
Статус:действует
Название рус.:Альбом 4.4. Водоподготовительная установка. Вспомогательное оборудование (вариант установки котлов КВ-ГМ-100 и ДЕ-25-14ГМ)
Дата добавления в базу:01.10.2014
Дата актуализации:05.05.2017
Оглавление:Содержание альбома
Установка блока насосов БНХВ-30/60
Установка блока насосов БНХВ-30/60. Рама
Установка блока БПРРС-1500
Установка блока БПРРС-1500. Рама
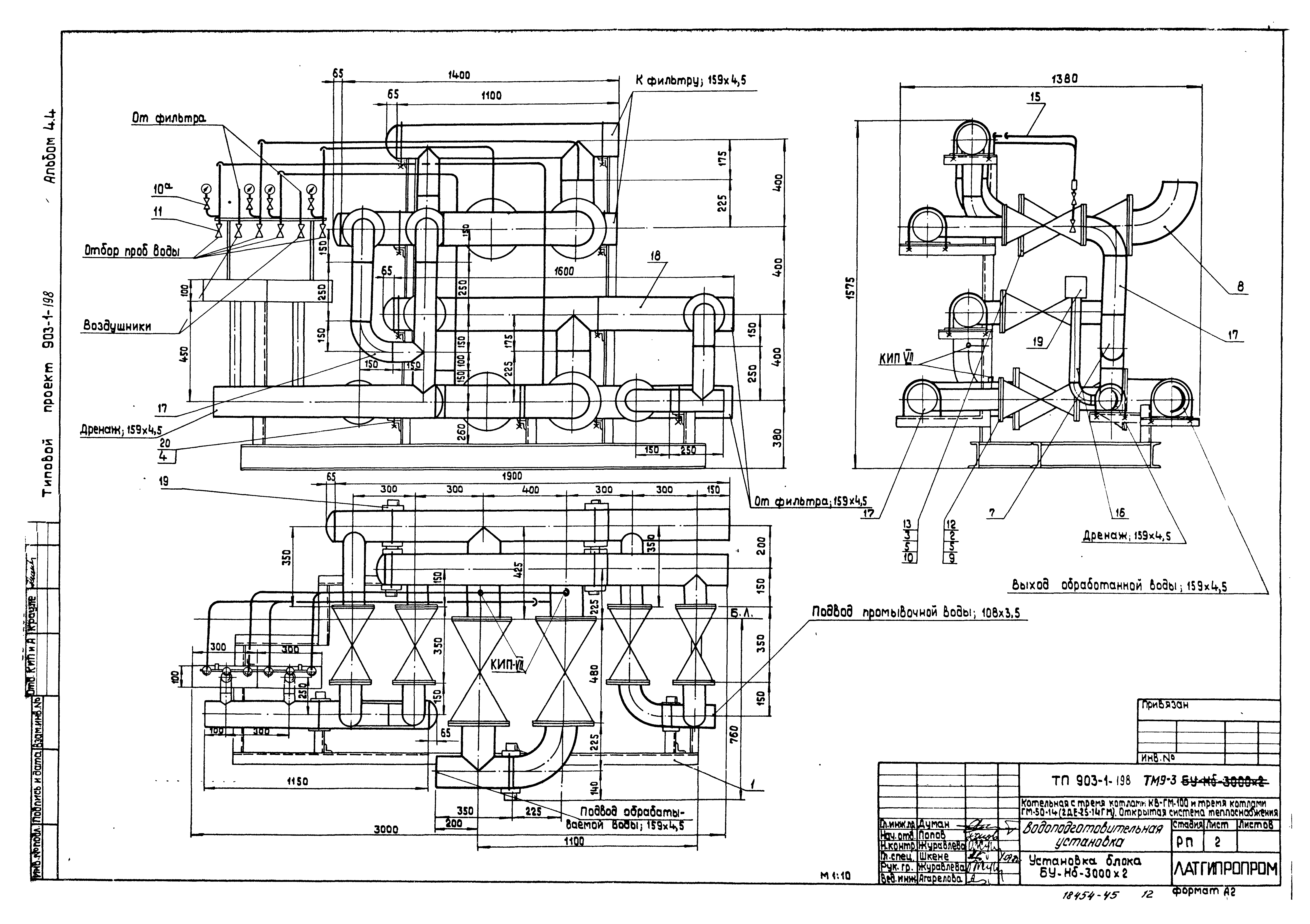
Установка блока БУ-Нб-3000х2
Установка блока БУ-Нб-3000х2. Рама
Установка блока БУ-Н-3000х3
Установка блока БУ-Н-3000х3. Рама
Установка блока БПРЩ-1
Установка блока БПРЩ-1. Рама
Установка блока БХЩ-1. Рама
Установка блока БХЩ-1
Установка блока БПРРК-3,0
Установка блока БПРРК-3,0. Рама
Установка блока насосов БНРВ-2/5,5
Установка блока насосов БНРВ-2/5,5. Рама
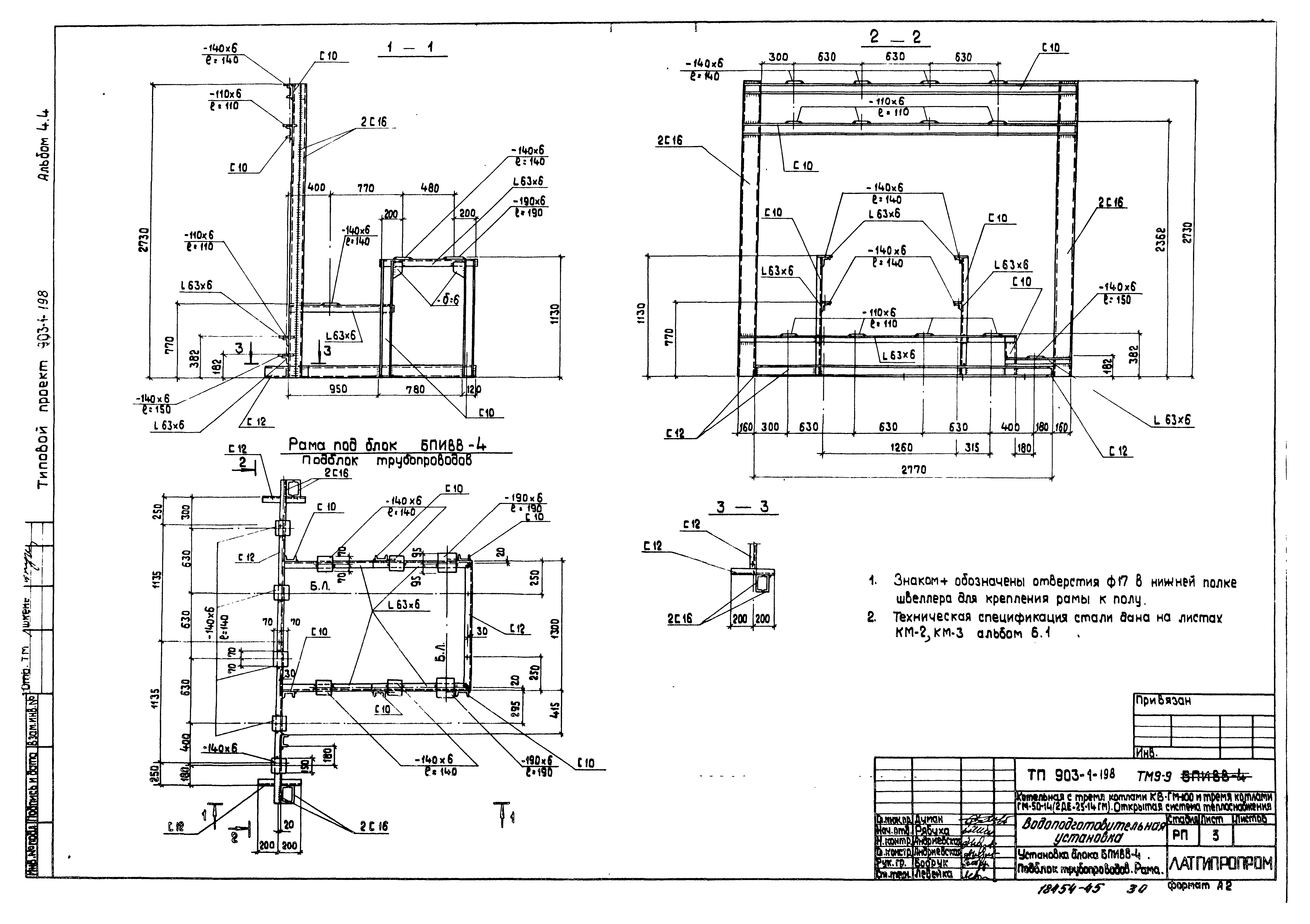
Установка блока БПИВВ-4
Установка блока БПИВВ-4. Подблок трубопроводов
Установка блока БПИВВ-4. Подблок трубопроводов. Рама
Установка блока БПИВВ-4. Подблок подогревателей
Установка блока БПИВВ-4. Подблок подогревателей. Рама
Установка блока насосов БНП-Н-65/115
Установка блока насосов БНП-Н-65/115. Рама
Установка блока БУ-Na-1500х3
Установка блока БУ-Na-1500х3. Рама
Разработан: Латгипропром
Утверждён:14.05.1982 Латгипропром (101А)
Расположен в:Техническая документация Строительство Справочные документы Типовые строительные конструкции, изделия и узлы Общероссийский строительный каталог Промышленные предприятия, здания и сооружения Здания и сооружения санитарно-технические Теплоснабжение Котельные установки Открытые системы теплоснабжения Топливо - газ и мазут
Типовой проект 903-1-198Типовой проект 903-1-198Типовой проект 903-1-198Типовой проект 903-1-198Типовой проект 903-1-198Типовой проект 903-1-198Типовой проект 903-1-198Типовой проект 903-1-198Типовой проект 903-1-198Типовой проект 903-1-198Типовой проект 903-1-198Типовой проект 903-1-198Типовой проект 903-1-198Типовой проект 903-1-198Типовой проект 903-1-198Типовой проект 903-1-198Типовой проект 903-1-198Типовой проект 903-1-198Типовой проект 903-1-198Типовой проект 903-1-198Типовой проект 903-1-198Типовой проект 903-1-198Типовой проект 903-1-198Типовой проект 903-1-198Типовой проект 903-1-198Типовой проект 903-1-198Типовой проект 903-1-198Типовой проект 903-1-198Типовой проект 903-1-198Типовой проект 903-1-198Типовой проект 903-1-198Типовой проект 903-1-198Типовой проект 903-1-198Типовой проект 903-1-198Типовой проект 903-1-198Типовой проект 903-1-198Типовой проект 903-1-198Типовой проект 903-1-198Типовой проект 903-1-198Типовой проект 903-1-198

© 2013 Ёшкин Кот :-) Карта сайта