Информационная система
«Ёшкин Кот»

Скачать базу одним архивом
Скачать обновления
История создания базы
Карта сайта

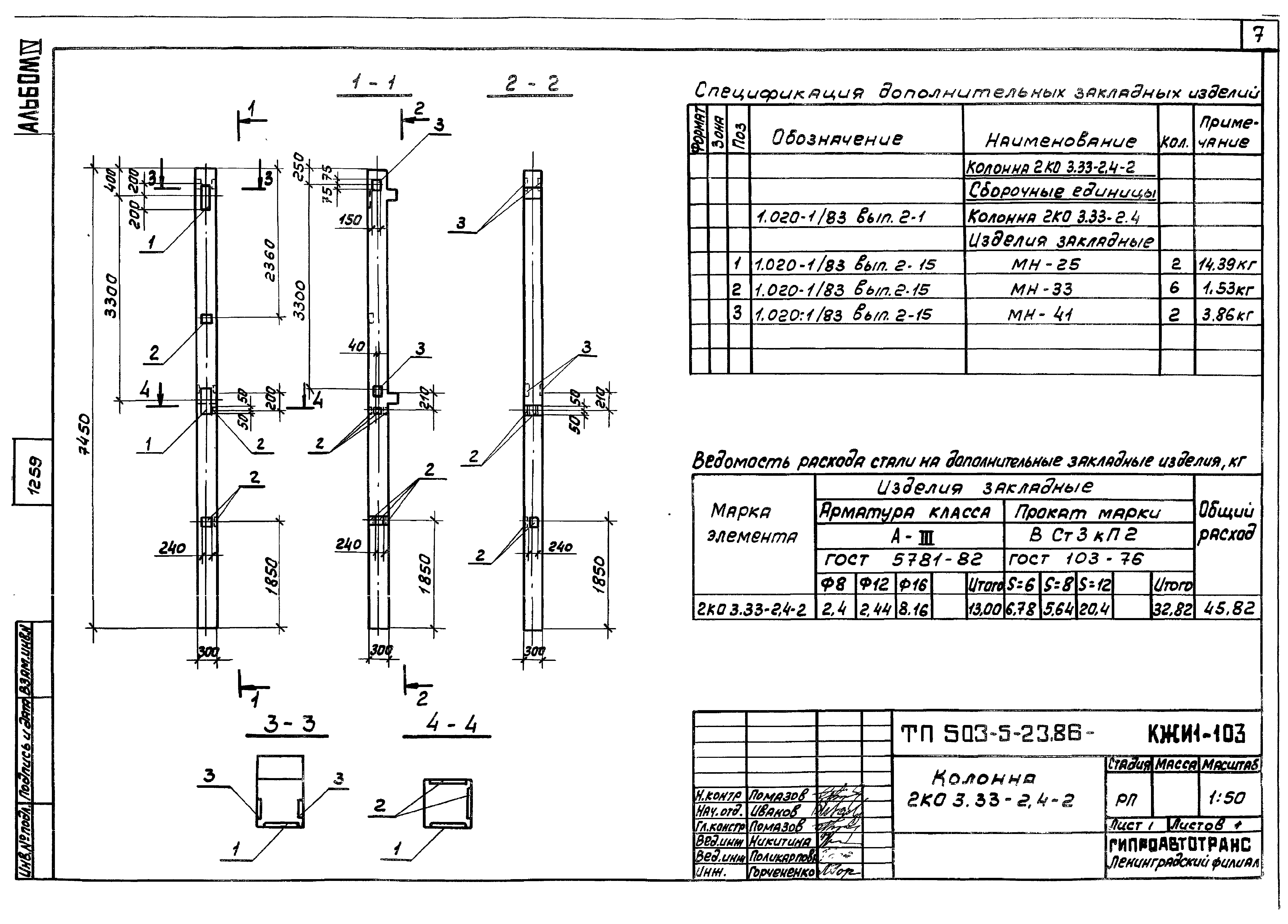
Скачать Типовой проект 503-5-23.86 Альбом IV. Сборные железобетонные изделия

Дата актуализации: 10.08.2017

Типовой проект 503-5-23.86

Альбом IV. Сборные железобетонные изделия

Обозначение: Типовой проект 503-5-23.86
Обозначение англ: 503-5-23.86
Статус:не определен законодательством
Название рус.:Альбом IV. Сборные железобетонные изделия
Дата добавления в базу:01.09.2013
Дата актуализации:05.05.2017
Дата введения:12.09.1986
Оглавление:Содержание альбома
Колонны
Ригели
Плиты перекрытия
Плиты покрытия
Плиты перекрытия
Плиты покрытия
Плита перекрытия
Панели стеновые
Блоки шахты лифта
Разработан: Ленинградский филиал Гипроавтотранс
Утверждён:12.09.1986 Минавтотранс РСФСР (Russian Federation Minavtotrans 20)
Издан: ЦИТП Госстроя СССР (CITP, Gosstroy (USSR) 1988 г. )
Расположен в:Техническая документация Строительство Справочные документы Типовые строительные конструкции, изделия и узлы Общероссийский строительный каталог Защитные сооружения гражданской обороны Типовые проекты защитных сооружений гражданской обороны для объектов промышленности, электроэнергетики, транспорта, связи и складского хозяйства Встроенные помещения, приспосабливаемые под противорадиационные укрытия Противорадиационные укрытия в зданиях и сооружениях транспорта Промышленные предприятия, здания и сооружения Предприятия, здания и сооружения транспорта Транспорт автомобильный Здания и сооружения по обслуживанию пассажиров
Заменяет собой:
  • Типовой проект 503-239
Нормативные ссылки:
Типовой проект 503-5-23.86Типовой проект 503-5-23.86Типовой проект 503-5-23.86Типовой проект 503-5-23.86Типовой проект 503-5-23.86Типовой проект 503-5-23.86Типовой проект 503-5-23.86Типовой проект 503-5-23.86Типовой проект 503-5-23.86Типовой проект 503-5-23.86Типовой проект 503-5-23.86Типовой проект 503-5-23.86Типовой проект 503-5-23.86Типовой проект 503-5-23.86Типовой проект 503-5-23.86Типовой проект 503-5-23.86Типовой проект 503-5-23.86Типовой проект 503-5-23.86Типовой проект 503-5-23.86Типовой проект 503-5-23.86Типовой проект 503-5-23.86Типовой проект 503-5-23.86Типовой проект 503-5-23.86Типовой проект 503-5-23.86Типовой проект 503-5-23.86Типовой проект 503-5-23.86Типовой проект 503-5-23.86Типовой проект 503-5-23.86Типовой проект 503-5-23.86Типовой проект 503-5-23.86Типовой проект 503-5-23.86Типовой проект 503-5-23.86Типовой проект 503-5-23.86Типовой проект 503-5-23.86Типовой проект 503-5-23.86Типовой проект 503-5-23.86Типовой проект 503-5-23.86Типовой проект 503-5-23.86Типовой проект 503-5-23.86Типовой проект 503-5-23.86Типовой проект 503-5-23.86Типовой проект 503-5-23.86Типовой проект 503-5-23.86Типовой проект 503-5-23.86Типовой проект 503-5-23.86Типовой проект 503-5-23.86Типовой проект 503-5-23.86Типовой проект 503-5-23.86Типовой проект 503-5-23.86Типовой проект 503-5-23.86Типовой проект 503-5-23.86Типовой проект 503-5-23.86Типовой проект 503-5-23.86Типовой проект 503-5-23.86Типовой проект 503-5-23.86Типовой проект 503-5-23.86Типовой проект 503-5-23.86Типовой проект 503-5-23.86Типовой проект 503-5-23.86

© 2013 Ёшкин Кот :-) Карта сайта