Информационная система
«Ёшкин Кот»

Скачать базу одним архивом
Скачать обновления
История создания базы
Карта сайта

Скачать Типовой проект 414-2-55.94 Альбом 7. Электроснабжение. Освещение. Чертежи заданий заводу-изготовителю

Дата актуализации: 10.08.2017

Типовой проект 414-2-55.94

Альбом 7. Электроснабжение. Освещение. Чертежи заданий заводу-изготовителю

Обозначение: Типовой проект 414-2-55.94
Обозначение англ: 414-2-55.94
Статус:не определен законодательством
Название рус.:Альбом 7. Электроснабжение. Освещение. Чертежи заданий заводу-изготовителю
Дата добавления в базу:01.09.2013
Дата актуализации:05.05.2017
Дата введения:21.12.1994
Оглавление:Содержание
Силовое электрооборудование и автоматика приводов
   Общие данные
   Принципиальная электрическая схема 380/220 В 1Ш
   Принципиальная электрическая схема 380/220 В 2Ш
   Схемы электрические принципиальная управления электроприводами
   Схема электрическая отключения вентсистем при пожаре
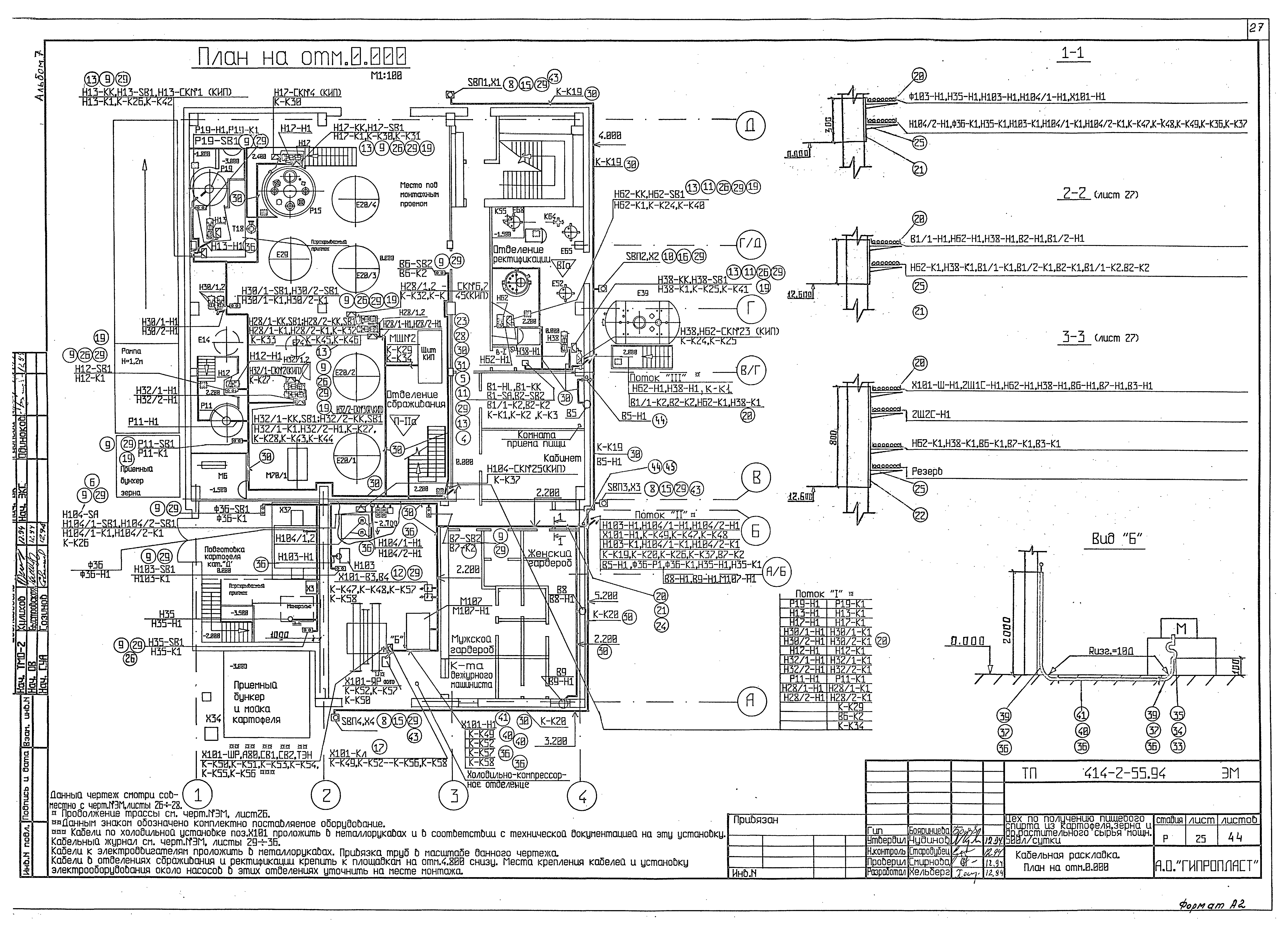
   Кабельная раскладка. План на отм. 0.000
   Кабельная раскладка. План на отм. 3.000; 4.800; 6.900
   Кабельная раскладка. План на отм. 9.600; 12.500 и кровли
   Кабельная раскладка. Спецификация
   Кабельно-трубный журнал
   Схема электрическая подключений постов управления
   Конструкция для установки блока Х1016У
   Заземление. План на отм. 0.000
   Заземление. План на отм. 4.800
   Заземление. План на отм. 9.600 и 12.600
   Ведомость изделий МЭЗ и объемов электромонтажных работ
   Таблица электроприводов
Электроосвещение
   Электроосвещение. Общие данные
   План схема расположения электрооборудования и проводки осветительной сети на отм. 0.000; 2.200; 3.800
   План схема расположения электрооборудования и проводки осветительной сети на отм. 4.000; 5.400; 6.400; 6.900; 7.000
   План схема расположения электрооборудования и проводки осветительной сети на отм. 9.600; 10.400
   План схема расположения электрооборудования и проводки осветительной сети на отм. 12.500; 12.600
   План схема расположения силовой сети буфета на отм. 0.000 в осях В - 3-4
   План схема расположения силовой сети лаборатории на отм. 4.200 в осях В-ВГ - 3-4
   Схема принципиальная расчетная щитков рабочего ШО1 - ШО2 и аварийного ШО1а освещения
   Комплект светильника со стойкой
   Ведомость объемов электромонтажных работ
   Ведомость изделий МЭЗ и ведомость оборудования материалов для изделий МЭЗ
Чертежи заданий заводу-изготовителю
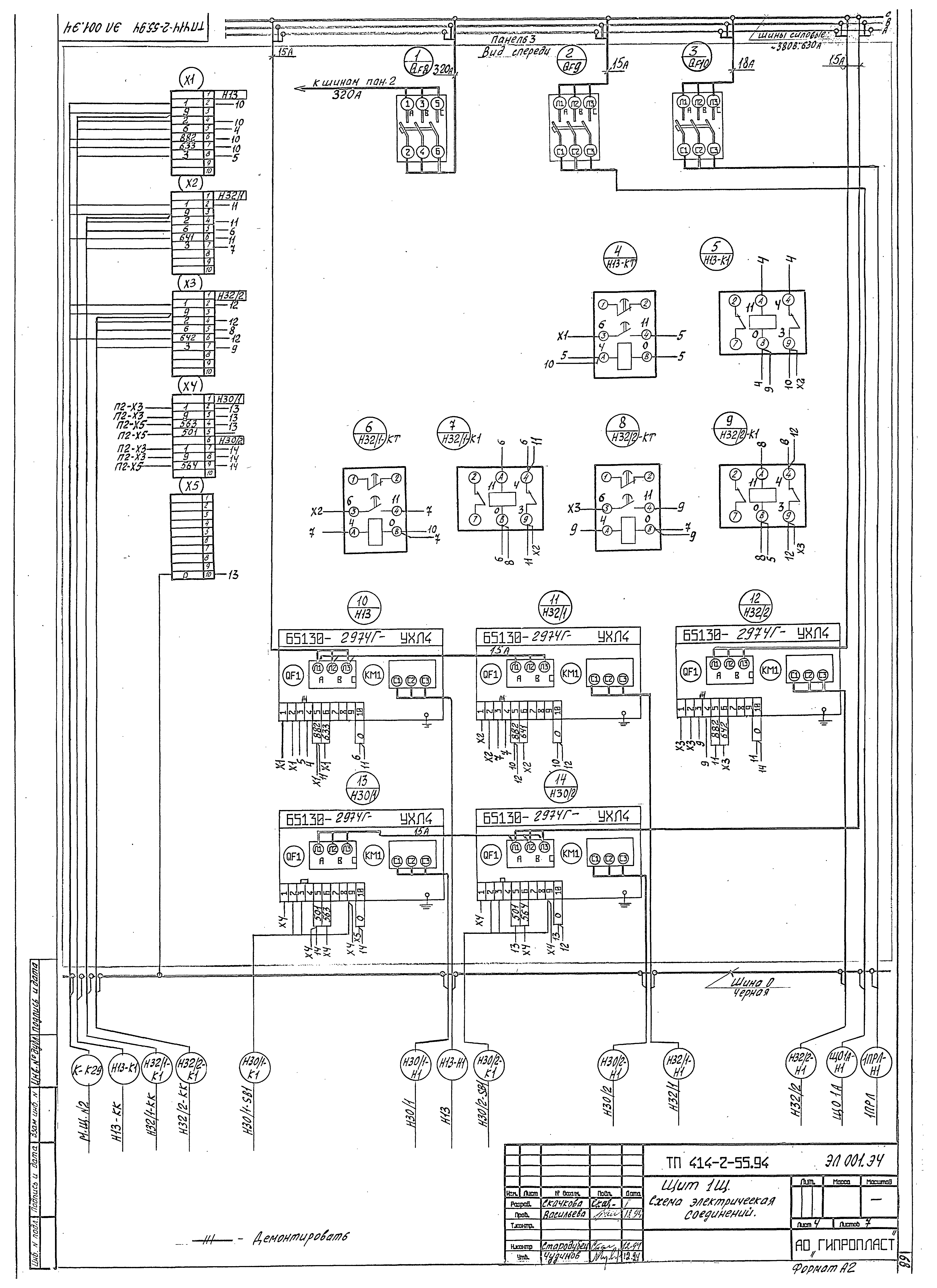
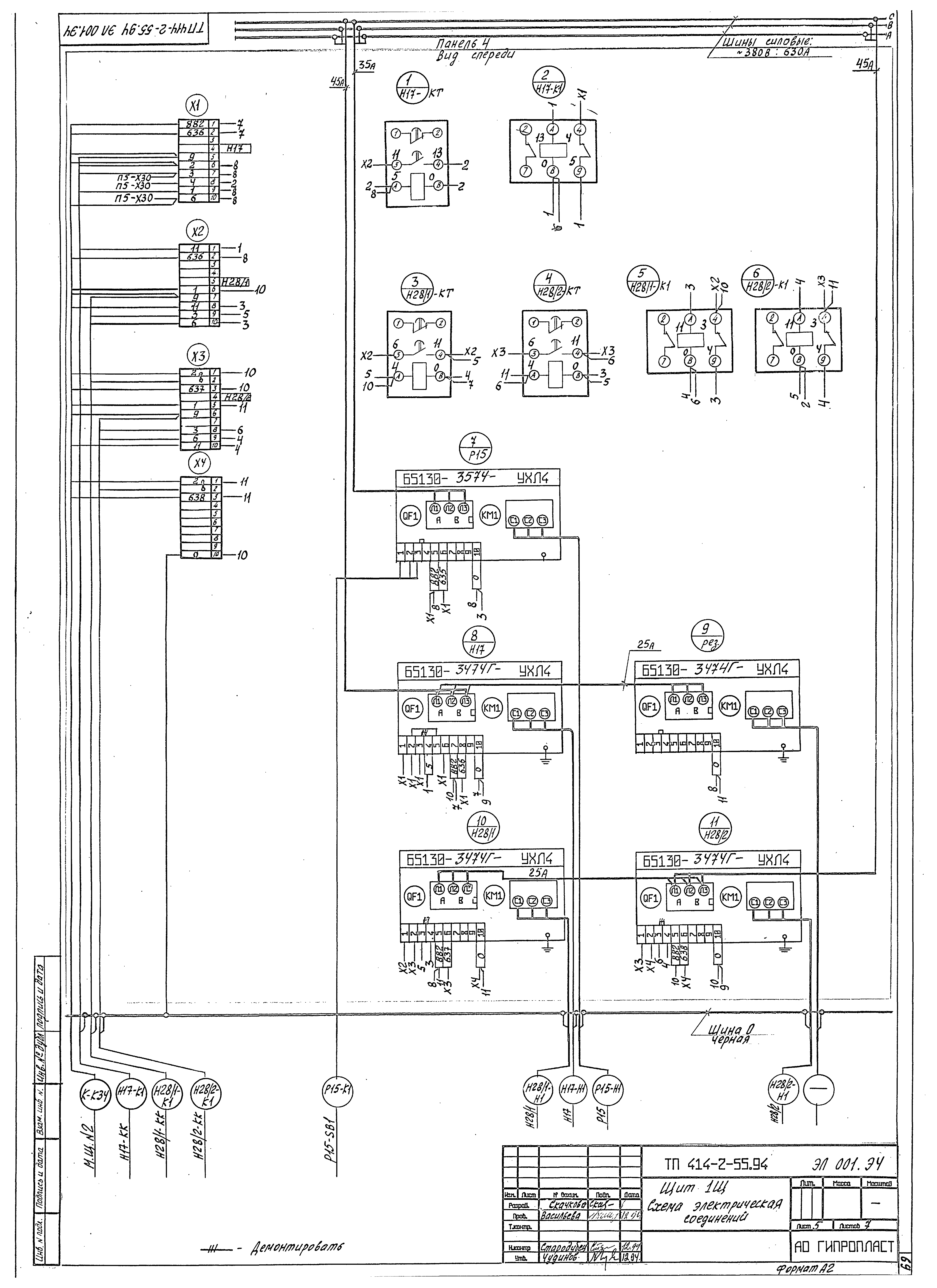
   Щит 1Щ
   Щит 2Щ
   Ящик 1Я
   Ящик 3Я
   Ящик Я
Разработан: Гипропласт Минхимнефтепрома СССР
Утверждён:16.12.1994 Роскомхимнефтепром (Roskomkhimnefteprom 09/1-11-122)
Расположен в:Техническая документация Строительство Справочные документы Типовые строительные конструкции, изделия и узлы Общероссийский строительный каталог Промышленные предприятия, здания и сооружения Предприятия, здания и сооружения промышленности и электроэнергетики Промышленность пищевая Промышленность алкогольных и безалкогольных напитков
Типовой проект 414-2-55.94Типовой проект 414-2-55.94Типовой проект 414-2-55.94Типовой проект 414-2-55.94Типовой проект 414-2-55.94Типовой проект 414-2-55.94Типовой проект 414-2-55.94Типовой проект 414-2-55.94Типовой проект 414-2-55.94Типовой проект 414-2-55.94Типовой проект 414-2-55.94Типовой проект 414-2-55.94Типовой проект 414-2-55.94Типовой проект 414-2-55.94Типовой проект 414-2-55.94Типовой проект 414-2-55.94Типовой проект 414-2-55.94Типовой проект 414-2-55.94Типовой проект 414-2-55.94Типовой проект 414-2-55.94Типовой проект 414-2-55.94Типовой проект 414-2-55.94Типовой проект 414-2-55.94Типовой проект 414-2-55.94Типовой проект 414-2-55.94Типовой проект 414-2-55.94Типовой проект 414-2-55.94Типовой проект 414-2-55.94Типовой проект 414-2-55.94Типовой проект 414-2-55.94Типовой проект 414-2-55.94Типовой проект 414-2-55.94Типовой проект 414-2-55.94Типовой проект 414-2-55.94Типовой проект 414-2-55.94Типовой проект 414-2-55.94Типовой проект 414-2-55.94Типовой проект 414-2-55.94Типовой проект 414-2-55.94Типовой проект 414-2-55.94Типовой проект 414-2-55.94Типовой проект 414-2-55.94Типовой проект 414-2-55.94Типовой проект 414-2-55.94Типовой проект 414-2-55.94Типовой проект 414-2-55.94Типовой проект 414-2-55.94Типовой проект 414-2-55.94Типовой проект 414-2-55.94Типовой проект 414-2-55.94Типовой проект 414-2-55.94Типовой проект 414-2-55.94Типовой проект 414-2-55.94Типовой проект 414-2-55.94Типовой проект 414-2-55.94Типовой проект 414-2-55.94Типовой проект 414-2-55.94Типовой проект 414-2-55.94Типовой проект 414-2-55.94Типовой проект 414-2-55.94Типовой проект 414-2-55.94Типовой проект 414-2-55.94Типовой проект 414-2-55.94Типовой проект 414-2-55.94Типовой проект 414-2-55.94Типовой проект 414-2-55.94Типовой проект 414-2-55.94Типовой проект 414-2-55.94Типовой проект 414-2-55.94Типовой проект 414-2-55.94Типовой проект 414-2-55.94Типовой проект 414-2-55.94Типовой проект 414-2-55.94Типовой проект 414-2-55.94Типовой проект 414-2-55.94Типовой проект 414-2-55.94Типовой проект 414-2-55.94Типовой проект 414-2-55.94Типовой проект 414-2-55.94Типовой проект 414-2-55.94Типовой проект 414-2-55.94Типовой проект 414-2-55.94Типовой проект 414-2-55.94Типовой проект 414-2-55.94Типовой проект 414-2-55.94Типовой проект 414-2-55.94Типовой проект 414-2-55.94

© 2013 Ёшкин Кот :-) Карта сайта