Информационная система
«Ёшкин Кот»

Скачать базу одним архивом
Скачать обновления
История создания базы
Карта сайта

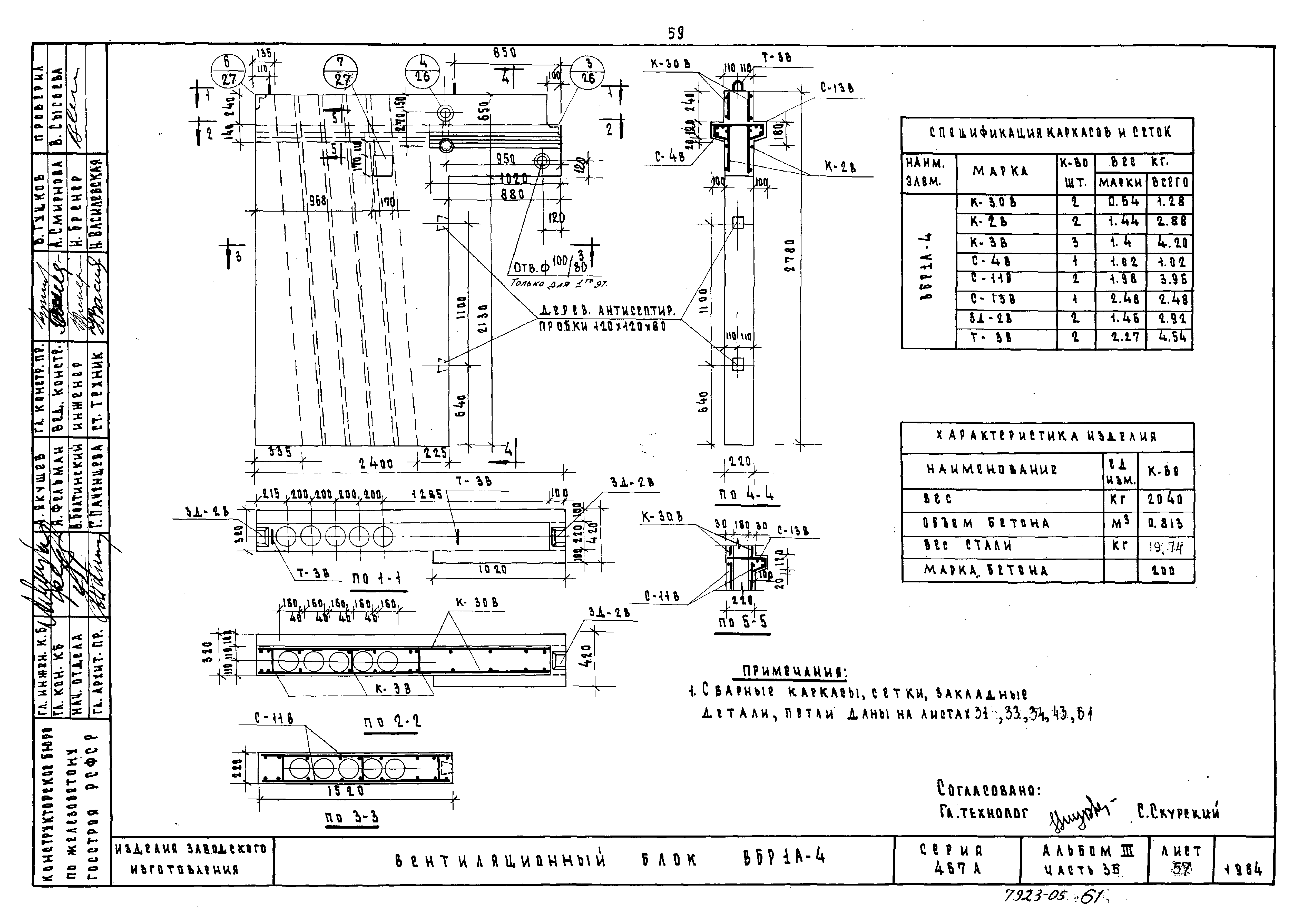
Скачать Типовой проект Серия 467А Альбом III. Часть 3Б. Железобетонные панели внутренних стен толщиной 140 мм и вентиляционные блоки

Дата актуализации: 10.08.2017

Типовой проект Серия 467А

Альбом III. Часть 3Б. Железобетонные панели внутренних стен толщиной 140 мм и вентиляционные блоки

Обозначение: Типовой проект Серия 467А
Обозначение англ: Серия 467А
Статус:действует
Название рус.:Альбом III. Часть 3Б. Железобетонные панели внутренних стен толщиной 140 мм и вентиляционные блоки
Дата добавления в базу:01.09.2013
Дата актуализации:05.05.2017
Оглавление:Содержание альбома
Пояснительная записка
Вентиляционные блоки
Внутренние стеновые панели
Ригели
Внутренняя стеновая панель
Ригели
Внутренняя стеновая панель
Детали
Закладные детали
Сварные каркасы
Сварные сетки
Ригели
Сварные каркасы
Вентиляционные блоки
Сварные сетки и каркасы
Разработан: КБ по железобетону Госстроя РСФСР
Утверждён:30.10.1964 КБ по железобетону Госстроя РСФСР (16)
Издан: ЦИТП Госстроя СССР (CITP, Gosstroy (USSR) 1965 г. )
Расположен в:Техническая документация Строительство Справочные документы Типовые строительные конструкции, изделия и узлы Общероссийский строительный каталог Жилые здания для строительства в сельской местности Жилые дома панельные Серия 467А
Типовой проект Серия 467АТиповой проект Серия 467АТиповой проект Серия 467АТиповой проект Серия 467АТиповой проект Серия 467АТиповой проект Серия 467АТиповой проект Серия 467АТиповой проект Серия 467АТиповой проект Серия 467АТиповой проект Серия 467АТиповой проект Серия 467АТиповой проект Серия 467АТиповой проект Серия 467АТиповой проект Серия 467АТиповой проект Серия 467АТиповой проект Серия 467АТиповой проект Серия 467АТиповой проект Серия 467АТиповой проект Серия 467АТиповой проект Серия 467АТиповой проект Серия 467АТиповой проект Серия 467АТиповой проект Серия 467АТиповой проект Серия 467АТиповой проект Серия 467АТиповой проект Серия 467АТиповой проект Серия 467АТиповой проект Серия 467АТиповой проект Серия 467АТиповой проект Серия 467АТиповой проект Серия 467АТиповой проект Серия 467АТиповой проект Серия 467АТиповой проект Серия 467АТиповой проект Серия 467АТиповой проект Серия 467АТиповой проект Серия 467АТиповой проект Серия 467АТиповой проект Серия 467АТиповой проект Серия 467АТиповой проект Серия 467АТиповой проект Серия 467АТиповой проект Серия 467АТиповой проект Серия 467АТиповой проект Серия 467АТиповой проект Серия 467АТиповой проект Серия 467АТиповой проект Серия 467АТиповой проект Серия 467АТиповой проект Серия 467АТиповой проект Серия 467АТиповой проект Серия 467АТиповой проект Серия 467АТиповой проект Серия 467АТиповой проект Серия 467АТиповой проект Серия 467АТиповой проект Серия 467АТиповой проект Серия 467АТиповой проект Серия 467АТиповой проект Серия 467АТиповой проект Серия 467АТиповой проект Серия 467АТиповой проект Серия 467АТиповой проект Серия 467А

© 2013 Ёшкин Кот :-) Карта сайта