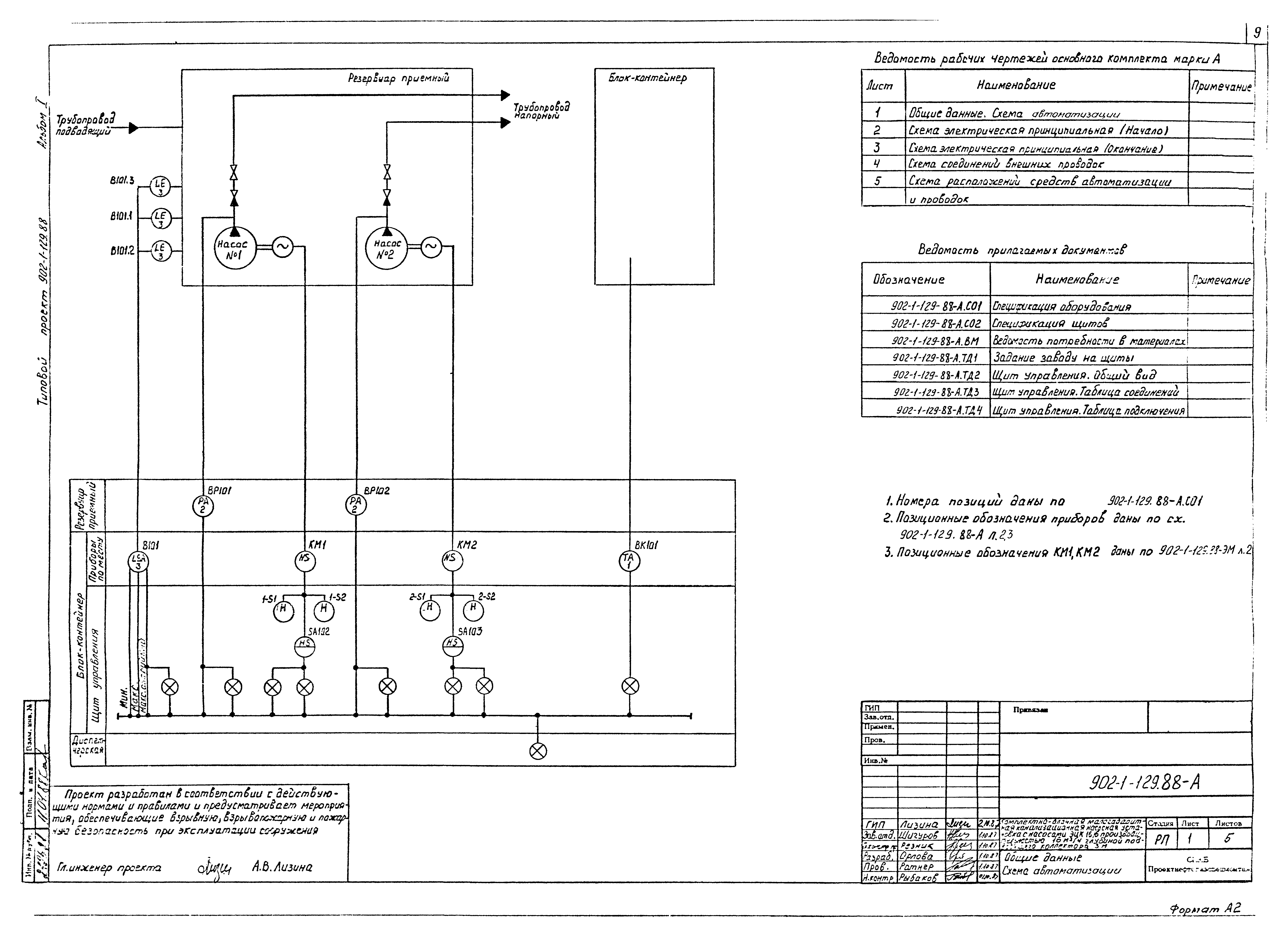
Скачать Типовой проект 902-1-129.88 Альбом I. Пояснительная записка, технологическая часть, автоматизация, архитектурно-строительная часть, отопление и вентиляция, электротехническая частьДата актуализации: 10.08.2017 Типовой проект 902-1-129.88
Альбом I. Пояснительная записка, технологическая часть, автоматизация, архитектурно-строительная часть, отопление и вентиляция, электротехническая частьОбозначение: | Типовой проект 902-1-129.88 | Обозначение англ: | 902-1-129.88 | Статус: | не определен законодательством | Название рус.: | Альбом I. Пояснительная записка, технологическая часть, автоматизация, архитектурно-строительная часть, отопление и вентиляция, электротехническая часть | Дата добавления в базу: | 01.02.2017 | Дата актуализации: | 05.05.2017 | Дата введения: | 13.01.1988 | Разработан: | СПКБ Проектнефтегазспецмонтаж
| Утверждён: | 13.01.1988 Миннефтегазстрой (Minneftegazstroy 13)
| Расположен в: |
| Заменяет собой: | - Типовой проект 402-22-42с.83
|
                     
|