Информационная система
«Ёшкин Кот»

Скачать базу одним архивом
Скачать обновления
История создания базы
Карта сайта

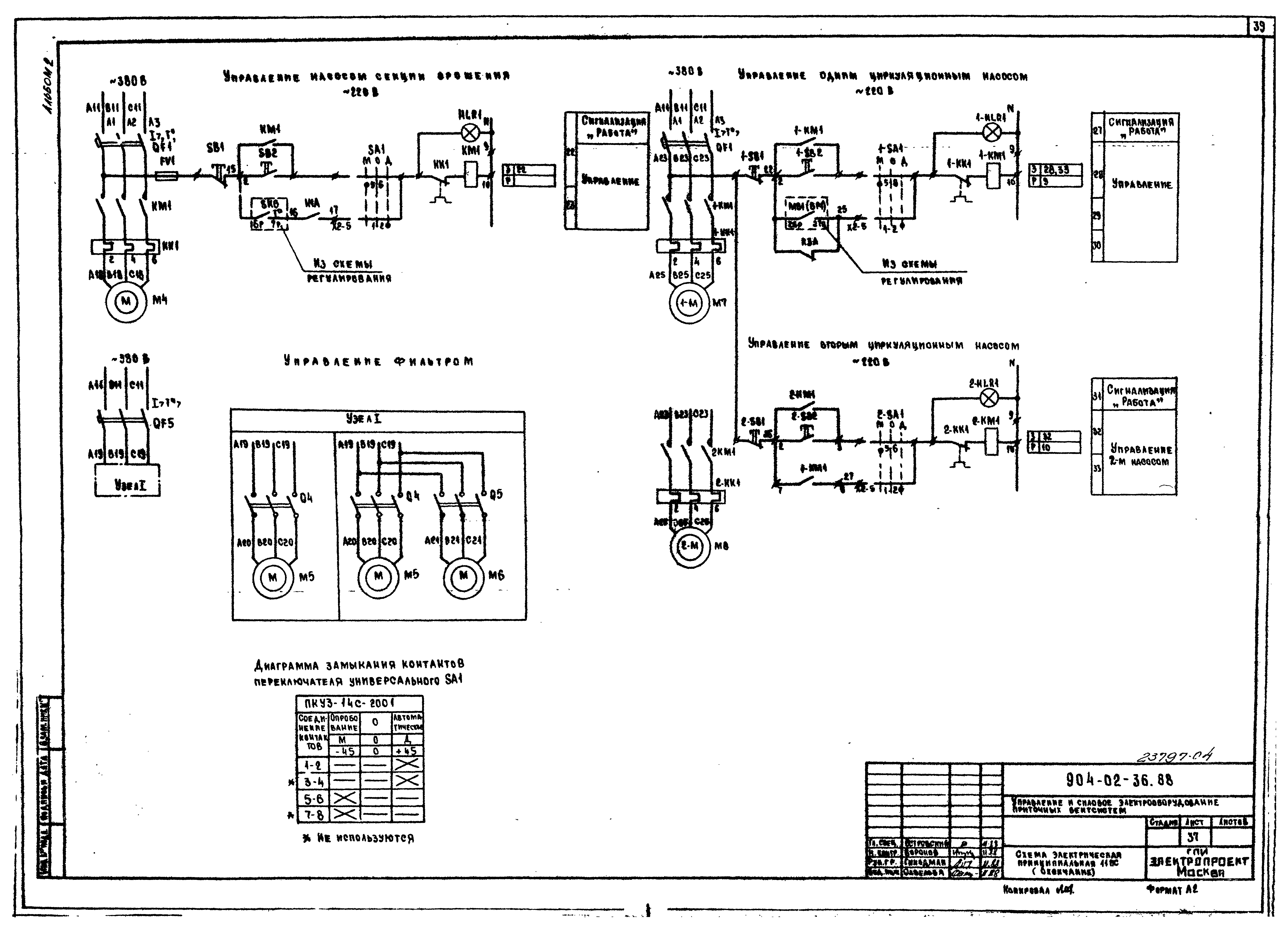
Скачать Типовые материалы для проектирования 904-02-36.88 Альбом 2. Схемы управления

Дата актуализации: 10.08.2017

Типовые материалы для проектирования 904-02-36.88

Альбом 2. Схемы управления

Обозначение: Типовые материалы для проектирования 904-02-36.88
Обозначение англ: 904-02-36.88
Статус:cправочные материалы, мп, тпр
Название рус.:Альбом 2. Схемы управления
Дата добавления в базу:01.09.2013
Дата актуализации:05.05.2017
Дата введения:29.03.1989
Оглавление:Пояснительная записка
Схемы электрические принципиальные
Дистанционная сигнализация. Схема электрическая принципиальная
Разработан: Сантехпроект Госстроя СССР
Госхимпроект
Утверждён:26.01.1989 Госстрой СССР (Государственный комитет Совета Министров СССР по делам строительства) (USSR Gosstroy 9)
Расположен в:Техническая документация Строительство Справочные документы Типовые строительные конструкции, изделия и узлы Общероссийский строительный каталог Промышленные предприятия, здания и сооружения Здания и сооружения санитарно-технические Воздухоснабжение, вентиляция и кондиционирование воздуха Вентиляция, кондиционирование воздуха
Типовые материалы для проектирования 904-02-36.88Типовые материалы для проектирования 904-02-36.88Типовые материалы для проектирования 904-02-36.88Типовые материалы для проектирования 904-02-36.88Типовые материалы для проектирования 904-02-36.88Типовые материалы для проектирования 904-02-36.88Типовые материалы для проектирования 904-02-36.88Типовые материалы для проектирования 904-02-36.88Типовые материалы для проектирования 904-02-36.88Типовые материалы для проектирования 904-02-36.88Типовые материалы для проектирования 904-02-36.88Типовые материалы для проектирования 904-02-36.88Типовые материалы для проектирования 904-02-36.88Типовые материалы для проектирования 904-02-36.88Типовые материалы для проектирования 904-02-36.88Типовые материалы для проектирования 904-02-36.88Типовые материалы для проектирования 904-02-36.88Типовые материалы для проектирования 904-02-36.88Типовые материалы для проектирования 904-02-36.88Типовые материалы для проектирования 904-02-36.88Типовые материалы для проектирования 904-02-36.88Типовые материалы для проектирования 904-02-36.88Типовые материалы для проектирования 904-02-36.88Типовые материалы для проектирования 904-02-36.88Типовые материалы для проектирования 904-02-36.88Типовые материалы для проектирования 904-02-36.88Типовые материалы для проектирования 904-02-36.88Типовые материалы для проектирования 904-02-36.88Типовые материалы для проектирования 904-02-36.88Типовые материалы для проектирования 904-02-36.88Типовые материалы для проектирования 904-02-36.88Типовые материалы для проектирования 904-02-36.88Типовые материалы для проектирования 904-02-36.88Типовые материалы для проектирования 904-02-36.88Типовые материалы для проектирования 904-02-36.88Типовые материалы для проектирования 904-02-36.88Типовые материалы для проектирования 904-02-36.88Типовые материалы для проектирования 904-02-36.88Типовые материалы для проектирования 904-02-36.88Типовые материалы для проектирования 904-02-36.88Типовые материалы для проектирования 904-02-36.88Типовые материалы для проектирования 904-02-36.88Типовые материалы для проектирования 904-02-36.88Типовые материалы для проектирования 904-02-36.88Типовые материалы для проектирования 904-02-36.88Типовые материалы для проектирования 904-02-36.88Типовые материалы для проектирования 904-02-36.88Типовые материалы для проектирования 904-02-36.88Типовые материалы для проектирования 904-02-36.88Типовые материалы для проектирования 904-02-36.88Типовые материалы для проектирования 904-02-36.88Типовые материалы для проектирования 904-02-36.88Типовые материалы для проектирования 904-02-36.88Типовые материалы для проектирования 904-02-36.88Типовые материалы для проектирования 904-02-36.88Типовые материалы для проектирования 904-02-36.88Типовые материалы для проектирования 904-02-36.88Типовые материалы для проектирования 904-02-36.88Типовые материалы для проектирования 904-02-36.88Типовые материалы для проектирования 904-02-36.88Типовые материалы для проектирования 904-02-36.88Типовые материалы для проектирования 904-02-36.88Типовые материалы для проектирования 904-02-36.88

© 2013 Ёшкин Кот :-) Карта сайта