Скачать Типовые материалы для проектирования 904-02-36.88 Альбом 1. Часть 2. Схемы автоматизации, схемы принципиальные, пневматическая система регулированияДата актуализации: 10.08.2017 Типовые материалы для проектирования 904-02-36.88
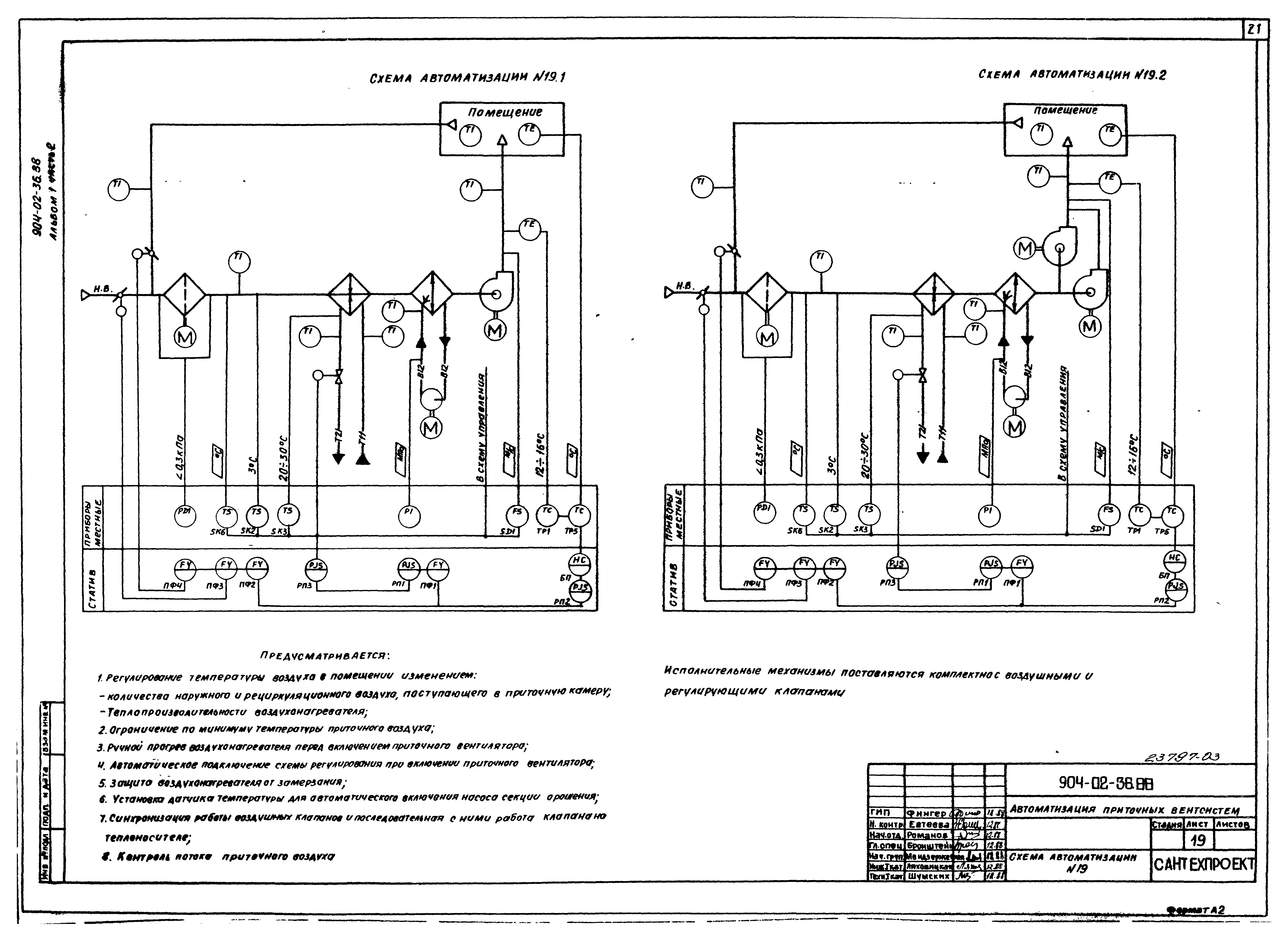
Альбом 1. Часть 2. Схемы автоматизации, схемы принципиальные, пневматическая система регулированияОбозначение: | Типовые материалы для проектирования 904-02-36.88 | Обозначение англ: | 904-02-36.88 | Статус: | cправочные материалы, мп, тпр | Название рус.: | Альбом 1. Часть 2. Схемы автоматизации, схемы принципиальные, пневматическая система регулирования | Дата добавления в базу: | 01.09.2013 | Дата актуализации: | 05.05.2017 | Дата введения: | 29.03.1989 | Оглавление: | Схемы автоматизации Схемы пневматические принципиальные регулирования Приложение | Разработан: | Сантехпроект Госстроя СССР Госхимпроект
| Утверждён: | 26.01.1989 Госстрой СССР (Государственный комитет Совета Министров СССР по делам строительства) (USSR Gosstroy 9)
| Расположен в: |
|
                                           
|