Информационная система
«Ёшкин Кот»

Скачать базу одним архивом
Скачать обновления
История создания базы
Карта сайта

Скачать Типовой проект 901-1-85.87 Альбом VI. Задания заводам-изготовителям на комплектные электротехнические устройства (из ТП 901-1-87.87)

Дата актуализации: 10.08.2017

Типовой проект 901-1-85.87

Альбом VI. Задания заводам-изготовителям на комплектные электротехнические устройства (из ТП 901-1-87.87)

Обозначение: Типовой проект 901-1-85.87
Обозначение англ: 901-1-85.87
Статус:не определен законодательством
Название рус.:Альбом VI. Задания заводам-изготовителям на комплектные электротехнические устройства (из ТП 901-1-87.87)
Дата добавления в базу:01.10.2014
Дата актуализации:05.05.2017
Дата введения:28.08.1987
Оглавление:Ведомость чертежей выпуска
Задание заводу-изготовителю на НКУ
   Перечень комплектных устройств
   Щит станций управления ШЩ. Чертеж общего вида
   Щит станций управления ШЩ. Технические данные аппаратов
   Щит станций управления ШЩ. Таблица перечня надписей
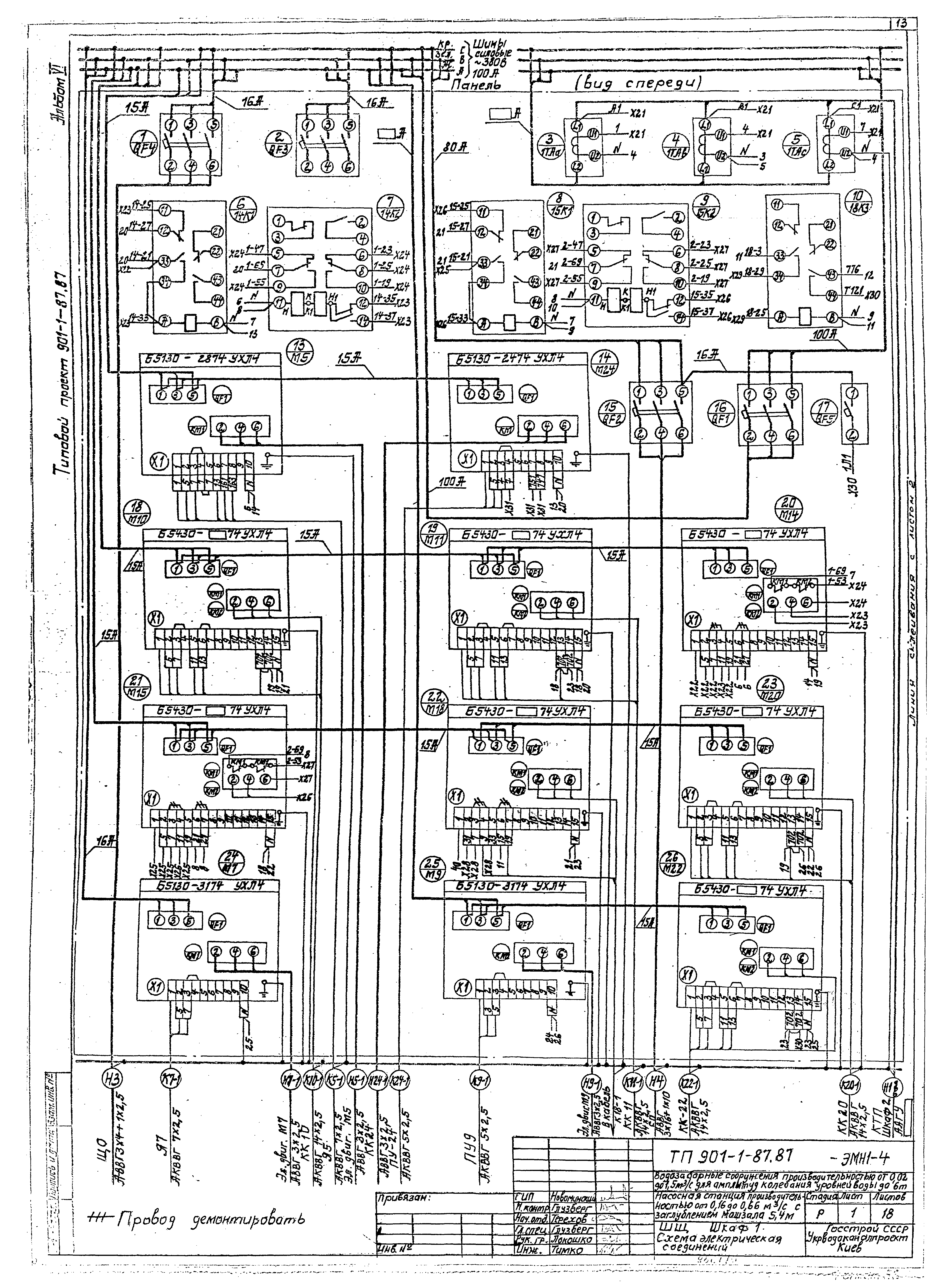
   Щит станций управления ШЩ. Схема электрическая соединений
   Ящик Я1 (Я2, Я3, Я4). Чертеж общего вида
   Ящик Я1 (Я2, Я3, Я4). Технические данные аппаратов
   Ящик Я1 (Я2, Я3, Я4). Таблица перечня надписей
   Ящик Я1 (Я2, Я3, Я4). Схема электрическая соединений
   Ящик Я5. Чертеж общего вида
   Ящик Я5. Технические данные аппаратов
   Ящик Я5. Таблица перечня надписей
   Ящик Я5. Схема электрическая соединений
   Ящик Я7. Чертеж общего вида
   Ящик Я7. Технические данные аппаратов
   Ящик Я7. Таблица перечня надписей
   Ящик Я7. Схема электрическая соединений
Задание заводу-изготовителю на щиты систем автоматизации технологических процессов
   Спецификация щитов
   Щит КИП. Общий вид
   Щит КИП. Таблица соединений
   Щит КИП. Таблица подключений
Разработан: Укрводоканалпроект
Утверждён:28.08.1987 Госстрой СССР (Государственный комитет Совета Министров СССР по делам строительства) (USSR Gosstroy 57)
Расположен в:Техническая документация Строительство Справочные документы Типовые строительные конструкции, изделия и узлы Общероссийский строительный каталог Промышленные предприятия, здания и сооружения Здания и сооружения санитарно-технические Водоснабжение Насосные станции Насосные станции водопроводные
Заменяет собой:
Типовой проект 901-1-85.87Типовой проект 901-1-85.87Типовой проект 901-1-85.87Типовой проект 901-1-85.87Типовой проект 901-1-85.87Типовой проект 901-1-85.87Типовой проект 901-1-85.87Типовой проект 901-1-85.87Типовой проект 901-1-85.87Типовой проект 901-1-85.87Типовой проект 901-1-85.87Типовой проект 901-1-85.87Типовой проект 901-1-85.87Типовой проект 901-1-85.87Типовой проект 901-1-85.87Типовой проект 901-1-85.87Типовой проект 901-1-85.87Типовой проект 901-1-85.87Типовой проект 901-1-85.87Типовой проект 901-1-85.87Типовой проект 901-1-85.87Типовой проект 901-1-85.87Типовой проект 901-1-85.87Типовой проект 901-1-85.87Типовой проект 901-1-85.87Типовой проект 901-1-85.87Типовой проект 901-1-85.87Типовой проект 901-1-85.87Типовой проект 901-1-85.87Типовой проект 901-1-85.87Типовой проект 901-1-85.87Типовой проект 901-1-85.87Типовой проект 901-1-85.87Типовой проект 901-1-85.87Типовой проект 901-1-85.87Типовой проект 901-1-85.87Типовой проект 901-1-85.87Типовой проект 901-1-85.87Типовой проект 901-1-85.87Типовой проект 901-1-85.87Типовой проект 901-1-85.87

© 2013 Ёшкин Кот :-) Карта сайта