Скачать Типовой проект 902-9-45.88 Альбом II. Технологические, архитектурно-строительные, санитарно-технические решенияДата актуализации: 10.08.2017 Типовой проект 902-9-45.88
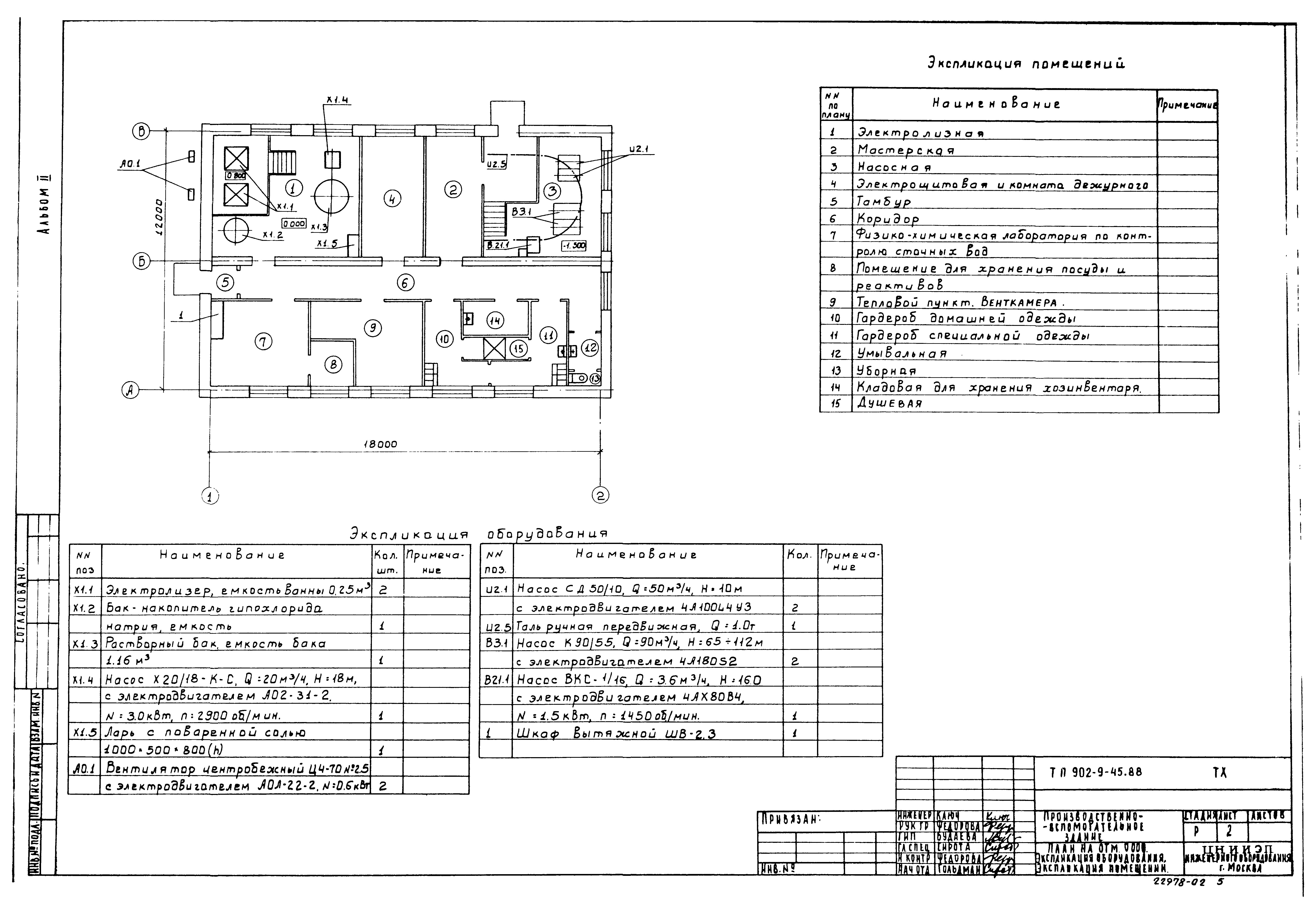
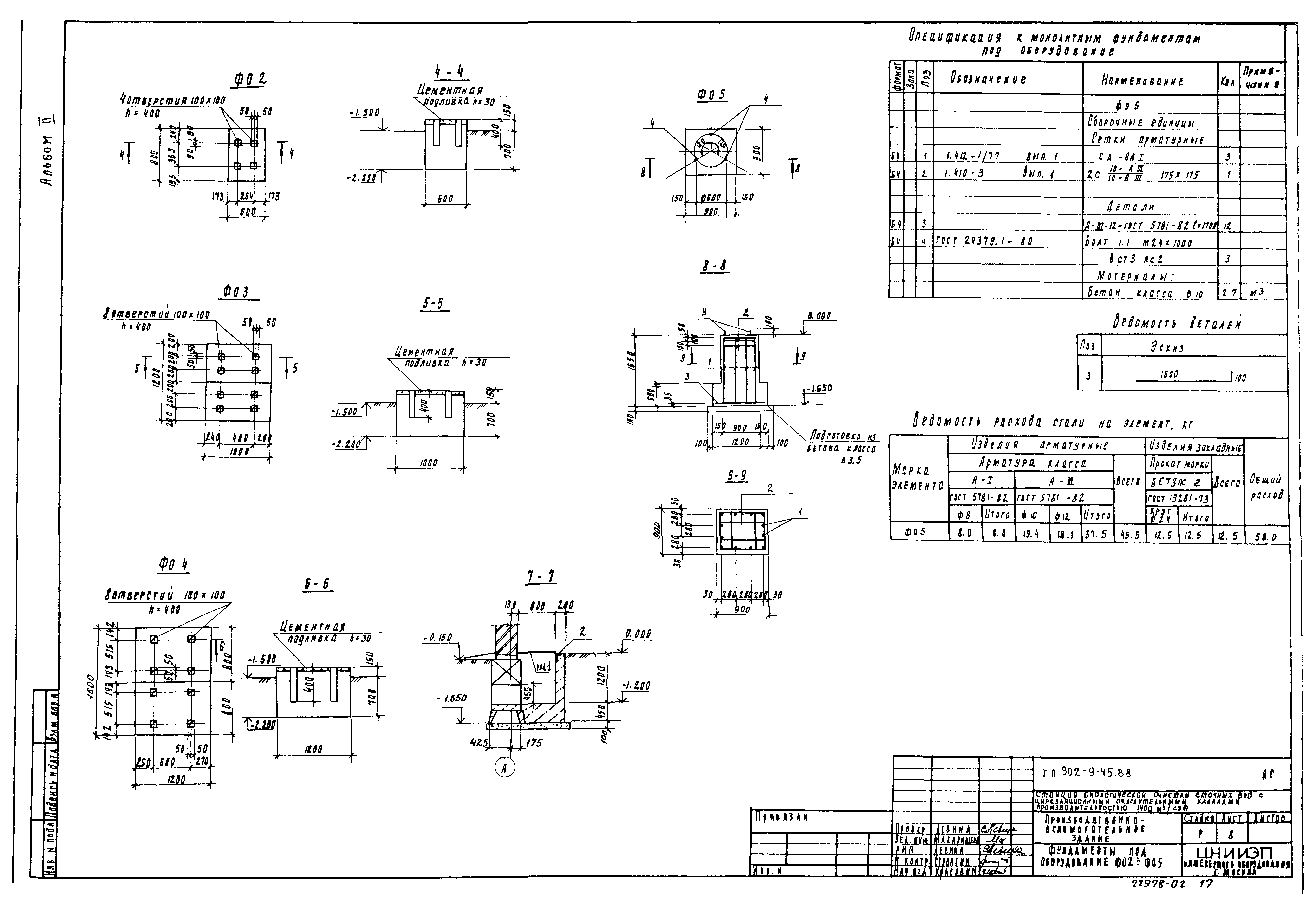
Альбом II. Технологические, архитектурно-строительные, санитарно-технические решенияОбозначение: | Типовой проект 902-9-45.88 | Обозначение англ: | 902-9-45.88 | Статус: | не определен законодательством | Название рус.: | Альбом II. Технологические, архитектурно-строительные, санитарно-технические решения | Дата добавления в базу: | 21.05.2015 | Дата актуализации: | 05.05.2017 | Дата введения: | 17.12.1987 | Разработан: | ЦНИИЭП инженерного оборудования
| Утверждён: | 17.12.1987 Госгражданстрой (Gosgrazhdanstroy 409)
| Расположен в: |
|
                            
|