Скачать Раздел 2 Застройка участка, инженерные сети и благоустройствоДата актуализации: 10.08.2017 Раздел 2
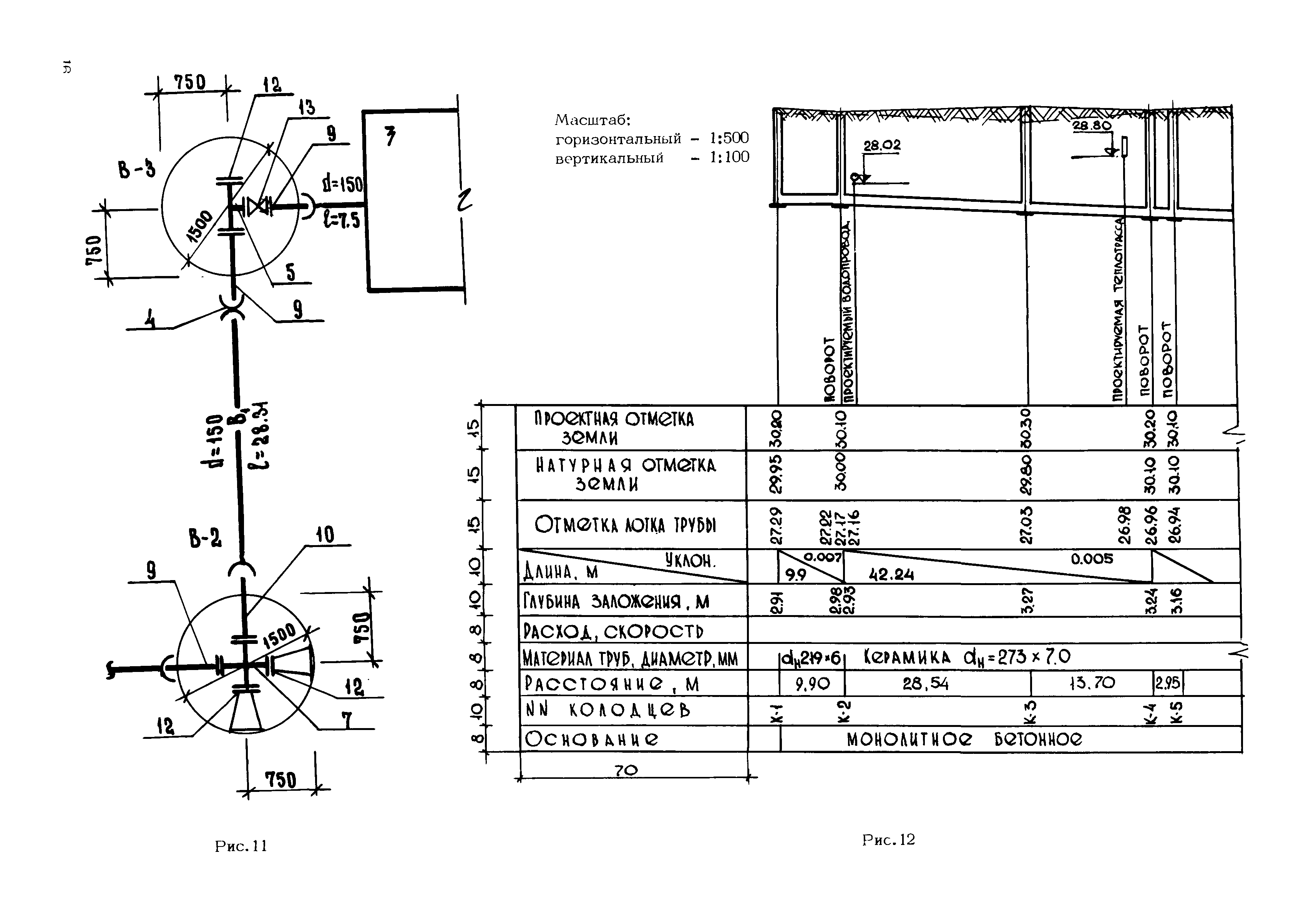
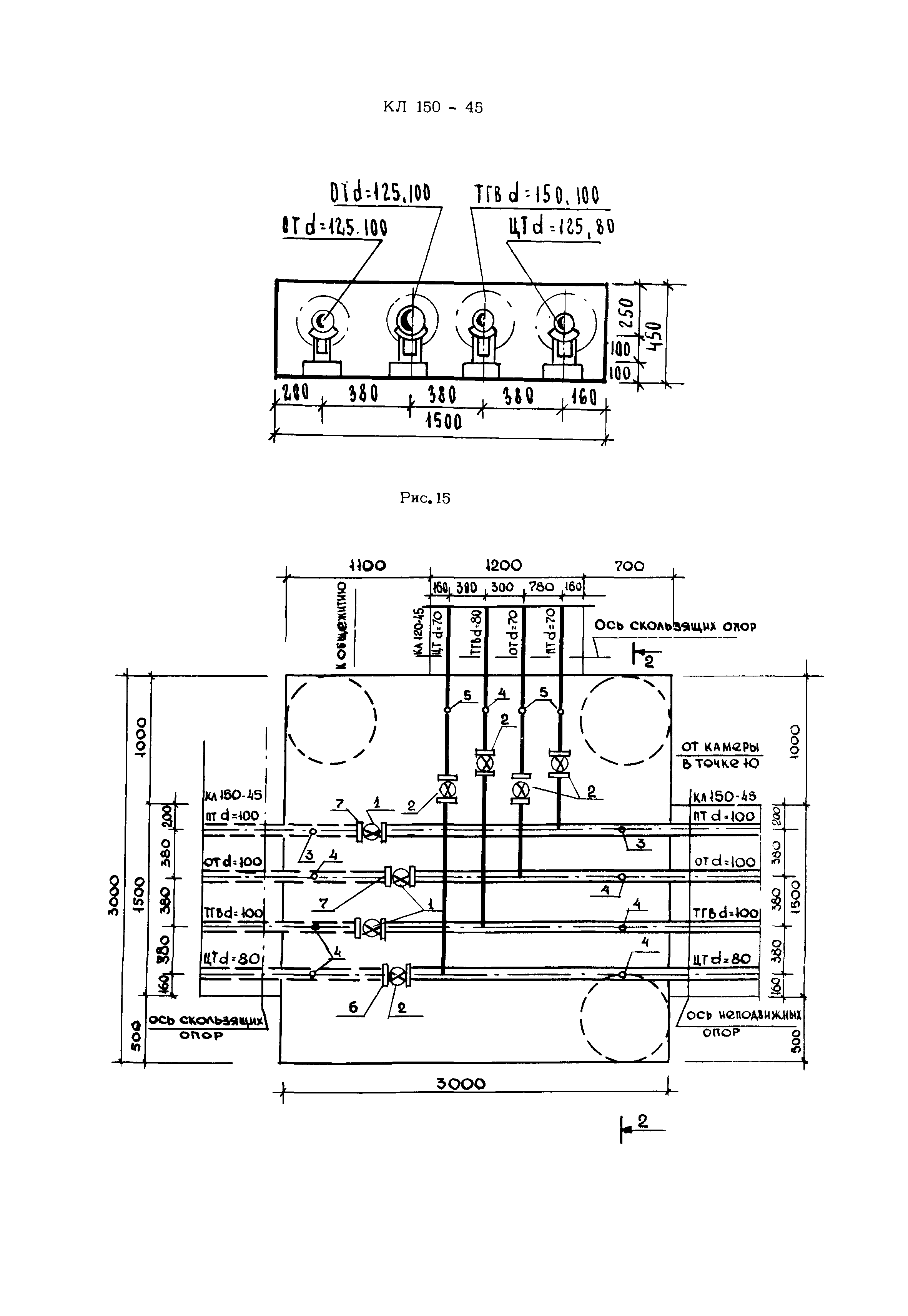
Застройка участка, инженерные сети и благоустройствоОбозначение: | Раздел 2 | Обозначение англ: | Раздел 2 | Статус: | действует | Название рус.: | Застройка участка, инженерные сети и благоустройство | Дата добавления в базу: | 01.09.2013 | Дата актуализации: | 05.05.2017 | Область применения: | Инструкция устанавливает состав и правила оформления рабочих чертежей застройки участка его инженерных сетей и благоустройства. | Оглавление: | 1.Область применения 2. Состав основного комплекта рабочих чертежей и общие правила их оформления 3. Генеральный план участка, разбивочный чертеж зданий и проездов 4. План благоустройства, малые формы архитектуры 5. План и конструкция покрытий проездов, дорожек и площадок 6. Озеленение 7. Вертикальная планировка территории участка 8. Картограмма земляных работ 9. План инженерных сетей 10. Схемы сетей водопровода и напорной канализации 11. Схемы трубопроводов тепловых сетей 12. Продольные профили инженерных сетей 13. Узлы ответвлений трубопроводов теплоснабжения (камеры) и установки компенсаторов 14. Сводный план инженерных сетей 15. Примеры оформления чертежей Формы экспликаций, спецификаций Приложение 1.Условные обозначения приложение 2. Индексы обозначения инженерных сетей | Разработан: | ЦНИИП градостроительства
| Утверждён: | 30.12.1977 Государственный комитет по гражданскому строительству и архитектуре при Госстрое СССР (261)
| Расположен в: |
| Нормативные ссылки: | |
                                 
|