Скачать Типовой проект 903-1-248.87 Альбом 2.1. Строительно-технологическая блок-секция котлоагрегата КВ-ГМ-11,63-150. Части: тепломеханическая, конструкции железобетонные, автоматизация (из ТП 903-1-229.86)Дата актуализации: 10.08.2017 Типовой проект 903-1-248.87
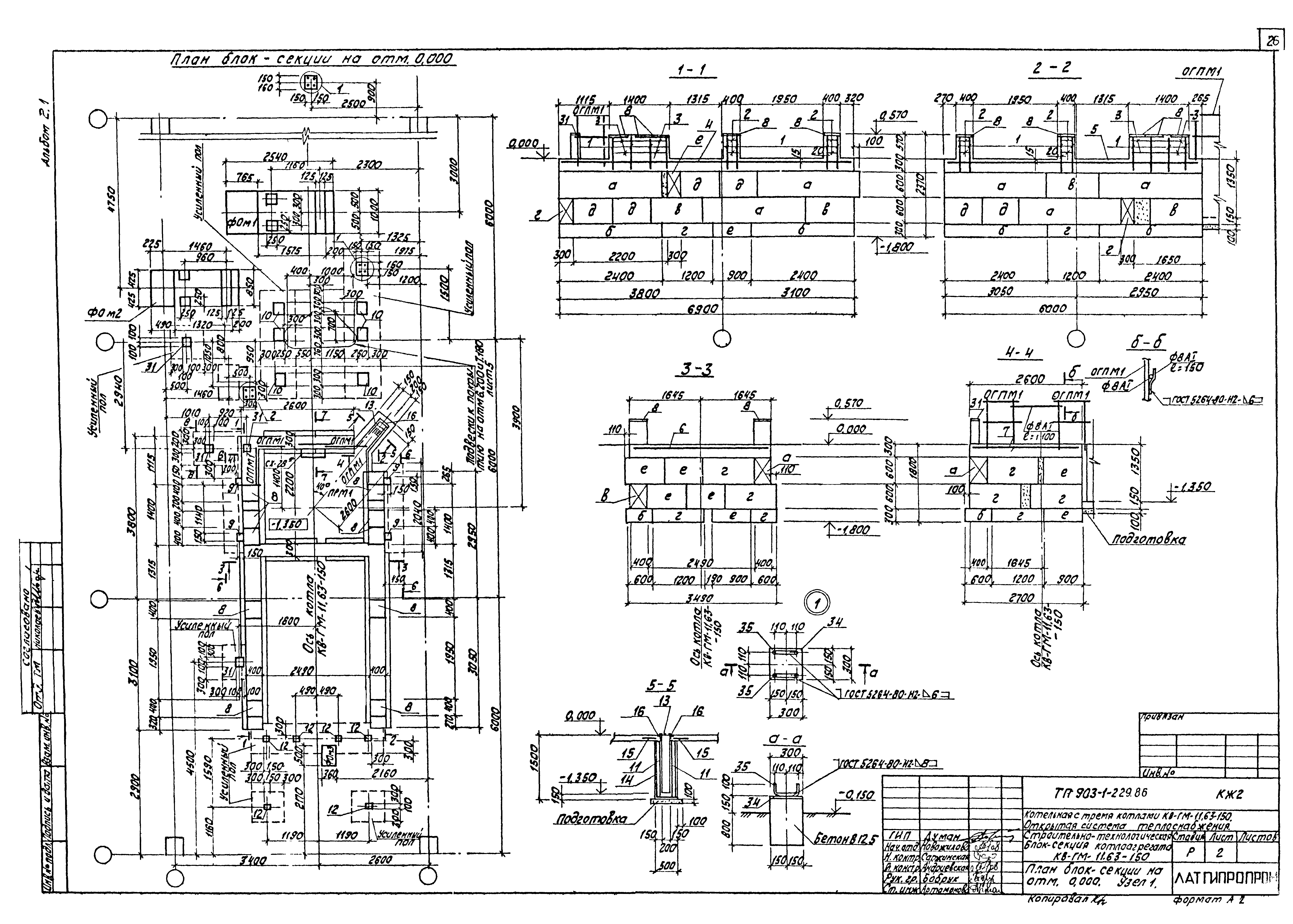
Альбом 2.1. Строительно-технологическая блок-секция котлоагрегата КВ-ГМ-11,63-150. Части: тепломеханическая, конструкции железобетонные, автоматизация (из ТП 903-1-229.86)Обозначение: | Типовой проект 903-1-248.87 | Обозначение англ: | 903-1-248.87 | Статус: | не определен законодательством | Название рус.: | Альбом 2.1. Строительно-технологическая блок-секция котлоагрегата КВ-ГМ-11,63-150. Части: тепломеханическая, конструкции железобетонные, автоматизация (из ТП 903-1-229.86) | Дата добавления в базу: | 01.09.2013 | Дата актуализации: | 05.05.2017 | Дата введения: | 22.07.1986 | Оглавление: | ТП 903-1-22986-ТМ4 Тепломеханическая часть ТМ4 ТП 903-1-22986-ТМ4-1 Общие данные (начало) ТП 903-1-22986-ТМ4-2 Общие данные (продолжение) ТП 903-1-22986-ТМ4-3 Общие данные (продолжение) ТП 903-1-22986-ТМ4-4 Общие данные (окончание) ТП 903-1-22986-ТМ4-5 Компоновка оборудования. План ТП 903-1-22986-ТМ4-6 Компоновка оборудования. Разрезы А-А,Б-Б ТП 903-1-22986-ТМ4-7 Компоновка оборудования. Разрез В-В ТП 903-1-22986-ТМ4-8 Газоходы котла КВ-ГМ-11.63-150. План. Фланец ТП 903-1-22986-ТМ4-9 Газоходы котла КВ-ГМ-11.63-150. Разрез А-А. Фланцы ТП 903-1-22986-ТМ4-10 Воздуховоды котла КВ-ГМ-11.63-150. План. Разрезы Д-Д,Г-Г ТП 903-1-22986-ТМ4-11 Воздуховоды котла КВ-ГМ-11.63-150. Разрезы А-А,Б-Б,В-В ТП 903-1-22986-ТМ4-12 Воздуховоды котла КВ-ГМ-11.63-150. Узлы 1,2. Фланцы ТП 903-1-22986-ТМ4-13 Трубопроводы сетевой воды. План. Разрез А-А ТП 903-1-22986-ТМ4-14 Трубопроводы сетевой воды. План. Разрез Б-Б ТП 903-1-22986-ТМ4-15 Схема дренажа отвода воздуха трубопроводов сетевой воды ТП 903-1-22986-ТМ4-16 Схема паромазутопроводов и трубопроводов дренажа ТП 903-1-22986-ТМ4-17 Трубопроводы обвязки КТАНа-08УГ. План. Разрезы А-А,Б-Б ТП 903-1-22986-ТМ4-18 Схема дренажей трубопроводов обвязки КТАНа-08УГ ТП 903-1-22986-ТМ4-19 Трубопроводы дробеочистки. План. Разрезы А-А,Б-Б,В-В ТП 903-1-22986-ГСВ2 Газоснабжение ГСВ2 ТП 903-1-22986-ГСВ2-1 Общие данные ТП 903-1-22986-ГСВ2-2 Газооборудование котла КВ-ГМ-11.63-150. Разрез В-В. Вид А ТП 903-1-22986-ГСВ2-3 Спецификация на газооборудование котла КВ-ГМ-11.63-150 ТП 903-1-22986-КЖ2 Конструкции железобетонные КЖ2 ТП 903-1-22986-КЖ2-1 Общие данные ТП 903-1-22986-КЖ2-2 План блок-секции на отм. 0.000. Узел 1 ТП 903-1-22986-КЖ2-3 ФОМ1,ФОМ2,ФОМ3. Схема нагрузок блок-секции ТП 903-1-22986-КЖ2-4 Деталь усиленного пола. Сечение 6-6÷8-8. Узел 2 ТП 903-1-22986-КЖ2-5 Подвески к покрытию на отм. 6.200 и 7.180. Узлы 3,4 ТП 903-1-22986-КЖ2.И.1.2 Изделие закладное МН2 ТП 903-1-22986-КЖ2.И.1.1 Изделие закладное МН1 ТП 903-1-22986-КЖ2.И.1.3 Изделие закладное МН3 ТП 903-1-22986-КЖ2.И.ТУ Технические условия ТП 903-1-22986-АТМ1 Автоматизация АТМ1 ТП 903-1-22986-АТМ1-1 Общие данные ТП 903-1-22986-АТМ1-2 Схема автоматизации ТП 903-1-22986-АТМ1-3 Схема автоматизации ТП 903-1-22986-АТМ1-4 Схема электрическая принципиальная питания ТП 903-1-22986-АТМ1-5 Схема электрическая принципиальная управления отсеченными клапанами и задвижкой ТП 903-1-22986-АТМ1-6 Схема соединений внешних проводок ТП 903-1-22986-АТМ1-7 Схема соединений внешних проводок ТП 903-1-22986-АТМ1-8 Схема соединений внешних проводок ТП 903-1-22986-АТМ1-9 Схема соединений внешних проводок ТП 903-1-22986-АТМ1-10 Схема соединений подключения проводок ТП 903-1-22986-АТМ1-11 Схема соединений подключения проводок к щиту КСУ1-ГМ ТП 903-1-22986-АТМ1-12 План расположения ТП 903-1-22986-АТМ1-13 Котел КВ-ГМ-11.63-150. Установка МЭО-100/63-0.25У к дымососу ДН-12-5 ТП 903-1-22986-АТМ1-14 Котел КВ-ГМ-11.63-150. Установка МЭО-100/25-0.25У к вентилятору ВДН-10 ТП 903-1-22986-АТМ1-15 Котел КВ-ГМ-11.63-150. Установка МЭО-100/25-0.25У к клапану 9с-3-3-1 на мазутопроводе к котлу ТП 903-1-22986-АТМ1-16 Котел КВ-ГМ-11.63-150. Установка МЭО-100/25-0.25У к заслонке поворотно-регулирующей ПР3-150 | Разработан: | Латгипропром
| Утверждён: | 22.07.1986 Госстрой СССР (Государственный комитет Совета Министров СССР по делам строительства) (USSR Gosstroy АЧ-45)
| Расположен в: |
|
                                             
|