Скачать Типовой проект 224-1-454.85 Альбом II. Чертежи санитарно-технические, электрооборудования, связи, сигнализации, автоматики вентиляционных системДата актуализации: 10.08.2017 Типовой проект 224-1-454.85
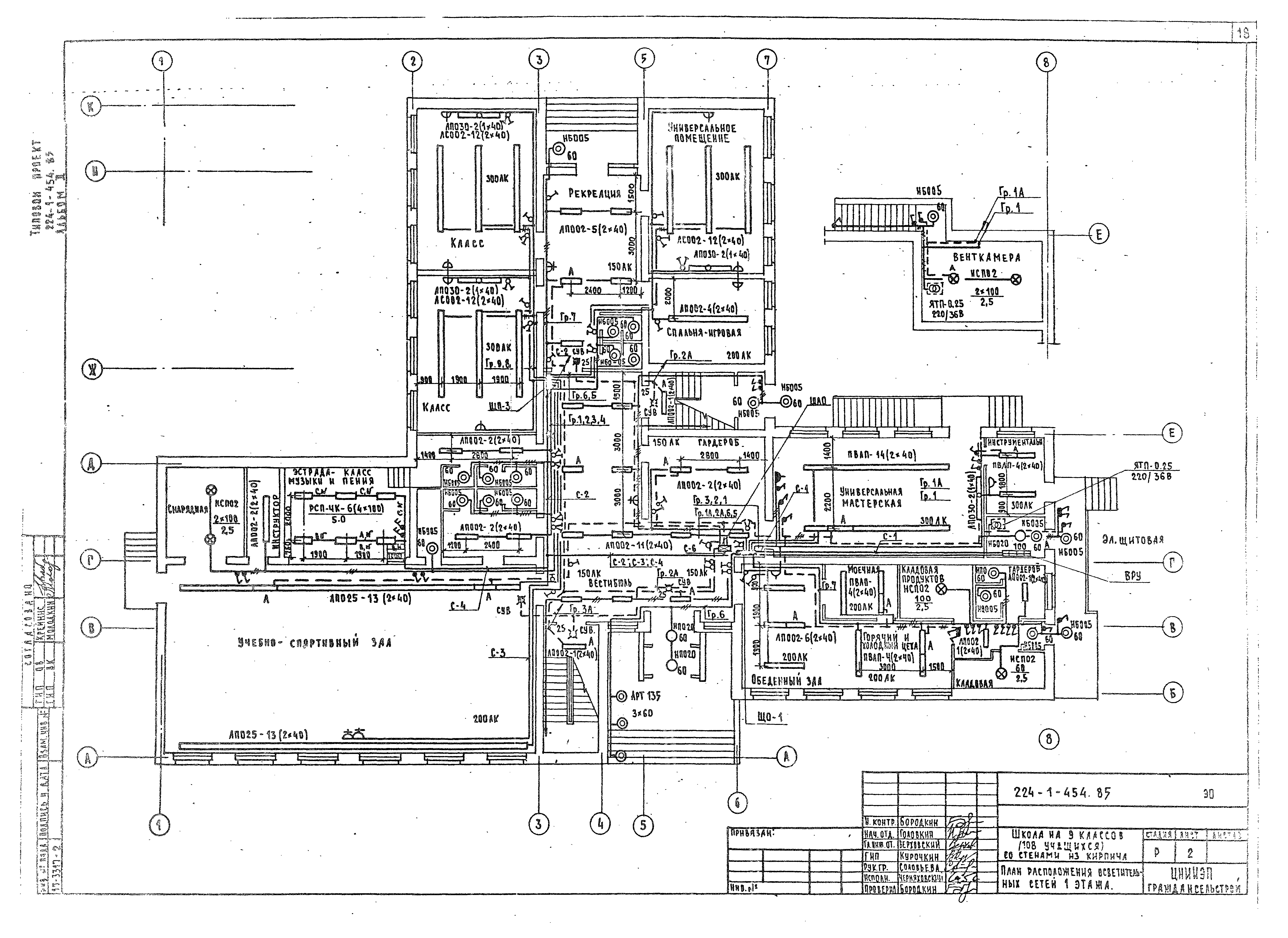
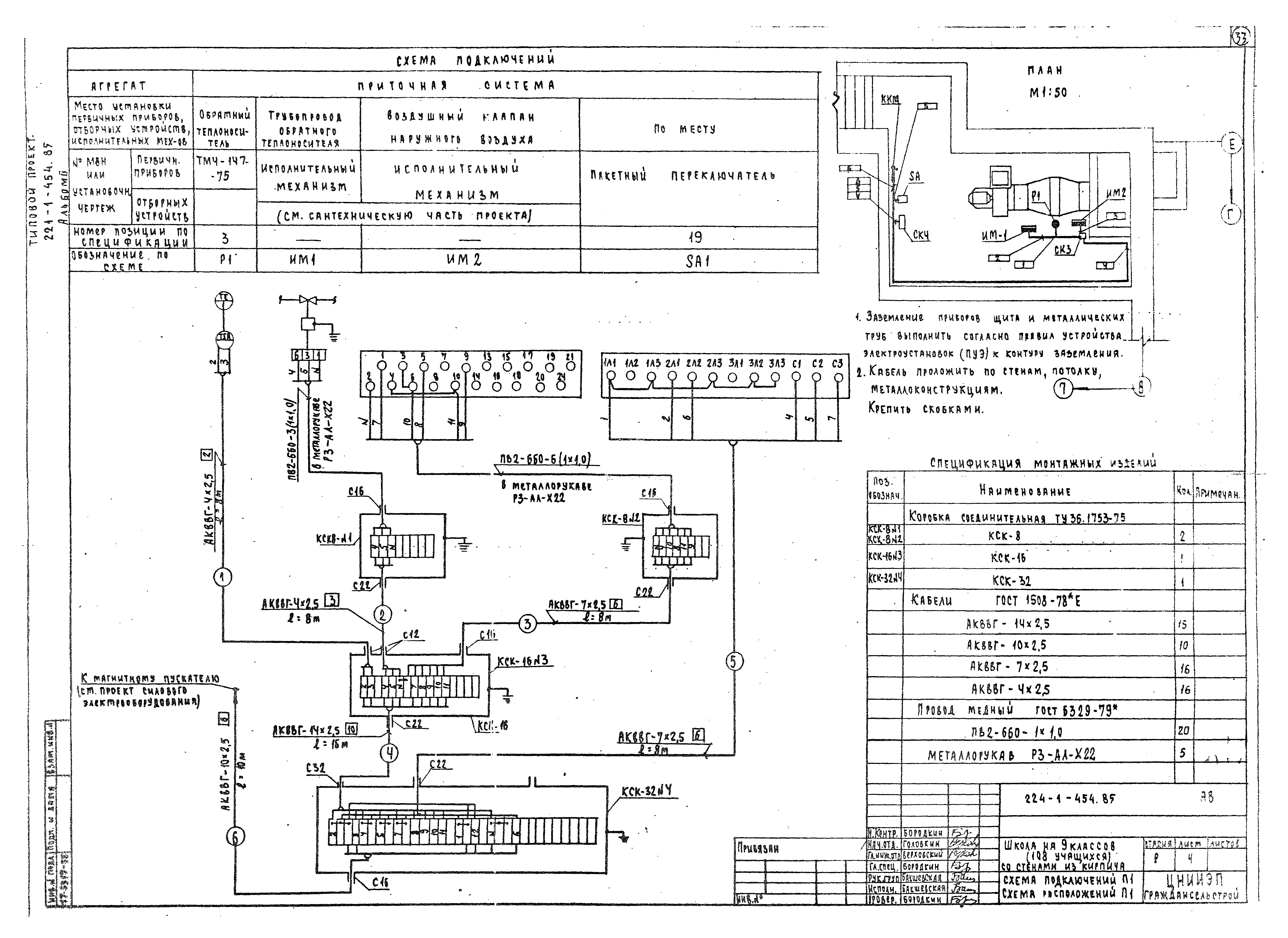
Альбом II. Чертежи санитарно-технические, электрооборудования, связи, сигнализации, автоматики вентиляционных системОбозначение: | Типовой проект 224-1-454.85 | Обозначение англ: | 224-1-454.85 | Статус: | не определен законодательством | Название рус.: | Альбом II. Чертежи санитарно-технические, электрооборудования, связи, сигнализации, автоматики вентиляционных систем | Дата добавления в базу: | 01.09.2013 | Дата актуализации: | 05.05.2017 | Дата введения: | 18.12.1985 | Оглавление: | Содержание альбома Отопление и вентиляция Общие данные План 1 этажа. План подвала План 2 этажа Схемы систем отопления 1, 2 Схемы систем вентиляции П1, В1, В2, ВЕ-1 - ВЕ-18 Установка системы П1 Узел управления. Схема теплоснабжения установки П1 Воздуховод из асбестоцементных листов. Конструкция теплоизоляционная Водоснабжение и канализация Общие данные План 1 этажа План 2 этажа Схемы систем В1, Т3, Т4 Схемы систем К1, К3 Электрооборудование Общие данные План расположения осветительных сетей 1 этажа План расположения осветительных сетей 2 этажа Данные о групповых щитах Принципиальная схема питающей сети План расположения силовых сетей Расчетная схема силовых сетей Опросный лист на вводно-распределительное устройство Связь и сигнализация Общие данные Схема расположения устройств связи. План кровли План 1 этажа План 2 этажа Автоматика вентсистем Общие данные Вентсистема П1. Схема автоматизации Схема принципиальная электрическая управления П1 Схема подключений П1. Схема расположений П1 | Разработан: | ЦНИИЭП граждансельстрой
| Утверждён: | 05.02.1985 Госгражданстрой (Gosgrazhdanstroy 34)
| Расположен в: |
|
                               
|