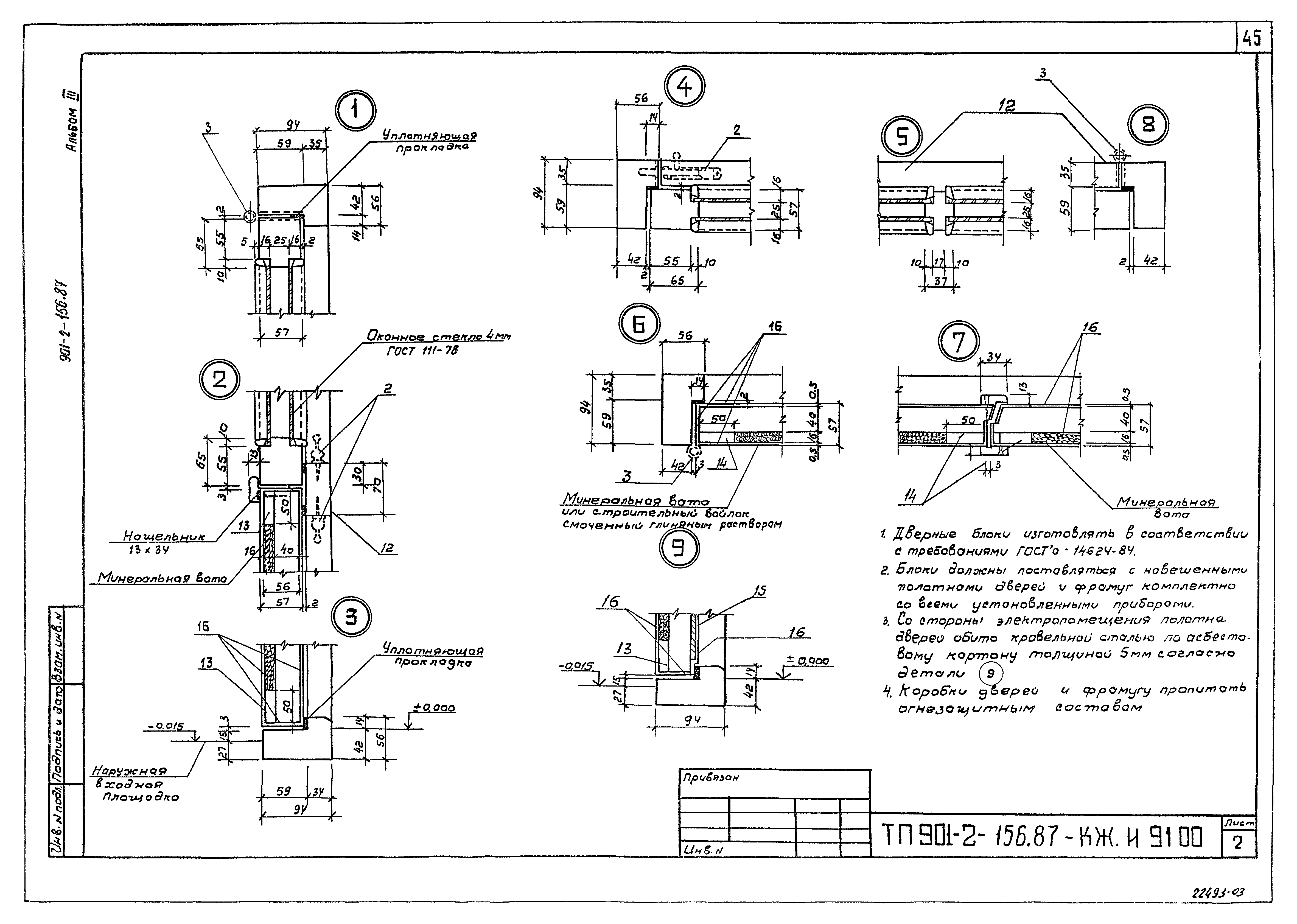
Скачать Типовой проект 901-2-156.87 Альбом III. Строительные изделияДата актуализации: 10.08.2017 Типовой проект 901-2-156.87
Альбом III. Строительные изделияОбозначение: | Типовой проект 901-2-156.87 | Обозначение англ: | 901-2-156.87 | Статус: | отменен | Название рус.: | Альбом III. Строительные изделия | Дата добавления в базу: | 01.02.2017 | Дата актуализации: | 05.05.2017 | Дата введения: | 01.07.1996 | Разработан: | Союзводоканалпроект
| Утверждён: | 09.07.1987 Госстрой СССР (Государственный комитет Совета Министров СССР по делам строительства) (USSR Gosstroy АЧ-59)
| Расположен в: |
| Заменяет собой: | |
                                               
|