Информационная система
«Ёшкин Кот»

Скачать базу одним архивом
Скачать обновления
История создания базы
Карта сайта

Скачать ТУ 34-38-20220-94 Экраны гладкотрубные паровых стационарных котлов с естественной циркуляцией. Технические условия на капитальный ремонт

Дата актуализации: 10.08.2017

ТУ 34-38-20220-94

Экраны гладкотрубные паровых стационарных котлов с естественной циркуляцией. Технические условия на капитальный ремонт

Обозначение: ТУ 34-38-20220-94
Обозначение англ: TU 34-38-20220-94
Статус:действует
Название рус.:Экраны гладкотрубные паровых стационарных котлов с естественной циркуляцией. Технические условия на капитальный ремонт
Дата добавления в базу:01.09.2013
Дата актуализации:05.05.2017
Область применения:Технические условия распространяются на капитальный ремонт экранов гладкотрубных паровых стационарных котлов с естественной циркуляцией давлением 1.4 МПа и выше
Оглавление:1. Введение
   1.1 Общие положения
   1.2 Общие технические сведения
2. Общие технические требования
   2.1 Требования к материалам
   2.2 Требования к изготовлению элементов
   2.3 Требования к дефектации
   2.4 Требования к разборке
   2.5 Требования к подготовке под сварку
   2.6 Требования к сборке и сварке
   2.7 Контроль и испытание сварных соединений
   2.8 Требования к метрологическому обеспечению
3. Требования к составным частям
   3.1 Трубы экранов
   3.2 Крепления труб экранов
4. Требования к собранному изделию
5. Испытания
6. Консервация
7. Комплектность
8. Гарантии
Приложение 1. Перечень документов, упомянутых в ТУ
Приложение 2. Технические данные по экранам гладко-трубным стационарных паровых котлов с естественной циркуляцией энергоблоков 150-200 МВт
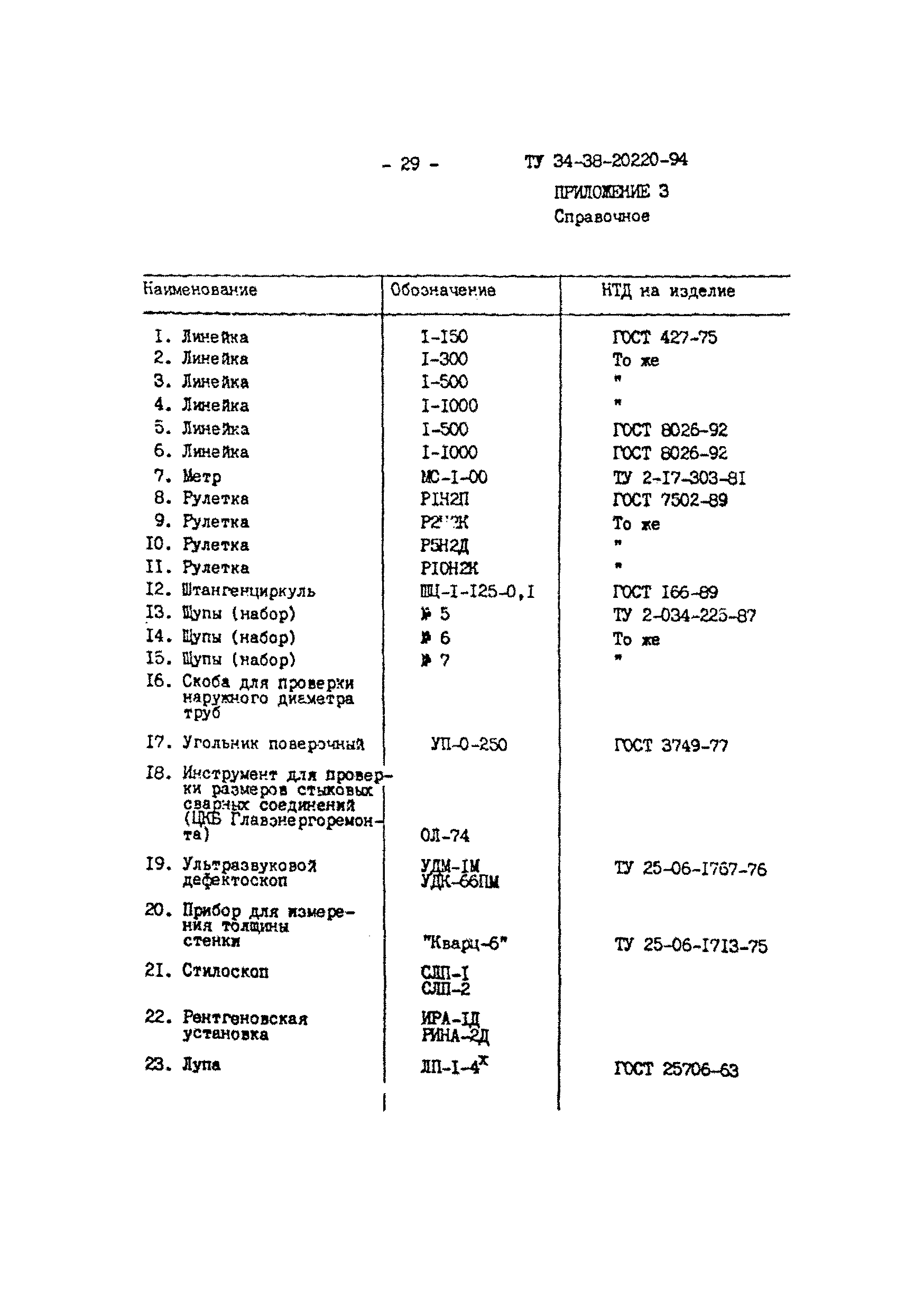
Приложение 3. Перечень контрольно-измерительных приборов и специального инструмента
Разработан: АООТ ЦКБ Энергоремонт
Утверждён: РАО ЕЭС России (UES of Russia RAO )
Принят: Главтехуправление
ПО Союзтехэнерго
ПО Красный котельщик
Союзэнергоремтрест
Барнаульский котельный завод
НПО ЦКТИ им. Ползунова
Расположен в:Техническая документация Строительство Стандарты Отраслевые стандарты и технические условия Технические условия
Заменяет собой:
  • ТУ 34-38-20220-84
Нормативные ссылки:
ТУ 34-38-20220-94ТУ 34-38-20220-94ТУ 34-38-20220-94ТУ 34-38-20220-94ТУ 34-38-20220-94ТУ 34-38-20220-94ТУ 34-38-20220-94ТУ 34-38-20220-94ТУ 34-38-20220-94ТУ 34-38-20220-94ТУ 34-38-20220-94ТУ 34-38-20220-94ТУ 34-38-20220-94ТУ 34-38-20220-94ТУ 34-38-20220-94ТУ 34-38-20220-94ТУ 34-38-20220-94ТУ 34-38-20220-94ТУ 34-38-20220-94ТУ 34-38-20220-94ТУ 34-38-20220-94ТУ 34-38-20220-94ТУ 34-38-20220-94ТУ 34-38-20220-94ТУ 34-38-20220-94ТУ 34-38-20220-94ТУ 34-38-20220-94ТУ 34-38-20220-94ТУ 34-38-20220-94ТУ 34-38-20220-94

© 2013 Ёшкин Кот :-) Карта сайта