Скачать Альбом РС 8212 Рабочие чертежи. Двери внутренние деревянные для жилых и общественных зданийДата актуализации: 10.08.2017 Альбом РС 8212
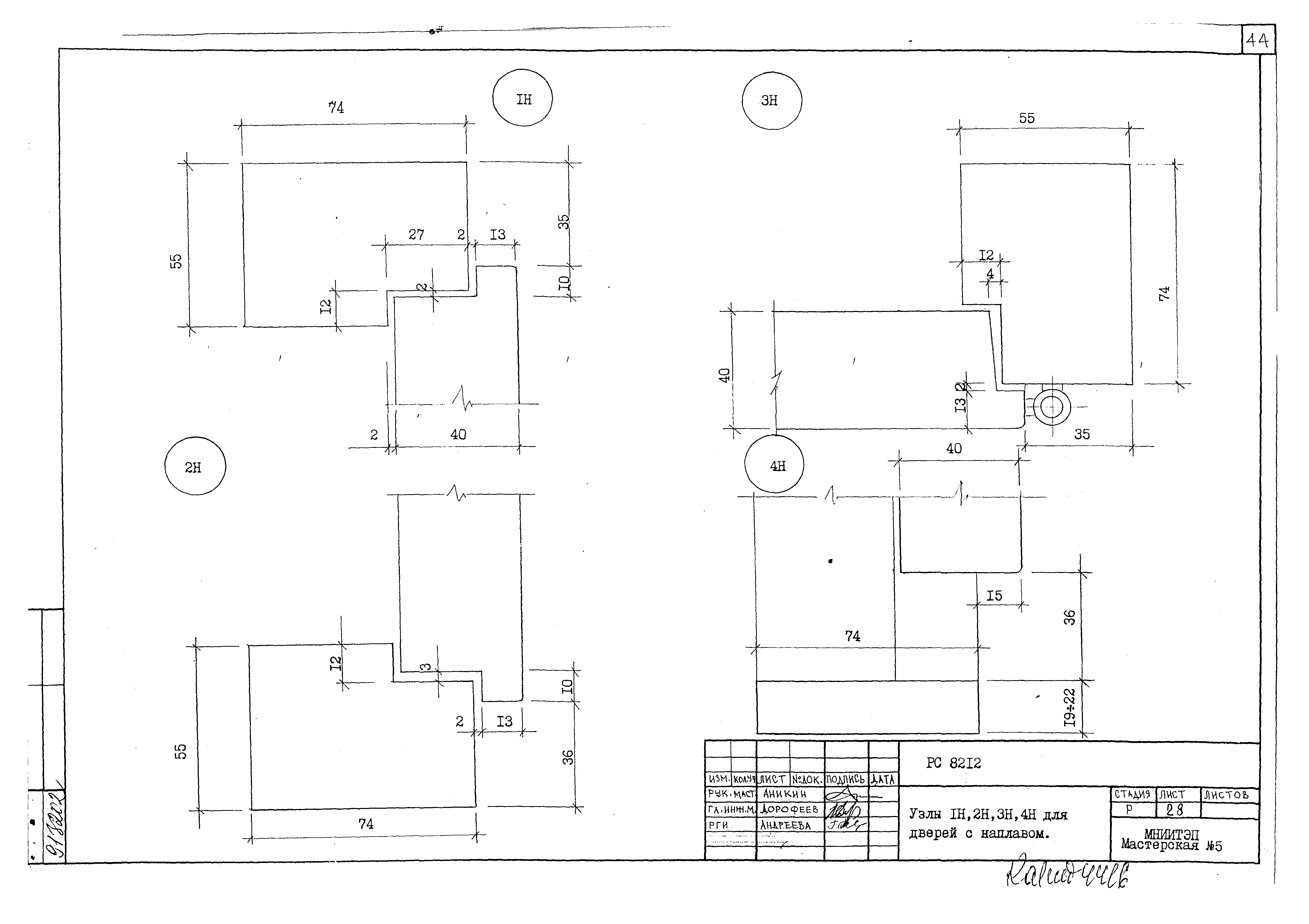
Рабочие чертежи. Двери внутренние деревянные для жилых и общественных зданийОбозначение: | Альбом РС 8212 | Обозначение англ: | РС 8212 | Статус: | действует | Название рус.: | Рабочие чертежи. Двери внутренние деревянные для жилых и общественных зданий | Дата добавления в базу: | 01.09.2013 | Дата актуализации: | 05.05.2017 | Оглавление: | Пояснительная записка Номенклатура изделий Двери входные в квартиру Спецификация материалов и приборов Узлы 1Н, 2Н, 3Н, 4Н для дверей с наплавом Дверь в раздаточную молочной кухни Информационная карта | Разработан: | МНИИТЭП
| Утверждён: | 16.04.1985 МНИИТЭП (MNIITEP 157)
| Расположен в: |
|
                                             
|