Информационная система
«Ёшкин Кот»

Скачать базу одним архивом
Скачать обновления
История создания базы
Карта сайта

Скачать Типовой проект 409-23-54.87 Альбом 4. Конструкции железобетонные. Конструкции металлические

Дата актуализации: 10.08.2017

Типовой проект 409-23-54.87

Альбом 4. Конструкции железобетонные. Конструкции металлические

Обозначение: Типовой проект 409-23-54.87
Обозначение англ: 409-23-54.87
Статус:не определен законодательством
Название рус.:Альбом 4. Конструкции железобетонные. Конструкции металлические
Дата добавления в базу:01.09.2013
Дата актуализации:05.05.2017
Дата введения:22.10.1987
Оглавление:Железобетонные конструкции
   Общие данные
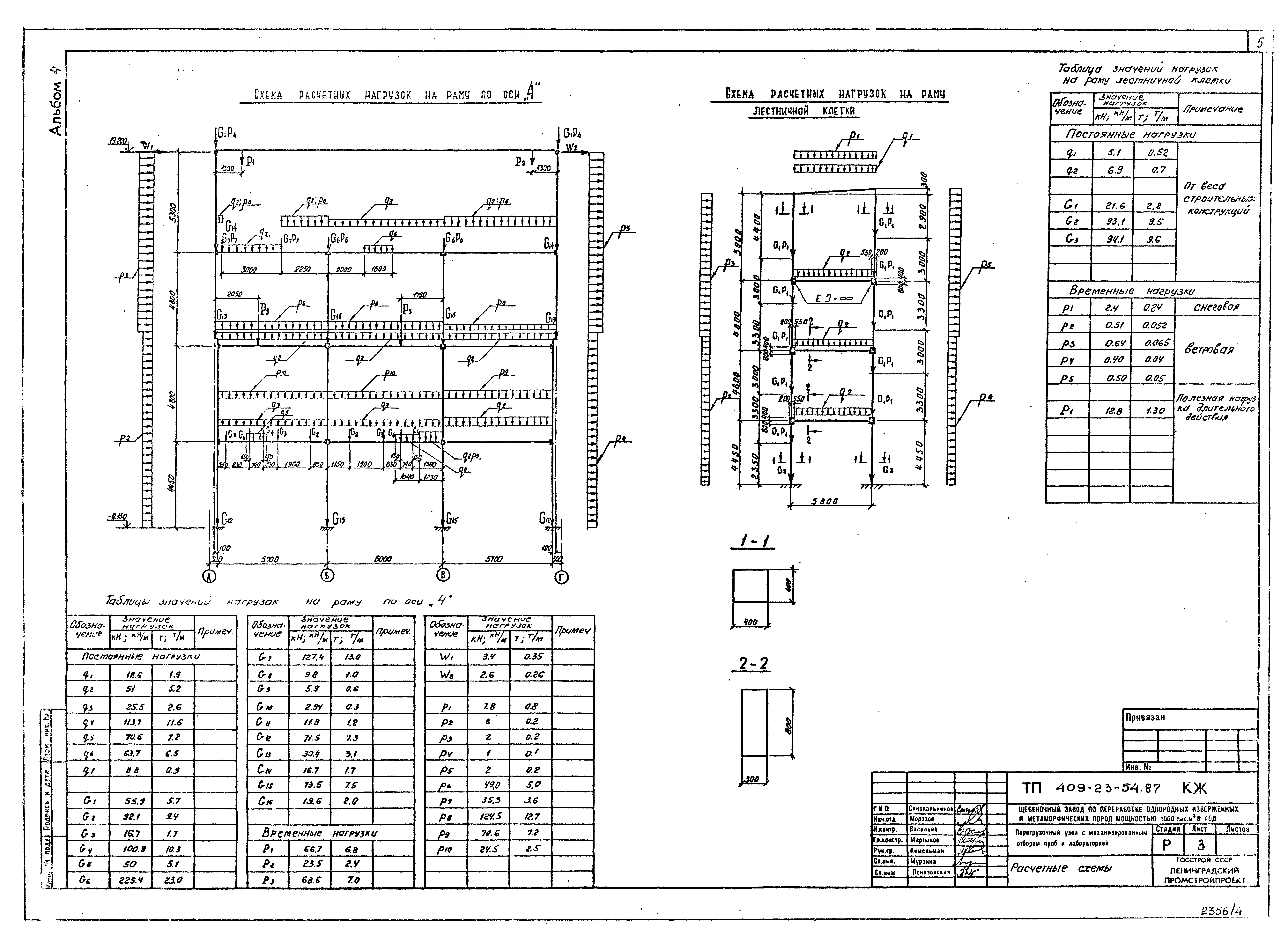
   Расчетные схемы
   Схема расположения фундаментов и фундаментных балок
   Схема расположения фундаментов. Узлы. Фундамент Фм6
   Фундаменты Фм1, Фм2, Фм2-1
   Фундаменты Фм3…Фм5
   Схема расположения элементов на отм. 0.000
   Схема расположения элементов на отм. 0.000. Узел I. Фундамент ФОм4
   Схема расположения элементов на отм. 0.000. Фундаменты ФОм7, ФОм9, ФОм10
   Схема расположения элементов на отм. 0.000. Спецификация
   Канал КЛм5 (трансформаторная)
   Зумпф ПЯм1
   Схемы расположения колонн, связей, ригелей и балок покрытия
   Схемы расположения колонн, связей, ригелей и балок покрытия. Разрезы 1-1…6-6
   Схемы расположения колонн, связей, ригелей и балок покрытия. Спецификация
   Схема расположения элементов лестницы по оси 1 между осями В - Г
   Плиты перекрытия Пм1…Пм4
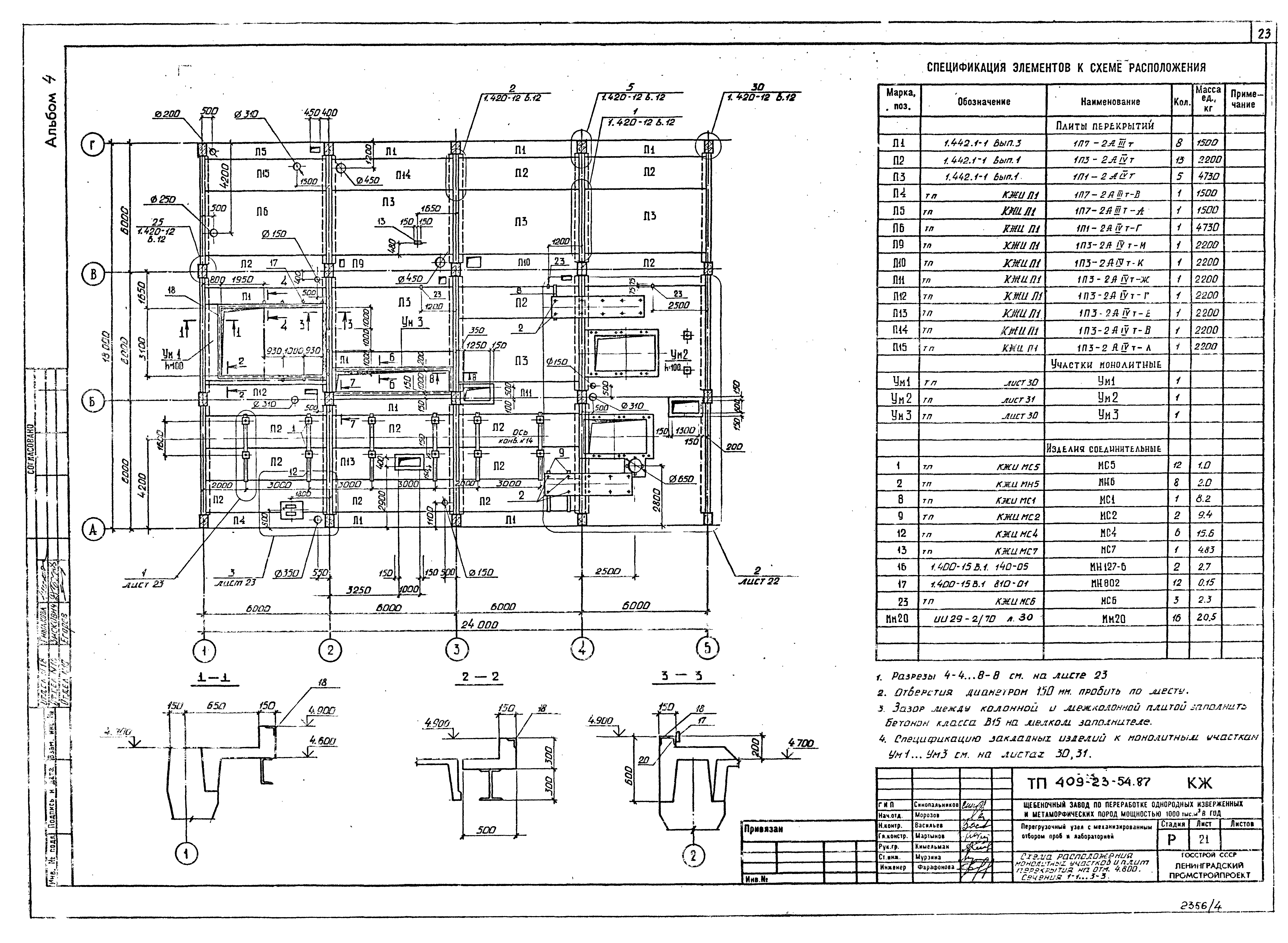
   Схема расположения монолитных участков и плит перекрытия на отм. 4.800. Сечения 1-1…3-3
   Схема расположения монолитных участков и плит перекрытия на отм. 4.800. Узел 2. Сечения 1-1…5-5
   Схема расположения монолитных участков и плит перекрытия на отм. 4.800. Узлы 1, 3. Сечения 4-4…9-9
   Схема расположения монолитных участков и плит перекрытия на отм. 9.600
   Схема расположения монолитных участков и плит перекрытия на отм. 9.600. Узел 1. Сечения 1-1…6-6
   Схема расположения монолитных участков и плит перекрытия на отм. 9.600. Узлы 2, 4. Сечения 7-7…14-14
   Схема расположения монолитных участков и плит перекрытия на отм. 14.400
   Схема расположения монолитных участков и плит перекрытия на отм. 14.400. Узлы 1, 3. Сечения 1-1…5-5
   Схема расположения монолитных участков и плит перекрытия на отм. 14.400. Узел 2. Сечения 6-6…11-11
   Монолитные участки Ум1; Ум3
   Монолитный участок Ум2
   Монолитные участки Ум4 - Ум6
   Монолитные участки Ум7 - Ум9
   Монолитные участки Ум10 - Ум13
   Монолитные участки Ум1 - Ум14. Ведомость расхода стали
   Схема расположения плит покрытия. Монолитный участок Ум14
   Схема расположения опорных столбиков и балок на отм. 4.700
   Схема расположения опорных столбиков и балок на отм. 9.500
   Схемы расположения стеновых панелей по осям А, 5
   Схема расположения стеновых панелей по оси Г. Узел 1
   Схема расположения стеновых панелей по оси 1
   Схемы расположения узлов крепления опорных консолей. Узлы II - VI
   Схемы расположения стеновых панелей. Спецификация
Конструкции металлические
   Общие данные
   Техническая спецификация металла
   Ведомость металлоконструкций по видам профилей
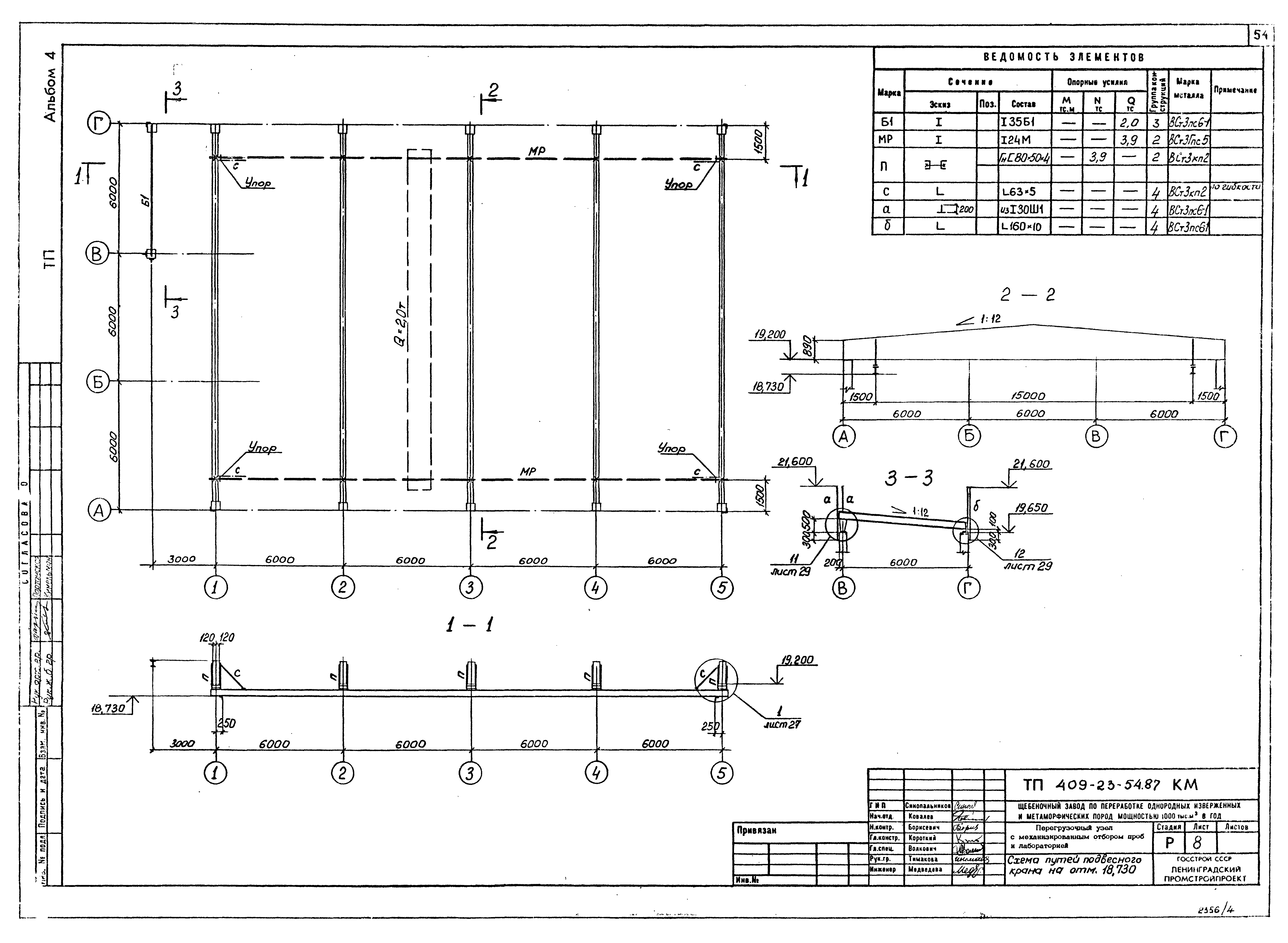
   Схема путей подвесного крана на отм. 18.730
   Схема ремонтной площадки на отм. 16.900
   Схема балок на отм. 4.600, монорельсов и щитов
   Разрезы 1-1…5-5 к листу 10. Схема переносных ограждений на отм. 0.000
   Схема балок на отм. 9.400 и монорельсов
   Разрезы 1-1…7-7 к листу 12
   Схема балок на отм. 14.200 и монорельсов
   Разрезы 1-1…7-7 к листу 14
   Схемы элементов фахверка и наружной лестницы
   Схема монорельсов и балок под натяжные тележные устройства
   Схемы ограждения натяжного устройства
   Схемы ограждений проемов и щитов
   Схемы элементов площадок для конвейеров и лестниц
   Схемы элементов площадок и лестниц
   Схемы бункеров для проб
   Схема элементов наружной лестницы
   Схемы элементов крепления труб
   Схемы щитов ПСУ на отм. 5.600 и 10.400
   Схемы опор под трубы и стоек для козырька
   Узлы 1…5
   Узлы 6…8
   Узлы 9…13
   Узлы 14…18
   Узлы 19…21, 25, 26
   Узлы 22…24
   Узлы 27…29
   Ворота трансформаторные для проема 1,7х2,5 м. Техническая спецификация металла
   Схема ворот трансформаторных для проема 1,7х2,5 м. Разрезы 1-1, 2-2, 7-7
   Разрезы 3-3…6-6. Узлы 1…6
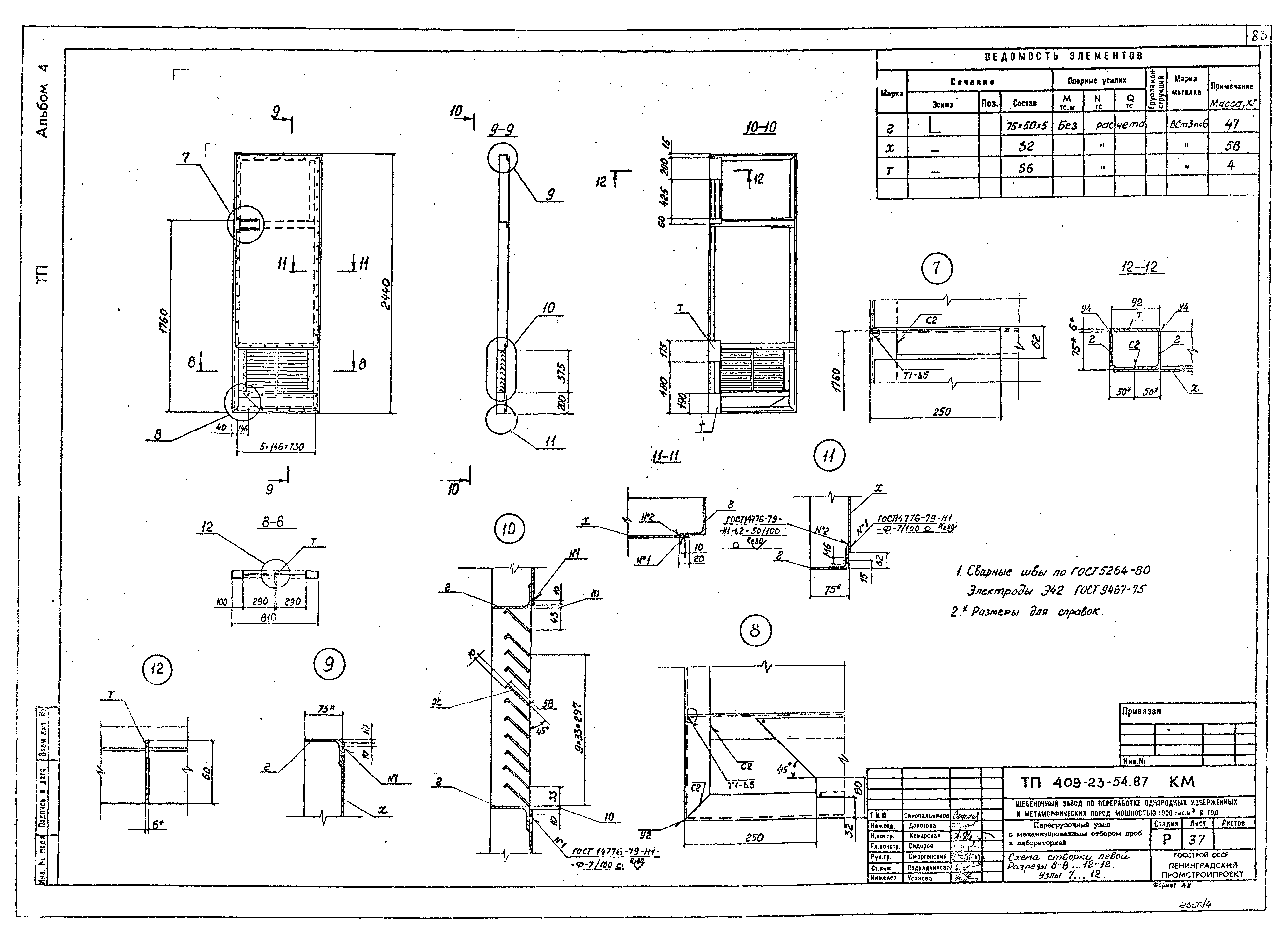
   Схема створки левой. Разрезы 8-8…12-12. Узлы 7…12
   Схема створки правой. Разрезы 13-13…17-17. Узлы 13, 14
Разработан: Союзгипронеруд
Утверждён:19.07.1987 Минстройматериалов СССР (USSR Minstroymaterialov 28-15481)
Расположен в:Техническая документация Строительство Справочные документы Типовые строительные конструкции, изделия и узлы Общероссийский строительный каталог Промышленные предприятия, здания и сооружения Предприятия, здания и сооружения промышленности и электроэнергетики Строительная индустрия и промышленность строительных материалов Производство строительных материалов и изделий Производство тяжелых заполнителей
Заменяет собой:
  • Типовой проект 409-23-46
Типовой проект 409-23-54.87Типовой проект 409-23-54.87Типовой проект 409-23-54.87Типовой проект 409-23-54.87Типовой проект 409-23-54.87Типовой проект 409-23-54.87Типовой проект 409-23-54.87Типовой проект 409-23-54.87Типовой проект 409-23-54.87Типовой проект 409-23-54.87Типовой проект 409-23-54.87Типовой проект 409-23-54.87Типовой проект 409-23-54.87Типовой проект 409-23-54.87Типовой проект 409-23-54.87Типовой проект 409-23-54.87Типовой проект 409-23-54.87Типовой проект 409-23-54.87Типовой проект 409-23-54.87Типовой проект 409-23-54.87Типовой проект 409-23-54.87Типовой проект 409-23-54.87Типовой проект 409-23-54.87Типовой проект 409-23-54.87Типовой проект 409-23-54.87Типовой проект 409-23-54.87Типовой проект 409-23-54.87Типовой проект 409-23-54.87Типовой проект 409-23-54.87Типовой проект 409-23-54.87Типовой проект 409-23-54.87Типовой проект 409-23-54.87Типовой проект 409-23-54.87Типовой проект 409-23-54.87Типовой проект 409-23-54.87Типовой проект 409-23-54.87Типовой проект 409-23-54.87Типовой проект 409-23-54.87Типовой проект 409-23-54.87Типовой проект 409-23-54.87Типовой проект 409-23-54.87Типовой проект 409-23-54.87Типовой проект 409-23-54.87Типовой проект 409-23-54.87Типовой проект 409-23-54.87Типовой проект 409-23-54.87Типовой проект 409-23-54.87Типовой проект 409-23-54.87Типовой проект 409-23-54.87Типовой проект 409-23-54.87Типовой проект 409-23-54.87Типовой проект 409-23-54.87Типовой проект 409-23-54.87Типовой проект 409-23-54.87Типовой проект 409-23-54.87Типовой проект 409-23-54.87Типовой проект 409-23-54.87Типовой проект 409-23-54.87Типовой проект 409-23-54.87Типовой проект 409-23-54.87Типовой проект 409-23-54.87Типовой проект 409-23-54.87Типовой проект 409-23-54.87Типовой проект 409-23-54.87Типовой проект 409-23-54.87Типовой проект 409-23-54.87Типовой проект 409-23-54.87Типовой проект 409-23-54.87Типовой проект 409-23-54.87Типовой проект 409-23-54.87Типовой проект 409-23-54.87Типовой проект 409-23-54.87Типовой проект 409-23-54.87Типовой проект 409-23-54.87Типовой проект 409-23-54.87Типовой проект 409-23-54.87Типовой проект 409-23-54.87Типовой проект 409-23-54.87Типовой проект 409-23-54.87Типовой проект 409-23-54.87Типовой проект 409-23-54.87Типовой проект 409-23-54.87Типовой проект 409-23-54.87

© 2013 Ёшкин Кот :-) Карта сайта