Информационная система
«Ёшкин Кот»

Скачать базу одним архивом
Скачать обновления
История создания базы
Карта сайта

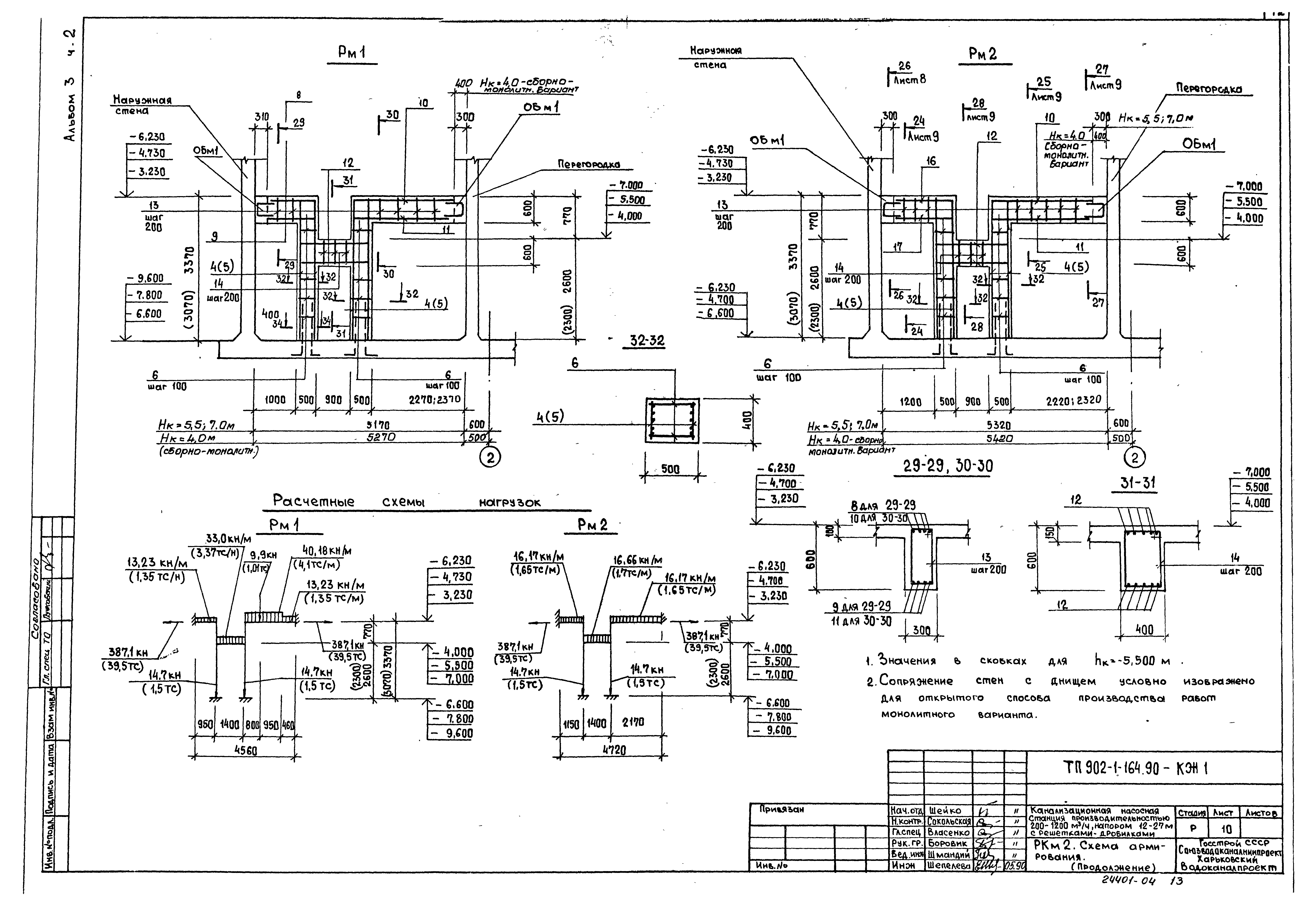
Скачать Типовой проект 902-1-164.90 Альбом 3. Часть 2. Надземная часть и общие чертежи подземной части. Перекрытие в помещении решеток-дробилок КРД 40М. Конструкции железобетонные

Дата актуализации: 10.08.2017

Типовой проект 902-1-164.90

Альбом 3. Часть 2. Надземная часть и общие чертежи подземной части. Перекрытие в помещении решеток-дробилок КРД 40М. Конструкции железобетонные

Обозначение: Типовой проект 902-1-164.90
Обозначение англ: 902-1-164.90
Статус:не определен законодательством
Название рус.:Альбом 3. Часть 2. Надземная часть и общие чертежи подземной части. Перекрытие в помещении решеток-дробилок КРД 40М. Конструкции железобетонные
Дата добавления в базу:01.09.2013
Дата актуализации:05.05.2017
Дата введения:15.05.1990
Оглавление:Содержание альбома
Общие данные
РКм2. Общий вид
РКм2. Схема армирования. Монолитный вариант
РКм2. Схема армирования. Сборно-монолитный вариант
РКм2. Лоток ЛТм1. Схема армирования
РКм2. Балка обвязочная ОБм1. Общий вид. Схемы армирования. Монолитный вариант
РКм2. Балка обвязочная ОБм1. Общий вид. Схемы армирования. Сборно-монолитный вариант
РКм2. Спецификация
РКм2. Ведомость деталей. Ведомость расхода стали на элемент
Разработан: Харьковский Водоканалпроект
Утверждён:15.05.1990 СоюзводоканалНИИпроект (SoyuzvodokanalNIIproject 9)
Издан: ЦИТП Госстроя СССР (CITP, Gosstroy (USSR) 1990 г. )
Расположен в:Техническая документация Строительство Справочные документы Типовые строительные конструкции, изделия и узлы Общероссийский строительный каталог Промышленные предприятия, здания и сооружения Здания и сооружения санитарно-технические Канализация Станции насосные Станции насосные для перекачки бытовых сточных вод
Заменяет собой:
Типовой проект 902-1-164.90Типовой проект 902-1-164.90Типовой проект 902-1-164.90Типовой проект 902-1-164.90Типовой проект 902-1-164.90Типовой проект 902-1-164.90Типовой проект 902-1-164.90Типовой проект 902-1-164.90Типовой проект 902-1-164.90Типовой проект 902-1-164.90Типовой проект 902-1-164.90Типовой проект 902-1-164.90Типовой проект 902-1-164.90Типовой проект 902-1-164.90Типовой проект 902-1-164.90Типовой проект 902-1-164.90Типовой проект 902-1-164.90Типовой проект 902-1-164.90Типовой проект 902-1-164.90Типовой проект 902-1-164.90Типовой проект 902-1-164.90Типовой проект 902-1-164.90Типовой проект 902-1-164.90Типовой проект 902-1-164.90

© 2013 Ёшкин Кот :-) Карта сайта