Скачать Типовой проект 407-3-645.94 Альбом 2. Электротехнические чертежи. Строительные чертежи. Отопление, вентиляцияДата актуализации: 10.08.2017 Типовой проект 407-3-645.94
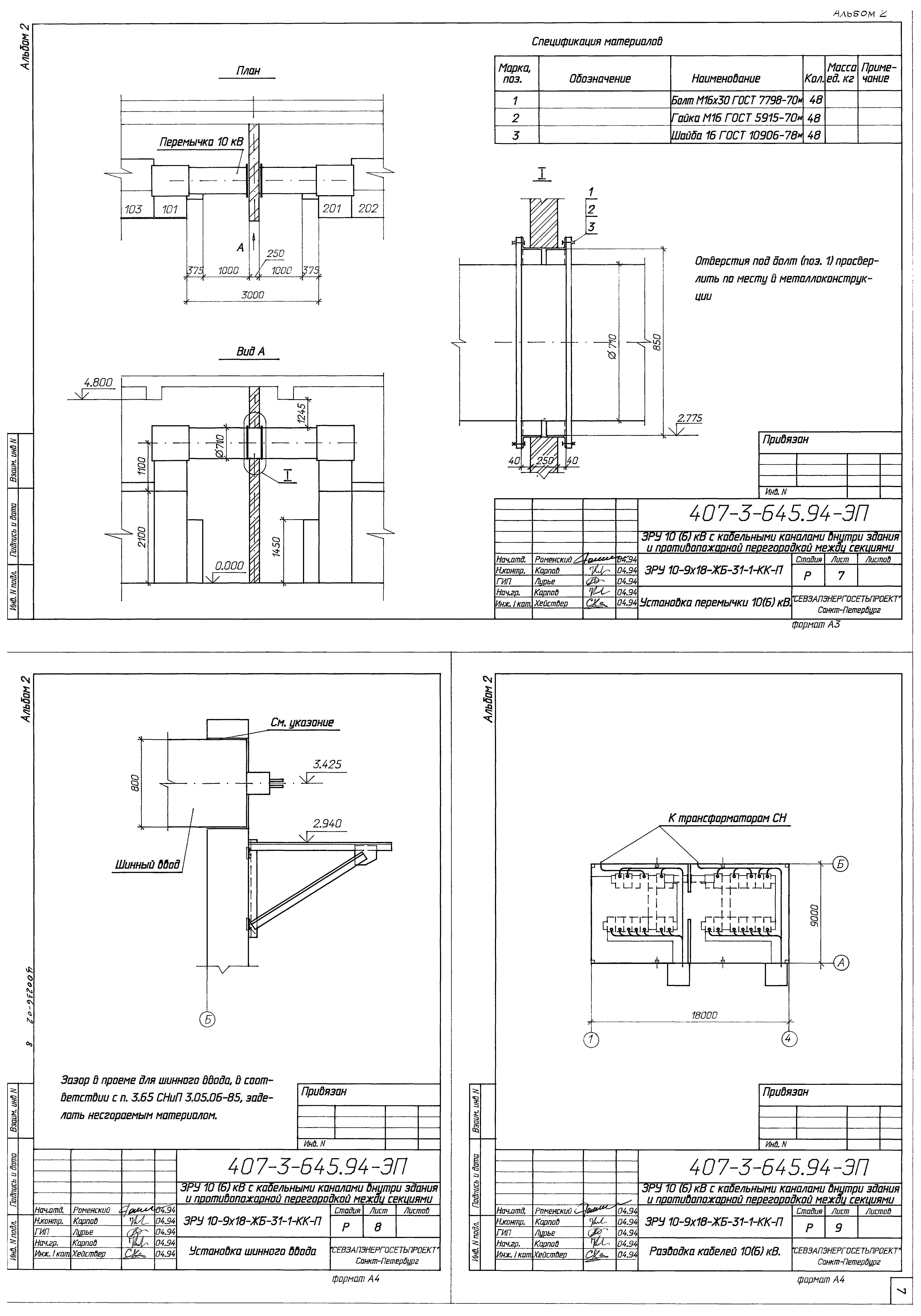
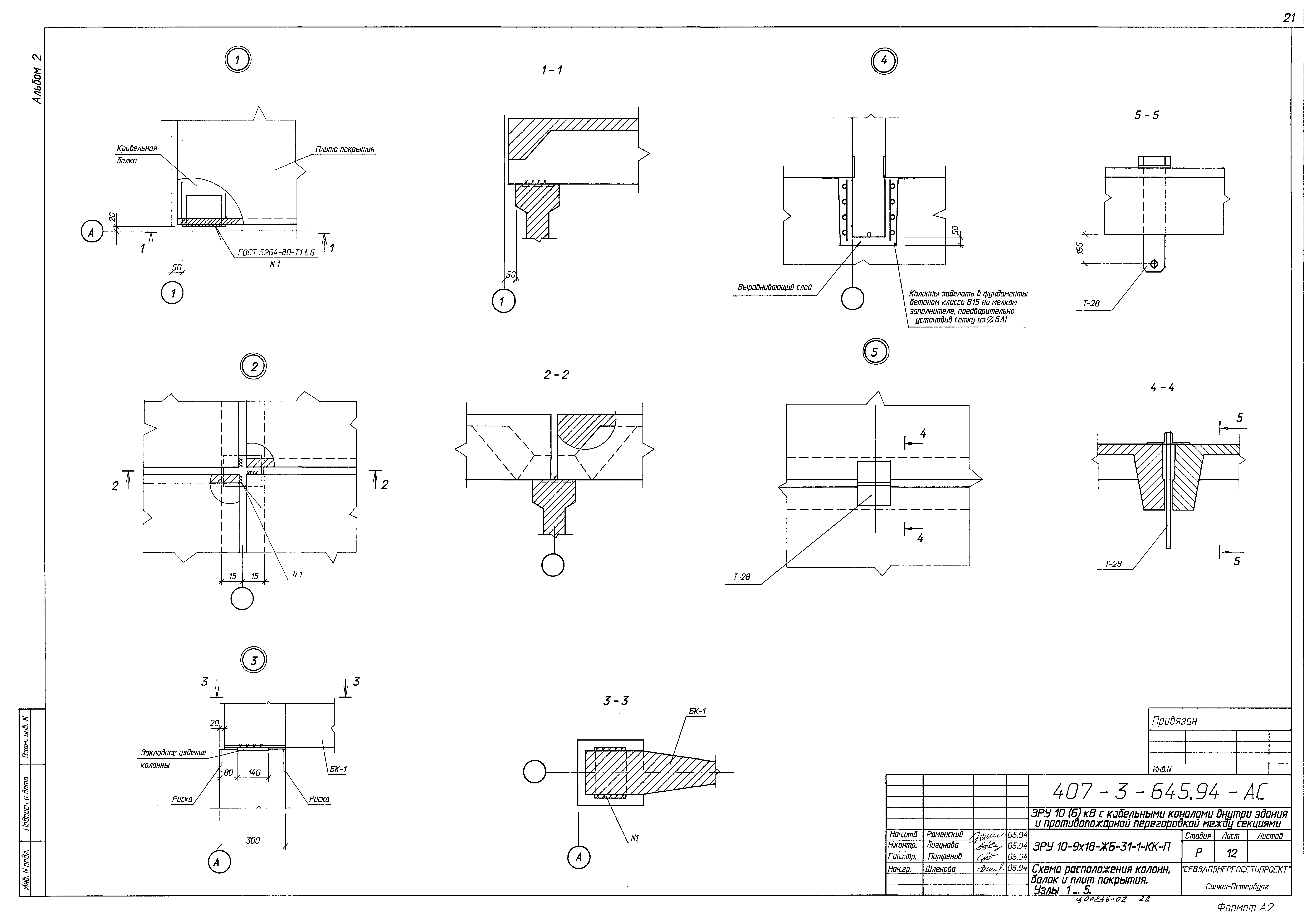
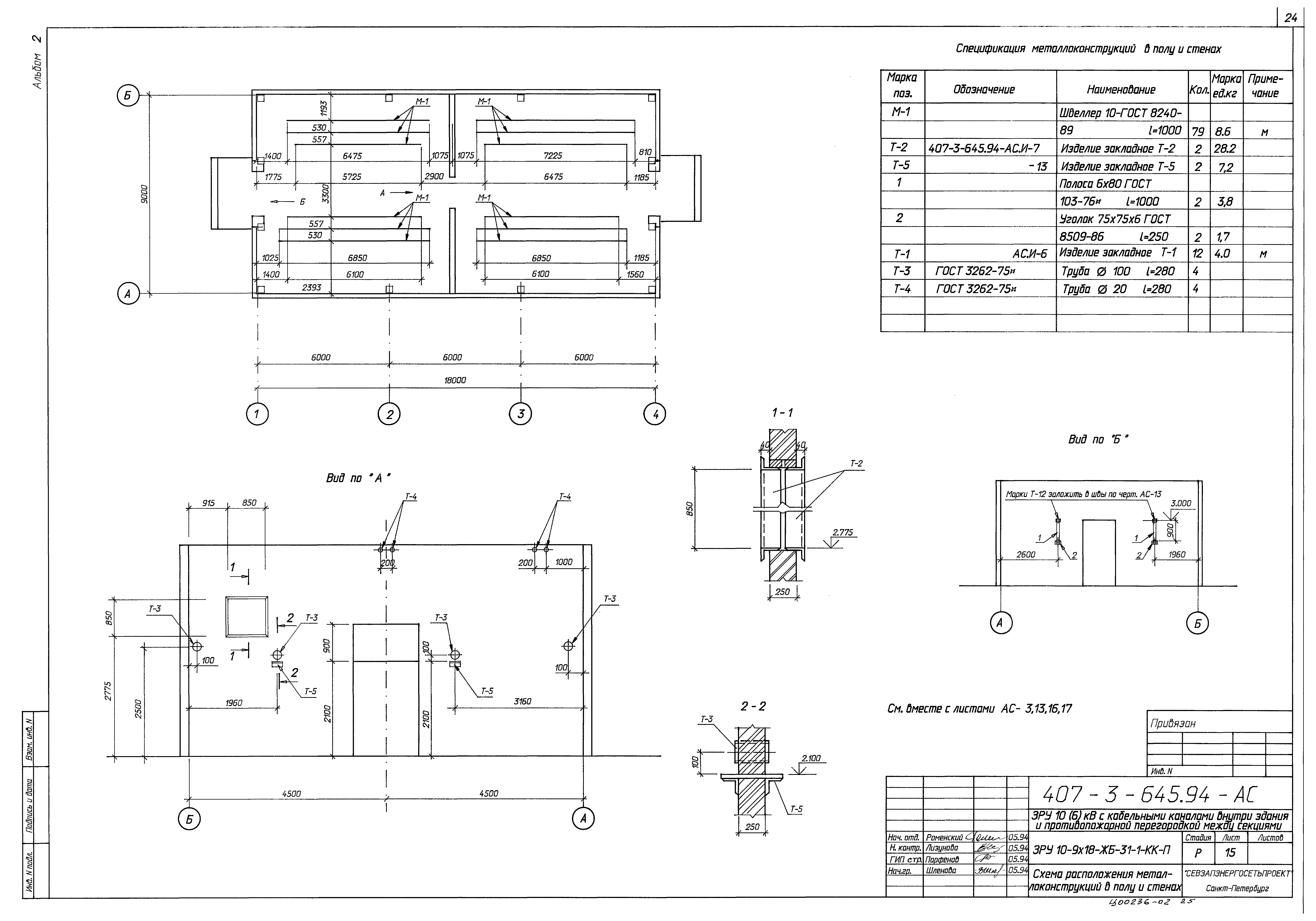
Альбом 2. Электротехнические чертежи. Строительные чертежи. Отопление, вентиляцияОбозначение: | Типовой проект 407-3-645.94 | Обозначение англ: | 407-3-645.94 | Статус: | не определен законодательством | Название рус.: | Альбом 2. Электротехнические чертежи. Строительные чертежи. Отопление, вентиляция | Дата добавления в базу: | 01.09.2013 | Дата актуализации: | 05.05.2017 | Дата введения: | 05.07.1994 | Оглавление: | Чертежи основного комплекта марки ЭП Общие данные Расстановка шкафов КРУ. План, разрезы А-А, Б-Б Освещение Электрическое отопление и вентиляция Установка шкафа КРУ серии К-105 Установка шкафа КРУ серии К-104М с числом кабелей до двух Установка перемычки 10(6) кВ Установка шинного ввода Разводка кабелей 10 кВ Расстановка кабельных конструкций. План, разрез А-А Журнал силовых кабелей Схемы заполнения шкафов КРУ Чертежи основного комплекта марки АС Общие данные План на отм. 0.000 Разрезы 1-1…2-2 Фасады Фрагмент фасада 1 Архитектурные узлы А, Б, В, Г. Фрагмент 1 Фрагмент входа №1 Схема расположения фундаментов здания Схема расположения фундаментов здания. Узлы Схема расположения колонн, балок и плит покрытия Схема расположения колонн, балок и плит покрытия. Узлы 1…5 Схемы расположения стеновых панелей Схемы расположения стеновых панелей. Узлы А…Е Схема расположения металлоконструкций в полу и стенах Схемы расположения каналов, приямков и асбестоцементных досок Схемы расположения каналов, приямков и асбестоцементных досок. Разрезы, сечения Схемы расположения каналов, приямков и асбестоцементных досок. Узлы 1…5 Чертежи основного комплекта марки ОВ Общие данные План на отм. 0.000. Общие указания Установка и рамы для установки 2-х электропечей Установка и рамы для установки 3-х электропечей | Разработан: | Севзапэнергосетьпроект
| Утверждён: | 05.07.1994 Минтопэнерго России (Russian Federation Mintopenergo 4)
| Расположен в: |
|
                            
|