Информационная система
«Ёшкин Кот»

Скачать базу одним архивом
Скачать обновления
История создания базы
Карта сайта

Скачать Рекомендации Рекомендации по сварке порошковой проволокой с принудительным формированием комплекса «Стык»

Дата актуализации: 10.08.2017

Рекомендации

Рекомендации по сварке порошковой проволокой с принудительным формированием комплекса «Стык»

Обозначение: Рекомендации
Обозначение англ: Recommendations
Статус:действует
Название рус.:Рекомендации по сварке порошковой проволокой с принудительным формированием комплекса «Стык»
Дата добавления в базу:01.09.2013
Дата актуализации:05.05.2017
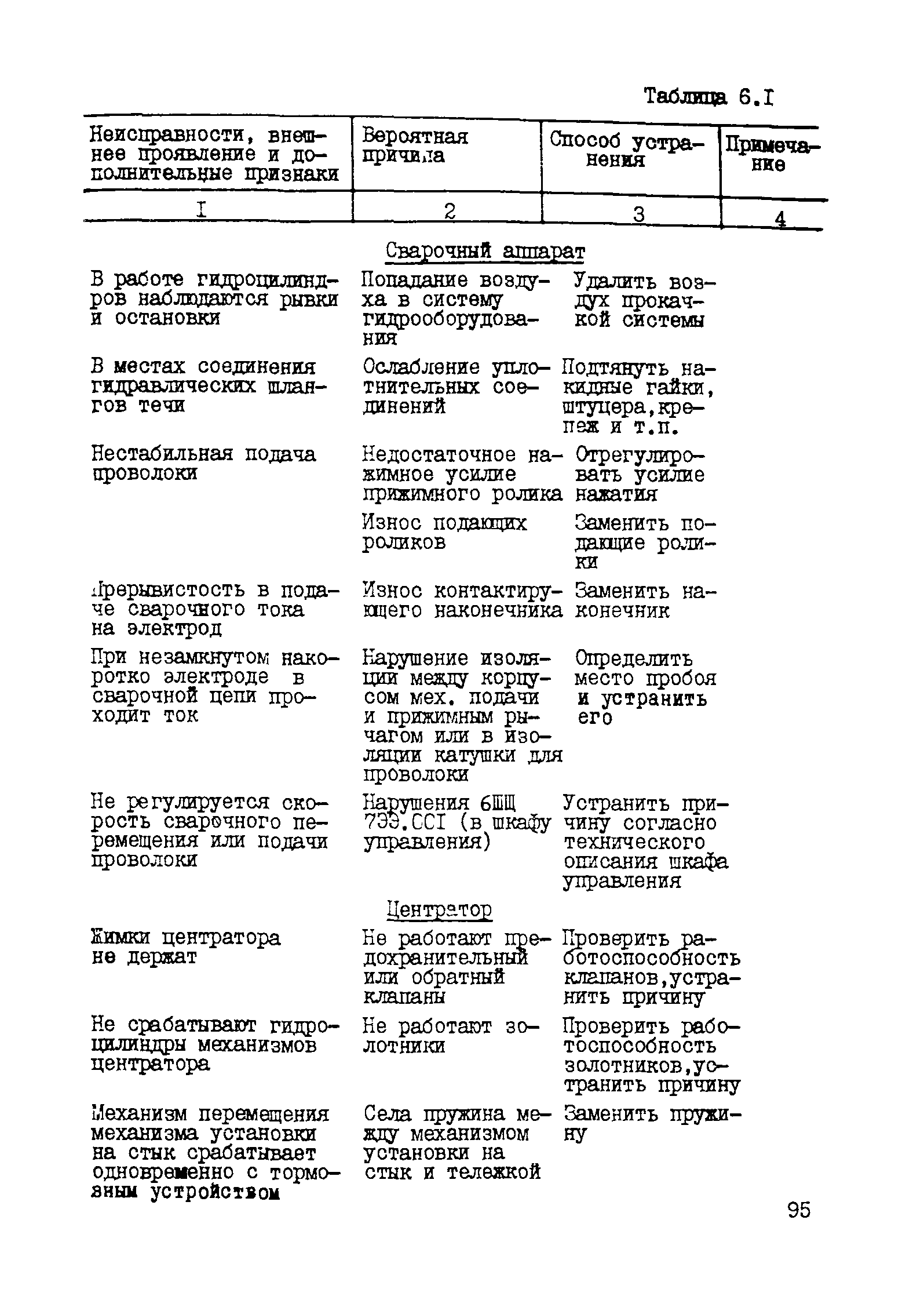
Область применения:Рекомендации посвящены различным аспектам нового метода автоматической сварки неповоротных стыков труб больших диаметров порошковой проволокой с принудительным формированием шва. В них входят вопросы технологии сварки, организация работ, сварочных материалов и сварочного оборудования. Рассмотрены особенности сварки труб из различных сталей.
Оглавление:Общие положения
Рекомендации по применению технологи сварки труб с помощью оборудования "Стык"
Приложение 1. Технология сварки магистральных трубопроводов
Приложение 2. Автоматическая сварка неповоротных стыков трубопроводов с толщиной стенки 10-25 мм порошковой проволокой с принудительным формированием шва
Приложение 3. Технологическая карта (ТК 1420-9-82 НС) на сборку и автоматическую сварку порошковой проволокой неповоротных стыков труб с ручной электродуговой сваркой корневого слоя при строительстве магистральных трубопроводов диаметром 1420 мм
Приложение 4. Комплексы оборудования "Стык У2", "Стык 01.У2 - Стык 04.У2" для автоматической сварки порошковой проволокой неповоротных стыков труб большого диаметра (ТУ 16-739.088-77, выписка)
Приложение 5. Техническое описание и инструкция по эксплуатации комплекса "Стык" (выписка)
Приложение 6. Эксплуатация и обслуживание комплекса
Приложение 7. Проволока порошковая ПП-АН19 (ТУ 14-4-1172-82) (выписка)
Приложение 8. Проволока порошковая ПП-АН24 (технические условия)
Приложение 9. Проволока порошковая ПП-АН24С (технические условия)
Приложение 10. Автоматическая сварка порошковой проволокой с принудительным формированием неповоротных стыков магистральных трубопроводов диаметром 1220 мм из термоупрочненных сталей
Разработан: ИЭС им. Е.О. Патона (Y.O.Paton Institute of Electric Welding )
АН УССР
ВНИИСТ
Киевский филиал СКБ Газстроймашина
Главюжтрубопроводстрой
Управление главного сварщика
Утверждён: ВНИИСТ (VNIIST )
Расположен в:Техническая документация Экология ДОБЫЧА И ПЕРЕРАБОТКА НЕФТИ, ГАЗА И СМЕЖНЫЕ ПРОИЗВОДСТВА Оборудование для переработки нефти, нефтяных продуктов и природного газа Трубопроводы и их компоненты Строительство Нормативные документы Отраслевые и ведомственные нормативно-методические документы Проектирование и строительство объектов нефтяной и газовой промышленности
Нормативные ссылки:
Рекомендации Рекомендации Рекомендации Рекомендации Рекомендации Рекомендации Рекомендации Рекомендации Рекомендации Рекомендации Рекомендации Рекомендации Рекомендации Рекомендации Рекомендации Рекомендации Рекомендации Рекомендации Рекомендации Рекомендации Рекомендации Рекомендации Рекомендации Рекомендации Рекомендации Рекомендации Рекомендации Рекомендации Рекомендации Рекомендации Рекомендации Рекомендации Рекомендации Рекомендации Рекомендации Рекомендации Рекомендации Рекомендации Рекомендации Рекомендации Рекомендации Рекомендации Рекомендации Рекомендации Рекомендации Рекомендации Рекомендации Рекомендации Рекомендации Рекомендации Рекомендации Рекомендации Рекомендации Рекомендации Рекомендации Рекомендации Рекомендации Рекомендации Рекомендации Рекомендации Рекомендации Рекомендации Рекомендации Рекомендации Рекомендации Рекомендации Рекомендации Рекомендации Рекомендации Рекомендации Рекомендации Рекомендации Рекомендации Рекомендации Рекомендации Рекомендации Рекомендации Рекомендации Рекомендации Рекомендации Рекомендации Рекомендации Рекомендации Рекомендации Рекомендации Рекомендации Рекомендации Рекомендации Рекомендации Рекомендации Рекомендации Рекомендации Рекомендации Рекомендации Рекомендации Рекомендации Рекомендации Рекомендации Рекомендации Рекомендации Рекомендации Рекомендации Рекомендации Рекомендации Рекомендации Рекомендации Рекомендации Рекомендации Рекомендации Рекомендации Рекомендации Рекомендации Рекомендации Рекомендации Рекомендации Рекомендации Рекомендации Рекомендации Рекомендации Рекомендации Рекомендации Рекомендации Рекомендации Рекомендации Рекомендации Рекомендации Рекомендации

© 2013 Ёшкин Кот :-) Карта сайта