Информационная система
«Ёшкин Кот»

Скачать базу одним архивом
Скачать обновления
История создания базы
Карта сайта

Скачать Типовые проектные решения 407-03-332.83 Альбом II. Шкафы линий 6 - 10 кВ

Дата актуализации: 10.08.2017

Типовые проектные решения 407-03-332.83

Альбом II. Шкафы линий 6 - 10 кВ

Обозначение: Типовые проектные решения 407-03-332.83
Обозначение англ: 407-03-332.83
Статус:не действует
Название рус.:Альбом II. Шкафы линий 6 - 10 кВ
Дата добавления в базу:01.10.2014
Дата актуализации:05.05.2017
Дата введения:01.02.1987
Оглавление:Содержание и пояснительная записка
Выбор чертежей
Линия 6 - 10 кВ. Выключатель ВК-10. Схема электрическая принципиальная
Линия 6 - 10 кВ. Выключатель ВКЭ-10. Схема электрическая принципиальная
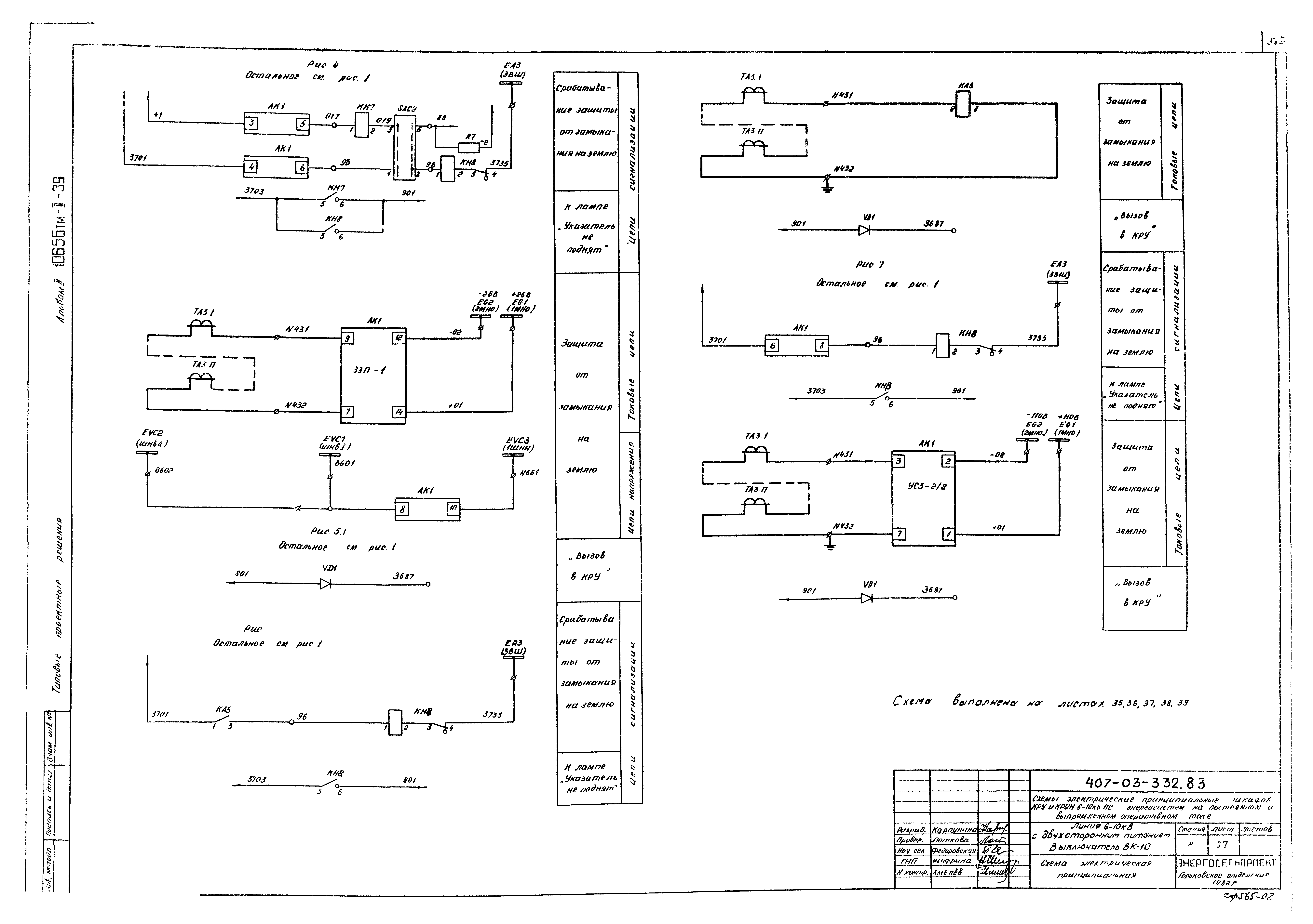
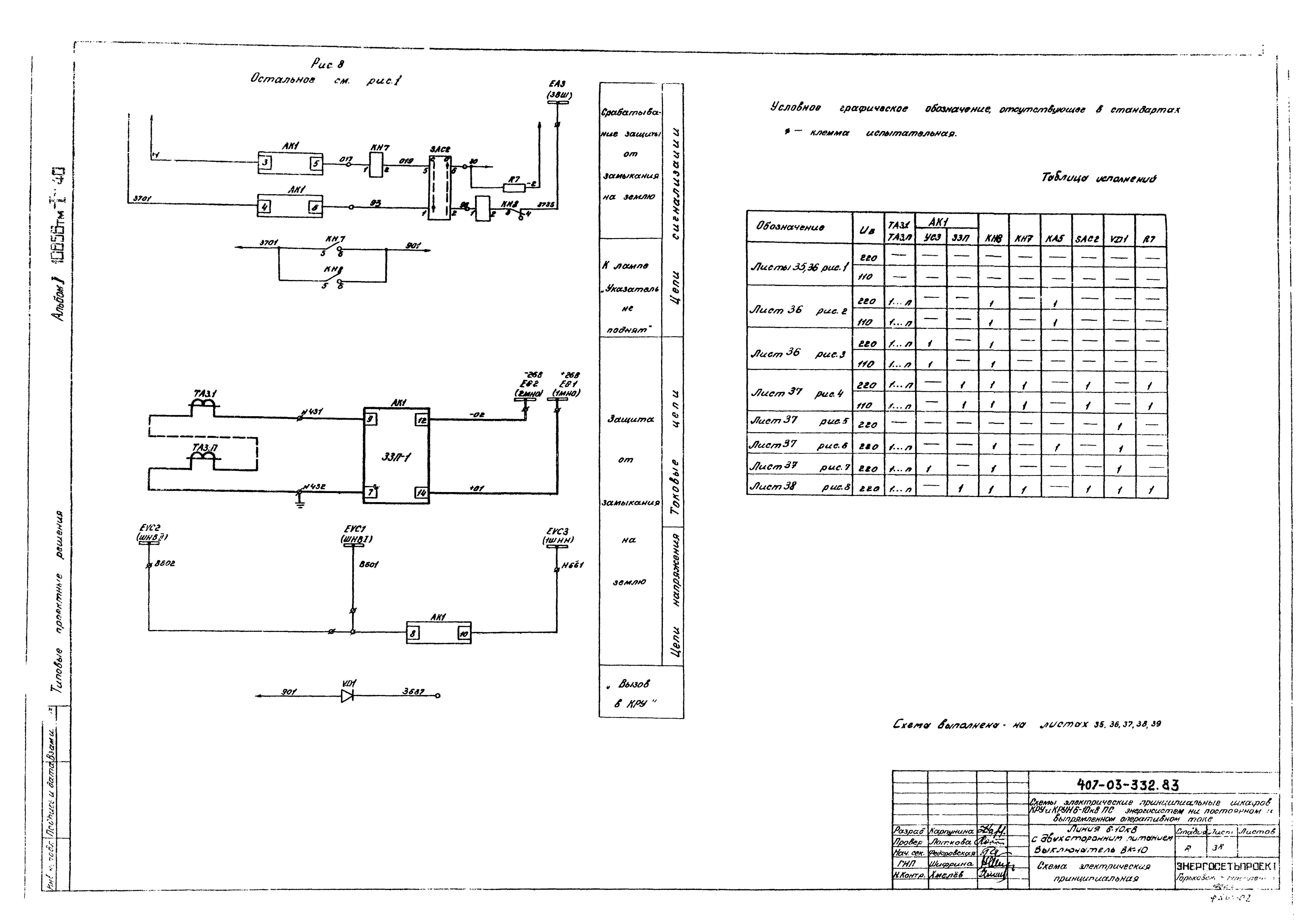
Линия 6 - 10 кВ с двухсторонним питанием. Выключатель ВК-10. Схема электрическая принципиальная
Линия 6 - 10 кВ с двухсторонним питанием. Выключатель ВКЭ-10. Схема электрическая принципиальная
Разработан: Горьковское отделение института Энергосетьпроект Минэнерго СССР
Утверждён:08.10.1982 Минэнерго СССР (USSR Minenergo 33)
Расположен в:Техническая документация Строительство Справочные документы Типовые строительные конструкции, изделия и узлы Общероссийский строительный каталог Промышленные предприятия, здания и сооружения Предприятия, здания и сооружения промышленности и электроэнергетики Электроэнергетика Схемы электрические для подстанций и линий электропередачи
Типовые проектные решения 407-03-332.83Типовые проектные решения 407-03-332.83Типовые проектные решения 407-03-332.83Типовые проектные решения 407-03-332.83Типовые проектные решения 407-03-332.83Типовые проектные решения 407-03-332.83Типовые проектные решения 407-03-332.83Типовые проектные решения 407-03-332.83Типовые проектные решения 407-03-332.83Типовые проектные решения 407-03-332.83Типовые проектные решения 407-03-332.83Типовые проектные решения 407-03-332.83Типовые проектные решения 407-03-332.83Типовые проектные решения 407-03-332.83Типовые проектные решения 407-03-332.83Типовые проектные решения 407-03-332.83Типовые проектные решения 407-03-332.83Типовые проектные решения 407-03-332.83Типовые проектные решения 407-03-332.83Типовые проектные решения 407-03-332.83Типовые проектные решения 407-03-332.83Типовые проектные решения 407-03-332.83Типовые проектные решения 407-03-332.83Типовые проектные решения 407-03-332.83Типовые проектные решения 407-03-332.83Типовые проектные решения 407-03-332.83Типовые проектные решения 407-03-332.83Типовые проектные решения 407-03-332.83Типовые проектные решения 407-03-332.83Типовые проектные решения 407-03-332.83Типовые проектные решения 407-03-332.83Типовые проектные решения 407-03-332.83Типовые проектные решения 407-03-332.83Типовые проектные решения 407-03-332.83Типовые проектные решения 407-03-332.83Типовые проектные решения 407-03-332.83Типовые проектные решения 407-03-332.83Типовые проектные решения 407-03-332.83Типовые проектные решения 407-03-332.83Типовые проектные решения 407-03-332.83Типовые проектные решения 407-03-332.83Типовые проектные решения 407-03-332.83Типовые проектные решения 407-03-332.83Типовые проектные решения 407-03-332.83Типовые проектные решения 407-03-332.83Типовые проектные решения 407-03-332.83Типовые проектные решения 407-03-332.83Типовые проектные решения 407-03-332.83Типовые проектные решения 407-03-332.83Типовые проектные решения 407-03-332.83Типовые проектные решения 407-03-332.83Типовые проектные решения 407-03-332.83Типовые проектные решения 407-03-332.83Типовые проектные решения 407-03-332.83Типовые проектные решения 407-03-332.83Типовые проектные решения 407-03-332.83

© 2013 Ёшкин Кот :-) Карта сайта