Информационная система
«Ёшкин Кот»

Скачать базу одним архивом
Скачать обновления
История создания базы
Карта сайта

Скачать Типовые материалы для проектирования 407-03-379.87 Альбом III. Полные схемы

Дата актуализации: 10.08.2017

Типовые материалы для проектирования 407-03-379.87

Альбом III. Полные схемы

Обозначение: Типовые материалы для проектирования 407-03-379.87
Обозначение англ: 407-03-379.87
Статус:cправочные материалы, мп, тпр
Название рус.:Альбом III. Полные схемы
Дата добавления в базу:01.09.2013
Дата актуализации:05.05.2017
Дата введения:21.08.1987
Оглавление:Пояснительная записка
Таблицы выбора схем
Схема электрических соединений РУ 330 - 500 кВ
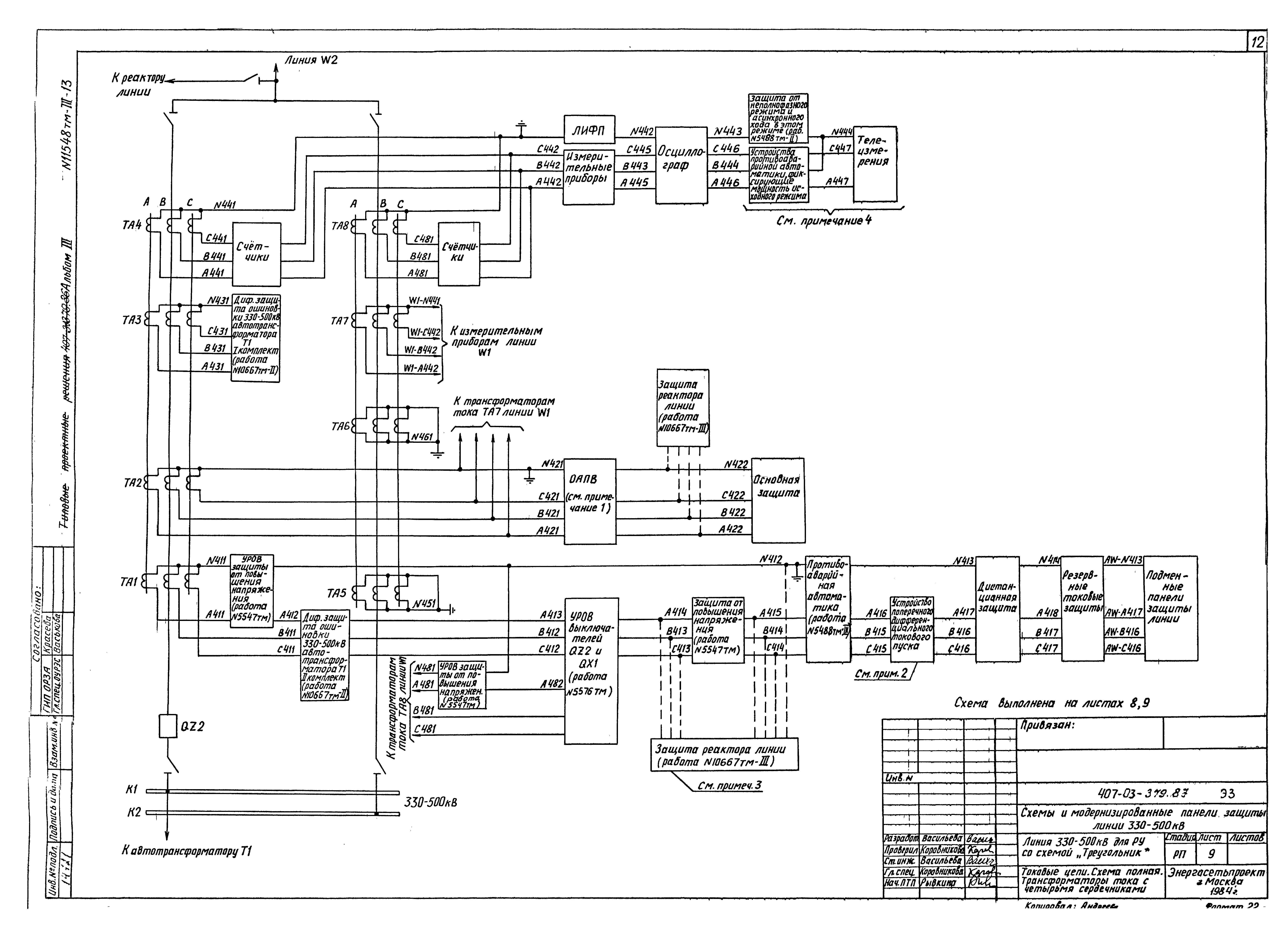
Линия 330 - 500 кВ для РУ со схемой "Треугольник". Токовые цепи. Схема полная. Трансформаторы тока с четырьмя сердечниками
Линия 330 - 500 кВ для РУ со схемой "Треугольник". Токовые цепи. Схема полная. Трансформаторы тока с пятью сердечниками
Линия 330 - 500 кВ для РУ со схемой "Четырехугольник" и "Автотрансформатор - шины". Токовые цепи. Схема полная. Трансформаторы тока с четырьмя сердечниками
Линия 330 - 500 кВ для РУ со схемой "Четырехугольник" и "Автотрансформатор - шины". Токовые цепи. Схема полная. Трансформаторы тока с пятью сердечниками
Линия 330 - 500 кВ для РУ со схемой "Полуторная". Токовые цепи. Схема полная. Трансформаторы тока с четырьмя сердечниками
Линия 330 - 500 кВ для РУ со схемой "Полуторная". Токовые цепи. Схема полная. Трансформаторы тока с пятью сердечниками
Линия 330 - 500 кВ. Схема питания цепей управления, автоматики и защиты
Линия 330 - 500 кВ. Основная защита. Схема питания оперативным током
Линия 330 - 500 кВ. Резервные защиты. Схема питания оперативным током
Линия 330 - 500 кВ. Подменные панели резервных защит. Схема питания и подключения цепей оперативного тока
Линия 330 - 500 кВ. Основная защита при наличии ОАПВ. Схема полная
Линия 330 - 500 кВ. Основная защита при отсутствии ОАПВ. Схема полная
Линия 330 - 500 кВ. Основная защита. Цепи между релейной частью ДФЗ-503, ДФЗ-504 и приемопередатчиком
Линия 330 - 500 кВ. Устройство для предотвращения работы дифференциальной защиты ДФЗ-503 при нарушении цепей напряжения. Схема полная
Линия 330 - 500 кВ. Основная защита. Схема подключения панели ДФЗ-503 и блоков БЗ307/1,2-84, БА203-80
Линия 330 - 500 кВ. Основная защита. Схема подключения панели ДФЗ-504
Линия 330 - 500 кВ. Основная защита при наличии ОАПВ. Схема подключения панели АПВ-503
Линия 330 - 500 кВ. Резервные защиты. Схема полная
Линия 330 - 500 кВ. Резервные защиты. Таблицы переключений в цепях панели ЭПЗ1025/1-87
Параллельные линии 330 - 500 кВ. Устройство поперечного дифференциального токового пуска. Схема полная
Линия 330 - 500 кВ. Выходные цепи приемника АНКА-14 от релейной защиты. Схема полная
Линия 330 - 500 кВ. Цепи пуска передатчика АНКА-14 от релейной защиты. Схема полная
Линия 330 - 500 кВ. Резервные защиты. Схема подключения панели ДЗ-503
Линия 330 - 500 кВ. Резервные защиты при наличии ОАПВ. Схема подключения панели ЭПЗ 1025/1-87
Линия 330 - 500 кВ. Резервные защиты при отсутствии ОАПВ. Схема подключения панели ЭПЗ 1025/1-87
Линия 330 - 500 кВ. Резервные защиты при наличии ОАПВ. Схема подключения панели ЭПЗ 1026/1-87
Линия 330 - 500 кВ. Резервные защиты при отсутствии ОАПВ. Схема подключения панели ЭПЗ 1026/1-87
Линия 330 - 500 кВ. Резервные защиты. Схема подключения блока БЗ306/1-87
Линия 330 - 500 кВ. Выходные цепи приемника и цепи пуска передатчика АНКА-14. Схема подключения НКУ
Линия 330 - 500 кВ. Резервные защиты при использовании подменных панелей. Схема полная
Линия 330 - 500 кВ. Резервные защиты. Схема подключения подменной панели ДЗ-503
Линия 330 - 500 кВ. Резервные защиты. Схема подключения подменной панели ЭПЗ1025/1-87
Линия 330 - 500 кВ. Измерение и учет электроэнергии. Вариант I. Схема полная
Линия 330 - 500 кВ. Измерение и учет электроэнергии. Вариант I. Схема подключения НКУ
Линия 330 - 500 кВ. Измерение и учет электроэнергии. Вариант II. Схема полная
Линия 330 - 500 кВ. Измерение и учет электроэнергии. Вариант II. Схема подключения НКУ
Линия 330 - 500 кВ. Измерение и учет электроэнергии. Вариант III. Схема полная
Линия 330 - 500 кВ. Измерение и учет электроэнергии. Вариант III. Схема подключения НКУ
Линия 330 - 500 кВ. Измерение и учет электроэнергии. Вариант IV. Схема полная
Линия 330 - 500 кВ. Измерение и учет электроэнергии. Вариант IV. Схема подключения НКУ
Разработан: Энергосетьпроект Минэнерго СССР
Утверждён:21.08.1987 Минэнерго СССР (USSR Minenergo 33)
Расположен в:Техническая документация Строительство Справочные документы Типовые строительные конструкции, изделия и узлы Общероссийский строительный каталог Промышленные предприятия, здания и сооружения Предприятия, здания и сооружения промышленности и электроэнергетики Электроэнергетика Схемы электрические для подстанций и линий электропередачи
Заменяет собой:
  • Типовые материалы для проектирования 407-3-0379.86
Типовые материалы для проектирования 407-03-379.87Типовые материалы для проектирования 407-03-379.87Типовые материалы для проектирования 407-03-379.87Типовые материалы для проектирования 407-03-379.87Типовые материалы для проектирования 407-03-379.87Типовые материалы для проектирования 407-03-379.87Типовые материалы для проектирования 407-03-379.87Типовые материалы для проектирования 407-03-379.87Типовые материалы для проектирования 407-03-379.87Типовые материалы для проектирования 407-03-379.87Типовые материалы для проектирования 407-03-379.87Типовые материалы для проектирования 407-03-379.87Типовые материалы для проектирования 407-03-379.87Типовые материалы для проектирования 407-03-379.87Типовые материалы для проектирования 407-03-379.87Типовые материалы для проектирования 407-03-379.87Типовые материалы для проектирования 407-03-379.87Типовые материалы для проектирования 407-03-379.87Типовые материалы для проектирования 407-03-379.87Типовые материалы для проектирования 407-03-379.87Типовые материалы для проектирования 407-03-379.87Типовые материалы для проектирования 407-03-379.87Типовые материалы для проектирования 407-03-379.87Типовые материалы для проектирования 407-03-379.87Типовые материалы для проектирования 407-03-379.87Типовые материалы для проектирования 407-03-379.87Типовые материалы для проектирования 407-03-379.87Типовые материалы для проектирования 407-03-379.87Типовые материалы для проектирования 407-03-379.87Типовые материалы для проектирования 407-03-379.87Типовые материалы для проектирования 407-03-379.87Типовые материалы для проектирования 407-03-379.87Типовые материалы для проектирования 407-03-379.87Типовые материалы для проектирования 407-03-379.87Типовые материалы для проектирования 407-03-379.87Типовые материалы для проектирования 407-03-379.87Типовые материалы для проектирования 407-03-379.87Типовые материалы для проектирования 407-03-379.87Типовые материалы для проектирования 407-03-379.87Типовые материалы для проектирования 407-03-379.87Типовые материалы для проектирования 407-03-379.87Типовые материалы для проектирования 407-03-379.87Типовые материалы для проектирования 407-03-379.87Типовые материалы для проектирования 407-03-379.87Типовые материалы для проектирования 407-03-379.87Типовые материалы для проектирования 407-03-379.87Типовые материалы для проектирования 407-03-379.87Типовые материалы для проектирования 407-03-379.87Типовые материалы для проектирования 407-03-379.87Типовые материалы для проектирования 407-03-379.87Типовые материалы для проектирования 407-03-379.87Типовые материалы для проектирования 407-03-379.87Типовые материалы для проектирования 407-03-379.87Типовые материалы для проектирования 407-03-379.87Типовые материалы для проектирования 407-03-379.87Типовые материалы для проектирования 407-03-379.87Типовые материалы для проектирования 407-03-379.87Типовые материалы для проектирования 407-03-379.87Типовые материалы для проектирования 407-03-379.87Типовые материалы для проектирования 407-03-379.87Типовые материалы для проектирования 407-03-379.87Типовые материалы для проектирования 407-03-379.87Типовые материалы для проектирования 407-03-379.87Типовые материалы для проектирования 407-03-379.87Типовые материалы для проектирования 407-03-379.87Типовые материалы для проектирования 407-03-379.87Типовые материалы для проектирования 407-03-379.87Типовые материалы для проектирования 407-03-379.87Типовые материалы для проектирования 407-03-379.87Типовые материалы для проектирования 407-03-379.87Типовые материалы для проектирования 407-03-379.87Типовые материалы для проектирования 407-03-379.87Типовые материалы для проектирования 407-03-379.87Типовые материалы для проектирования 407-03-379.87Типовые материалы для проектирования 407-03-379.87Типовые материалы для проектирования 407-03-379.87Типовые материалы для проектирования 407-03-379.87Типовые материалы для проектирования 407-03-379.87Типовые материалы для проектирования 407-03-379.87Типовые материалы для проектирования 407-03-379.87

© 2013 Ёшкин Кот :-) Карта сайта