Скачать Типовые материалы для проектирования 407-03-379.87 Альбом II. Принципиальные схемыДата актуализации: 10.08.2017 Типовые материалы для проектирования 407-03-379.87
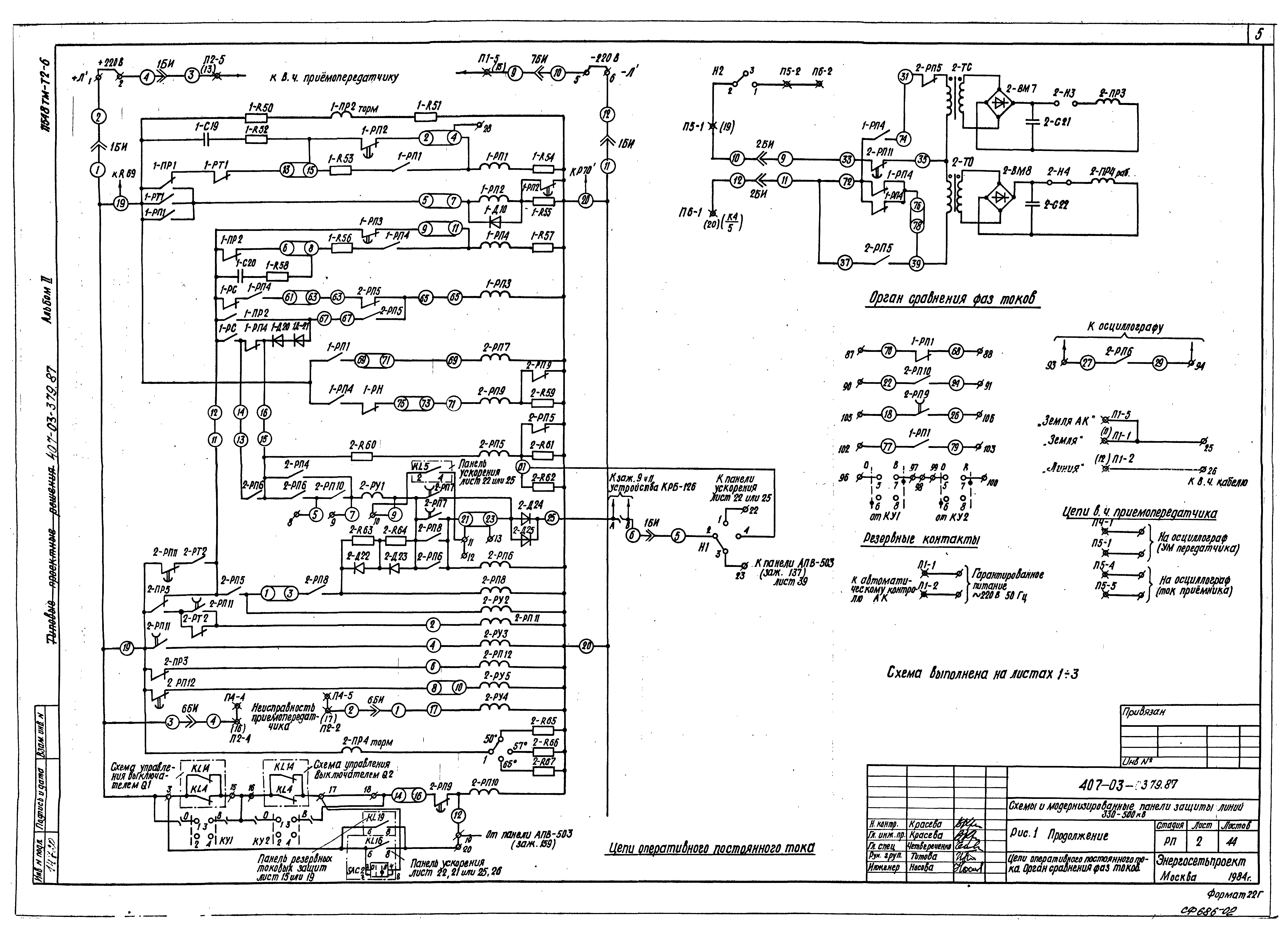
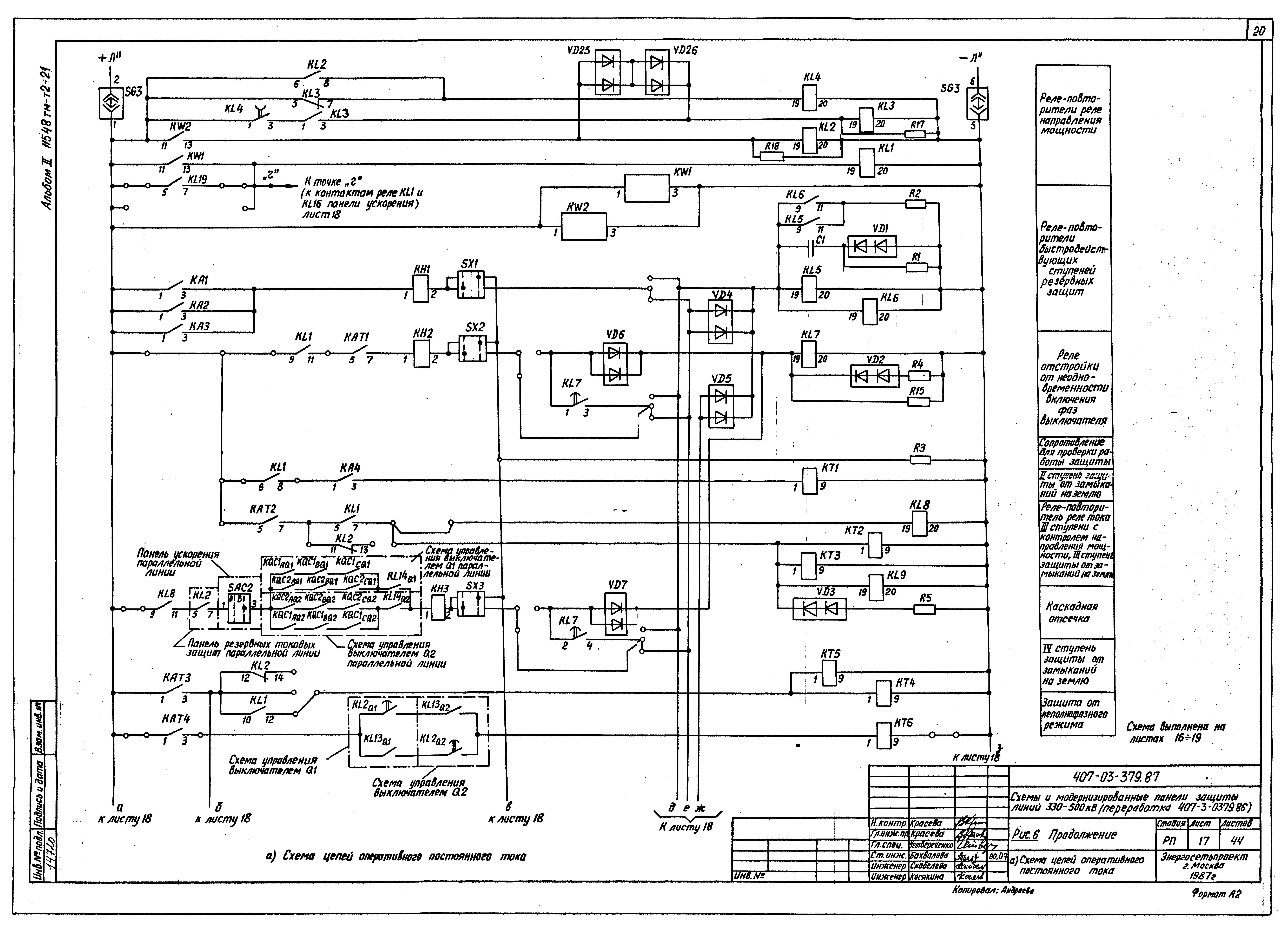
Альбом II. Принципиальные схемыОбозначение: | Типовые материалы для проектирования 407-03-379.87 | Обозначение англ: | 407-03-379.87 | Статус: | cправочные материалы, мп, тпр | Название рус.: | Альбом II. Принципиальные схемы | Дата добавления в базу: | 01.09.2013 | Дата актуализации: | 05.05.2017 | Дата введения: | 21.08.1987 | Оглавление: | Схема панели релейной части дифференциально-фазной защиты типа ДФЗ-503. Цепи сигнализации. Перечень элементов. Условные обозначения. Примечания Схема панели релейной части дифференциально-фазной защиты типа ДФЗ-503. Цепи оперативного постоянного тока. Орган сравнения фаз токов Схема панели релейной части дифференциально-фазной защиты типа ДФЗ-503. Схема цепей переменного тока и напряжения Устройство для предотвращения работы ДФЗ-503 при нарушении цепей напряжения (устройство типа КРБ-126). Схема цепей переменного тока. Схема цепей оперативного постоянного тока Схема панели ДФЗ-504. Цепи сигнализации. Перечень элементов. Условные обозначения. Примечания Схема панели ДФЗ-504. Цепи оперативного постоянного тока. Орган сравнения фаз токов. Цепи отключения Схема панели ДФЗ-504. Схема цепей переменного тока и напряжения Схема панели дистанционных защит типа ДЗ-503. Схема сигнализации. Перечень элементов. Примечания Схема панели дистанционных защит типа ДЗ-503. Схема цепей переменного тока и напряжения Схема панели дистанционных защит типа ДЗ-503. Схема цепей оперативного постоянного тока Схема панели дистанционных защит типа ДЗ-503. Схема цепей переменного тока и напряжения устройства блокировки при качаниях. Схема цепей оперативного постоянного тока устройства блокировки при качаниях Принципиальная схема резервных токовых защит при использовании ОАПВ, ТАПВ и УТАПВ. Перечень элементов. Условные обозначения. Примечания Принципиальная схема резервных токовых защит при использовании ОАПВ, ТАПВ и УТАПВ. Схема цепей оперативного постоянного тока Принципиальная схема резервных токовых защит при использовании ОАПВ, ТАПВ и УТАПВ. Схема цепей оперативного постоянного тока. Схема цепей сигнализации Принципиальная схема резервных токовых защит при использовании ОАПВ, ТАПВ и УТАПВ. Выходные цепи. Схема цепей переменного тока. Схема цепей переменного напряжения Принципиальная схема резервных токовых защит при использовании ТАПВ и УТАПВ. Перечень элементов. Условные обозначения. Примечания Принципиальная схема резервных токовых защит при использовании ТАПВ и УТАПВ. Схема цепей оперативного постоянного тока Принципиальная схема резервных токовых защит при использовании ТАПВ и УТАПВ. Схема цепей оперативного постоянного тока. Схема цепей сигнализации Принципиальная схема резервных токовых защит при использовании ТАПВ и УТАПВ. Выходные цепи. Схема цепей переменного тока. Схема цепей переменного напряжения Принципиальная схема панели ускорения при использовании ОАПВ, ТАПВ, УТАПВ. Аппаратура и цепи подключения подменных панелей. Перечень элементов Принципиальная схема панели ускорения при использовании ОАПВ, ТАПВ, УТАПВ. Цепи ускорения, пуска и запрета УТАПВ (БАПВ). Цепи переменного напряжения. Цепи связи с выходным реле (II группа) Принципиальная схема панели ускорения при использовании ОАПВ, ТАПВ, УТАПВ. Цепи связи с АПВ-503. Выходные цепи Принципиальная схема панели ускорения при использовании ОАПВ, ТАПВ, УТАПВ. Схема цепей сигнализации. Примечания Принципиальная схема панели ускорения при использовании ТАПВ, УТАПВ. Аппаратура и цепи подключения подменных панелей. Перечень элементов Принципиальная схема панели ускорения при использовании ТАПВ, УТАПВ. Цепи ускорения, пуска и запрета УТАПВ (БАПВ). Цепи переменного напряжения. Цепи связи с выходным реле (II группа) Принципиальная схема панели ускорения при использовании ТАПВ, УТАПВ. Цепи связи с АПВ-503. Выходные цепи Принципиальная схема панели ускорения при использовании ТАПВ, УТАПВ. Схема цепей сигнализации. Условные обозначения. Примечания Принципиальная схема подменной панели резервных токовых защит при использовании ОАПВ, ТАПВ, УТАПВ. Перечень элементов. Условные обозначения. Примечания Принципиальная схема подменной панели резервных токовых защит при использовании ОАПВ, ТАПВ, УТАПВ. Схема цепей оперативного тока Принципиальная схема подменной панели резервных токовых защит при использовании ОАПВ, ТАПВ, УТАПВ. Схема цепей оперативного постоянного тока. Схема цепей сигнализации Принципиальная схема подменной панели резервных токовых защит при использовании ОАПВ, ТАПВ, УТАПВ. Выходные цепи. Схема цепей переменного тока. Схема цепей переменного напряжения Принципиальная схема подменной панели резервных токовых защит при использовании ТАПВ и УТАПВ. Перечень элементов. Условные обозначения. Примечания Принципиальная схема подменной панели резервных токовых защит при использовании ТАПВ и УТАПВ. Схема цепей оперативного тока Принципиальная схема подменной панели резервных токовых защит при использовании ТАПВ и УТАПВ. Схема цепей оперативного постоянного тока. Схема цепей сигнализации Принципиальная схема подменной панели резервных токовых защит при использовании ТАПВ и УТАПВ. Выходные цепи. Схема цепей переменного тока. Схема цепей переменного напряжения Схема поперечного дифференциального токового пуска для параллельных линий. Цепи переменного тока. Цепи оперативного постоянного тока. Цепи сигнализации. Перечень элементов Схема панели АПВ-503. Перечень элементов. Примечания. Условные обозначения. Схема цепей сигнализации Схема панели АПВ-503. Схема цепей переменного тока и напряжения Схема панели АПВ-503. Схема оперативного постоянного тока Схема панели АПВ-503. Схема цепей оперативного постоянного тока. Цепи отключения и включения выключателей Q1 и Q2 Схема панели АПВ-503. Схема цепей постоянного тока устройства ТАПВ и БАПВ выключателя Q1 Схема панели АПВ-503. Схема цепей постоянного тока устройства ТАПВ и БАПВ выключателя Q2 Схема управления передатчиком АНКА от релейной защиты и АПВ. Выходные цепи. Цепи сигнализации. Перечень элементов. Примечания Схема приема в/ч сигналов АНКА. Выходные цепи. Цепи сигнализации. Перечень элементов. Примечания | Разработан: | Энергосетьпроект Минэнерго СССР
| Утверждён: | 21.08.1987 Минэнерго СССР (USSR Minenergo 33)
| Расположен в: |
| Заменяет собой: | - Типовые материалы для проектирования 407-3-0379.86
|
                                              
|