Информационная система
«Ёшкин Кот»

Скачать базу одним архивом
Скачать обновления
История создания базы
Карта сайта

Скачать Шифр 773-74 Выпуск 4. Монтажные и архитектурные узлы стен

Дата актуализации: 10.08.2017

Шифр 773-74

Выпуск 4. Монтажные и архитектурные узлы стен

Обозначение: Шифр 773-74
Обозначение англ: 773-74
Статус:заменен
Название рус.:Выпуск 4. Монтажные и архитектурные узлы стен
Дата добавления в базу:01.09.2013
Дата актуализации:05.05.2017
Дата введения:01.04.1982
Область применения:Настоящий альбом содержит материалы для проектирования стен одноэтажных отапливаемых производственных зданий из трехслойных панели
Оглавление:Содержание
Пояснительная записка
Перечень примененных ГОСТов и технических условий
Маркировочные схемы №1, 2 архитектурных узлов
Маркировочные схемы №3, 4 архитектурных узлов
Маркировочные схемы №5, 6 архитектурных узлов
Маркировочные схемы №7, 8 архитектурных узлов
Маркировочная схема №9 архитектурных узлов
Маркировочная схема №10 узлов крепления рам ворот к элементам каркаса здания для остекленного участка стены
Маркировочная схема №11 узлов крепления рам ворот к элементам каркаса здания для глухого участка стены
Маркировочная схема №12 узлов крепления рам ворот к элементам каркаса здания для глухого участка стены
Маркировочная схема №13 узлов крепления обрамления дверного проема к элементам каркаса здания
Крепление рамы ворот к элементам каркаса здания. Узлы 1, 2
Крепление рамы ворот к элементам каркаса здания. Узлы 3, 4
Крепление рамы ворот к цоколю. Узел 5
Крепление цоколя к колонне. Узел 6
Крепление рамы ворот к элементам каркаса здания. Узел 7
Крепление рамы ворот к элементам каркаса здания. Узел 8
Крепление уголка для опирания панелей к раме ворот. Узел 9
Крепление уголка для опирания панелей к раме ворот. Узел 10
Крепление уголка для опирания панелей к раме ворот. Узел 11
Крепление рамы двери к элементам каркаса здания. Узлы 12, 13
Крепление обрамления дверного проема к цоколю. Узел 14
Крепление кирпичной кладки цоколя к колонне. Узел 15
Сопряжение кирпичной кладки цоколя с рамой ворот. Узел 16
Сопряжение окна и цоколя. Узел 17
Сопряжение окна и цоколя. Узел 18
Сопряжение трехслойной панели и кирпичного цоколя. Узел 19
Сопряжение металлической стены полистовой сборки и кирпичного цоколя. Узел 20
Сопряжение стены и рамы ворот. Узел 21
Сопряжение стены и рамы ворот. Узел 22
Сопряжение окна и рамы ворот. Узел 23
Сопряжение окна и рамы ворот. Узел 24
Сопряжение окна и рамы ворот. Узел 25
Сопряжение металлической стены полистовой сборки и окна. Узел 26
Сопряжение металлической стены полистовой сборки и окна. Узел 27
Сопряжение стены и рамы ворот. Узел 28
Сопряжение стены и рамы ворот. Узел 29
Сопряжение стены и рамы ворот. Узел 30
Сопряжение стены и рамы ворот. Узел 31
Сопряжение металлической стены полистовой сборки и рамы ворот. Узел 32
Горизонтальный стык трехслойной панели и металлической стены полистовой сборки. Узел 33
Сопряжение металлической стены полистовой сборки и окна. Узел 34
Сопряжение металлической стены полистовой сборки и окна. Узел 35
Сопряжение металлической стены полистовой сборки с трехслойной панелью. Сечение А-А
Установка дверного блока в стене. Узел 36
Установка дверного блока в стене. Узел 37
Установка дверного блока в стене. Узел 38
Установка дверного блока в стене. Узел 39
Сопряжение панелей и окон в углу здания с привязкой продольной стены "0". Узел 40
Сопряжение панелей и окон в углу здания с привязкой продольной стены "250". Узел 41
Сопряжение панелей и окон в углу здания с привязкой продольной стены "0". Узел 42
Сопряжение панелей и окон в углу здания с привязкой продольной стены "250". Узел 43
Сопряжение панелей и окон в углу здания. Сечение Б-Б
Фасонные элементы №№1 - 9
Фасонные элементы №№10 - 16
Фасонные элементы №№17 - 24
Фасонные элементы №№33А, 33Б, 33Г, 33Д
Фасонные элементы №№33Г, 33Д, 25
Фасонные элементы №№26 - 32
Фасонные элементы №№33 - 36
Фасонные элементы №№37 - 41
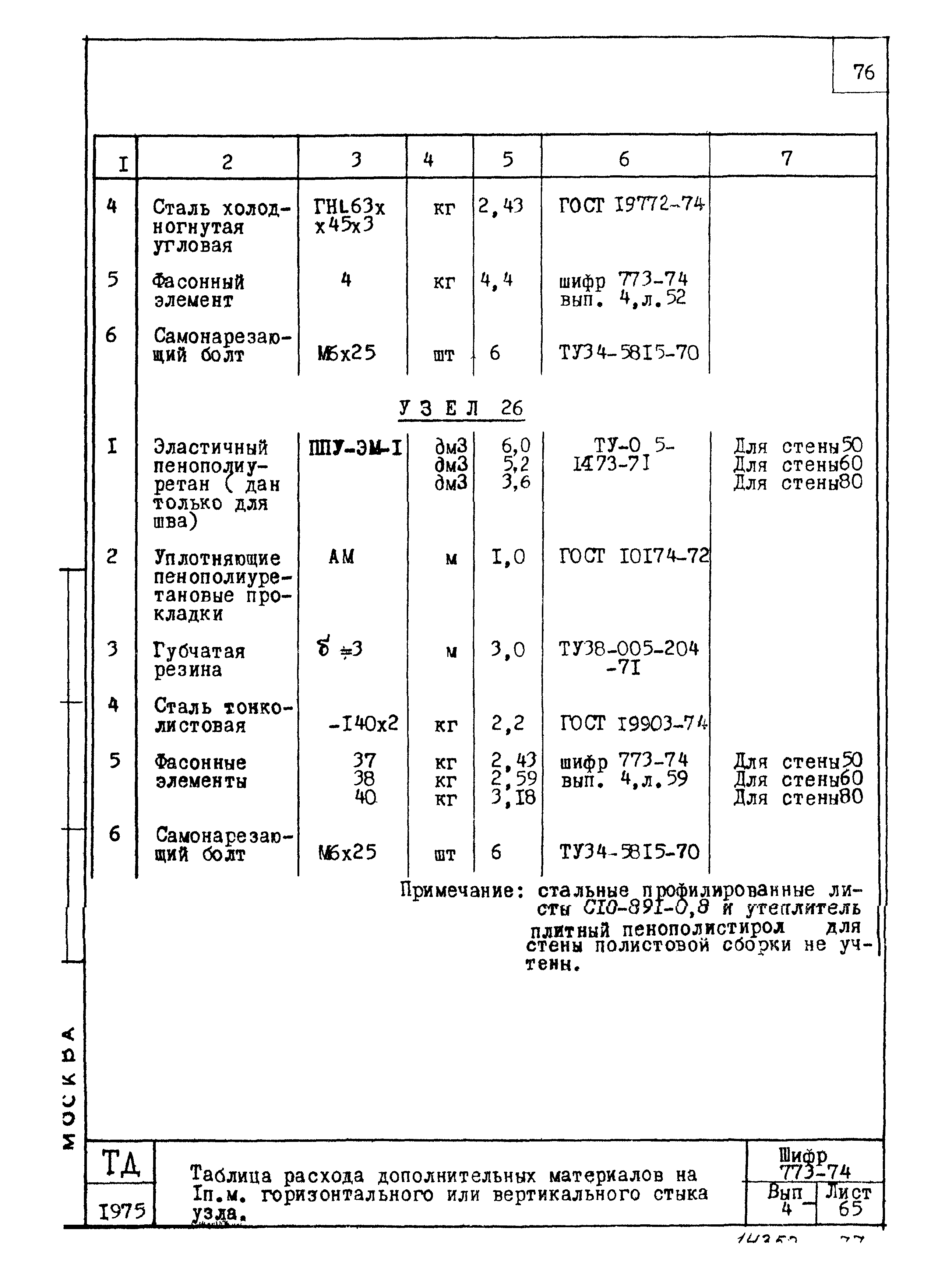
Таблица расходов дополнительных материалов на 1 пм горизонтального или вертикального стыка узла
Разработан: ЦНИИпромзданий
Утверждён:24.02.1975 Госстрой СССР (Государственный комитет Совета Министров СССР по делам строительства) (USSR Gosstroy 2/2-502)
Расположен в:Техническая документация Строительство Справочные документы Типовые строительные конструкции, изделия и узлы Общероссийский строительный каталог Строительные конструкции, изделия и узлы зданий и сооружений для всех видов строительства Конструкции, изделия и узлы зданий Ограждающие конструкции Стены наружные Металлические и из других материалов
Чем заменён:
Нормативные ссылки:
Шифр 773-74Шифр 773-74Шифр 773-74Шифр 773-74Шифр 773-74Шифр 773-74Шифр 773-74Шифр 773-74Шифр 773-74Шифр 773-74Шифр 773-74Шифр 773-74Шифр 773-74Шифр 773-74Шифр 773-74Шифр 773-74Шифр 773-74Шифр 773-74Шифр 773-74Шифр 773-74Шифр 773-74Шифр 773-74Шифр 773-74Шифр 773-74Шифр 773-74Шифр 773-74Шифр 773-74Шифр 773-74Шифр 773-74Шифр 773-74Шифр 773-74Шифр 773-74Шифр 773-74Шифр 773-74Шифр 773-74Шифр 773-74Шифр 773-74Шифр 773-74Шифр 773-74Шифр 773-74Шифр 773-74Шифр 773-74Шифр 773-74Шифр 773-74Шифр 773-74Шифр 773-74Шифр 773-74Шифр 773-74Шифр 773-74Шифр 773-74Шифр 773-74Шифр 773-74Шифр 773-74Шифр 773-74Шифр 773-74Шифр 773-74Шифр 773-74Шифр 773-74Шифр 773-74Шифр 773-74Шифр 773-74Шифр 773-74Шифр 773-74Шифр 773-74Шифр 773-74Шифр 773-74Шифр 773-74Шифр 773-74Шифр 773-74Шифр 773-74Шифр 773-74Шифр 773-74Шифр 773-74Шифр 773-74Шифр 773-74Шифр 773-74Шифр 773-74Шифр 773-74Шифр 773-74Шифр 773-74Шифр 773-74Шифр 773-74Шифр 773-74Шифр 773-74Шифр 773-74Шифр 773-74Шифр 773-74Шифр 773-74

© 2013 Ёшкин Кот :-) Карта сайта