Скачать Типовые материалы для проектирования 407-03-501.88 Альбом 1. Пояснительная записка. Схемы управления, автоматики и сигнализацииДата актуализации: 10.08.2017 Типовые материалы для проектирования 407-03-501.88
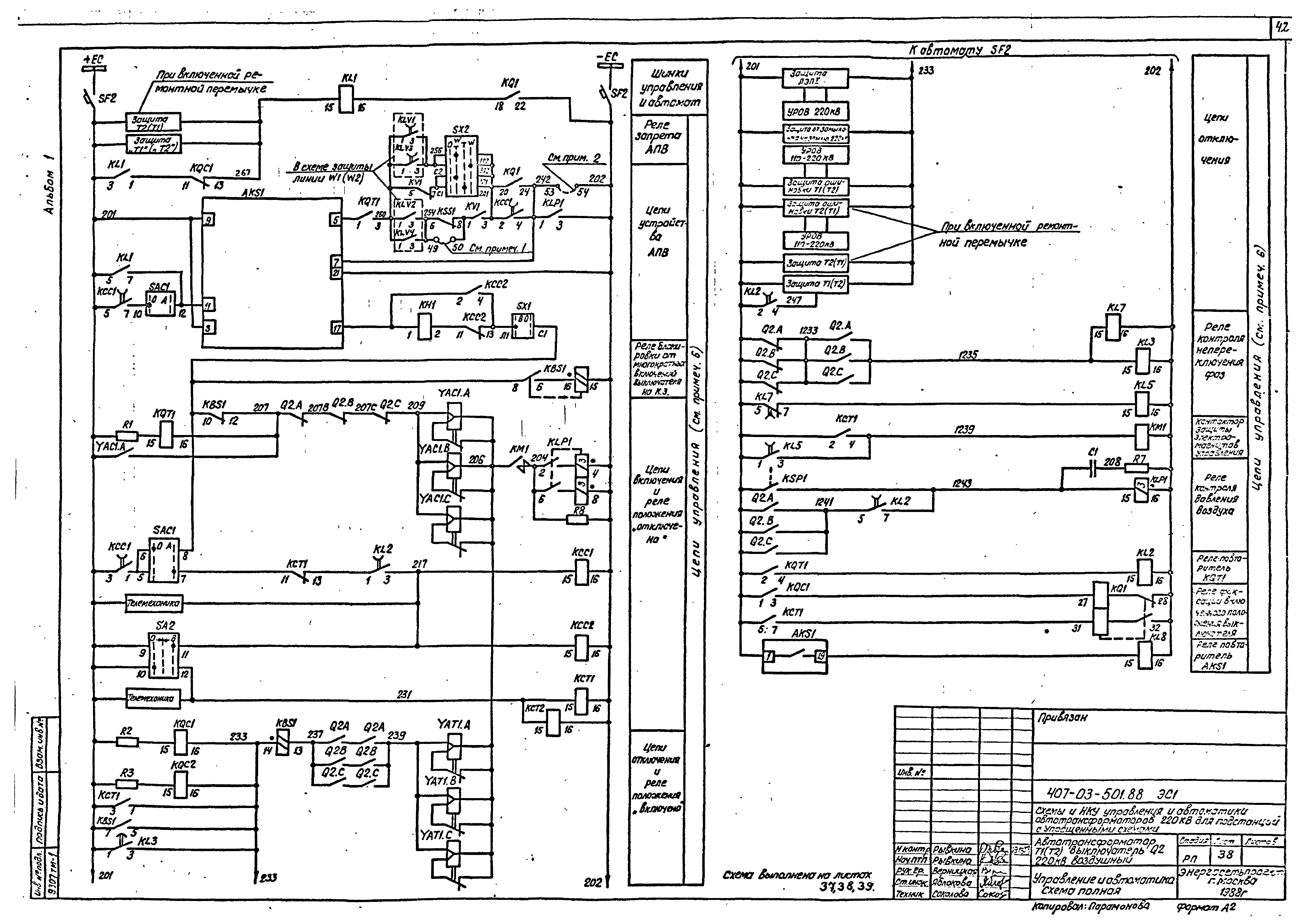
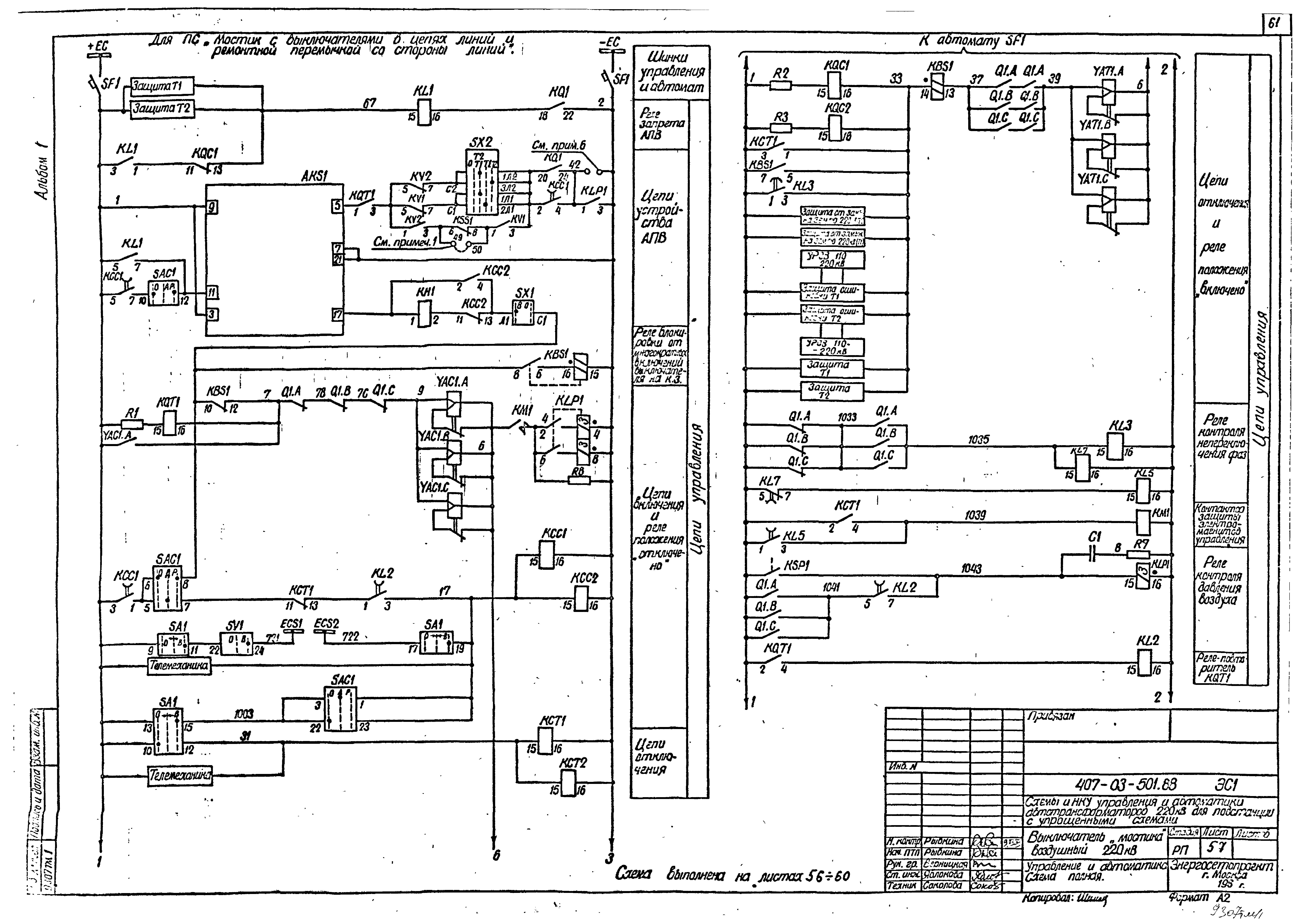
Альбом 1. Пояснительная записка. Схемы управления, автоматики и сигнализацииОбозначение: | Типовые материалы для проектирования 407-03-501.88 | Обозначение англ: | 407-03-501.88 | Статус: | cправочные материалы, мп, тпр | Название рус.: | Альбом 1. Пояснительная записка. Схемы управления, автоматики и сигнализации | Дата добавления в базу: | 01.09.2013 | Дата актуализации: | 05.05.2017 | Дата введения: | 13.03.1989 | Оглавление: | Пояснительная записка Общие данные Поясняющие схемы и выбор чертежей Автотрансформатор Т1(Т2). Выключатель Q1 6 - 10 кВ типа ВК-10. Управление и автоматика. Схема полная Автотрансформатор Т1(Т2). Выключатель Q4 6 - 10 кВ типа ВК-10. Управление и автоматика. Схема полная Автотрансформатор Т1(Т2). Выключатель Q1 6 - 10 кВ типа ВКЭ-10. Управление и автоматика. Схема полная Автотрансформатор Т1(Т2). Выключатель Q4 6 - 10 кВ типа ВКЭ-10. Управление и автоматика. Схема полная Автотрансформатор Т1(Т2). Выключатель Q1 35 кВ масляный. Управление и автоматика. Схема полная Автотрансформатор Т1(Т2). Выключатель Q1 35 кВ масляный. Управление и автоматика. Схема подключения НКУ Автотрансформатор Т1(Т2). Выключатель Q3 110 кВ масляный с пружинным приводом. Управление и автоматика. Схема полная Автотрансформатор Т1(Т2). Выключатель Q3 110 кВ масляный с пружинным приводом. Управление и автоматика. Схема подключения НКУ Автотрансформатор Т1(Т2). Выключатель Q3 110 кВ воздушный. Управление и автоматика. Схема полная Автотрансформатор Т1(Т2). Выключатель Q3 110 кВ воздушный. Управление и автоматика. Схема подключения НКУ ПС "Два блока". Автотрансформатор Т1(Т2). Выключатель Q2 220 кВ типа ВМТ. Управление и автоматика. Схема полная ПС "Два блока". Автотрансформатор Т1(Т2). Выключатель Q2 220 кВ типа ВМТ. Управление и автоматика. Схема подключения НКУ ПС "Два блока". Автотрансформатор Т1(Т2). Выключатель Q2 220 кВ воздушный. Управление и автоматика. Схема полная ПС "Два блока". Автотрансформатор Т1(Т2). Выключатель Q2 220 кВ воздушный. Управление и автоматика. Схема подключения НКУ Автотрансформатор Т1(Т2). Выключатель Q2 220 кВ типа ВМТ. Управление и автоматика. Схема полная Автотрансформатор Т1(Т2). Выключатель Q2 220 кВ типа ВМТ. Управление и автоматика. Схема подключения НКУ Автотрансформатор Т1(Т2). Выключатель Q2 220 кВ воздушный. Управление и автоматика. Схема полная Автотрансформатор Т1(Т2). Выключатель Q2 220 кВ воздушный. Управление и автоматика. Схема подключения НКУ Линия 220 кВ W1 (W2). Выключатель типа ВМТ. Управление и автоматика. Схема полная Линия 220 кВ W1 (W2). Выключатель типа ВМТ. Управление и автоматика. Схема подключения НКУ Линия 220 кВ W1 (W2). Выключатель воздушный. Управление и автоматика. Схема полная Линия 220 кВ W1 (W2). Выключатель воздушный. Управление и автоматика. Схема подключения НКУ Выключатель "мостика" масляный типа ВМТ 220 кВ. Управление и автоматика. Схема полная Выключатель "мостика" масляный типа ВМТ 220 кВ. Управление и автоматика. Схема подключения НКУ Выключатель "мостика" воздушный 220 кВ. Управление и автоматика. Схема полная Выключатель "мостика" воздушный 220 кВ. Управление и автоматика. Схема подключения НКУ Автотрансформатор Т1(Т2). Защита минимального напряжения 6 - 10; 35 кВ. Схема полная Автотрансформатор Т1(Т2). Защита минимального напряжения 6 - 10; 35 кВ. Схема подключения НКУ ПС с "мостиковыми" схемами. Линии W1, W2. Трансформаторы напряжения 220 кВ. Схема полная ПС с "мостиковыми" схемами. Линии W1, W2. Трансформаторы напряжения 220 кВ. Схема подключения НКУ ПС "Два блока". Линия W1 (W2). Трансформаторы напряжения 220 кВ. Схема полная ПС "Два блока". Линия W1 (W2). Трансформаторы напряжения 220 кВ. Схема подключения НКУ Автотрансформатор Т1(Т2). Линия W1 (W2). Управление и автоматика. Схема подключения НКУ | Разработан: | Энергосетьпроект
| Утверждён: | 13.03.1989 Минэнерго СССР (USSR Minenergo 7)
| Расположен в: |
|
                                                                           
|