Информационная система
«Ёшкин Кот»

Скачать базу одним архивом
Скачать обновления
История создания базы
Карта сайта

Скачать Типовой проект 407-9-34.90 Альбом 3. Строительные изделия (из ТП 407-9-33.90)

Дата актуализации: 10.08.2017

Типовой проект 407-9-34.90

Альбом 3. Строительные изделия (из ТП 407-9-33.90)

Обозначение: Типовой проект 407-9-34.90
Обозначение англ: 407-9-34.90
Статус:действует
Название рус.:Альбом 3. Строительные изделия (из ТП 407-9-33.90)
Дата добавления в базу:01.09.2013
Дата актуализации:05.05.2017
Оглавление:407-9-33.90-АС.И-ТТ Технические требования
407-9-33.90-АС.И-1 Колонна 1К42-2М2-1,1К42-2М2-2
407-9-33.90-АС.И-2 Колонна 1К42-2М2-3,2К42-2М2-1,2К42-3М2-2
407-9-33.90-АС.И-3 Балка БСП6.1-6АV-1. Плита ПГ-2АVТ-1,ПГ-3АVТ-1,ПГ-4АVТ-1,ПВ4-3АVТ-1,ПВ4-4АVТ-1
407-9-33.90-АС.И-4 Секция С1
407-9-33.90-АС.И-5 Секция С2,С3
407-9-33.90-АС.И-6 Дверь Д1
407-9-33.90-АС.И-7 Стойка СМ1,СМ2
407-9-33.90-АС.И-8 Стойка СМ3...СМ7
407-9-33.90-АС.И-9 Изделие закладное МН1...МН4
407-9-33.90-АС.И-10 Изделие закладное МН5...МН7
407-9-33.90-АС.И-11 Изделие закладное МН8...МН10
407-9-33.90-АС.И-12 Изделие закладное МН11...МН13. Б1,Б2,М1...М4
407-9-33.90-АС.И-13 Изделие закладное МН14...МН17,МН27
407-9-33.90-АС.И-14 Изделие закладное МН18...МН26,МН30
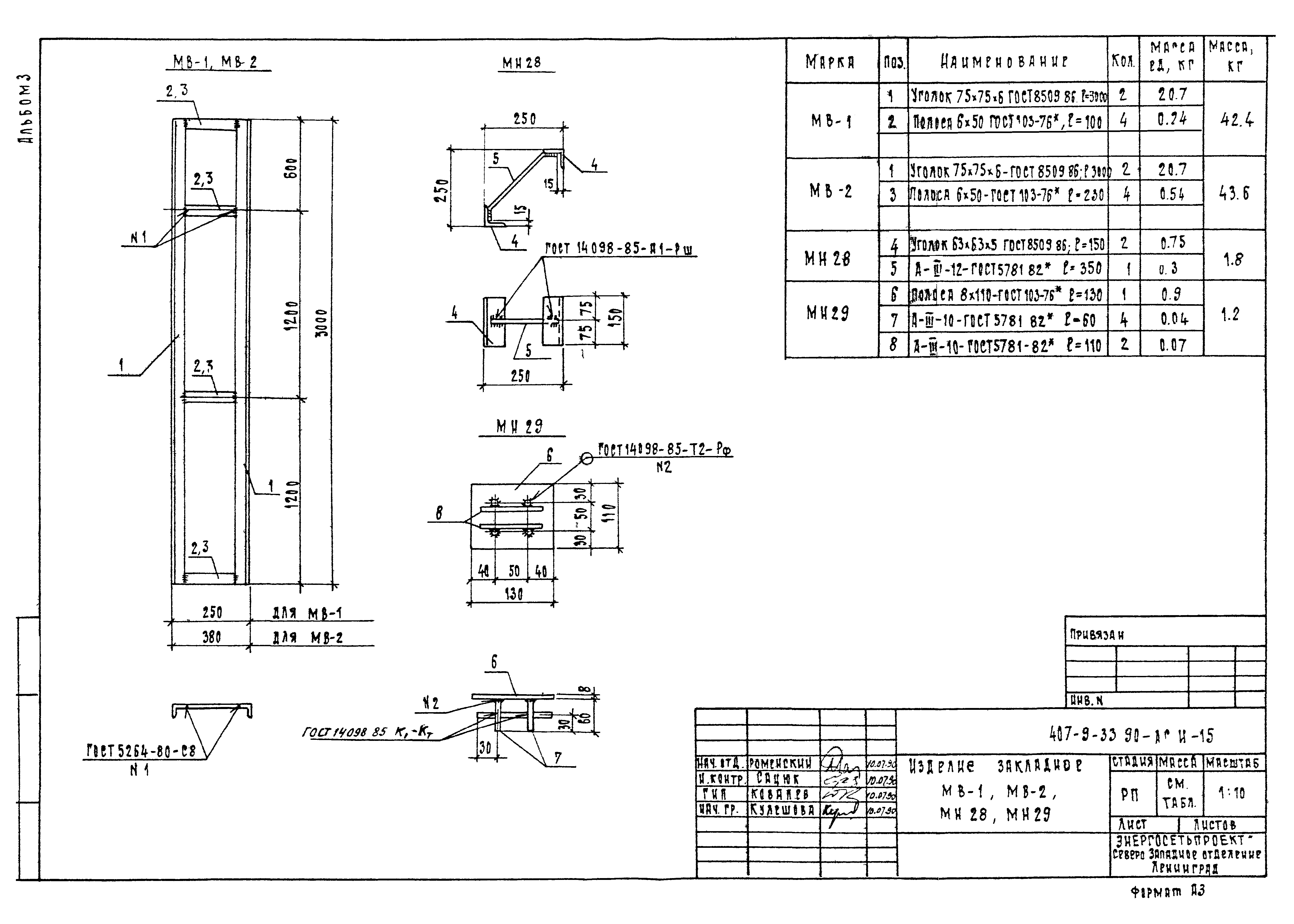
407-9-33.90-АС.И-15 Изделие закладное МВ1;МВ-2;МН-28;МН-29
407-9-33.90-АС.И-16 Щит покрытия каналов Щ1...Щ12
Разработан: Северо-западное отделение института Энергосетьпроект
Утверждён:24.07.1990 Минэнерго СССР (USSR Minenergo 43)
Издан: Энергосетьпроект (1990 г. )
Расположен в:Техническая документация Строительство Справочные документы Типовые строительные конструкции, изделия и узлы Общероссийский строительный каталог Промышленные предприятия, здания и сооружения Предприятия, здания и сооружения промышленности и электроэнергетики Электроэнергетика Здания и сооружения разные
Типовой проект 407-9-34.90Типовой проект 407-9-34.90Типовой проект 407-9-34.90Типовой проект 407-9-34.90Типовой проект 407-9-34.90Типовой проект 407-9-34.90Типовой проект 407-9-34.90Типовой проект 407-9-34.90Типовой проект 407-9-34.90Типовой проект 407-9-34.90Типовой проект 407-9-34.90Типовой проект 407-9-34.90Типовой проект 407-9-34.90Типовой проект 407-9-34.90Типовой проект 407-9-34.90Типовой проект 407-9-34.90Типовой проект 407-9-34.90Типовой проект 407-9-34.90Типовой проект 407-9-34.90Типовой проект 407-9-34.90

© 2013 Ёшкин Кот :-) Карта сайта