Информационная система
«Ёшкин Кот»

Скачать базу одним архивом
Скачать обновления
История создания базы
Карта сайта

Скачать Типовой проект 903-1-251.87 Альбом IV. Изделия заводского изготовления

Дата актуализации: 10.08.2017

Типовой проект 903-1-251.87

Альбом IV. Изделия заводского изготовления

Обозначение: Типовой проект 903-1-251.87
Обозначение англ: 903-1-251.87
Статус:не определен законодательством
Название рус.:Альбом IV. Изделия заводского изготовления
Дата добавления в базу:01.09.2013
Дата актуализации:05.05.2017
Дата введения:30.11.1987
Оглавление:Титульный лист
Содержание альбома
Стеновые панели ПСД60.9.20-П-а, ПСД60.9.25-П-а, ПСД60.9.30-П-а
Стеновые панели ПСД60.9.20-У-П-б, ПСД60.9.25-У-П-б, ПСД60.9.30-У-П-б
Стеновые панели ПСД60.9.20-П-б, ПСД60.9.25-П-б, ПСД60.9.30-П-б
Каркас пространственный КП1, КП2, КП3
Стеновые панели ПСД30.9.20-П-г, ПСД30.9.25-П-г, ПСД30.9.30-П-г
Каркас пространственный КП4, КП5, КП6
Стеновые панели ПСД60.9.20-У-П-в, ПСД60.9.25-У-П-в, ПСД60.9.30-У-П-в
Каркас пространственный КП7, КП8, КП9
Панель карниза ПК60.6.5-Л-а, ПК60.7-Л-а, ПК60.7.5-Л-а
Сечения 3-3…7-7
Сетка арматурная С1, С2
Сетка арматурная С3, С4
Спецификация расхода материалов на элемент
Ведомость расхода стали на элемент
Стеновые панели ПСД15.12.20-УП-П-а, ПСД15.12.25-УП-П-а, ПСД15.12.30-УП-П-а
Стеновые панели ПСД15.9.20-УП-П-а, ПСД15.9.25-УП-П-а, ПСД15.9.30-УП-П-а
Стеновые панели ПСД30.9.20-П-б, ПСД30.9.25-П-б, ПСД30.9.30-П-б
Стеновые панели ПСД60.12.20-У-П-а, ПСД60.12.25-У-П-а, ПСД60.12.30-У-П-а
Стеновые панели ПСД60.9.20-УП-П-а, ПСД60.9.25-УП-П-а, ПСД60.9.30-УП-П-а
Стеновые панели ПСД30.9.20-П-в, ПСД30.9.25-П-в, ПСД30.9.30-П-в
Стеновые панели ПСД60.12.20-УП-П-а, ПСД60.12.25-УП-П-а, ПСД60.12.30-УП-П-а
Стеновые панели ПСД30.12.20-П-а, ПСД30.12.25-П-а, ПСД30.12.30-П-а
Стеновые панели ПСД30.9.20-П-а, ПСД30.9.25-П-а, ПСД30.9.30-П-а
Стеновые панели ПСД60.9.20-У-П-а, ПСД60.9.25-У-П-а, ПСД60.9.30-У-П-а
Колонна 1К33.2-1.1; 1К33.2-1.2
Колонна 1К33.2-1.3; 1К33.2-1.4
Колонна 1К39.2-2.1; 1К39.2-2.2
Плита 1ПГ-3АIVТ-Н-а; 1ПВ-4АIVТ-Н-а; 1ПГ-4АIVТ-Н-в
Изделие соединительное МС4. Изделие закладное МН1…МН3
Стойка С1
Ограждение площадки ОГ1
Изделие соединительное МС1, МС2, МС5, МС6
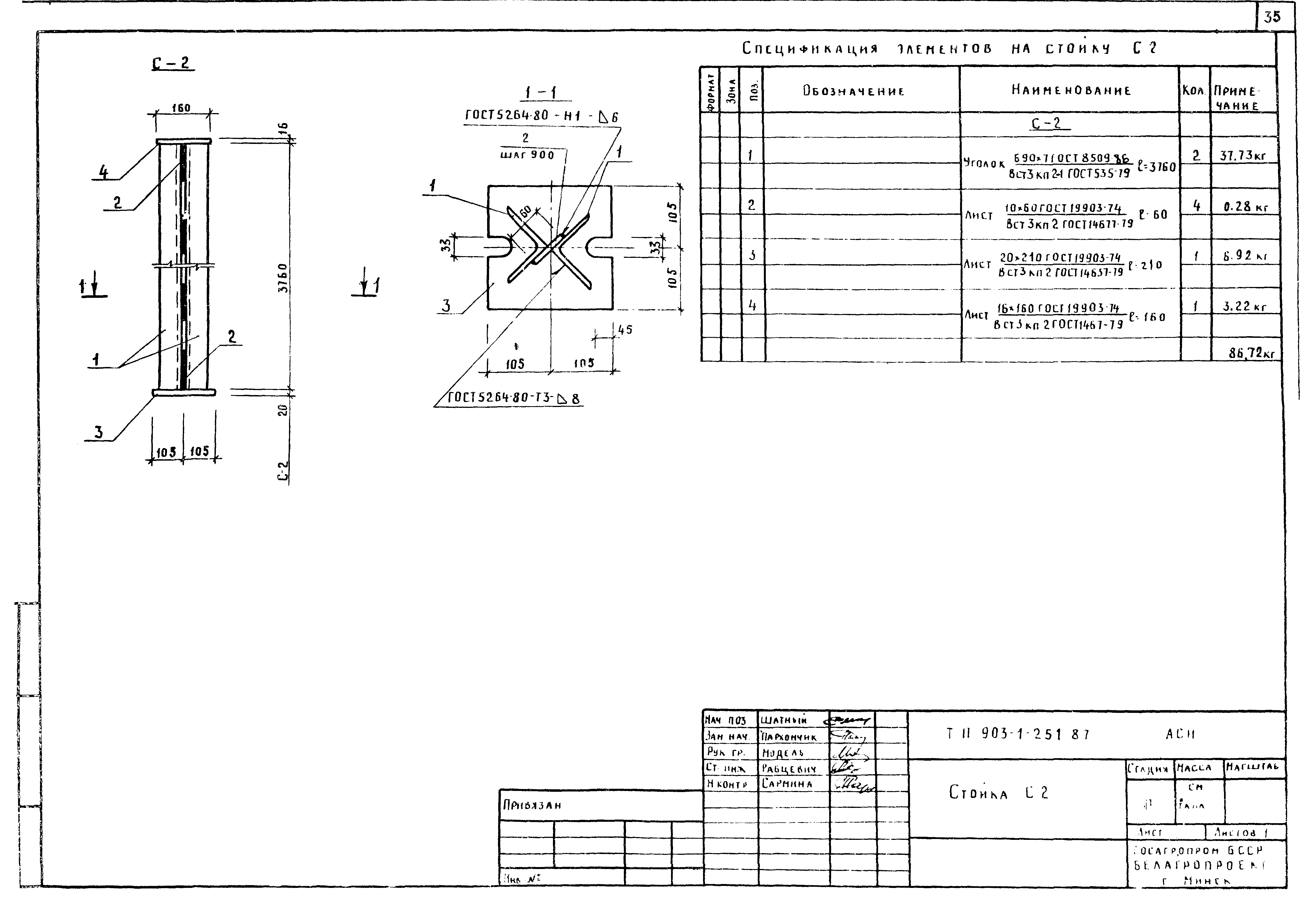
Стойка С2
Изделие закладное МН4
Разработан: Белагропроект
Утверждён:30.11.1987 Белагропроект (162)
Издан: ЦИТП Госстроя СССР (CITP, Gosstroy (USSR) 1988 г. )
Расположен в:Техническая документация Строительство Справочные документы Типовые строительные конструкции, изделия и узлы Общероссийский строительный каталог Промышленные предприятия, здания и сооружения Здания и сооружения санитарно-технические Теплоснабжение Котельные установки Электрокотельные
Типовой проект 903-1-251.87Типовой проект 903-1-251.87Типовой проект 903-1-251.87Типовой проект 903-1-251.87Типовой проект 903-1-251.87Типовой проект 903-1-251.87Типовой проект 903-1-251.87Типовой проект 903-1-251.87Типовой проект 903-1-251.87Типовой проект 903-1-251.87Типовой проект 903-1-251.87Типовой проект 903-1-251.87Типовой проект 903-1-251.87Типовой проект 903-1-251.87Типовой проект 903-1-251.87Типовой проект 903-1-251.87Типовой проект 903-1-251.87Типовой проект 903-1-251.87Типовой проект 903-1-251.87Типовой проект 903-1-251.87Типовой проект 903-1-251.87Типовой проект 903-1-251.87Типовой проект 903-1-251.87Типовой проект 903-1-251.87Типовой проект 903-1-251.87Типовой проект 903-1-251.87Типовой проект 903-1-251.87Типовой проект 903-1-251.87Типовой проект 903-1-251.87Типовой проект 903-1-251.87Типовой проект 903-1-251.87Типовой проект 903-1-251.87Типовой проект 903-1-251.87Типовой проект 903-1-251.87Типовой проект 903-1-251.87Типовой проект 903-1-251.87Типовой проект 903-1-251.87Типовой проект 903-1-251.87

© 2013 Ёшкин Кот :-) Карта сайта