Скачать Типовой проект 903-1-251.87 Альбом II. Комплектно-блочное оборудованиеДата актуализации: 10.08.2017 Типовой проект 903-1-251.87
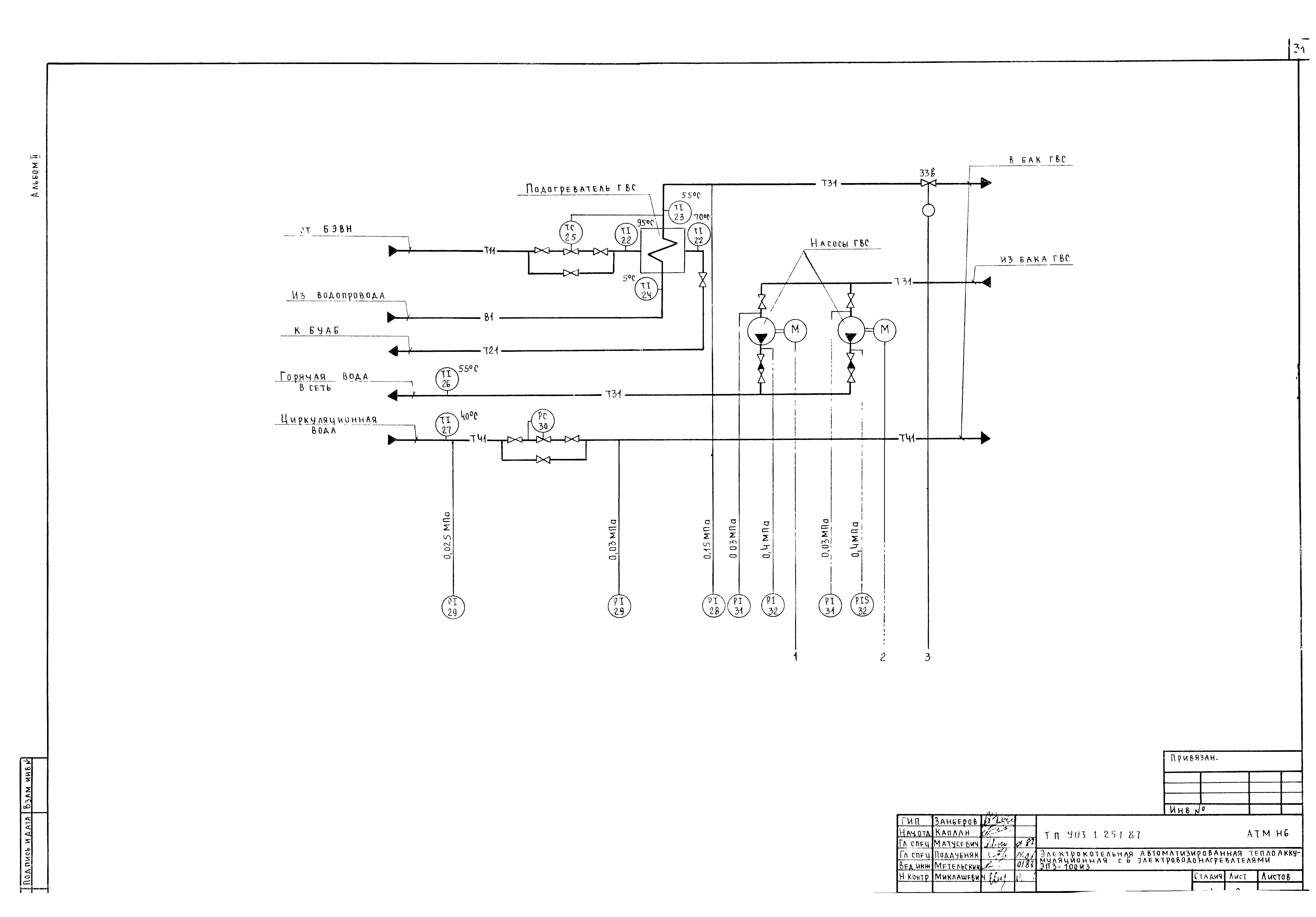
Альбом II. Комплектно-блочное оборудованиеОбозначение: | Типовой проект 903-1-251.87 | Обозначение англ: | 903-1-251.87 | Статус: | не определен законодательством | Название рус.: | Альбом II. Комплектно-блочное оборудование | Дата добавления в базу: | 01.09.2013 | Дата актуализации: | 05.05.2017 | Дата введения: | 30.11.1987 | Оглавление: | Содержание альбома Тепломеханическая часть Блок электронагревателей БЭВН-300ИЗ. Вид В. Схема блока Блок электронагревателей БЭВН-300ИЗ. Виды А, Б Блок электронагревателей БЭВН-300ИЗ. Ведомость теплоизоляционных конструкций Блок сетевых и циркуляционных насосов БСЦН. Общий вид Блок сетевых и циркуляционных насосов БСЦН. Схема блока Блок сетевых и циркуляционных насосов БСЦН. Ведомость теплоизоляционных конструкций Блок ввода БВ. Общий вид. Схема блока Блок ввода БВ. Ведомость теплоизоляционных конструкций Блок управления аккумуляторными баками БУАБ. Общий вид. Схема блока Блок управления аккумуляторными баками БУАБ. Ведомость теплоизоляционных конструкций Блок исходной воды БИВ. Общий вид. Схема блока Блок дозирования БД. Виды А, Б, В Блок дозирования БД. Схема блока. Ведомость теплоизоляционных конструкций Блок дистиллированной воды. Виды А, Б, В. Схема блока Блок горячего водоснабжения БГВ. Общий вид Блок горячего водоснабжения БГВ. Схема блока Блок горячего водоснабжения БГВ. Ведомость теплоизоляционных конструкций Металлоконструкции для блоков рамы Опорные рамы блоков БЭВН-300ИЗ, БСЦН Опорные рамы блоков БВ, БУАБ, БИВ Опорные рамы блоков БД, БГВ. Узел крепления ручного насоса к баку Автоматизация и КИП Блок электроводонагревателей БЭВН-300ИЗ. Общий вид Блок электроводонагревателей БЭВН-300ИЗ. Схема функциональная. Схема соединений внешних проводок Блок сетевых и циркуляционных насосов БСЦН. Общий вид Блок сетевых и циркуляционных насосов БСЦН. Схема функциональная. Схема соединений внешних проводок Блок управления аккумуляторными баками БУАБ. Общий вид. Схема функциональная. Схема соединений внешних проводок Блок ввода БВ. Общий вид. Схема функциональная Схема соединений внешних проводок Блок исходной воды БИВ. Общий вид. Схема функциональная. Схема соединений внешних проводок Блок горячего водоснабжения БГВ. Общий вид Блок горячего водоснабжения БГВ. Схема функциональная Блок горячего водоснабжения БГВ. Схема соединений внешних проводок | Разработан: | Белагропроект
| Утверждён: | 30.11.1987 Белагропроект (162)
| Издан: | ЦИТП Госстроя СССР (CITP, Gosstroy (USSR) 1988 г. )
| Расположен в: |
|
                                
|