Информационная система
«Ёшкин Кот»

Скачать базу одним архивом
Скачать обновления
История создания базы
Карта сайта

Скачать Типовой проект 701-4-133.85 Альбом II. Автоматизация технологических процессов. Электроосвещение и электрооборудование. Связь и сигнализация

Дата актуализации: 10.08.2017

Типовой проект 701-4-133.85

Альбом II. Автоматизация технологических процессов. Электроосвещение и электрооборудование. Связь и сигнализация

Обозначение: Типовой проект 701-4-133.85
Обозначение англ: 701-4-133.85
Статус:не определен законодательством
Название рус.:Альбом II. Автоматизация технологических процессов. Электроосвещение и электрооборудование. Связь и сигнализация
Дата добавления в базу:01.09.2013
Дата актуализации:05.05.2017
Дата введения:14.02.1985
Оглавление:Чертежи основного комплекта марки ТХ
   Общие данные
   План размещения грузов в камерах и схема грузопотоков
   План на отм. 0.000
   Разрезы А-А, Б-Б, В-В. Сечение Е-Е. План на отм. 4.490
   Сечения Г-Г, Д-Д. Перечень оборудования
   Схема трубопроводов
   Распредустройство - обратное и подающее. Узлы I, II, III, IV
   План на отм. 0.000 (охлаждающие батареи из стеклянных труб)
   Разрезы А-А, Б-Б, В-В. Сечение Е-Е (охлаждающие батареи из стеклянных труб)
   План на отм. 4.490. Сечение Д-Д. Перечень оборудования (охлаждающие батареи из стеклянных труб)
   Схема трубопроводов (охлаждающие батареи из стеклянных труб)
   Распредустройство - обратное и подающее. Узлы I, II, III, IV, V (охлаждающие батареи из стеклянных труб)
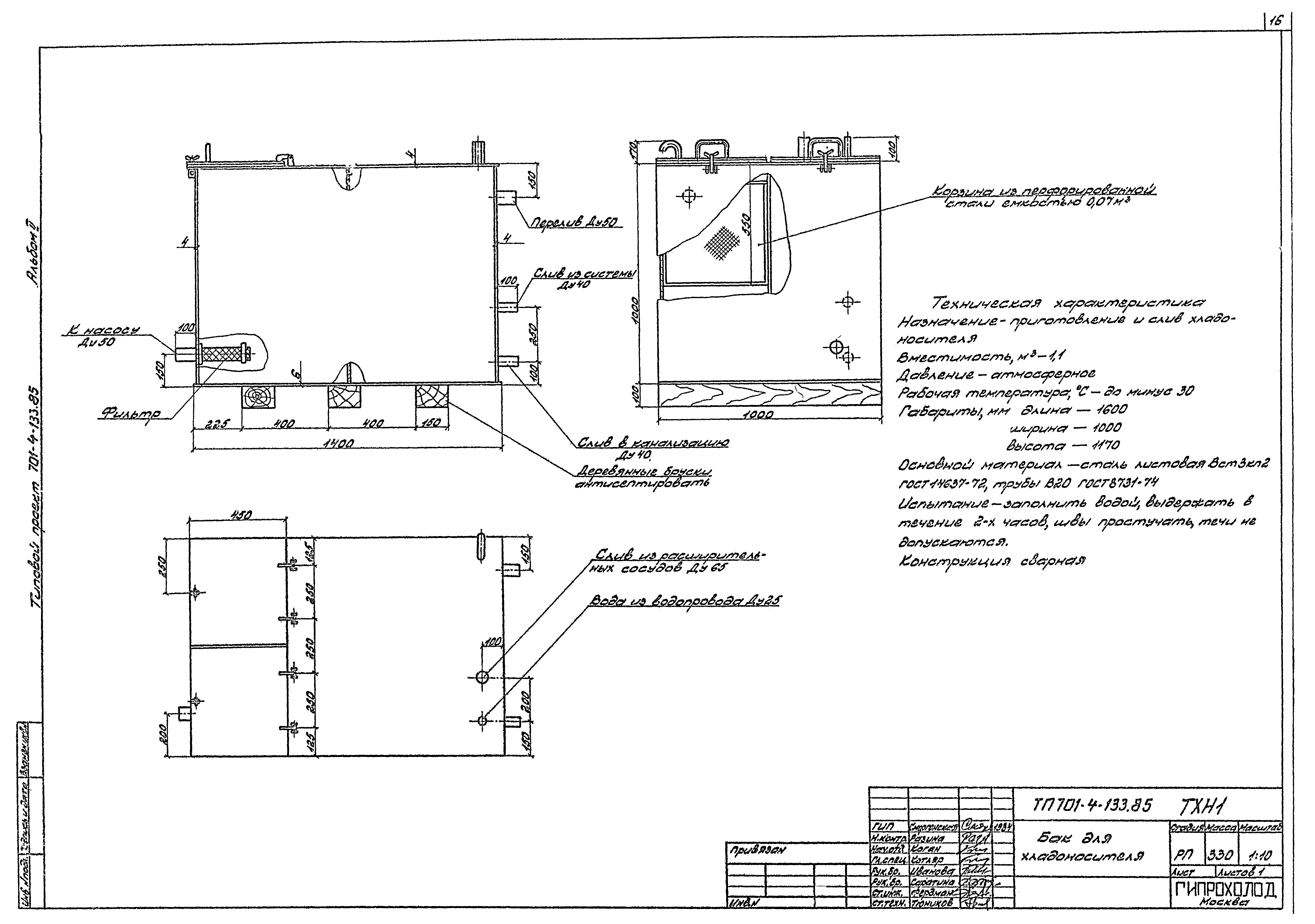
   Бак для хладоносителя
   Бак для воды
   Блок из двух расширительных сосудов
   Фильтр для растворов
   Батареи потолочные из стеклянных труб
   Батарея пристенная из стеклянных труб
   Кронштейн для крепления вентиляторного агрегата
   Патрубок
Чертежи основного комплекта марки А
   Общие данные
   Схема функциональная
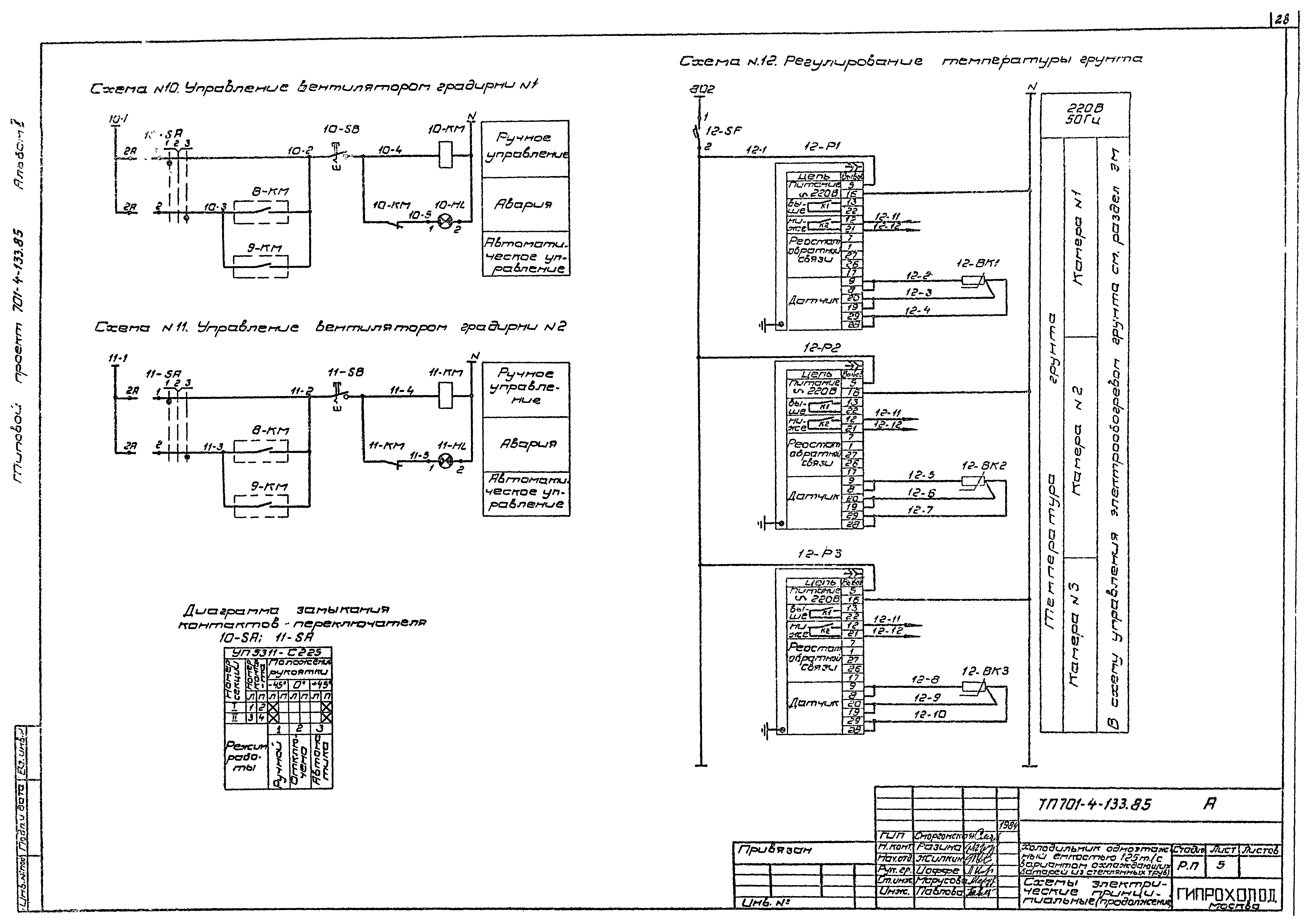
   Схемы электрические принципиальные
   Схемы внешних проводок
   План расположения
   Кабельный журнал
   Схемы подключений к клемникам щита
   Схема функциональная. Схемы электрические принципиальные (вариант охлаждающих батарей из стеклянных труб)
   Схемы внешних проводок (вариант охлаждающих батарей из стеклянных труб)
   План расположения (вариант охлаждающих батарей из стеклянных труб)
   Кабельный журнал (вариант охлаждающих батарей из стеклянных труб)
   Схемы подключений к клемникам щита (вариант охлаждающих батарей из стеклянных труб)
Чертежи основного комплекта марки ЭМ
   Общие данные
   Схема принципиальная однолинейная распределительной сети 1ШР
   Кабельный журнал
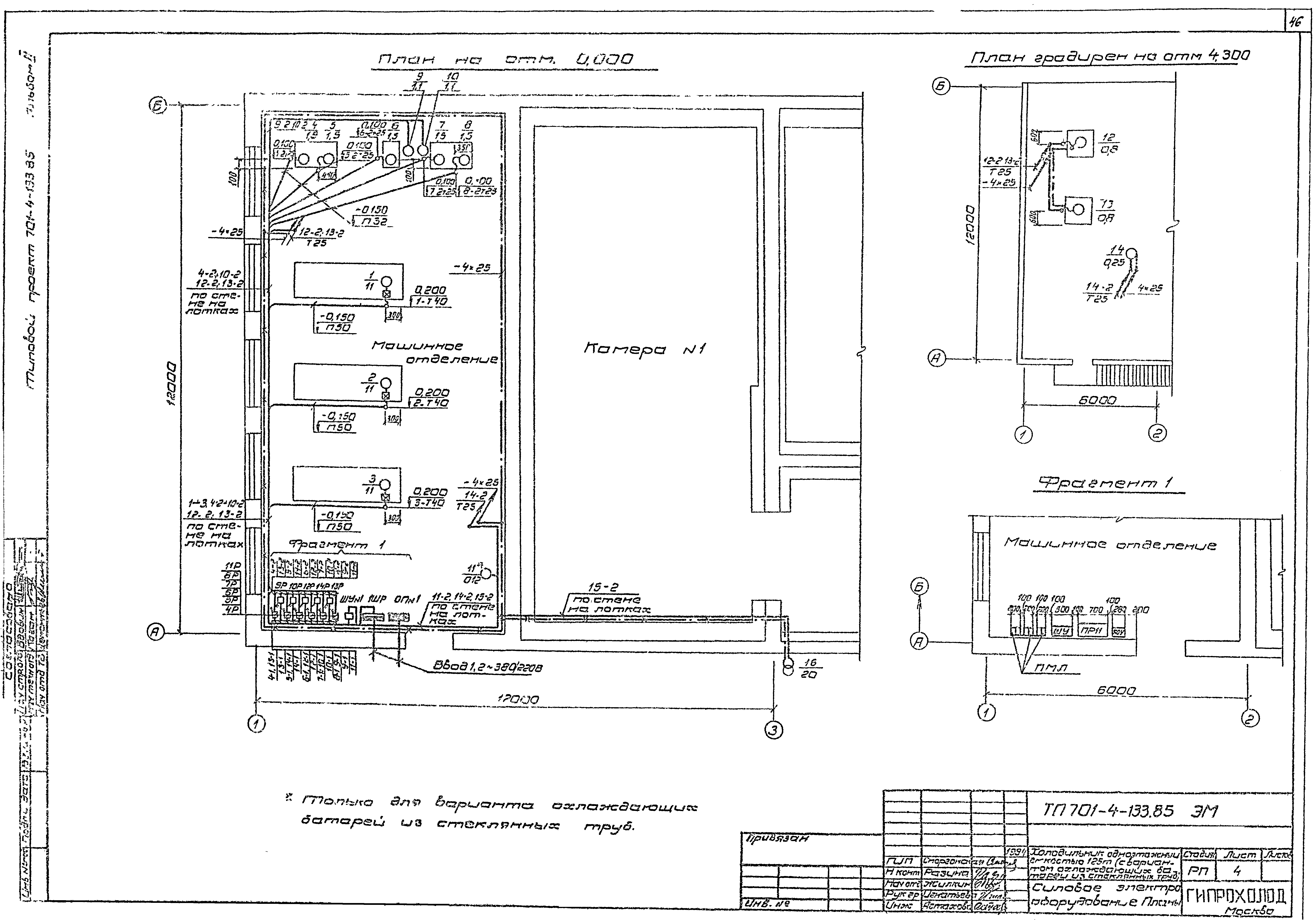
   Силовое электрооборудование. Планы
   Электрообогрев грунта. План. Разрез. Схема
   Электроосвещение. Планы
Чертежи основного комплекта марки СС
   Общие данные. Скелетная схема
   Комплексная распределительная кабельная сеть. План на отм. 0.000. Список абонентских точек. Схемы
Разработан: Гипрохолод Минторга СССР
Утверждён:18.12.1984 Министерство торговли СССР (USSR Ministry of Commerce 310/П-14)
Расположен в:Техническая документация Строительство Справочные документы Типовые строительные конструкции, изделия и узлы Общероссийский строительный каталог Промышленные предприятия, здания и сооружения Предприятия, здания и сооружения складские Здания и сооружения складские общего назначения, холодильники и склады жидких пищевых продуктов резервуарного хранения Холодильники Распределительные холодильники
Типовой проект 701-4-133.85Типовой проект 701-4-133.85Типовой проект 701-4-133.85Типовой проект 701-4-133.85Типовой проект 701-4-133.85Типовой проект 701-4-133.85Типовой проект 701-4-133.85Типовой проект 701-4-133.85Типовой проект 701-4-133.85Типовой проект 701-4-133.85Типовой проект 701-4-133.85Типовой проект 701-4-133.85Типовой проект 701-4-133.85Типовой проект 701-4-133.85Типовой проект 701-4-133.85Типовой проект 701-4-133.85Типовой проект 701-4-133.85Типовой проект 701-4-133.85Типовой проект 701-4-133.85Типовой проект 701-4-133.85Типовой проект 701-4-133.85Типовой проект 701-4-133.85Типовой проект 701-4-133.85Типовой проект 701-4-133.85Типовой проект 701-4-133.85Типовой проект 701-4-133.85Типовой проект 701-4-133.85Типовой проект 701-4-133.85Типовой проект 701-4-133.85Типовой проект 701-4-133.85Типовой проект 701-4-133.85Типовой проект 701-4-133.85Типовой проект 701-4-133.85Типовой проект 701-4-133.85Типовой проект 701-4-133.85Типовой проект 701-4-133.85Типовой проект 701-4-133.85Типовой проект 701-4-133.85Типовой проект 701-4-133.85Типовой проект 701-4-133.85Типовой проект 701-4-133.85Типовой проект 701-4-133.85Типовой проект 701-4-133.85Типовой проект 701-4-133.85Типовой проект 701-4-133.85Типовой проект 701-4-133.85Типовой проект 701-4-133.85Типовой проект 701-4-133.85Типовой проект 701-4-133.85Типовой проект 701-4-133.85Типовой проект 701-4-133.85

© 2013 Ёшкин Кот :-) Карта сайта