Информационная система
«Ёшкин Кот»

Скачать базу одним архивом
Скачать обновления
История создания базы
Карта сайта

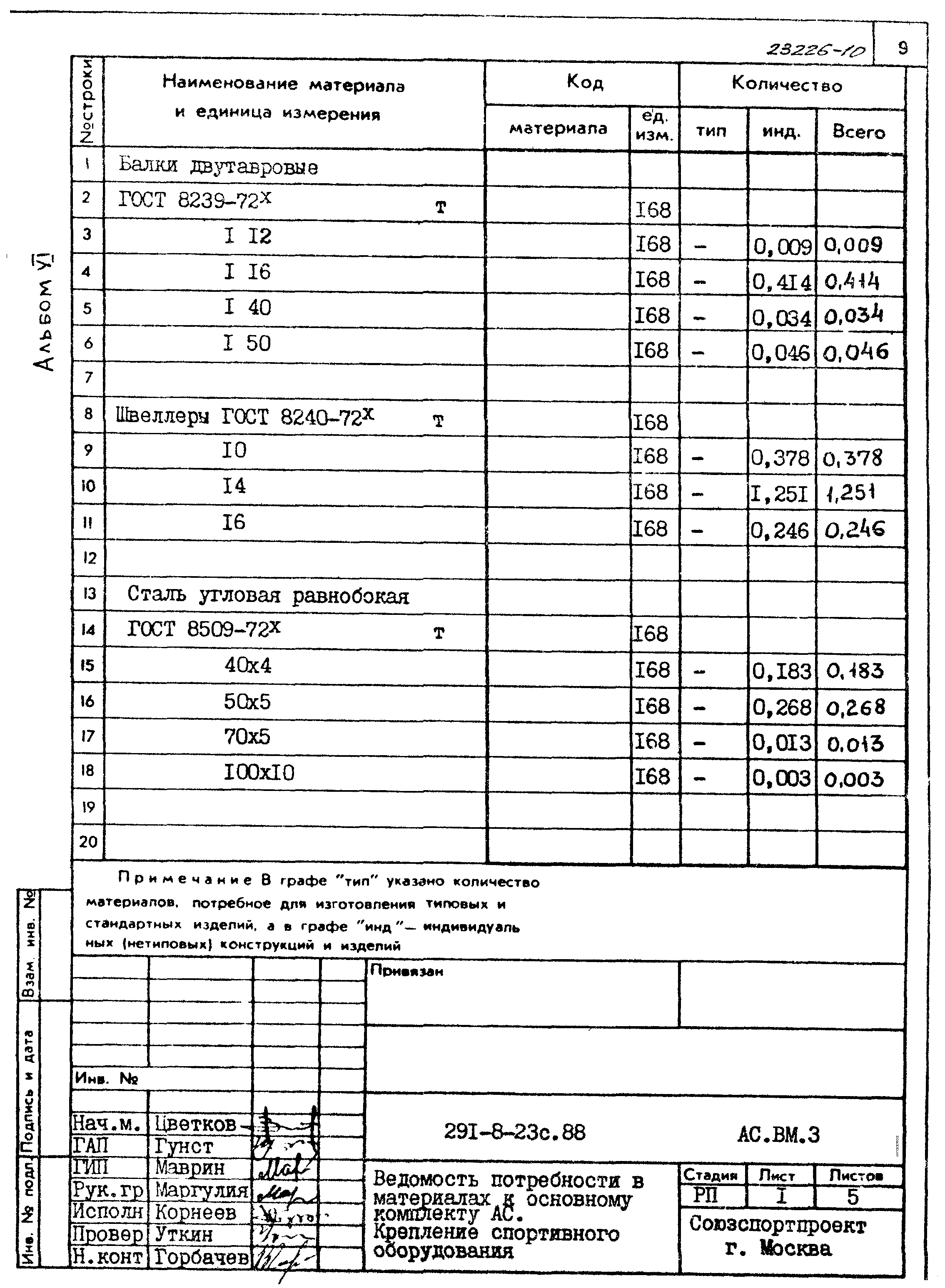
Скачать Типовой проект 291-8-23с.88 Альбом VI. Ведомости потребности в материалах

Дата актуализации: 10.08.2017

Типовой проект 291-8-23с.88

Альбом VI. Ведомости потребности в материалах

Обозначение: Типовой проект 291-8-23с.88
Обозначение англ: 291-8-23с.88
Статус:не определен законодательством
Название рус.:Альбом VI. Ведомости потребности в материалах
Дата добавления в базу:01.09.2013
Дата актуализации:05.05.2017
Дата введения:14.06.1988
Оглавление:АС.ВМ Ведомость потребности в материалах к основному комплекту марки АС
КЖ.ВМ Ведомость потребности в материалах к основному комплекту марки КЖ
ОВ.ВМ Ведомость потребности в материалах к основному комплекту марки ОВ
ВК.ВМ Ведомость потребности в материалах к основному комплекту марки ВК
ЭМ.ВМ Ведомость потребности в материалах к основному комплекту марки ЭМ
АОВ.ВМ Ведомость потребности в материалах к основному комплекту марки АОВ
СС.ВМ Ведомость потребности в материалах к основному комплекту марки СС
ОПС.ВМ Ведомость потребности в материалах к основному комплекту марки ОПС
Разработан: Союзспортпроект Спорткомитета СССР
Утверждён:03.11.1987 Госгражданстрой (Gosgrazhdanstroy 351)
Расположен в:Техническая документация Строительство Справочные документы Типовые строительные конструкции, изделия и узлы Общероссийский строительный каталог Общественные здания в городах и поселках городского типа Физкультурно-оздоровительные и спортивные здания и сооружения Физкультурно-оздоровительные и спортивные комплексы
Типовой проект 291-8-23с.88Типовой проект 291-8-23с.88Типовой проект 291-8-23с.88Типовой проект 291-8-23с.88Типовой проект 291-8-23с.88Типовой проект 291-8-23с.88Типовой проект 291-8-23с.88Типовой проект 291-8-23с.88Типовой проект 291-8-23с.88Типовой проект 291-8-23с.88Типовой проект 291-8-23с.88Типовой проект 291-8-23с.88Типовой проект 291-8-23с.88Типовой проект 291-8-23с.88Типовой проект 291-8-23с.88Типовой проект 291-8-23с.88Типовой проект 291-8-23с.88Типовой проект 291-8-23с.88Типовой проект 291-8-23с.88Типовой проект 291-8-23с.88Типовой проект 291-8-23с.88Типовой проект 291-8-23с.88Типовой проект 291-8-23с.88Типовой проект 291-8-23с.88Типовой проект 291-8-23с.88Типовой проект 291-8-23с.88Типовой проект 291-8-23с.88Типовой проект 291-8-23с.88Типовой проект 291-8-23с.88Типовой проект 291-8-23с.88Типовой проект 291-8-23с.88Типовой проект 291-8-23с.88Типовой проект 291-8-23с.88Типовой проект 291-8-23с.88Типовой проект 291-8-23с.88

© 2013 Ёшкин Кот :-) Карта сайта