Информационная система
«Ёшкин Кот»

Скачать базу одним архивом
Скачать обновления
История создания базы
Карта сайта

Скачать Типовой проект 902-2-466.89 Альбом 6. Силовое электрооборудование. Автоматизация. Освещение. Связь и сигнализация

Дата актуализации: 10.08.2017

Типовой проект 902-2-466.89

Альбом 6. Силовое электрооборудование. Автоматизация. Освещение. Связь и сигнализация

Обозначение: Типовой проект 902-2-466.89
Обозначение англ: 902-2-466.89
Статус:не определен законодательством
Название рус.:Альбом 6. Силовое электрооборудование. Автоматизация. Освещение. Связь и сигнализация
Дата добавления в базу:01.09.2013
Дата актуализации:05.05.2017
Дата введения:21.11.1988
Оглавление:Содержание
Силовое электрооборудование
   Общие данные
   Схема электрическая принципиальная распределительной сети 380/220 В (самотечная подача)
   Схема электрическая принципиальная распределительной сети 380/220 В (напорная подача)
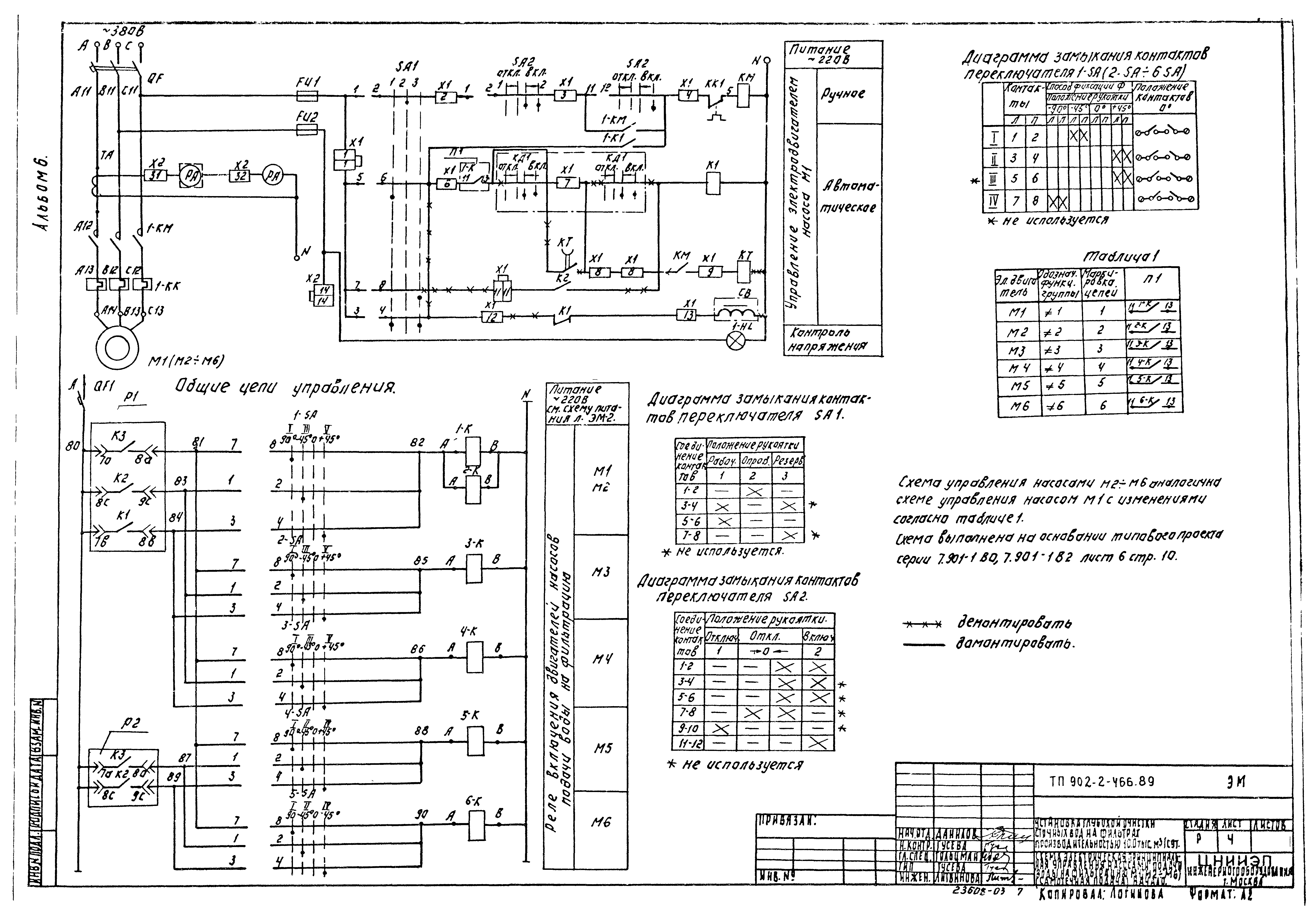
   Схема электрическая принципиальная управления насосами подачи воды на фильтрацию М1 (М2 - М6) (самотечная подача)
   Схема электрическая принципиальная управления насосом подачи воды на промывку М1 (М2, М3) (напорная подача)
   Схема электрическая принципиальная управления шестеренчатым компрессором М
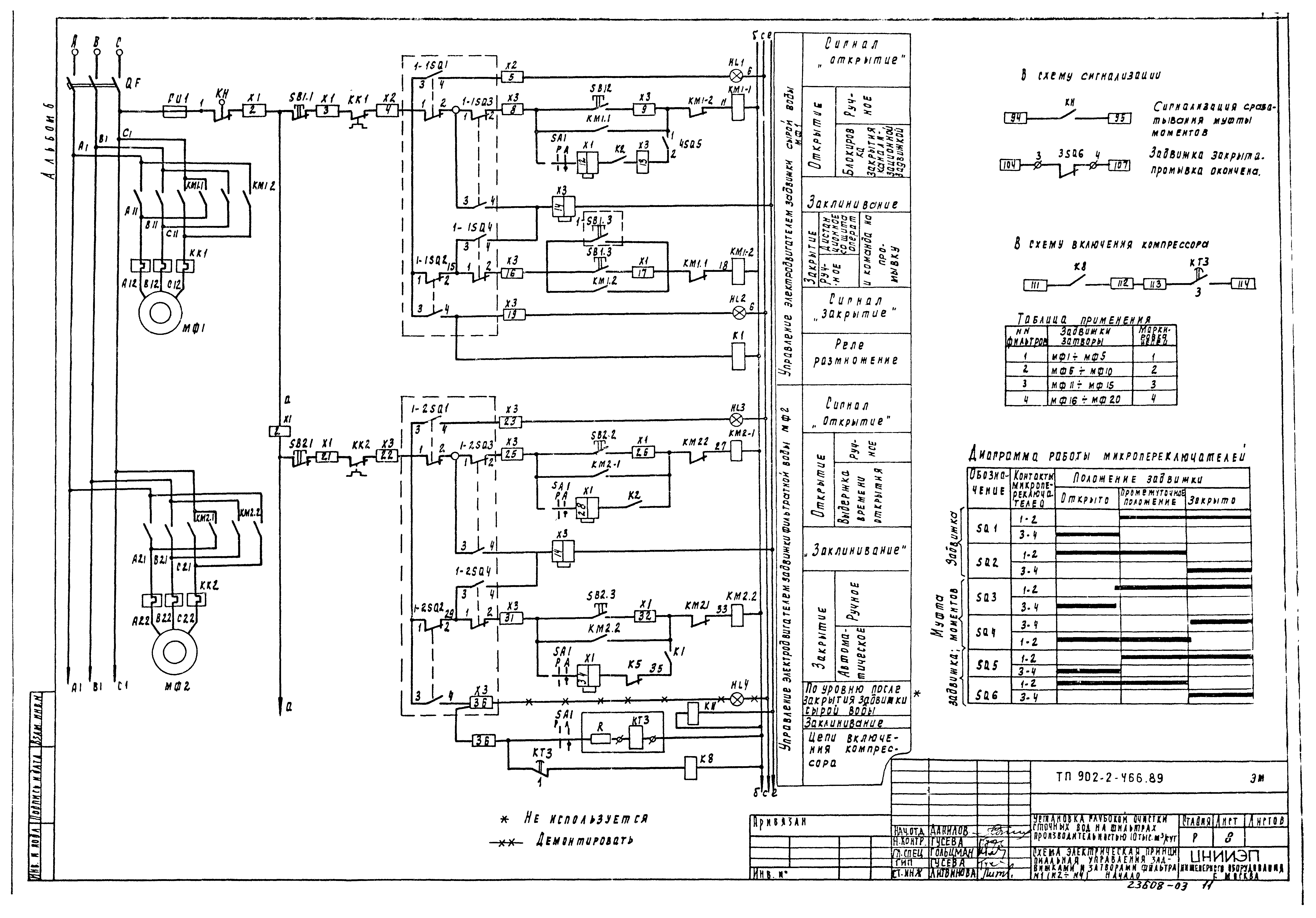
   Схема электрическая принципиальная управления задвижками и затворами фильтра №1 (№2 - №4)
   Схема электрическая принципиальная управления затвором М11 (самотечная подача)
   Схема подключения электрооборудования. Ящики Я1 (Я2 - Я6), Я7 (Я8, Я9) (Я4 - Я6)**
   Схема подключения электрооборудования. Ящики ЯП-1, Я1 - Я3. Пускатель КМВ-1
   Схема подключения электрооборудования. Ящик ЯЗФ1 (ЯЗФ2 - ЯЗФ4)
   Схема подключения электрооборудования. Ящик Я11. Пускатели КМ12, КМ13 (самотечная подача)
   Кабельный журнал (самотечная подача)
   Кабельный журнал (напорная подача)
   Сводка кабелей и проводов учтенных кабельным журналом
   Размещение электрооборудования и прокладка кабеля. Спецификация (самотечная подача)
   Размещение электрооборудования и прокладка кабеля. Спецификация (напорная подача)
   Размещение электрооборудования и прокладка кабеля. План на отм. 0.000; 0.750
   Размещение электрооборудования и прокладка кабеля. План на отм. - 1.900; 0.000
   Размещение электрооборудования и прокладка кабеля. План на отм. 0.320
Автоматизация
   Общие данные
   Схема автоматизации (самотечная подача)
   Схема автоматизации (напорная подача)
   Схема электрическая принципиальная питания приборов щита ЩО автоматизации приточной системы П-1
   Схема электрическая принципиальная сигнализации
   Схема внешних проводок
   Размещение приборов технологического контроля и прокладка кабеля. Спецификация. План на отм. 0.000
   Размещение приборов технологического контроля и прокладка кабеля. Спецификация. План на отм. - 1.900; 0.000; 0.750; 7.500
Электрическое освещение
   Общие данные
   Электрическое освещение. План на отм. 0.000. План питающей сети (напорная подача)
   Электрическое освещение. План на отм. 0.000. План питающей сети (самотечная подача)
Связь и сигнализация
   Общие данные. План на отм. 0.000 с сетями связи
Разработан: ЦНИИЭП иженерного оборудования
Утверждён:21.11.1988 Госкомархитектура (310)
Расположен в:Техническая документация Строительство Справочные документы Типовые строительные конструкции, изделия и узлы Общероссийский строительный каталог Промышленные предприятия, здания и сооружения Здания и сооружения санитарно-технические Канализация Сооружения доочистки Установки очистные и контактные резервуары
Типовой проект 902-2-466.89Типовой проект 902-2-466.89Типовой проект 902-2-466.89Типовой проект 902-2-466.89Типовой проект 902-2-466.89Типовой проект 902-2-466.89Типовой проект 902-2-466.89Типовой проект 902-2-466.89Типовой проект 902-2-466.89Типовой проект 902-2-466.89Типовой проект 902-2-466.89Типовой проект 902-2-466.89Типовой проект 902-2-466.89Типовой проект 902-2-466.89Типовой проект 902-2-466.89Типовой проект 902-2-466.89Типовой проект 902-2-466.89Типовой проект 902-2-466.89Типовой проект 902-2-466.89Типовой проект 902-2-466.89Типовой проект 902-2-466.89Типовой проект 902-2-466.89Типовой проект 902-2-466.89Типовой проект 902-2-466.89Типовой проект 902-2-466.89Типовой проект 902-2-466.89Типовой проект 902-2-466.89Типовой проект 902-2-466.89Типовой проект 902-2-466.89Типовой проект 902-2-466.89Типовой проект 902-2-466.89Типовой проект 902-2-466.89Типовой проект 902-2-466.89Типовой проект 902-2-466.89Типовой проект 902-2-466.89Типовой проект 902-2-466.89Типовой проект 902-2-466.89Типовой проект 902-2-466.89Типовой проект 902-2-466.89Типовой проект 902-2-466.89Типовой проект 902-2-466.89Типовой проект 902-2-466.89Типовой проект 902-2-466.89Типовой проект 902-2-466.89

© 2013 Ёшкин Кот :-) Карта сайта