Скачать Типовые материалы для проектирования 407-03-432.87 Альбом I. Схемы управления и автоматикиДата актуализации: 10.08.2017 Типовые материалы для проектирования 407-03-432.87
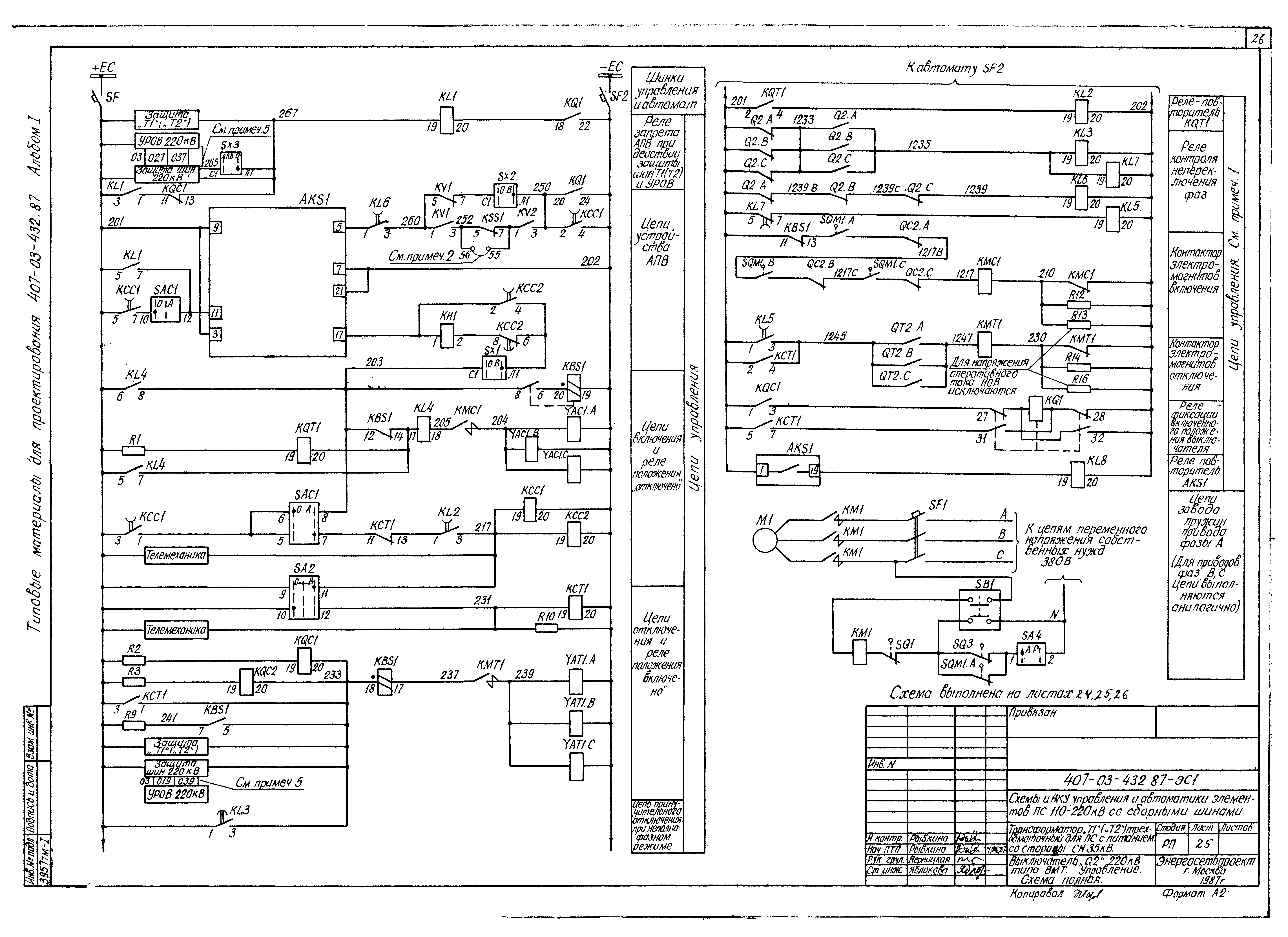
Альбом I. Схемы управления и автоматикиОбозначение: | Типовые материалы для проектирования 407-03-432.87 | Обозначение англ: | 407-03-432.87 | Статус: | cправочные материалы, мп, тпр | Название рус.: | Альбом I. Схемы управления и автоматики | Дата добавления в базу: | 01.09.2013 | Дата актуализации: | 05.05.2017 | Дата введения: | 22.04.1987 | Оглавление: | Общие данные Таблица выбора чертежей Трансформатор Т1 (Т2) трехобмоточный, двухобмоточный. Выключатель Q1 6-10 кВ типа ВКЭ-10. Управление. Схема полная Трансформатор Т1 (Т2) трехобмоточный, двухобмоточный. Выключатель Q4 6-10 кВ типа ВКЭ-10. Управление. Схема полная Трансформатор Т1 (Т2) трехобмоточный, двухобмоточный. Выключатель Q1 6-10 кВ типа ВК-10. Управление. Схема полная Трансформатор Т1 (Т2) трехобмоточный, двухобмоточный. Выключатель Q4 6-10 кВ типа ВК-10. Управление. Схема полная Трансформатор Т1 (Т2) трехобмоточный для ПС с питанием со стороны СН35 кВ. Выключатель Q3 35 кВ, масляный. Управление. Схема полная Трансформатор Т1 (Т2) трехобмоточный для ПС без питания со стороны СН35 кВ. Выключатель Q3 35 кВ, масляный. Управление. Схема полная Трансформатор Т1 (Т2) трехобмоточный для ПС с питанием со стороны СН35 кВ. Выключатель Q2 110 кВ, с пружинным приводом. Управление. Схема полная Трансформатор Т1 (Т2) трехобмоточный для ПС с питанием со стороны СН35 кВ. Выключатель Q2 110 - 220 кВ, воздушный. Управление. Схема полная Трансформатор Т1 (Т2) трехобмоточный для ПС с питанием со стороны СН35 кВ. Выключатель Q2 220 кВ типа ВМТ. Управление. Схема полная Трансформатор Т1 (Т2) двухобмоточный, трехобмоточный для ПС без питания со стороны СН35 кВ. Выключатель Q2 110 кВ с пружинным приводом. Управление. Схема полная Трансформатор Т1 (Т2) двухобмоточный, трехобмоточный для ПС без питания со стороны СН35 кВ. Выключатель Q2 110 - 220 кВ воздушный. Управление. Схема полная Трансформатор Т1 (Т2) двухобмоточный, трехобмоточный для ПС без питания со стороны СН35 кВ. Выключатель Q2 220 кВ типа ВМТ. Управление. Схема полная Трансформатор Т1 (Т2) двухобмоточный, трехобмоточный для ПС без питания со стороны СН35 кВ. Защита минимального напряжения I (II) сш 110 - 220 кВ. Схема полная Трансформатор Т1 (Т2). Трансформатор напряжения 2хНОМ 6-10 кВ на вводе. Схема полная | Разработан: | Энергосетьпроект
| Утверждён: | 22.04.1987 Минэнерго СССР (USSR Minenergo 25)
| Расположен в: |
|
                                  
|