Скачать Типовые проектные решения 407-03-298 Альбом I. Пояснительная записка и чертежиДата актуализации: 10.08.2017 Типовые проектные решения 407-03-298
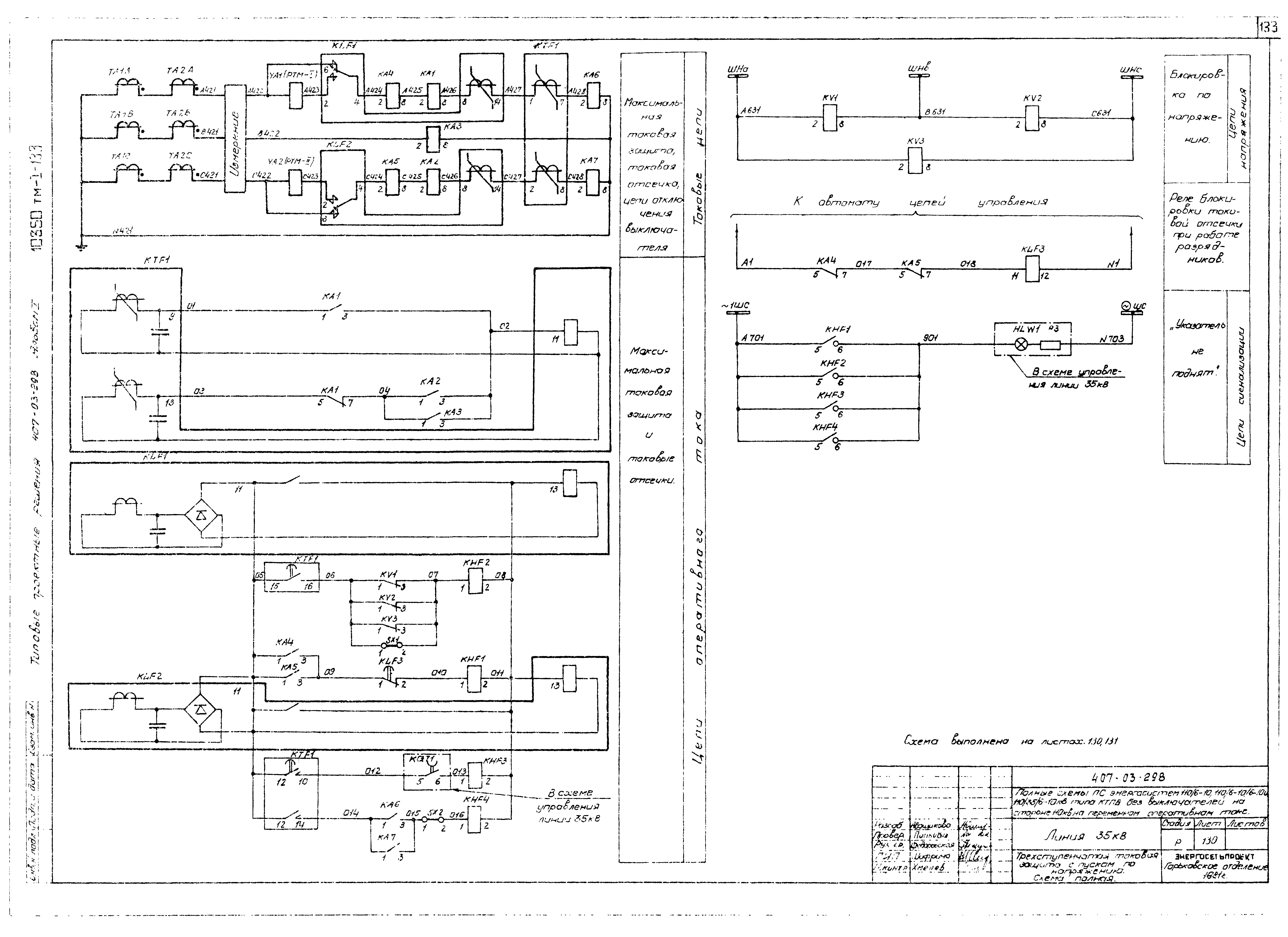
Альбом I. Пояснительная записка и чертежиОбозначение: | Типовые проектные решения 407-03-298 | Обозначение англ: | 407-03-298 | Статус: | cправочные материалы, мп, тпр | Название рус.: | Альбом I. Пояснительная записка и чертежи | Дата добавления в базу: | 01.09.2013 | Дата актуализации: | 05.05.2017 | Дата введения: | 30.12.1981 | Оглавление: | Титульный лист Содержание альбома Пояснительная записка Выбор чертежей Трансформатор 110/6-10 кВ. Выключатель ВК-10 (ВМПП-10). Схема поясняющая Трансформатор 110/6 кВ, 110/10/10 кВ (расщепленные обмотки соединены параллельно). Выключатель ВМПЭ-10. Схема поясняющая Трансформатор 110/6-10/6-10 кВ. Выключатель ВК-10 (ВМПП-10). Схема поясняющая Трансформатор 110/6-10/6-10 кВ. Выключатель ВМПЭ-10. Схема поясняющая Трансформатор 110/35/6-10 кВ. Выключатель ВК-10 (ВМПП-10). Схема поясняющая Трансформатор 110/35/6-10 кВ. Выключатель ВМПЭ-10. Схема поясняющая Трансформатор 110/6-10 кВ. Выключатель ВК-10 (ВМПП-10). Цепи управления, автоматики и сигнализации. Схема полная Трансформатор 110/6-10/6-10 кВ. Выключатель ВК-10 (ВМПП-10). Цепи управления, автоматики и сигнализации. Схема полная Трансформатор 110/6 кВ, 110/10/10 кВ (расщепленные обмотки соединены параллельно). Выключатель ВМПЭ-10. Цепи управления, автоматики и сигнализации. Схема полная Трансформатор 110/6-10/6-10 кВ. Выключатель ВМПЭ-10. Цепи управления, автоматики и сигнализации. Схема полная Трансформатор 110/35/6-10 кВ. Выключатели С-35-630, ВК-10 (ВМПП-10). Цепи управления, автоматики и сигнализации. Схема полная Трансформатор 110/35/6-10 кВ. Выключатели С-35-630, ВМПЭ-10. Цепи управления, автоматики и сигнализации. Схема полная Трансформатор 110/6-10 кВ. Выключатель ВК-10 (ВМПП-10). Защита с дешунтированием. Схема полная Трансформатор 110/6-10 кВ. Выключатель ВК-10 (ВМПП-10). Защита с действием от конденсаторов. Схема полная Трансформатор 110/6-10 кВ. Выключатель ВК-10 (ВМПП-10). Защита совмещенная с дешунтированием и действием от конденсаторов. Схема полная Трансформатор 110/6-10/6-10 кВ. Выключатель ВК-10 (ВМПП-10). Защита с дешунтированием. Схема полная Трансформатор 110/6-10/6-10 кВ. Выключатель ВК-10 (ВМПП-10). Защита с действием от конденсаторов. Схема полная Трансформатор 110/6-10/6-10 кВ. Выключатель ВК-10 (ВМПП-10). Защита совмещенная с дешунтированием и действием от конденсаторов. Схема полная Трансформатор 110/6 кВ, 110/10/10 кВ (расщепленные обмотки соединены параллельно). Выключатель ВМПЭ-10. Защита с дешунтированием КЗ. Схема полная Трансформатор 110/6 кВ, 110/10/10 кВ (расщепленные обмотки соединены параллельно). Выключатель ВМПЭ-10. Защита с действием от конденсаторов. Схема полная Трансформатор 110/6-10/6-10 кВ. Выключатель ВМПЭ-10. Защита с дешунтированием КЗ. Схема полная Трансформатор 110/6-10/6-10 кВ. Выключатель ВМПЭ-10. Защита с действием от конденсаторов. Схема полная Трансформатор 110/35/6-10 кВ. Выключатели С-35-630, ВК-10 (ВМПП-10). Защита с дешунтированием КЗ. Схема полная Трансформатор 110/35/6-10 кВ. Выключатели С-35-630, ВК-10 (ВМПП-10). Защита с действием от конденсаторов. Схема полная Трансформатор 110/35/6-10 кВ. Выключатели С-35-630, ВК-10 (ВМПП-10). Защита совмещенная с дешунтированием и действием от конденсаторов. Схема полная Трансформатор 110/35/6-10 кВ. Выключатели С-35-630, ВМПЭ-10. Защита с дешунтированием КЗ. Схема полная Трансформатор 110/35/6-10 кВ. Выключатели С-35-630, ВМПЭ-10. Защита с действием от конденсаторов. Схема полная Трансформатор 110/35/6-10 кВ. Поперечная дифференциальная токовая защита на стороне 35 кВ. Схема полная Трансформатор 110 кВ. Цепи охлаждения. Схема полная Автоматическое и дистанционное регулирование напряжения трансформатора под нагрузкой. Схема полная Секционный выключатель 35 кВ С-35-630. Цепи управления, автоматики и сигнализации. Схема полная Секционный выключатель 35 кВ С-35-630. Защита с дешунтированием. Схема полная Секционный выключатель 35 кВ С-35-630. Защита с действием от конденсаторов. Схема полная Секционный выключатель 6-10 кВ ВМПП-10. Цепи управления, автоматики и сигнализации. Схема полная Секционный выключатель 6-10 кВ ВК-10. Цепи управления, автоматики и сигнализации. Схема полная Секционный выключатель 6-10 кВ ВМПЭ-10. Цепи управления, автоматики и сигнализации. Схема полная Секционный выключатель 6-10 кВ ВК-10 (ВМПП-10). Защита с дешунтированием. Схема полная Секционный выключатель 6-10 кВ ВМПЭ-10. Защита с действием от конденсаторов. Схема полная Трансформатор напряжения 35 кВ. Схема полная Трансформатор напряжения 6-10 кВ. Схема полная Автоматическая частотная разгрузка (АЧР) 35, 6-10 кВ. Схема полная Линия 35 кВ. Цепи управления, автоматики и сигнализации. Схема полная Линия 35 кВ. Защита двухступенчатая. Схема полная Линия 35 кВ. Защита трехступенчатая. Схема полная Линия 35 кВ. Защита параллельных линий. Схема полная Линия 6-10 кВ. Цепи управления, автоматики и сигнализации. Схема полная Линия 6-10 кВ. Защита на реле РТ-85. Схема полная Линия 6-10 кВ. Защита на реле РТ-40. Схема полная Собственный нужды и организация оперативного тока. Схема полная Центральная сигнализация с передачей двух сигналов. Схема полная Центральная сигнализация с передачей индивидуальных сигналов. Схема полная Оперативная блокировка разъединителей. Схема полная Цепи передачи отключающего сигнала со стороны передающей ПС. Схема полная Трансформатор с дугогасящей катушкой 6-10 кВ. Выключатель ВМПП-10. Схема полная Трансформатор с дугогасящей катушкой 6-10 кВ. Выключатель ВК-10. Схема полная Привод выключателя ВК-10. Схема электрическая принципиальная | Разработан: | Горьковское отделение института Энергосетьпроект Минэнерго СССР
| Утверждён: | 30.12.1981 Минэнерго СССР (USSR Minenergo 54)
| Расположен в: |
|
                                                                                                                                                                    
|