Информационная система
«Ёшкин Кот»

Скачать базу одним архивом
Скачать обновления
История создания базы
Карта сайта

Скачать Типовые материалы для проектирования 407-03-440.87 Альбом X. Автоматика пожаротушения (из ТП 407-03-441.87)

Дата актуализации: 10.08.2017

Типовые материалы для проектирования 407-03-440.87

Альбом X. Автоматика пожаротушения (из ТП 407-03-441.87)

Обозначение: Типовые материалы для проектирования 407-03-440.87
Обозначение англ: 407-03-440.87
Статус:cправочные материалы, мп, тпр
Название рус.:Альбом X. Автоматика пожаротушения (из ТП 407-03-441.87)
Дата добавления в базу:01.09.2013
Дата актуализации:05.05.2017
Дата введения:16.03.1987
Оглавление:Общие данные
Пояснительная записка
Принципиальная схема. Обнаружение пожара ППС-1
Принципиальная схема. Автоматика пожаротушения
Принципиальная схема. Сборка РТ30. Шкаф ввода питания
Принципиальная схема. Управление задвижкойна вводе насосной
Принципиальная схема. Управление задвижкой на сухотрубопроводе
Принципиальная схема. Управление задвижкой у пожарных кранов 3.80 (3.81)
Принципиальная схема. Управление задвижкой у пожарных кранов 3.82 (3.83)
Принципиальная схема. Управление заслонкой кабельного помещения
Схема подключений. Панель № . Автоматика пожаротушения. Левая боковина
Схема подключений. Панель № . Автоматика пожаротушения. Правая боковина
Схема соединений. Сборка РТ30. Шкаф №1 и №2
Схема соединений. Сборка РТ30. Шкаф №2
Схема подключений. Шкаф управления задвижками. Шкаф №3
Схема подключений кабелей к задвижкам и сливным вентилям
Схема соединений. Устройство ППС
Схема соединений. Пожарная сигнализация в камерах трансформаторов
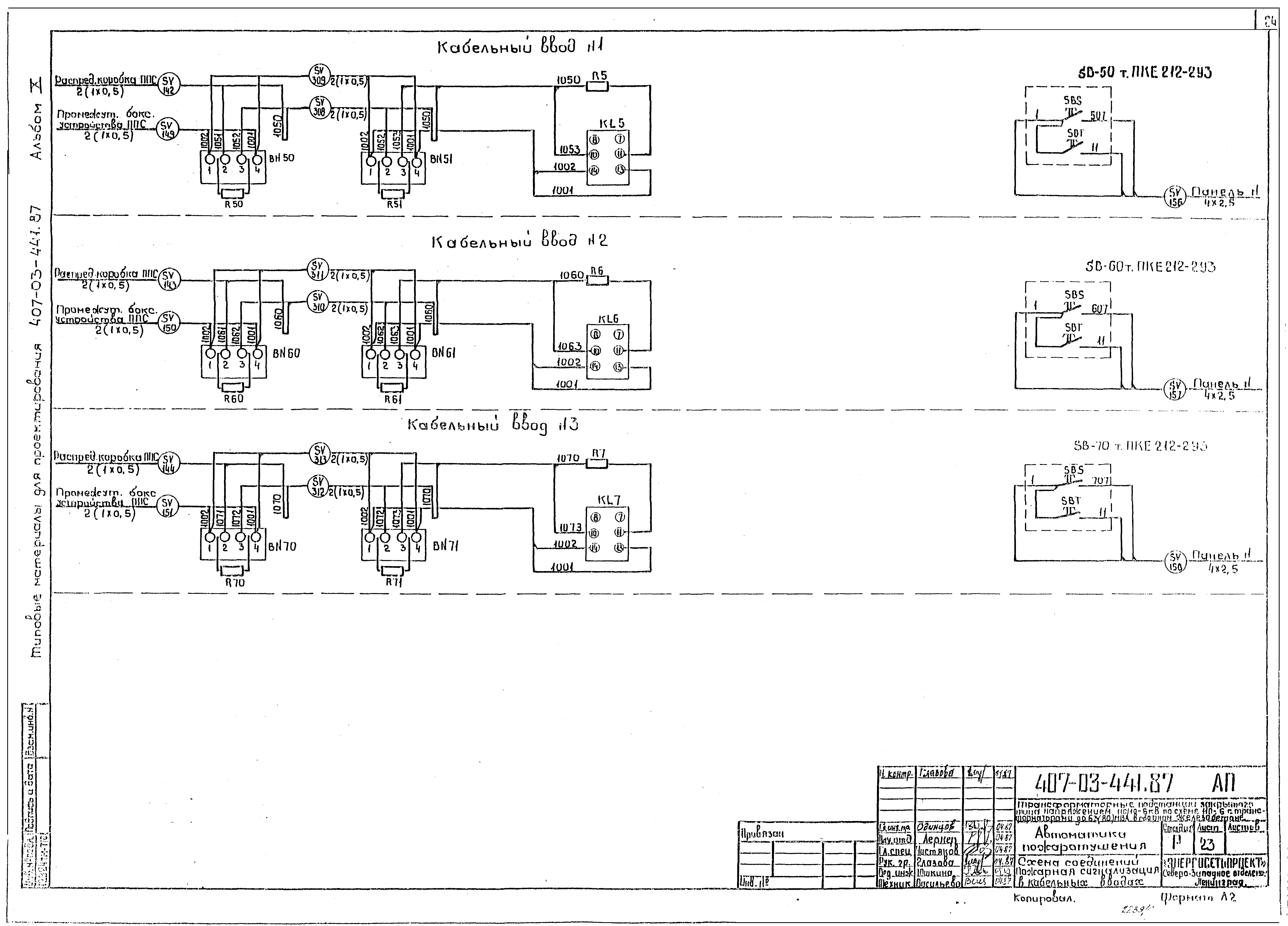
Схема соединений. Пожарная сигнализация в кабельных вводах
Схема соединений. Пожарная сигнализация в кабельных помещениях
Схема соединений. Шкаф манометров
Схема соединений. Автоматика заполнения резервуара водой
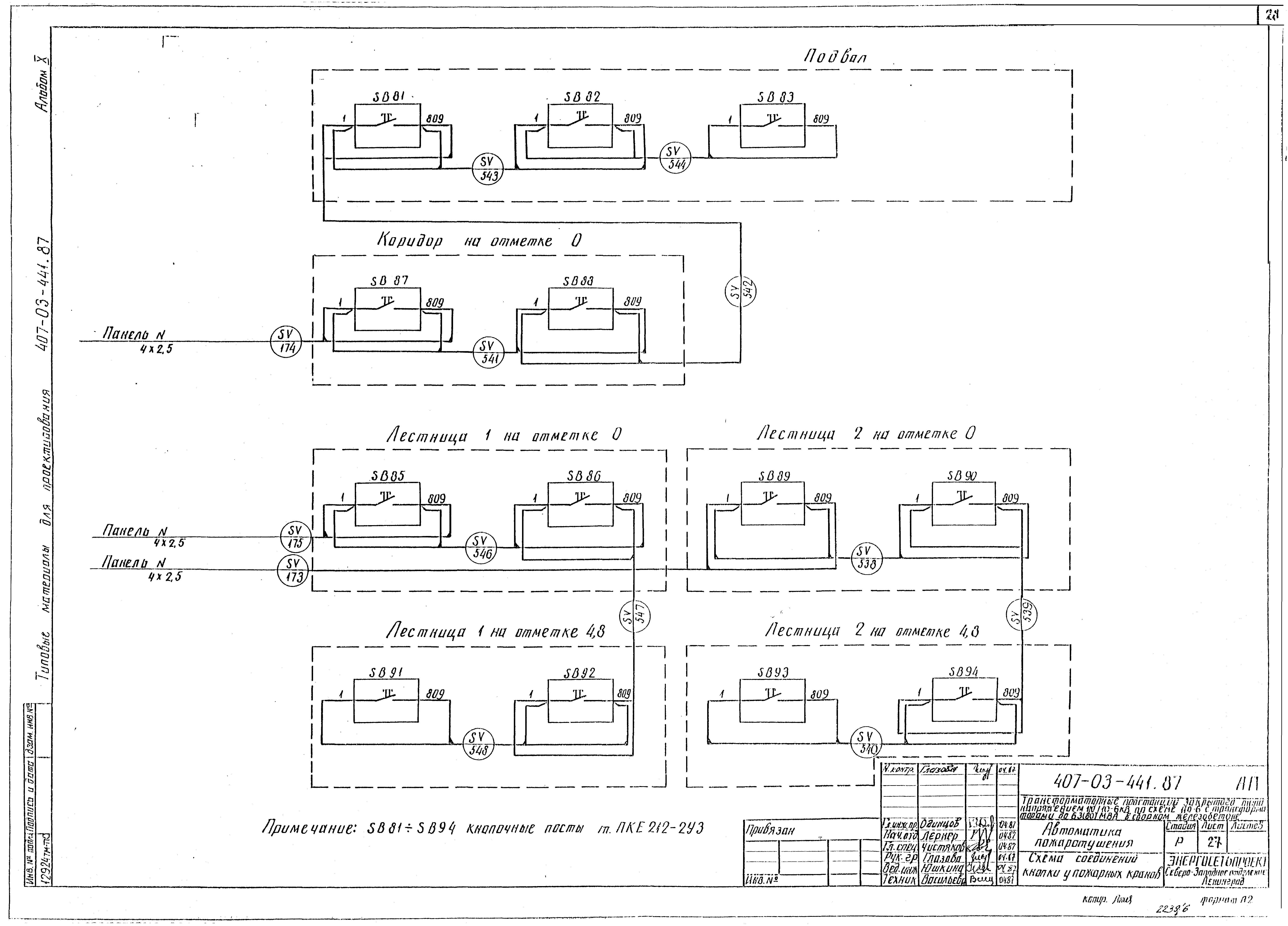
Схема соединений. Кнопки у пожарных кранов
Панель № . Общий вид.Автоматика пожаротушения
Панель № . Полная схема в части панели пожаротушения
Панель № . Схема соединений. Автоматика пожаротушения
Кабельный журнал контрольных кабелей. Пример.
Сводная ведомость контрольных кабелей. Пример
План-схема раскладки контрольных кабелей. Пример
Разработан: Северо-западное отделение института Энергосетьпроект
Утверждён:16.03.1987 Минэнерго СССР (USSR Minenergo 18)
Расположен в:Техническая документация Строительство Справочные документы Типовые строительные конструкции, изделия и узлы Общероссийский строительный каталог Промышленные предприятия, здания и сооружения Предприятия, здания и сооружения промышленности и электроэнергетики Электроэнергетика Устройства и подстанции распределительные
Типовые материалы для проектирования 407-03-440.87Типовые материалы для проектирования 407-03-440.87Типовые материалы для проектирования 407-03-440.87Типовые материалы для проектирования 407-03-440.87Типовые материалы для проектирования 407-03-440.87Типовые материалы для проектирования 407-03-440.87Типовые материалы для проектирования 407-03-440.87Типовые материалы для проектирования 407-03-440.87Типовые материалы для проектирования 407-03-440.87Типовые материалы для проектирования 407-03-440.87Типовые материалы для проектирования 407-03-440.87Типовые материалы для проектирования 407-03-440.87Типовые материалы для проектирования 407-03-440.87Типовые материалы для проектирования 407-03-440.87Типовые материалы для проектирования 407-03-440.87Типовые материалы для проектирования 407-03-440.87Типовые материалы для проектирования 407-03-440.87Типовые материалы для проектирования 407-03-440.87Типовые материалы для проектирования 407-03-440.87Типовые материалы для проектирования 407-03-440.87Типовые материалы для проектирования 407-03-440.87Типовые материалы для проектирования 407-03-440.87Типовые материалы для проектирования 407-03-440.87Типовые материалы для проектирования 407-03-440.87Типовые материалы для проектирования 407-03-440.87Типовые материалы для проектирования 407-03-440.87Типовые материалы для проектирования 407-03-440.87Типовые материалы для проектирования 407-03-440.87Типовые материалы для проектирования 407-03-440.87Типовые материалы для проектирования 407-03-440.87Типовые материалы для проектирования 407-03-440.87Типовые материалы для проектирования 407-03-440.87Типовые материалы для проектирования 407-03-440.87Типовые материалы для проектирования 407-03-440.87Типовые материалы для проектирования 407-03-440.87Типовые материалы для проектирования 407-03-440.87Типовые материалы для проектирования 407-03-440.87Типовые материалы для проектирования 407-03-440.87Типовые материалы для проектирования 407-03-440.87Типовые материалы для проектирования 407-03-440.87Типовые материалы для проектирования 407-03-440.87Типовые материалы для проектирования 407-03-440.87

© 2013 Ёшкин Кот :-) Карта сайта