Скачать Типовые материалы для проектирования 407-03-440.87 Альбом VIII. Строительные изделия (из ТП 407-03-439.87)Дата актуализации: 10.08.2017 Типовые материалы для проектирования 407-03-440.87
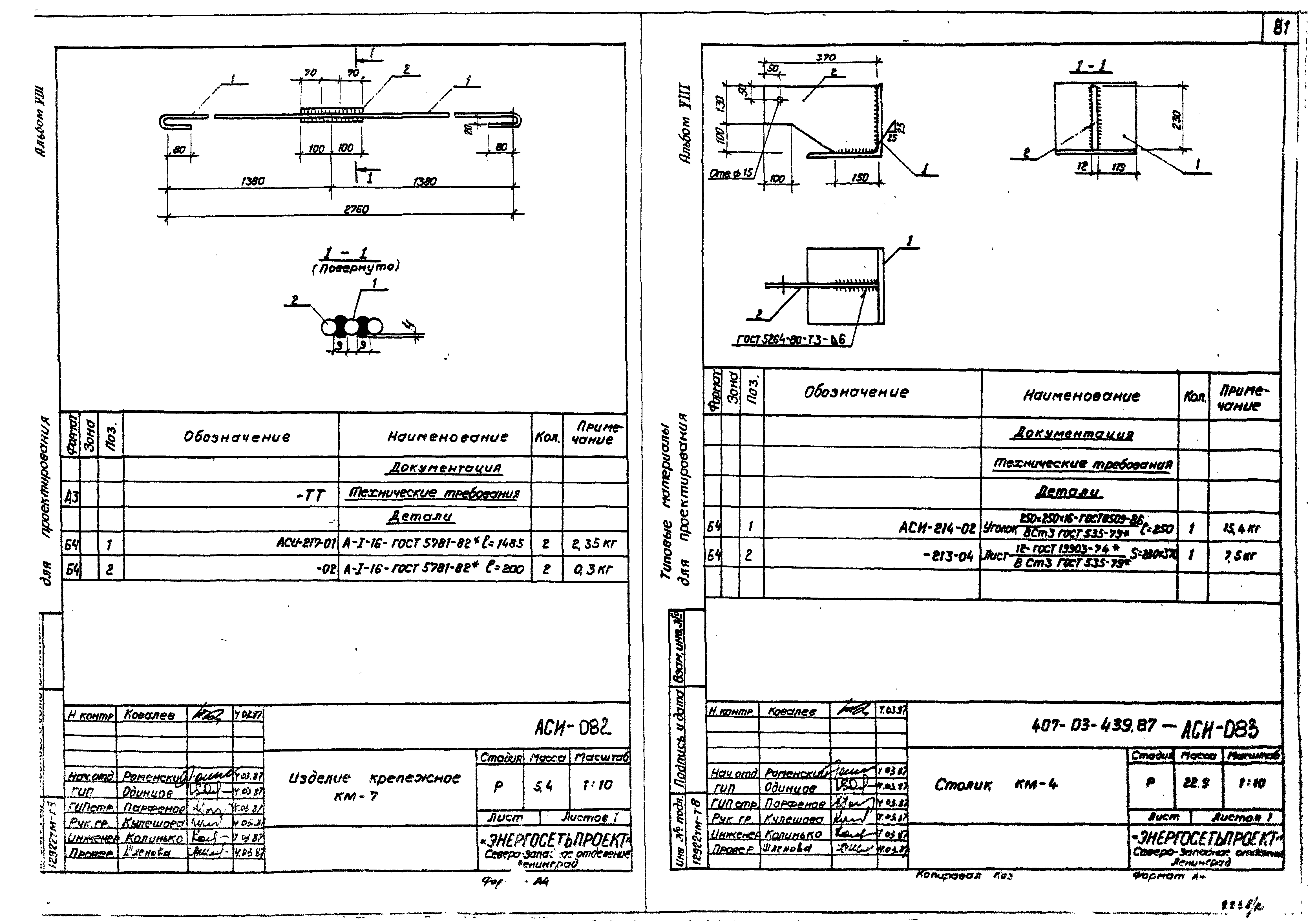
Альбом VIII. Строительные изделия (из ТП 407-03-439.87)Обозначение: | Типовые материалы для проектирования 407-03-440.87 | Обозначение англ: | 407-03-440.87 | Статус: | cправочные материалы, мп, тпр | Название рус.: | Альбом VIII. Строительные изделия (из ТП 407-03-439.87) | Дата добавления в базу: | 01.09.2013 | Дата актуализации: | 05.05.2017 | Дата введения: | 16.03.1987 | Оглавление: | Содержание 407-03-439.87-ТТ Технические требования 407-03-439.87-АСИ-001 Колонна К19d-1-5А 407-03-439.87-АСИ-002 Колонна К19d-1-5Б 407-03-439.87-АСИ-003 Колонна К19d-1-5В 407-03-439.87-АСИ-004 Колонна К19d-1-5Г 407-03-439.87-АСИ-005 Колонна К19d-1-3А 407-03-439.87-АСИ-006 Колонна К19d-1-3Б 407-03-439.87-АСИ-007 Колонна К19d-1-3В 407-03-439.87-АСИ-008 Колонна К79-1-5А 407-03-439.87-АСИ-009 Колонна К79-1-5Б 407-03-439.87-АСИ-010 Колонна К80-2-3Б 407-03-439.87-АСИ-011 Колонна К11d-1-5А 407-03-439.87-АСИ-012 Колонна К11d-1-5Б 407-03-439.87-АСИ-013 Колонна К79-1-3А 407-03-439.87-АСИ-014 Колонна К11d-1-3Б 407-03-439.87-АСИ-015 Колонна К11d-1-3А 407-03-439.87-АСИ-016 Колонна К16d-1А 407-03-439.87-АСИ-017 Колонна К80-2-3А 407-03-439.87-АСИ-018 Колонна К19d-1-1А 407-03-439.87-АСИ-019 Колонна К80-2-3В 407-03-439.87-АСИ-020 Колонна К80-1А 407-03-439.87-АСИ-021 Колонна К79-1-1А 407-03-439.87-АСИ-022 Колонна К33d-1-4А 407-03-439.87-АСИ-023 Колонна К1а-1-5А 407-03-439.87-АСИ-024 Колонна К20d-1-5А 407-03-439.87-АСИ-025 Колонна К80-2-3В 407-03-439.87-АСИ-026 Колонна К8-2-3Г 407-03-439.87-АСИ-027 Балка 1БСТ6-2АVТ-1 407-03-439.87-АСИ-028 Балка 1БСП12-4АV-d 407-03-439.87-АСИ-029 Ригель ИБ2-1А 407-03-439.87-АСИ-030 Ригель ИБ2-1Б 407-03-439.87-АСИ-031 Ригель ИБ2-1В 407-03-439.87-АСИ-032 Ригель ИБ2-1Г 407-03-439.87-АСИ-033 Ригель ИБ2-20А 407-03-439.87-АСИ-034 Ригель ИБ3-17А 407-03-439.87-АСИ-035 Ригель ИБ3-17Б 407-03-439.87-АСИ-036 Ригель Б40-1А 407-03-439.87-АСИ-037 Ригель Б41-1А 407-03-439.87-АСИ-038 Колонна К12d-2-5А 407-03-439.87-АСИ-039 Колонна К20d (К20d-2-1А, К20d-1А) 407-03-439.87-АСИ-040 Плита ПГ-3АVт-А 407-03-439.87-АСИ-041 Плита ПГ-3АVт-Б 407-03-439.87-АСИ-042 Плита ПГ-3АVт-В 407-03-439.87-АСИ-043 Плита ПГ-3АVт-Г 407-03-439.87-АСИ-044 Плита 2ПГ6-3АтVт-А 407-03-439.87-АСИ-045 Панель стеновая ПС (2ПС9.18.2,5-Л-72-А, 2ПС9.12.2,5-Л-72-А, 2ПС11.3.12.2,5-Л-72-А, 2ПС9.3.18.30-Л-72-А, 2ПС9.3.12.2,5-Л-72-А, 2ПС12.12.30-Л-72-А) 407-03-439.87-АСИ-046 Деталь закладная МО-1 407-03-439.87-АСИ-047 Деталь закладная МО-2 407-03-439.87-АСИ-048 Изделие МШ-1 407-03-439.87-АСИ-049 Изделие МШ-2 407-03-439.87-АСИ-050 Изделие МШ-4 407-03-439.87-АСИ-051 Изделие МШ (МШ-5, МШ-12) 407-03-439.87-АСИ-052 Изделие МШ (МШ-6, МШ-13) 407-03-439.87-АСИ-053 Изделие МШ-7 407-03-439.87-АСИ-054 Изделие МШ-9 407-03-439.87-АСИ-055 Изделие МШ-14 407-03-439.87-АСИ-056 Изделие МШ-10 407-03-439.87-АСИ-057 Изделие МШ-15 407-03-439.87-АСИ-058 Изделие МШ (МШ-11, МШ-16) 407-03-439.87-АСИ-059 Изделие МШ (МШ-17, МШ-19, МШ-20) 407-03-439.87-АСИ-060 Изделие МШ (МШ-18, МШ-21) 407-03-439.87-АСИ-061 Изделие МШ (МШ-22, МШ-23) 407-03-439.87-АСИ-062 Изделие МШ (МШ-24, МШ-25) 407-03-439.87-АСИ-063 Изделие МШ (МШ-26, МШ-27) 407-03-439.87-АСИ-064 Изделие МШ (МШ-33, МШ-34) 407-03-439.87-АСИ-065 Изделие МШ-30 407-03-439.87-АСИ-066 Изделие МШ-35 407-03-439.87-АСИ-067 Изделие МШ (МШ-36, МШ-40) 407-03-439.87-АСИ-068 Изделие МШ (МШ-37, МШ-41) 407-03-439.87-АСИ-069 Изделие МШ (МШ-38, МШ-39) 407-03-439.87-АСИ-070 Изделие МШ (МШ-42, МШ-43) 407-03-439.87-АСИ-071 Изделие МШ (МШ-44, МШ-45) 407-03-439.87-АСИ-072 Изделие МШ-46 407-03-439.87-АСИ-073 Изделие МШ-47 407-03-439.87-АСИ-074 Изделие МШ (МШ-48, МШ-49) 407-03-439.87-АСИ-075 Изделие МШ-50 407-03-439.87-АСИ-076 Изделие МШ-51 407-03-439.87-АСИ-077 Изделие МШ-52 407-03-439.87-АСИ-078л1 Рама КМ (КМ-1, КМ-2) 407-03-439.87-АСИ-078л2 - 407-03-439.87-АСИ-079 Изделие крепежное КМ (КМ-5, КМ-6) 407-03-439.87-АСИ-080 Столик опорный КМ-8 407-03-439.87-АСИ-081 Изделие крепежное КМ-3 407-03-439.87-АСИ-082 Изделие крепежное КМ-7 407-03-439.87-АСИ-083 Столик КМ-4 407-03-439.87-АСИ-084 Решетка РМ (РМ1, РМ2) 407-03-439.87-АСИ-085 Решетка РМ3 407-03-439.87-АСИ-086 Решетка РМ4 407-03-439.87-АСИ-087 Решетка РМ (РМ5, РМ6) 407-03-439.87-АСИ-088 Решетка РМ7 407-03-439.87-АСИ-089 Решетка РМ8 407-03-439.87-АСИ-090 Ограждение ЛП-1 407-03-439.87-АСИ-091 Ограждение ЛП-2 407-03-439.87-АСИ-092 Деталь крепежная МК-2 407-03-439.87-АСИ-093 Деталь крепежная МК-6 407-03-439.87-АСИ-094 Деталь крепежная МК-7 407-03-439.87-АСИ-095 Деталь крепежная МК-3 407-03-439.87-АСИ-096 Изделие МК-34 407-03-439.87-АСИ-097 Деталь обрамления МК-10 407-03-439.87-АСИ-098 Деталь крепежная МК-11 407-03-439.87-АСИ-099 Деталь крепежная МК-12 407-03-439.87-АСИ-100 Изделие крепежное МК-14 407-03-439.87-АСИ-101 Изделие крепежное МК-15 407-03-439.87-АСИ-102 Изделие крепежное МК-16 407-03-439.87-АСИ-103 Изделие крепежное МК-13 407-03-439.87-АСИ-104 Изделие крепежное МК-17 407-03-439.87-АСИ-105 Изделие крепежное МК-18 407-03-439.87-АСИ-106 Стойка МК-23 407-03-439.87-АСИ-107 Площадка МК-24 407-03-439.87-АСИ-108 Балка МК (МК-19…МК-22) 407-03-439.87-АСИ-109 Анкер МК (МК-25, МК-26) 407-03-439.87-АСИ-110 Лестница МК-27 407-03-439.87-АСИ-111 Лестница МК-28 407-03-439.87-АСИ-112 Изделие МК (МК-29, МК-30) 407-03-439.87-АСИ-113 Упор МК-32 407-03-439.87-АСИ-114 Ограждение МК (МК-31, МК-62) 407-03-439.87-АСИ-115 Лестница МК-33 407-03-439.87-АСИ-116 Балка МК (МК-35, МК-36, МК-37) 407-03-439.87-АСИ-117 Балка МК (МК-38, МК-41, МК-46) 407-03-439.87-АСИ-118 Балка МК (МК-39, МК-40) 407-03-439.87-АСИ-119 Изделие МК-45 407-03-439.87-АСИ-120 Балка МК-42 407-03-439.87-АСИ-121 Насадка НО 407-03-439.87-АСИ-122 Балка МК-43 407-03-439.87-АСИ-123 Балка МК-47 407-03-439.87-АСИ-124 Балка МК-44 407-03-439.87-АСИ-125 Деталь закладная МК (МК-48, МК-49) 407-03-439.87-АСИ-126 Деталь закладная МК-50 407-03-439.87-АСИ-127 Деталь закладная МК-51 407-03-439.87-АСИ-128 Балка М-1 407-03-439.87-АСИ-129 Балка М-2 407-03-439.87-АСИ-130 Изделие М-3 407-03-439.87-АСИ-131 Деталь закладная МН1 407-03-439.87-АСИ-132 Изделие М-4 407-03-439.87-АСИ-133 Изделие М-5 407-03-439.87-АСИ-134 Изделие М-6 407-03-439.87-АСИ-135 Изделие М-7 407-03-439.87-АСИ-136 Изделие М-8 407-03-439.87-АСИ-137 Опора М-9 407-03-439.87-АСИ-138 Балка М-10 407-03-439.87-АСИ-139 Изделие М-11 407-03-439.87-АСИ-140 Изделие М-12 407-03-439.87-АСИ-141 Деталь закладная М (М-13... М-15) 407-03-439.87-АСИ-142 Деталь закладная М-16 407-03-439.87-АСИ-143 Деталь закладная М-17 407-03-439.87-АСИ-144 Деталь закладная М (М-18, М-19) 407-03-439.87-АСИ-145 Деталь закладная М-20 407-03-439.87-АСИ-146 Деталь закладная М-21 407-03-439.87-АСИ-147 Деталь закладная М-22 407-03-439.87-АСИ-148 Деталь закладная М-23 407-03-439.87-АСИ-149 Деталь закладная М (М-24, М-25) 407-03-439.87-АСИ-150 Деталь закладная М-26 407-03-439.87-АСИ-151 Деталь закладная М (М-27... М-29) 407-03-439.87-АСИ-152 Деталь закладная М-30 407-03-439.87-АСИ-153 Деталь закладная М-31 407-03-439.87-АСИ-154 Изделие МШ (МШ-58, МШ-59, МШ-61, МШ-62) 407-03-439.87-АСИ-155 Изделие МШ-60 407-03-439.87-АСИ-156 Изделие МШ (МШ-63, МШ-66) 407-03-439.87-АСИ-157 Изделие МШ (МШ-64, МШ-65) 407-03-439.87-АСИ-158 Деталь закладная М-52 407-03-439.87-АСИ-159 Деталь закладная М-53 407-03-439.87-АСИ-160 Изделие МН2 407-03-439.87-АСИ-161 Изделие МН3 407-03-439.87-АСИ-162 Изделие МК-54 407-03-439.87-АСИ-163 Изделие МК-55 407-03-439.87-АСИ-164 Изделие МК-56 407-03-439.87-АСИ-165 Деталь закладная МК-58 407-03-439.87-АСИ-166 Деталь закладная МК-59 407-03-439.87-АСИ-167 Деталь закладная МК-60 407-03-439.87-АСИ-168 Деталь закладная МК-57 407-03-439.87-АСИ-169 Элемент крепежный М-39 407-03-439.87-АСИ-170 Элемент крепежный М-40 407-03-439.87-АСИ-171 Элемент крепежный М-41 407-03-439.87-АСИ-172 Элемент крепежный М-44 407-03-439.87-АСИ-173 Петля М-42 407-03-439.87-АСИ-174 Элемент крепежный М-45 407-03-439.87-АСИ-175 Деталь закладная МК-61 407-03-439.87-АСИ-176 Петля М-61 407-03-439.87-АСИ-177 Элемент крепежный М-62 407-03-439.87-АСИ-178 Элемент крепежный М-64 407-03-439.87-АСИ-179 Элемент крепежный М-65 407-03-439.87-АСИ-180 Изделие МШ-81 407-03-439.87-АСИ-181 Изделие МШ (МШ-91, МШ-92) 407-03-439.87-АСИ-182 Изделие М-73 407-03-439.87-АСИ-183 Изделие М-74 407-03-439.87-АСИ-184 Лестница МК-63 407-03-439.87-АСИ-185 Деталь закладная МК-64 407-03-439.87-АСИ-186 Деталь закладная МК-65 407-03-439.87-АСИ-187 Колонна к11а-1-3В 407-03-439.87-АСИ-188 Колонна к19а-1-3Г 407-03-439.87-АСИ-189 Рама дверей РПД-3А 407-03-439.87-АСИ-190 Рама Р-1 407-03-439.87-АСИ-191 Балка МК (МК-66, МК-67) | Разработан: | Северо-западное отделение института Энергосетьпроект
| Утверждён: | 16.03.1987 Минэнерго СССР (USSR Minenergo 16)
| Расположен в: |
|
                                                                                                                                                    
|