Скачать Типовые проектные решения 407-03-418.87 Альбом II. НКУ управленияДата актуализации: 10.08.2017 Типовые проектные решения 407-03-418.87
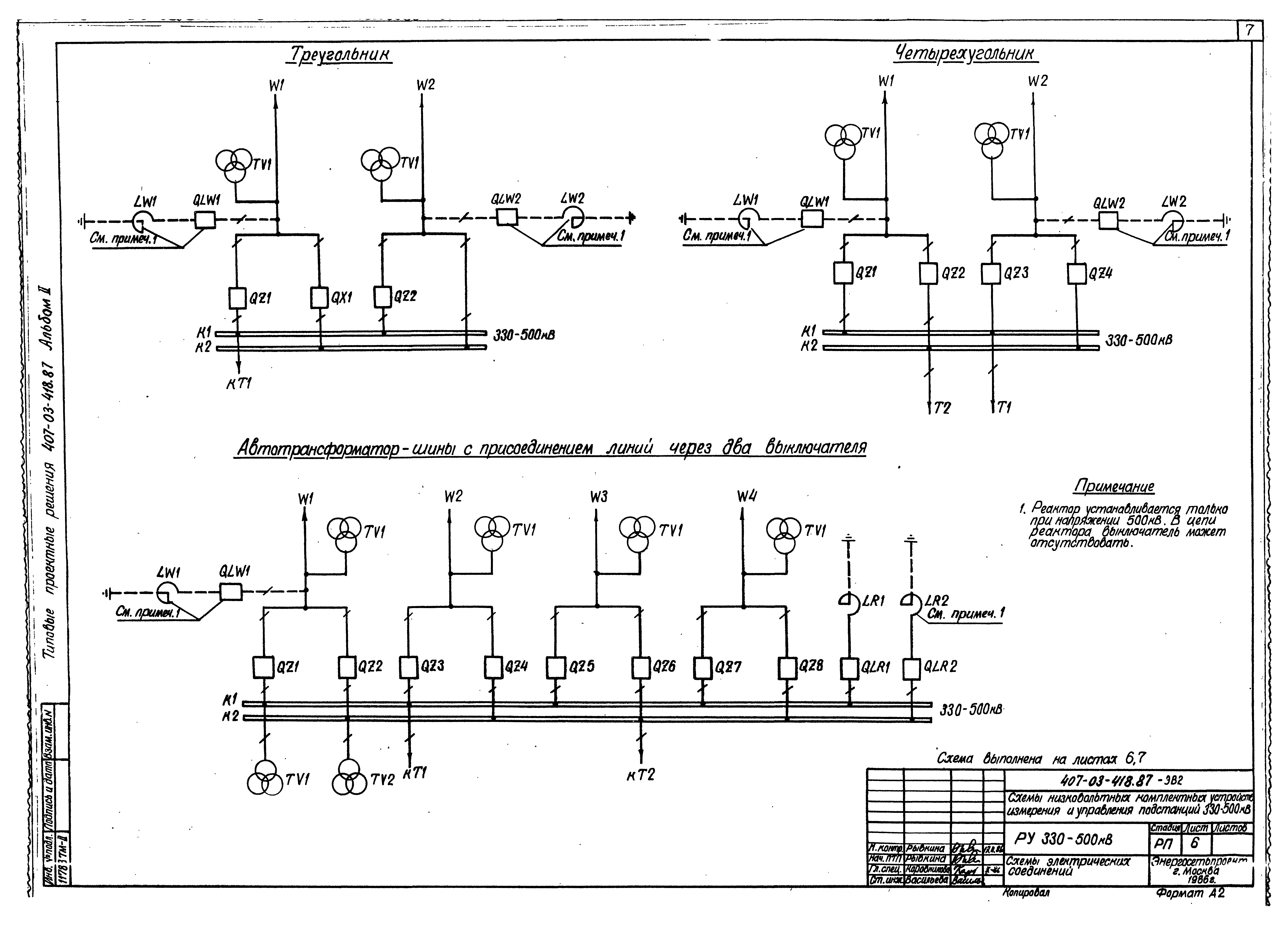
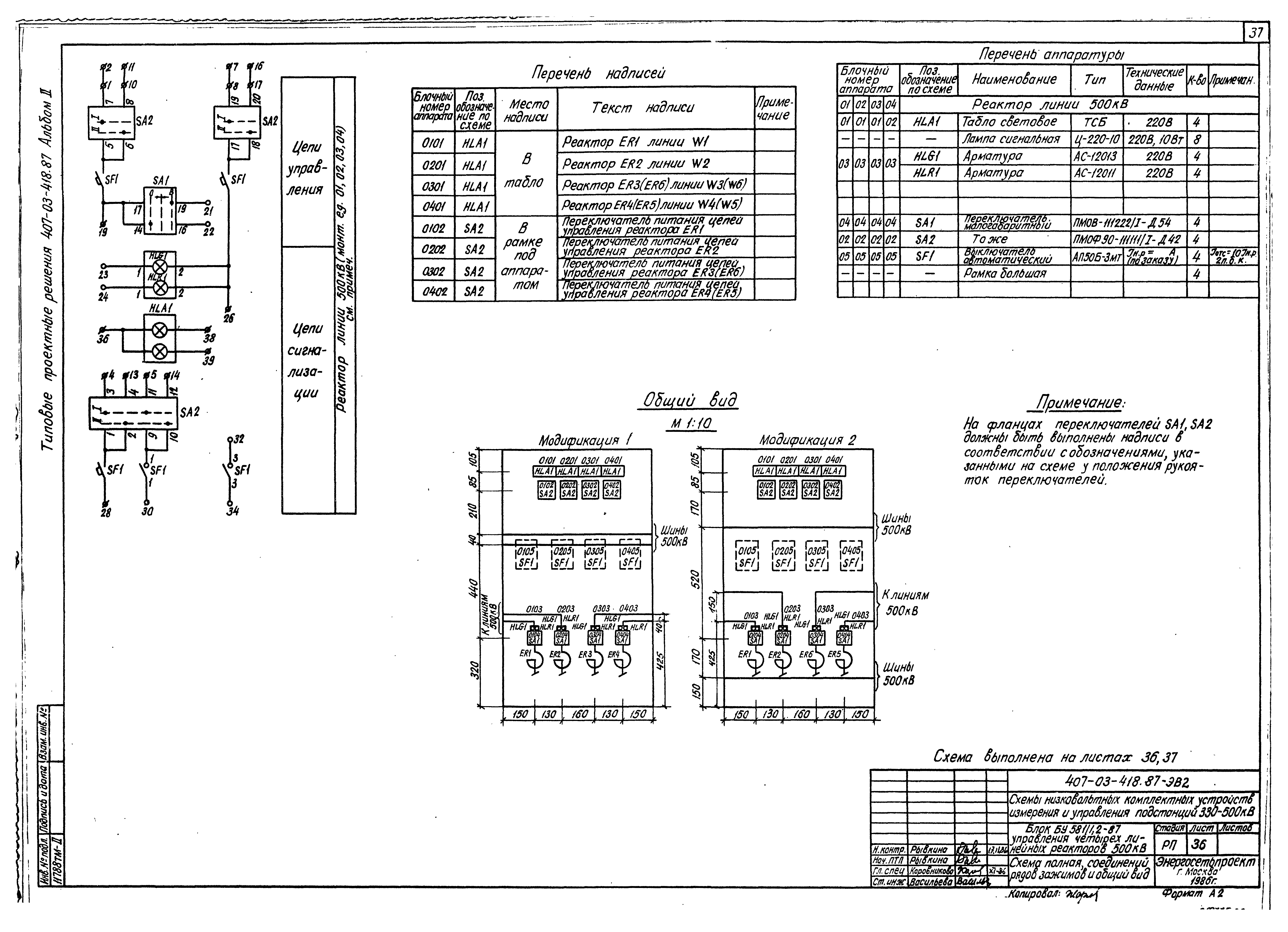
Альбом II. НКУ управленияОбозначение: | Типовые проектные решения 407-03-418.87 | Обозначение англ: | 407-03-418.87 | Статус: | cправочные материалы, мп, тпр | Название рус.: | Альбом II. НКУ управления | Дата добавления в базу: | 01.09.2013 | Дата актуализации: | 05.05.2017 | Дата введения: | 29.10.1986 | Оглавление: | Общие данные РУ 330 - 500 кВ. Схемы электрических соединений Подстанция 330 - 500 кВ со схемой на стороне высшего напряжения "Треугольник". Пример компоновки щита управления из блоков измерения и управления Подстанция 330 - 500 кВ со схемой на стороне высшего напряжения "Четырехугольник". Пример компоновки щита управления из блоков измерения и управления Подстанция 330 - 500 кВ со схемой на стороне высшего напряжения "Автотрансформатор-шины". Пример компоновки щита управления из блоков измерения и управления Подстанция 330 - 500 кВ со схемой на стороне высшего напряжения "Полуторная". Пример компоновки щита управления из блоков измерения и управления Блок БУ 572/1-12-87 управления автотрансформатора с одним выключателем на вводе НН. Схема полная, соединений рядов зажимов и общий вид Блок БУ 573/1-4-87 управления автотрансформатора, работающего в блоке с синхронным компенсатором. Схема полная, соединений рядов зажимов и общий вид Блок БУ 574-87 управления шинных аппаратов 6 - 10 кВ. Схема полная, соединений рядов зажимов и общий вид Блок БУ 575/1,2-87 управления шинных аппаратов 500 кВ и 110 - 220 кВ. Схема полная, соединений рядов зажимов и общий вид Блок БУ 576/1,2-87 управления шинных аппаратов 500 кВ и 110 - 220 кВ. Схема полная, соединений рядов зажимов и общий вид Блок БУ 577/1,2-87 управления шинных аппаратов 110 - 220 кВ. Схема полная, соединений рядов зажимов и общий вид Блок БУ 578/1-3-87 управления двух линий 330 - 500 кВ. Схема полная, соединений рядов зажимов и общий вид Блок БУ 579/1-3-87 управления двух линий 330 - 500 кВ. Схема полная, соединений рядов зажимов и общий вид Блок БУ 580/1,2-87 управления четырех линейных реакторов 500 кВ. Схема полная, соединений рядов зажимов и общий вид Блок БУ 581/1,2-87 управления четырех линейных реакторов 500 кВ. Схема полная, соединений рядов зажимов и общий вид Блок БУ 582/1,2-87 управления двух линейных реакторов 500 кВ. Схема полная, соединений рядов зажимов и общий вид Блок БУ 583/1,2-87 управления двух линейных реакторов 500 кВ. Схема полная, соединений рядов зажимов и общий вид Блок БУ 584/1,2-87 управления двух линий 330 - 500 кВ. Схема полная, соединений рядов зажимов и общий вид Блок БУ 585/1,2-87 управления двух линий 330 - 500 кВ. Схема полная, соединений рядов зажимов и общий вид Блок БУ 586-87 управления двух линий 500 кВ (одна линия с реактором). Схема полная, соединений рядов зажимов и общий вид Блок БУ 587-87 управления двух линий 500 кВ (одна линия с реактором). Схема полная, соединений рядов зажимов и общий вид Блок БУ 588/1-3-87 управления двух линий 330 - 500 кВ. Схема полная, соединений рядов зажимов и общий вид Блок БУ 589/1-3-87 управления двух линий 330 - 500 кВ. Схема полная, соединений рядов зажимов и общий вид Блок БУ 590/1,2-87 управления линии 330 - 500 кВ и выключателя 330 - 500 кВ автотрансформатора. Схема полная, соединений рядов зажимов и общий вид Блок БУ 591/1,2-87 управления линии 330 - 500 кВ и выключателя 330 - 500 кВ автотрансформатора. Схема полная, соединений рядов зажимов и общий вид Блок БУ 592/1,2-87 управления линии 500 кВ с реактором и выключателя 500 кВ автотрансформатора. Схема полная, соединений рядов зажимов и общий вид Блок БУ 593/1,2-87 управления линии 500 кВ с реактором и выключателя 500 кВ автотрансформатора. Схема полная, соединений рядов зажимов и общий вид Блок заглушки БВ 607/1-69. Общий вид и ряды зажимов | Разработан: | Энергосетьпроект
| Утверждён: | 29.10.1986 Минэнерго СССР (USSR Minenergo 32)
| Расположен в: |
|
                                                               
|