Скачать Типовые проектные решения 407-03-416.87 Альбом II. Низковольтные комплектные устройства автоматики и вспомогательныеДата актуализации: 10.08.2017 Типовые проектные решения 407-03-416.87
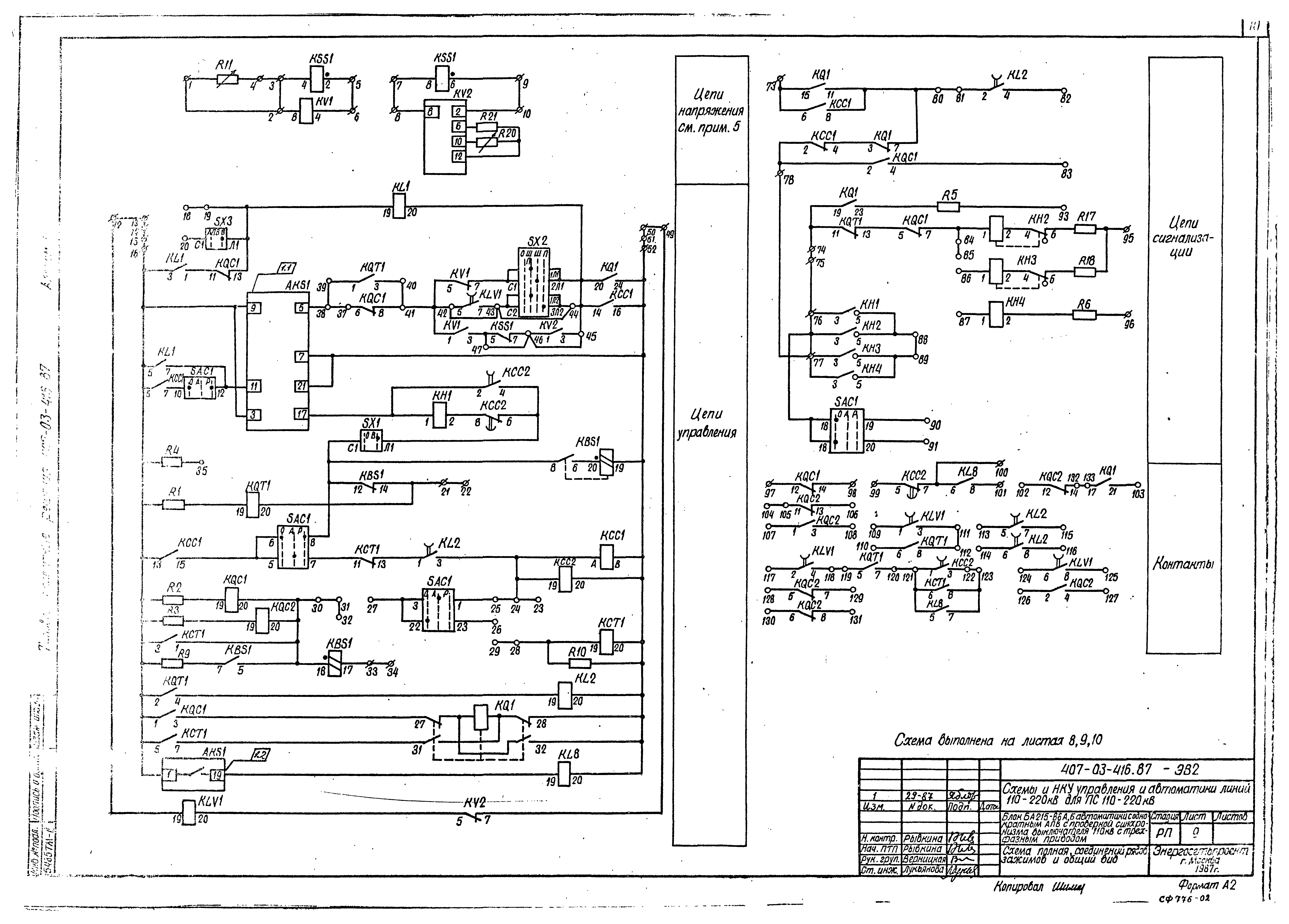
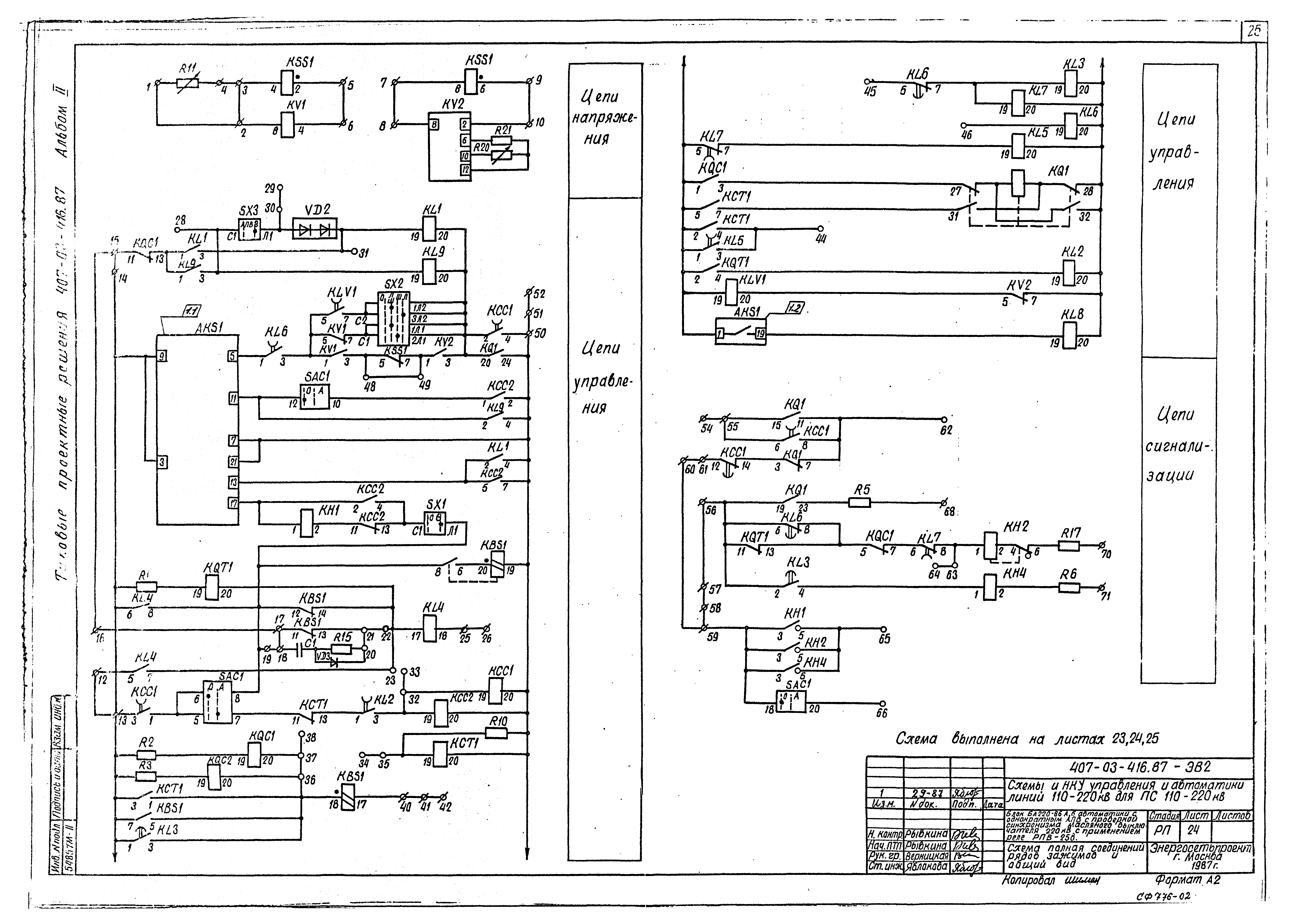
Альбом II. Низковольтные комплектные устройства автоматики и вспомогательныеОбозначение: | Типовые проектные решения 407-03-416.87 | Обозначение англ: | 407-03-416.87 | Статус: | cправочные материалы, мп, тпр | Название рус.: | Альбом II. Низковольтные комплектные устройства автоматики и вспомогательные | Дата добавления в базу: | 01.09.2013 | Дата актуализации: | 05.05.2017 | Дата введения: | 29.10.1986 | Оглавление: | Общие данные Блок БА214-86А, Б автоматики с однократным АПВ с проверкой синхронизма выключателя 110 - 220 кВ с пофазным приводом. Схема полная соединений рядов зажимов и общий вид Блок БА215-86А, Б автоматики с однократным АПВ с проверкой синхронизма выключателя 110 кВ с трехфазным приводом. Схема полная соединений рядов зажимов и общий вид Блок БА216-86А, Б автоматики с однократным АПВ выключателя 110 - 220 кВ с пофазным приводом. Схема полная соединений рядов зажимов и общий вид Блок БА217-86А, Б автоматики с однократным АПВ выключателя 110 - 220 кВ с трехфазным приводом. Схема полная соединений рядов зажимов и общий вид Блок БА218-86А, Б автоматики с двукратным АПВ выключателя 110 - 220 кВ с пофазным приводом. Схема полная соединений рядов зажимов и общий вид Блок БА219-86А, Б автоматики с двукратным АПВ выключателя 110 - 220 кВ с трехфазным приводом. Схема полная соединений рядов зажимов и общий вид Блок БА220-86А, Б автоматики с однократным АПВ с проверкой синхронизма масляного выключателя 220 кВ с применением реле РПВ-258. Схема полная соединений рядов зажимов и общий вид Блок БА221-86А, Б автоматики с однократным АПВ с проверкой синхронизма масляного выключателя 110 кВ с применением реле РПВ-258. Схема полная соединений рядов зажимов и общий вид Блок БВ365-86А, Б общепанельного табло. Схема полная соединений рядов зажимов и общий вид Блок БВ366-86А, Б общепанельного табло. Схема полная соединений рядов зажимов и общий вид Блок БВ367-86 заглушки. Общий вид Блок БВ368-86 заглушки. Общий вид Блок БВ363-85 промежуточных реле. Схема полная соединений рядов зажимов и общий вид Блок БВ364-85 промежуточных реле. Схема полная соединений рядов зажимов и общий вид | Разработан: | Энергосетьпроект
| Утверждён: | 29.10.1986 Минэнерго СССР (USSR Minenergo 34)
| Расположен в: |
|
                                  
|