Информационная система
«Ёшкин Кот»

Скачать базу одним архивом
Скачать обновления
История создания базы
Карта сайта

Скачать Типовые проектные решения 407-03-414.87 Альбом II. Чертежи

Дата актуализации: 10.08.2017

Типовые проектные решения 407-03-414.87

Альбом II. Чертежи

Обозначение: Типовые проектные решения 407-03-414.87
Обозначение англ: 407-03-414.87
Статус:cправочные материалы, мп, тпр
Название рус.:Альбом II. Чертежи
Дата добавления в базу:01.09.2013
Дата актуализации:05.05.2017
Дата введения:20.10.1986
Оглавление:Схемы электрических соединений на сторонах высшего и среднего напряжения подстанций
Схемы электрических соединений на стороне низшего напряжения подстанций
Принципиальная схема релейной защиты понижающего двухобмоточного трансформатора 110-220/6-10 кВ с расщепленной обмоткой низшего напряжения (дифференциальная защита выполняется с одним комплектом реле ДЗТ-11). Перечень элементов. Обозначения
Принципиальная схема релейной защиты понижающего двухобмоточного трансформатора 110-220/6-10 кВ с расщепленной обмоткой низшего напряжения (дифференциальная защита выполняется с одним комплектом реле ДЗТ-11). Поясняющая схема. Цепи переменного тока. Цепи напряжения
Принципиальная схема релейной защиты понижающего двухобмоточного трансформатора 110-220/6-10 кВ с расщепленной обмоткой низшего напряжения (дифференциальная защита выполняется с одним комплектом реле ДЗТ-11). Цепи оперативного постоянного тока. Цепи сигнализации
Принципиальная схема релейной защиты понижающего двухобмоточного трансформатора 110-220/6-10 кВ с расщепленной обмоткой низшего напряжения (дифференциальная защита выполняется с двумя комплектами реле ДЗТ-11). Перечень элементов. Обозначения
Принципиальная схема релейной защиты понижающего двухобмоточного трансформатора 110-220/6-10 кВ с расщепленной обмоткой низшего напряжения (дифференциальная защита выполняется с двумя комплектами реле ДЗТ-11). Поясняющая схема. Цепи переменного тока. Цепи напряжения
Принципиальная схема релейной защиты понижающего двухобмоточного трансформатора 110-220/6-10 кВ с расщепленной обмоткой низшего напряжения (дифференциальная защита выполняется с двумя комплектами реле ДЗТ-11). Цепи оперативного постоянного тока. Цепи сигнализации
Принципиальная схема релейной защиты понижающего двухобмоточного трансформатора 110-220/6-10 кВ с расщепленной обмоткой низшего напряжения (дифференциальная защита выполняется с использованием ДЗТ-21). Перечень элементов. Обозначения
Принципиальная схема релейной защиты понижающего двухобмоточного трансформатора 110-220/6-10 кВ с расщепленной обмоткой низшего напряжения (дифференциальная защита выполняется с использованием ДЗТ-21). Поясняющая схема. Цепи переменного тока. Цепи напряжения
Принципиальная схема релейной защиты понижающего двухобмоточного трансформатора 110-220/6-10 кВ с расщепленной обмоткой низшего напряжения (дифференциальная защита выполняется с использованием ДЗТ-21). Цепи оперативного постоянного тока. Цепи сигнализации
Принципиальная схема релейной защиты понижающего двухобмоточного трансформатора 110-220/6-10 кВ с параллельным соединением частей расщепленной обмотки низшего напряжения (дифференциальная защита выполняется с одним комплектом реле ДЗТ-11). Перечень элементов. Обозначения
Принципиальная схема релейной защиты понижающего двухобмоточного трансформатора 110-220/6-10 кВ с параллельным соединением частей расщепленной обмотки низшего напряжения (дифференциальная защита выполняется с одним комплектом реле ДЗТ-11). Поясняющая схема. Цепи переменного тока. Цепи напряжения
Принципиальная схема релейной защиты понижающего двухобмоточного трансформатора 110-220/6-10 кВ с параллельным соединением частей расщепленной обмотки низшего напряжения (дифференциальная защита выполняется с одним комплектом реле ДЗТ-11). Цепи оперативного постоянного тока. Цепи сигнализации
Принципиальная схема релейной защиты понижающего трехобмоточного трансформатора 110-220/35/6-10 кВ с питанием со стороны высшего и среднего напряжений (дифференциальная защита выполняется с одним комплектом реле ДЗТ-11). Перечень элементов. Обозначения
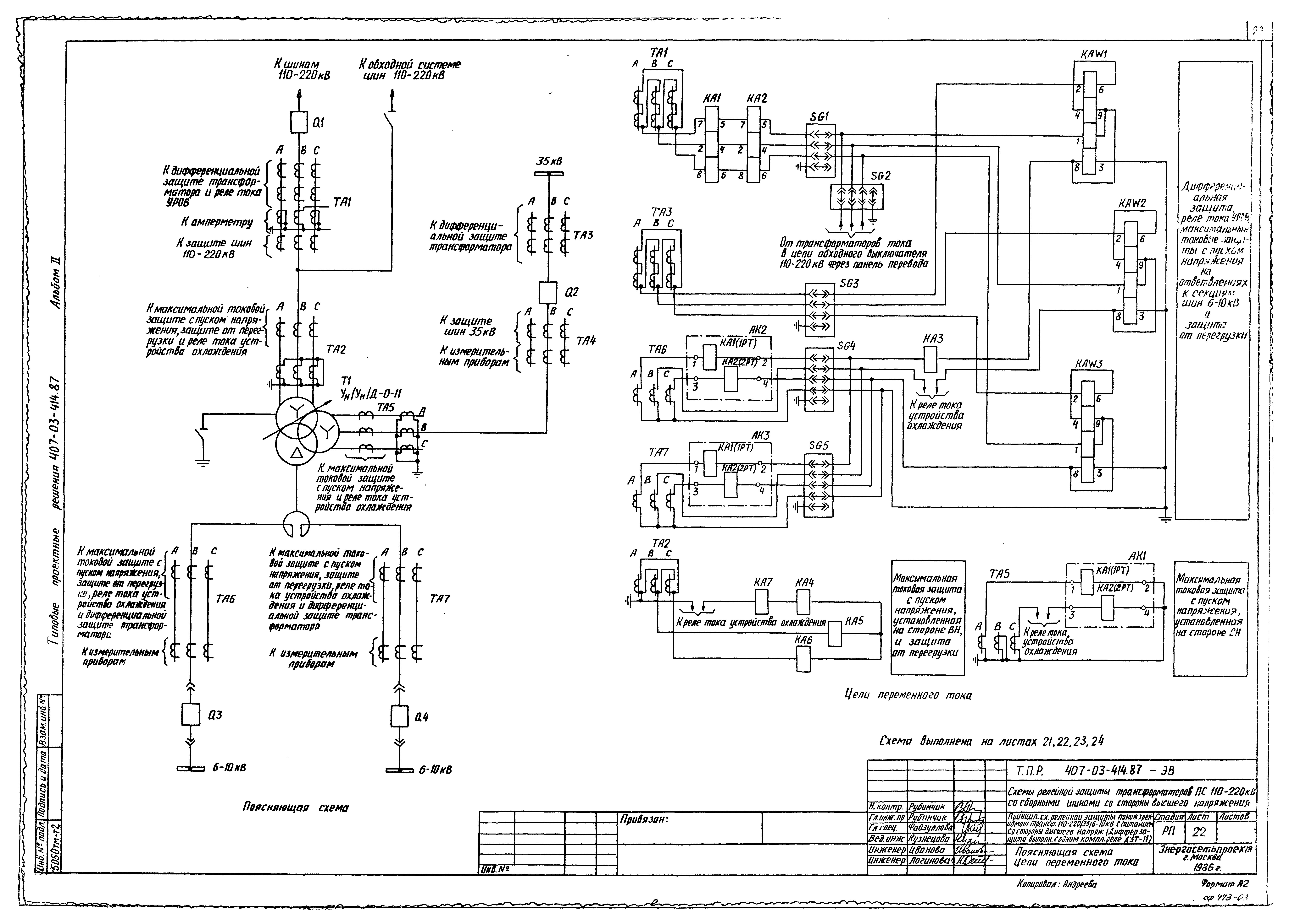
Принципиальная схема релейной защиты понижающего трехобмоточного трансформатора 110-220/35/6-10 кВ с питанием со стороны высшего и среднего напряжений (дифференциальная защита выполняется с одним комплектом реле ДЗТ-11). Поясняющая схема. Цепи переменного тока
Принципиальная схема релейной защиты понижающего трехобмоточного трансформатора 110-220/35/6-10 кВ с питанием со стороны высшего и среднего напряжений (дифференциальная защита выполняется с одним комплектом реле ДЗТ-11). Цепи напряжения. Цепи оперативного постоянного тока
Принципиальная схема релейной защиты понижающего трехобмоточного трансформатора 110-220/35/6-10 кВ с питанием со стороны высшего и среднего напряжений (дифференциальная защита выполняется с одним комплектом реле ДЗТ-11). Цепи оперативного постоянного тока. Цепи сигнализации
Принципиальная схема релейной защиты понижающего трехобмоточного трансформатора 110-220/35/6-10 кВ с питанием со стороны высшего напряжения (дифференциальная защита выполняется с одним комплектом реле ДЗТ-11). Перечень элементов. Обозначения
Принципиальная схема релейной защиты понижающего трехобмоточного трансформатора 110-220/35/6-10 кВ с питанием со стороны высшего напряжения (дифференциальная защита выполняется с одним комплектом реле ДЗТ-11). Поясняющая схема. Цепи переменного тока
Принципиальная схема релейной защиты понижающего трехобмоточного трансформатора 110-220/35/6-10 кВ с питанием со стороны высшего напряжения (дифференциальная защита выполняется с одним комплектом реле ДЗТ-11). Цепи напряжения. Цепи оперативного постоянного тока
Принципиальная схема релейной защиты понижающего трехобмоточного трансформатора 110-220/35/6-10 кВ с питанием со стороны высшего напряжения (дифференциальная защита выполняется с одним комплектом реле ДЗТ-11). Цепи оперативного постоянного тока. Цепи сигнализации
Принципиальная схема релейной защиты понижающего трехобмоточного трансформатора 110-220/35/6-10 кВ с питанием со сторон высшего и среднего напряжений (дифференциальная защита выполняется с двумя комплектами реле ДЗТ-11). Перечень элементов. Обозначения
Принципиальная схема релейной защиты понижающего трехобмоточного трансформатора 110-220/35/6-10 кВ с питанием со сторон высшего и среднего напряжений (дифференциальная защита выполняется с двумя комплектами реле ДЗТ-11). Поясняющая схема. Цепи переменного тока
Принципиальная схема релейной защиты понижающего трехобмоточного трансформатора 110-220/35/6-10 кВ с питанием со сторон высшего и среднего напряжений (дифференциальная защита выполняется с двумя комплектами реле ДЗТ-11). Цепи напряжения. Цепи оперативного постоянного тока
Принципиальная схема релейной защиты понижающего трехобмоточного трансформатора 110-220/35/6-10 кВ с питанием со сторон высшего и среднего напряжений (дифференциальная защита выполняется с двумя комплектами реле ДЗТ-11). Цепи оперативного постоянного тока. Цепи сигнализации
Принципиальная схема релейной защиты понижающего трехобмоточного трансформатора 110-220/35/6-10 кВ с питанием со сторон высшего и среднего напряжений (дифференциальная защита выполняется с использованием ДЗТ-21). Перечень элементов. Обозначения
Принципиальная схема релейной защиты понижающего трехобмоточного трансформатора 110-220/35/6-10 кВ с питанием со сторон высшего и среднего напряжений (дифференциальная защита выполняется с использованием ДЗТ-21). Поясняющая схема. Цепи переменного тока
Принципиальная схема релейной защиты понижающего трехобмоточного трансформатора 110-220/35/6-10 кВ с питанием со сторон высшего и среднего напряжений (дифференциальная защита выполняется с использованием ДЗТ-21). Цепи напряжения. Цепи оперативного постоянного тока
Принципиальная схема релейной защиты понижающего трехобмоточного трансформатора 110-220/35/6-10 кВ с питанием со сторон высшего и среднего напряжений (дифференциальная защита выполняется с использованием ДЗТ-21). Цепи оперативного постоянного тока. Цепи сигнализации
Схемы цепей тока дифференциальной защиты трехобмоточного трансформатора с включением тормозной обмотки реле типа ДЗТ-11 на сумму токов сторон среднего и низшего напряжений
Схема внутренних соединений реле типа ДЗТ-21. Схема модуля реле дифференциальной защиты. Схема реагирующего органа Э1
Схема внутренних соединений реле типа ДЗТ-21. Схема модуля питания и управления защиты (МПУ). Схема автотрансформатора тока типов АТ-31 и АТ-32. Схема приставки дополнительного торможения типа ПТ-1
Разработан: Энергосетьпроект
Утверждён:20.10.1986 Минэнерго СССР (USSR Minenergo 31)
Расположен в:Техническая документация Строительство Справочные документы Типовые строительные конструкции, изделия и узлы Общероссийский строительный каталог Промышленные предприятия, здания и сооружения Предприятия, здания и сооружения промышленности и электроэнергетики Электроэнергетика Схемы электрические для подстанций и линий электропередачи
Типовые проектные решения 407-03-414.87Типовые проектные решения 407-03-414.87Типовые проектные решения 407-03-414.87Типовые проектные решения 407-03-414.87Типовые проектные решения 407-03-414.87Типовые проектные решения 407-03-414.87Типовые проектные решения 407-03-414.87Типовые проектные решения 407-03-414.87Типовые проектные решения 407-03-414.87Типовые проектные решения 407-03-414.87Типовые проектные решения 407-03-414.87Типовые проектные решения 407-03-414.87Типовые проектные решения 407-03-414.87Типовые проектные решения 407-03-414.87Типовые проектные решения 407-03-414.87Типовые проектные решения 407-03-414.87Типовые проектные решения 407-03-414.87Типовые проектные решения 407-03-414.87Типовые проектные решения 407-03-414.87Типовые проектные решения 407-03-414.87Типовые проектные решения 407-03-414.87Типовые проектные решения 407-03-414.87Типовые проектные решения 407-03-414.87Типовые проектные решения 407-03-414.87Типовые проектные решения 407-03-414.87Типовые проектные решения 407-03-414.87Типовые проектные решения 407-03-414.87Типовые проектные решения 407-03-414.87Типовые проектные решения 407-03-414.87Типовые проектные решения 407-03-414.87Типовые проектные решения 407-03-414.87Типовые проектные решения 407-03-414.87Типовые проектные решения 407-03-414.87Типовые проектные решения 407-03-414.87Типовые проектные решения 407-03-414.87Типовые проектные решения 407-03-414.87Типовые проектные решения 407-03-414.87Типовые проектные решения 407-03-414.87

© 2013 Ёшкин Кот :-) Карта сайта