Информационная система
«Ёшкин Кот»

Скачать базу одним архивом
Скачать обновления
История создания базы
Карта сайта

Скачать Типовой проект 901-3-24 Альбом IV. Часть 1. Здание очистной станции. Нестандартизированное оборудование для станции данной производительности

Дата актуализации: 10.08.2017

Типовой проект 901-3-24

Альбом IV. Часть 1. Здание очистной станции. Нестандартизированное оборудование для станции данной производительности

Обозначение: Типовой проект 901-3-24
Обозначение англ: 901-3-24
Статус:не действует
Название рус.:Альбом IV. Часть 1. Здание очистной станции. Нестандартизированное оборудование для станции данной производительности
Дата добавления в базу:01.09.2013
Дата актуализации:05.05.2017
Оглавление:Перечень чертежей
Смеситель Ф 2,5 м. Общий вид
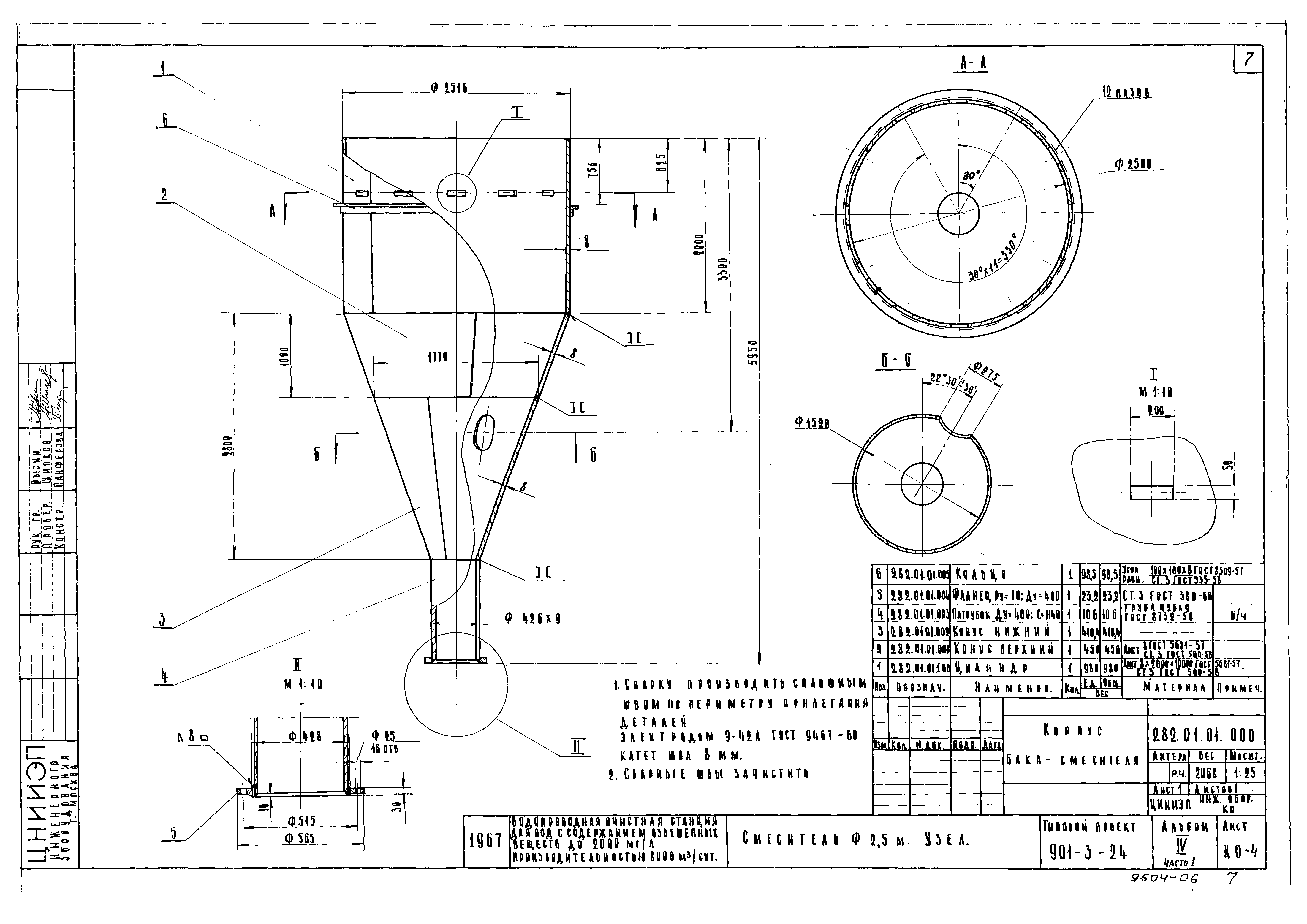
Смеситель Ф 2,5 м. Узел
Смеситель Ф 2,5 м. Узел. Детали
Смеситель Ф 2,5 м. Детали
Смеситель Ф 2,5 м. Узел
Смеситель Ф 2,5 м. Узел. Детали
Смеситель Ф 2,5 м. Детали
Смеситель Ф 2,5 м. Узел
Гидропульт. Общий вид
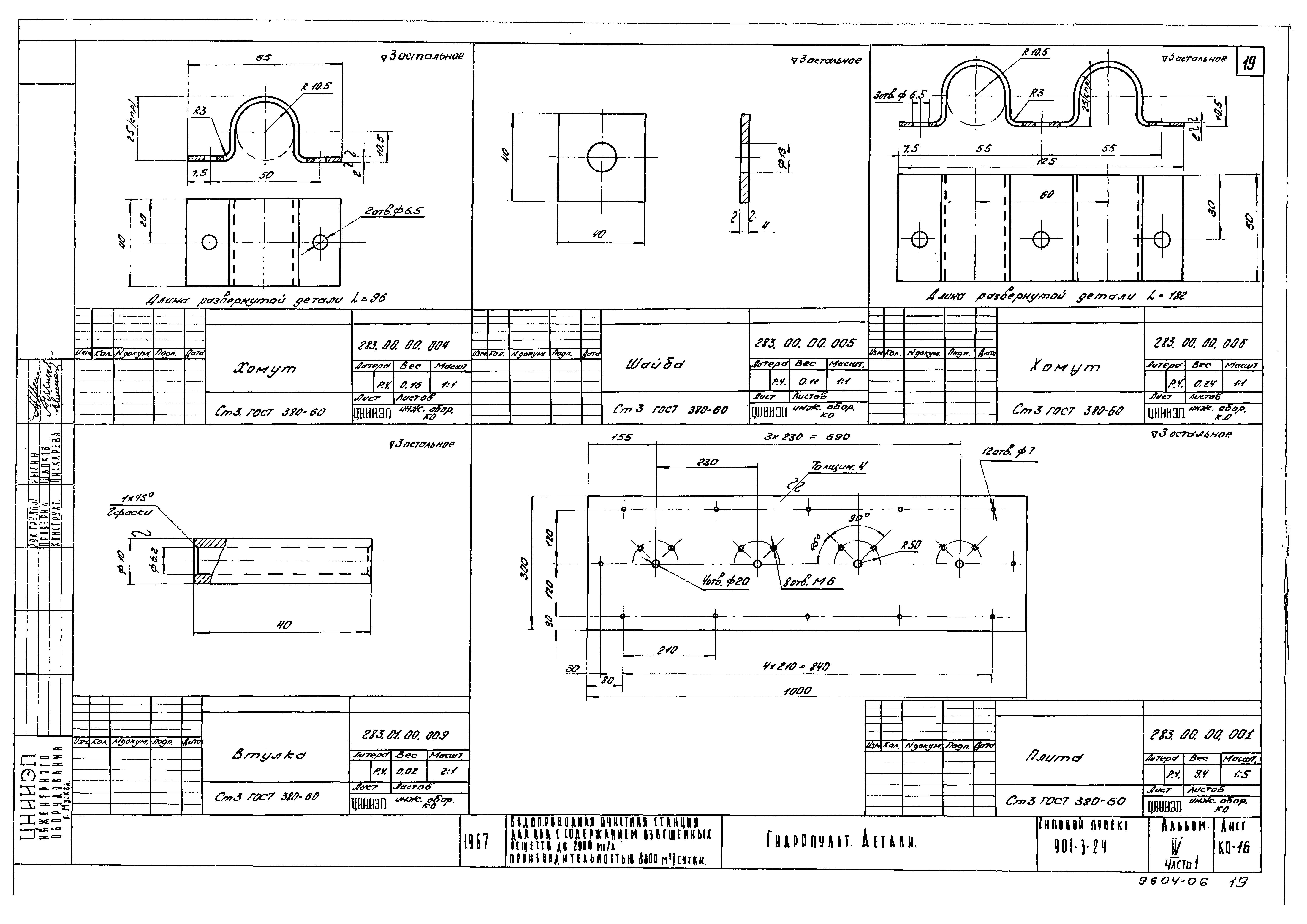
Гидропульт. Детали
Гидропульт. Узел
Гидропульт. Узел. Детали
Гидропульт. Детали
Гидропульт. Узел. Детали
Гребенка Dу150. Узел
Гребенка Dу80. Узел
Деталь сварная. Узел
Корыто для промывки сеток. Узел
Разработан: ЦНИИЭП инженерного оборудования Госгражданстроя
Утверждён:20.12.1967 ЦНИИЭП инженерного оборудования (TsNIIEP of Building Service Equipment 121)
Расположен в:Техническая документация Строительство Справочные документы Типовые строительные конструкции, изделия и узлы Общероссийский строительный каталог Промышленные предприятия, здания и сооружения Здания и сооружения санитарно-технические Водоснабжение Сооружения и установки по обеззараживанию воды Сооружения обработки и повторного использования воды для промывки фильтров
Типовой проект 901-3-24Типовой проект 901-3-24Типовой проект 901-3-24Типовой проект 901-3-24Типовой проект 901-3-24Типовой проект 901-3-24Типовой проект 901-3-24Типовой проект 901-3-24Типовой проект 901-3-24Типовой проект 901-3-24Типовой проект 901-3-24Типовой проект 901-3-24Типовой проект 901-3-24Типовой проект 901-3-24Типовой проект 901-3-24Типовой проект 901-3-24Типовой проект 901-3-24Типовой проект 901-3-24Типовой проект 901-3-24Типовой проект 901-3-24Типовой проект 901-3-24Типовой проект 901-3-24Типовой проект 901-3-24Типовой проект 901-3-24Типовой проект 901-3-24Типовой проект 901-3-24Типовой проект 901-3-24Типовой проект 901-3-24Типовой проект 901-3-24Типовой проект 901-3-24

© 2013 Ёшкин Кот :-) Карта сайта